TOP
|
特許
|
意匠
|
商標
特許ウォッチ
Twitter
他の特許を見る
10個以上の画像は省略されています。
公開番号
2025134562
公報種別
公開特許公報(A)
公開日
2025-09-17
出願番号
2024032544
出願日
2024-03-04
発明の名称
フック位置検出装置
出願人
株式会社タダノ
代理人
弁護士法人クレオ国際法律特許事務所
主分類
B66C
13/46 20060101AFI20250909BHJP(巻上装置;揚重装置;牽引装置)
要約
【課題】クレーンのフック位置検出装置において、撮像された画像において、ワイヤで隠される部分があった場合もフックの位置等を正確に検出する。
【解決手段】フック位置検出装置100は、クレーン10の伸縮ブーム16の先端に設けられたカメラ50と、伸縮ブーム16の先端から補巻ワイヤロープ41によって吊り下げられたサブフック40の上面42に設けられた4つのマーカMと、4つのマーカMのうちカメラ50によって撮像された3つのマーカMの位置関係に基づいて、サブフック40の位置及び向きを算出するフック位置算出部110と、を備え、4つのマーカMは、任意に選択された3つのマーカMを頂点として形成される4つの三角形T1,T2,T3,T4が全て互いに異なる形状となる位置関係で分布して配置されている。
【選択図】図2
特許請求の範囲
【請求項1】
クレーンのブームの先端に設けられた撮像装置と、
前記ブームの先端からワイヤによって吊り下げられたフックの上面に設けられた4つ以上のマーカと、
4つ以上の前記マーカのうち前記撮像装置によって撮像された3つ以上の前記マーカの位置関係に基づいて、前記フックの位置及び向きを算出するフック位置算出部と、を備え、
4つ以上の前記マーカは、任意に選択された3つの前記マーカを頂点として形成される複数の三角形が全て互いに異なる形状となる位置関係で分布して配置されている、クレーンのフック位置検出装置。
続きを表示(約 840 文字)
【請求項2】
4つ以上の前記マーカは、前記フックの上面において、前記ワイヤに支持された位置を中心とする同一の円の円周上に分布して配置され、
前記フック位置算出部は、4つ以上の前記マーカのうち任意の3つの前記マーカの位置関係を記憶した記憶部と、前記撮像装置によって撮像された3つの前記マーカの像の位置関係と前記記憶部に記憶された前記マーカの位置関係とに基づいて前記フックの位置及び向きを求める演算部とを備えた、請求項1に記載のクレーンのフック位置検出装置。
【請求項3】
前記演算部は、前記撮像装置によって撮像された3つの前記マーカを頂点として形成された三角形の辺の垂直二等分線の交点を前記フックの位置として算出し、3つの前記マーカの相対的な位置関係に基づいて前記フックの向きを算出する、請求項2に記載のクレーンのフック位置検出装置。
【請求項4】
4つ以上の前記マーカのうち2つが、前記円周上において前記円の直径に相当する位置に配置され、
前記演算部は、前記直径に相当する位置に配置された2つの前記マーカの中間点を前記フックの位置として算出し、3つの前記マーカの相対的な位置関係に基づいて前記フックの向きを算出する、請求項2に記載のクレーンのフック位置検出装置。
【請求項5】
前記フック位置算出部は、4つ以上の前記マーカのうち任意の3つの前記マーカの位置関係に対応した複数のパターンを記憶した記憶部と、前記撮像装置によって撮像された3つの前記マーカの位置関係と前記記憶部に記憶された複数の前記パターンとを比較照合して、複数の前記パターンから1つの前記パターンを特定することにより、前記フックの位置及び向きを求める演算部とを備えた、請求項1に記載のクレーンのフック位置検出装置。
【請求項6】
前記マーカはLEDである、請求項1から5のうちいずれか1項に記載のクレーンのフック位置検出装置。
発明の詳細な説明
【技術分野】
【0001】
本発明は、フック位置検出装置に関する。
続きを表示(約 2,300 文字)
【背景技術】
【0002】
例えばクレーンは、ブームからワイヤで吊り下げられたフックを用いて、荷を吊り上げる。このとき、フックの位置やフックを吊り下げているワイヤを中心としたフックの回転方向の向き(以下、これらの位置及び向きを併せて位置等という。)を、自動的に検出するフック位置検出装置が提案されている(例えば、特許文献1参照)。
【先行技術文献】
【特許文献】
【0003】
特開平7-179290号公報
【発明の概要】
【発明が解決しようとする課題】
【0004】
特許文献1で提案されている技術は、フックが設けられているフックブロックの上面(上方を向いた平面)に、例えば4つの黒丸の図形で形成された識別パターンを描画しておき、ブームの頂部に、鉛直下方に向けたビデオカメラを配置して、ビデオカメラで鉛直下方の領域を撮像し、ビデオカメラで撮像して得られた画像の全領域のうち、フックブロックに描かれた識別パターンが写った領域を検出することで、実空間におけるフックブロックの領域を求めて、フックで吊られている荷の揺れを検知するというものである。
【0005】
ここで、特許文献1の技術は、撮像された画像において識別パターンを検出するに際して、識別パターンに対応して予め記憶している複数のオリジナルテンプレートとの相関を調べ、相関が最も高いオリジナルテンプレートとの関係により、識別パターンが写った領域を決定している。
【0006】
しかし、ビデオカメラは、ブームの頂部において、ワイヤからずれた位置に設ける必要があるため、ビデオカメラで撮像された画像には、吊り下げられたワイヤの像が必ず映り込む。そして、画像において、ワイヤで吊り下げられたフックブロックの識別パターンの一部はワイヤによって隠されることがあり、その場合、特許文献1の技術は、画像における識別パターンとオリジナルテンプレートとの相関を正確に算出できないという問題がある。
【0007】
本発明は上記事情に鑑みなされたものであって、撮像された画像において、ワイヤで隠される部分があった場合もフックの位置等を正確に検出することができるフック位置検出装置を提供することを目的とする。
【課題を解決するための手段】
【0008】
本発明は、クレーンのブームの先端に設けられた撮像装置と、前記ブームの先端からワイヤによって吊り下げられたフックの上面に設けられた4つ以上のマーカと、4つ以上の前記マーカのうち前記撮像装置によって撮像された3つ以上の前記マーカの位置関係に基づいて、前記フックの位置及び向きを算出するフック位置算出部と、を備え、4つ以上の前記マーカは、任意に選択された3つの前記マーカを頂点として形成される複数の三角形が全て互いに異なる形状となる位置関係で分布して配置されている、クレーンのフック位置検出装置である。
【発明の効果】
【0009】
本発明に係るクレーンのフック位置検出装置は、撮像された画像において、ワイヤで隠される部分があった場合もフックの位置等を正確に検出することができる。
【図面の簡単な説明】
【0010】
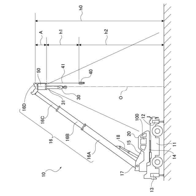
ラフテレーンクレーン10(以下、単に、クレーン10という。)を示す模式図である。
サブフックの上面に設けられた4つのマーカの平面視(水平面に直交する方向に見た状態)での配置例を示す模式図である。
4つのマーカのうち任意の3つのマーカを頂点として形成される三角形を模式的に示した図(その1)である。
4つのマーカのうち任意の3つのマーカを頂点として形成される三角形を模式的に示した図(その2)である。
4つのマーカのうち任意の3つのマーカを頂点として形成される三角形を模式的に示した図(その3)である。
4つのマーカのうち任意の3つのマーカを頂点として形成される三角形を模式的に示した図(その4)である。
クレーンのサブフックの位置及び向きを検出するフック位置検出装置の構成を示すブロックである。
カメラが撮影した、鉛直下方の景色の画像の一例である。
サブフックが、基準位置から、一例として、中心Cの右回り(時計回り)に角度60度だけ回転した状態での、サブフックの向きを説明する模式図である。
4つのマーカの他の配置例を示す、図2相当の模式図である。
クレーンのサブフックの位置及び向きを検出するフック位置検出装置の構成を示すブロック図である。
サブフックの上面に設けられた4つのマーカの平面視(水平面に直交する方向に見た状態)での配置例を示す模式図である。
4つのマーカのうち任意の3つのマーカを頂点として形成される三角形を模式的に示した図(その1)である。
4つのマーカのうち任意の3つのマーカを頂点として形成される三角形を模式的に示した図(その2)である。
4つのマーカのうち任意の3つのマーカを頂点として形成される三角形を模式的に示した図(その3)である。
4つのマーカのうち任意の3つのマーカを頂点として形成される三角形を模式的に示した図(その4)である。
カメラが撮影した、鉛直下方の景色の画像の一例である。
【発明を実施するための形態】
(【0011】以降は省略されています)
この特許をJ-PlatPat(特許庁公式サイト)で参照する
関連特許
他の特許を見る