TOP
|
特許
|
意匠
|
商標
意匠ウォッチ
Twitter
他の意匠を見る
発行日
2025-01-09
公報種別
意匠公報(S)
登録番号
1788634
登録日
2024-12-25
意匠に係る物品
パウチ
意匠分類
F4
-400(包装紙、包装用容器等)
出願番号
2024014701
出願日
2024-07-17
意匠権者
カウパック株式会社
代理人
個人
,
個人
意匠に係る物品の説明
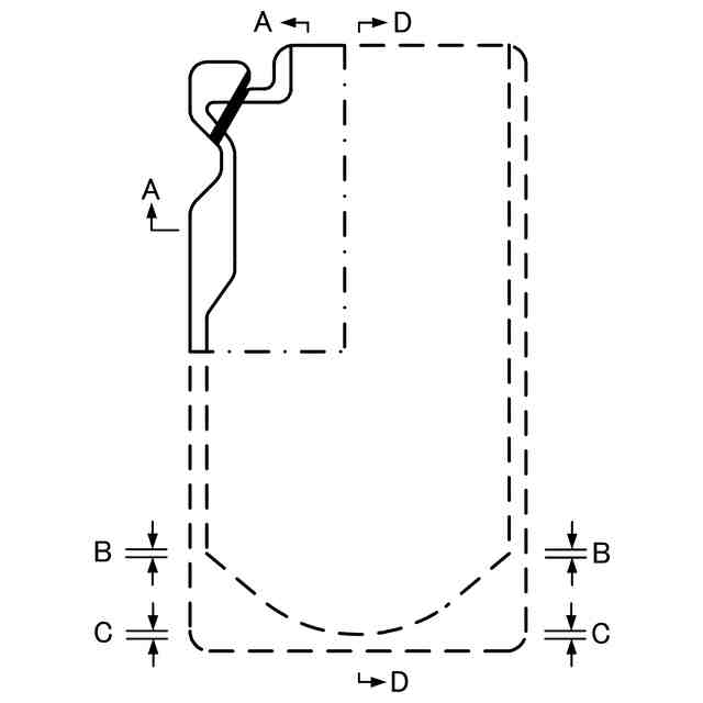
本物品は、液体を収容するパウチである。各部の名称を示す参考正面図に示すように、切除部と本体部との間には、レーザーで易カット加工を施すことにより切り取り線が設けられている。この切り取り線に沿って切り取ることで、切除部を離脱させることができる。また、底部側は、B-B部におけるD-D拡大断面図及びC-C部におけるD-D拡大断面図に示すように、正面側と背面側との二層構造を有する。こうすることにより、液体が充填されている場合には、液体に押し広げられることで自立する。
意匠の説明
実線で示された部分が、意匠登録を受けようとする部分である。一点鎖線は、意匠登録を受けようとする部分とその他の部分の境界のみを示す線である。
この意匠をJ-PlatPat(特許庁公式サイト)で参照する
関連意匠
カウパック株式会社
パウチ
9か月前
カウパック株式会社
パウチ
9か月前
インターコンチネンタル グレート ブランズ エルエルシー
容器
10か月前
株式会社ニシキ
容器
3か月前
インターコンチネンタル グレート ブランズ エルエルシー
容器
10か月前
インターコンチネンタル グレート ブランズ エルエルシー
容器
10か月前
インターコンチネンタル グレート ブランズ エルエルシー
容器
10か月前
インターコンチネンタル グレート ブランズ エルエルシー
容器
10か月前
インターコンチネンタル グレート ブランズ エルエルシー
容器
10か月前
ゼロックス コーポレイション
容器
1か月前
ストール マシーナリ カンパニー,エルエルシー
缶蓋
8日前
フジモリ産業株式会社
容器
4か月前
エス.コールマン エンタープライズ インコーポレーテッド(エスシーイーアイ)
容器
4か月前
温州かん隆実業有限公司
紙袋
11か月前
合同会社オーリオンバイオテック・ジャパン
ラベル
5か月前
アイアイコンバインド カンパニー リミテッド
香水瓶
9日前
イーライ リリー アンド カンパニー
ラベル
3か月前
エイワイファーマ株式会社
ボトル
4か月前
株式会社イシダ
ラベル
11か月前
東洋アルミエコープロダクツ株式会社
包装体
10か月前
東洋アルミエコープロダクツ株式会社
包装体
10か月前
東洋アルミエコープロダクツ株式会社
包装体
10か月前
サントリーホールディングス株式会社
ラベル
8か月前
コン ティ コ ファン ハン ティエウ ドゥン マサン(マサン コンシューマー コーポレーション)
ボトル
7か月前
エイワイファーマ株式会社
ボトル
4か月前
ダクラパック ヨーロッパ ビー.ブイ.
注ぎ口
2か月前
イーライ リリー アンド カンパニー
ラベル
3か月前
個人
結束具
11か月前
株式会社こすもす
包装袋
8か月前
三光機械株式会社
包装袋
6か月前
第一工業製薬株式会社
ラベル
2か月前
株式会社若松屋
包装紙
2か月前
株式会社JVCケンウッド
梱包材
10か月前
株式会社若松屋
包装紙
4か月前
株式会社ヤクルト本社
包装紙
4か月前
アスカカンパニー株式会社
注出栓
11か月前
続きを見る
他の意匠を見る