TOP
|
特許
|
意匠
|
商標
意匠ウォッチ
Twitter
他の意匠を見る
発行日
2025-10-21
公報種別
意匠公報(S)
登録番号
1810999
登録日
2025-10-10
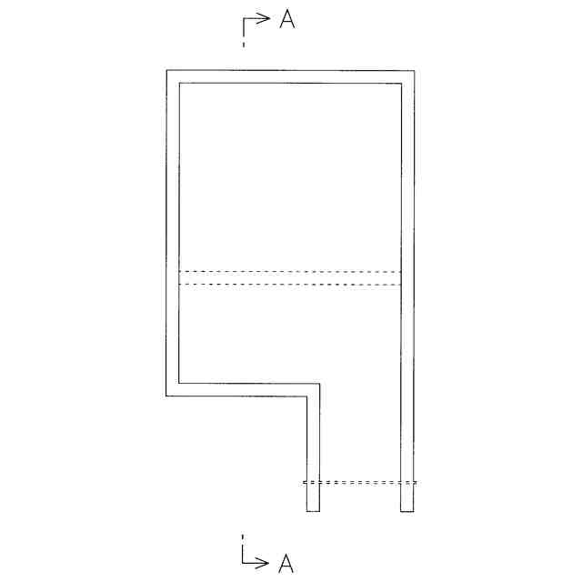
意匠に係る物品
荷受台昇降機の柵
意匠分類
G1
-3900(運搬、昇降又は貨物取扱い用機械器具)
出願番号
2025003835
出願日
2025-02-27
意匠権者
極東開発工業株式会社
代理人
弁理士法人藤本パートナーズ
意匠に係る物品の説明
この意匠に係る物品は、例えば、貨物自動車の車体後部等に設けた荷受台昇降機の荷受台に取り付けることができる柵である。荷受台昇降機は、荷受台を昇降させることにより、貨物等の積降作業を行うためのものである。
意匠の説明
実線であらわした部分が、意匠登録を受けようとする部分である。端面図を含めて意匠登録を受けようとする部分を特定している。背面図は正面図と対称にあらわれる。
この意匠をJ-PlatPat(特許庁公式サイト)で参照する
関連意匠
極東開発工業株式会社
情報表示用画像
9か月前
極東開発工業株式会社
情報表示用画像
9か月前
極東開発工業株式会社
情報表示用画像
9か月前
極東開発工業株式会社
情報表示用画像
9か月前
極東開発工業株式会社
情報表示用画像
9か月前
極東開発工業株式会社
情報表示用画像
3か月前
極東開発工業株式会社
情報表示用画像
11か月前
極東開発工業株式会社
情報表示用画像
9か月前
極東開発工業株式会社
情報表示用画像
3か月前
極東開発工業株式会社
情報表示用画像
11か月前
極東開発工業株式会社
情報表示用画像
11か月前
極東開発工業株式会社
情報表示用画像
11か月前
極東開発工業株式会社
情報表示用画像
11か月前
極東開発工業株式会社
トラック用バンパー部材
8か月前
極東開発工業株式会社
トラック用バンパー部材
8か月前
極東開発工業株式会社
ミキサードラムユニット
6日前
極東開発工業株式会社
塵芥収集車の作業用操作器
3か月前
極東開発工業株式会社
塵芥収集車の作業用操作器
3か月前
極東開発工業株式会社
塵芥収集車の作業用操作器
11か月前
極東開発工業株式会社
塵芥収集車の作業用操作器
11か月前
極東開発工業株式会社
塵芥収集車の作業用操作器
3か月前
極東開発工業株式会社
荷受台昇降機の柵
12か月前
極東開発工業株式会社
荷受台昇降機の柵
5日前
極東開発工業株式会社
荷受台昇降機の柵
5日前
極東開発工業株式会社
荷受台昇降機の柵
5日前
極東開発工業株式会社
荷受台昇降機の柵
5日前
極東開発工業株式会社
荷受台昇降機の柵
5日前
極東開発工業株式会社
荷受台昇降機の柵
5日前
極東開発工業株式会社
荷受台昇降機の柵
5日前
極東開発工業株式会社
荷受台昇降機の荷受台
8か月前
極東開発工業株式会社
荷受台昇降機の荷受台
3か月前
極東開発工業株式会社
荷受台昇降機の荷受台
12か月前
極東開発工業株式会社
荷受台昇降機の荷受台
12か月前
極東開発工業株式会社
荷受台昇降機の荷受台
12か月前
極東開発工業株式会社
荷受台昇降機の荷受台
12か月前
山九株式会社
トロリ
6か月前
続きを見る
他の意匠を見る