TOP
|
特許
|
意匠
|
商標
意匠ウォッチ
Twitter
他の意匠を見る
発行日
2025-04-22
公報種別
意匠公報(S)
登録番号
1796724
登録日
2025-04-14
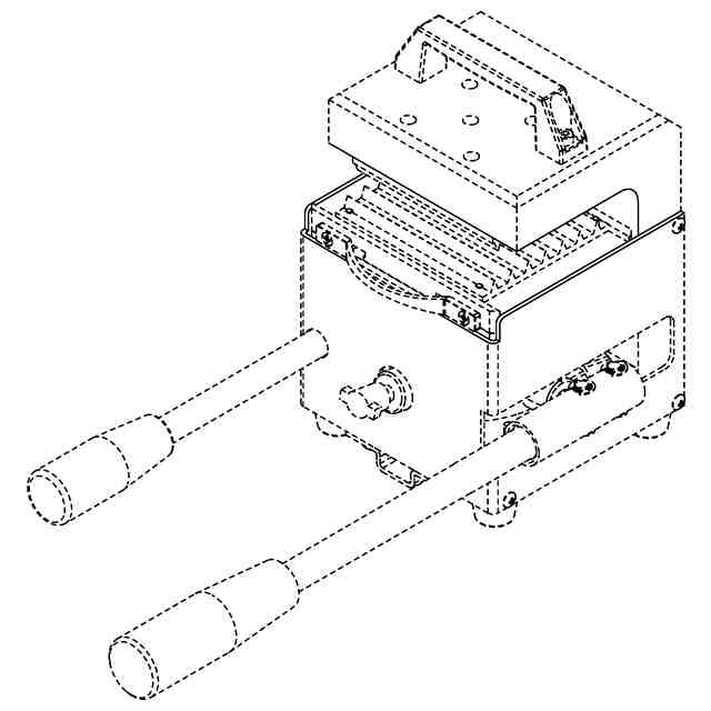
意匠に係る物品
破壊装置
意匠分類
K0
-500(K1~K9に属さないその他の産業用機械器具)
出願番号
2024019855
出願日
2024-09-26
意匠権者
株式会社創朋
代理人
弁理士法人創光国際特許事務所
意匠に係る物品の説明
本物品は、上側の第1圧壊工具に対して、昇降テーブルに支持された下側の第2圧壊工具を油圧ジャッキで上昇させて、記憶装置又は基板を圧壊する破壊装置である。記憶装置又は基板は、第2圧壊工具の上昇前に、破壊装置の上部の実線で示す開口部の前方又は左右から挿入される。
意匠の説明
実線で表した部分が、部分意匠として意匠登録を受けようとする部分である。
この意匠をJ-PlatPat(特許庁公式サイト)で参照する
関連意匠
株式会社創朋
破壊装置
5か月前
株式会社創朋
破壊装置
5か月前
東京窯業株式会社
匣鉢
2か月前
東京窯業株式会社
匣鉢
2か月前
東京窯業株式会社
匣鉢
2か月前
東京窯業株式会社
匣鉢
2か月前
個人
刷毛
12か月前
大蔵工業株式会社
帯掛機
6か月前
株式会社KOKUSAI ELECTRIC
反応管
5か月前
ラム リサーチ コーポレーション
シール
1か月前
ラム リサーチ コーポレーション
シール
1か月前
立晏企業有限公司
支持具
10日前
株式会社プロスタッフ
塗布具
3か月前
株式会社KOKUSAI ELECTRIC
反応管
5か月前
ノードソン コーポレーション
溶融機
4か月前
大蔵工業株式会社
帯掛機
5か月前
大蔵工業株式会社
帯掛機
5か月前
ファインマシーンカタオカ株式会社
乾燥機
6か月前
三菱鉛筆株式会社
塗装器
8か月前
大蔵工業株式会社
帯掛機
6か月前
クアーズテック合同会社
透視窓体
4か月前
クアーズテック合同会社
透視窓体
4か月前
株式会社ナガセインテグレックス
研磨装置
3か月前
株式会社創朋
破壊装置
5か月前
株式会社創朋
破壊装置
5か月前
黒崎播磨株式会社
スタッド
5か月前
クアーズテック合同会社
透視窓体
4か月前
静岡製機株式会社
ヒーター
5か月前
株式会社オカムラ
ロボット
12か月前
日本製鉄株式会社
高炉用羽口
14日前
高周波熱錬株式会社
加熱コイル
8日前
高周波熱錬株式会社
加熱コイル
2か月前
株式会社ナガセインテグレックス
ベース部材
3か月前
株式会社寺岡精工
容器減容機
1か月前
株式会社寺岡精工
容器減容機
1か月前
高周波熱錬株式会社
加熱コイル
8日前
続きを見る
他の意匠を見る