TOP
|
特許
|
意匠
|
商標
特許ウォッチ
Twitter
他の特許を見る
10個以上の画像は省略されています。
公開番号
2025141856
公報種別
公開特許公報(A)
公開日
2025-09-29
出願番号
2025035929
出願日
2025-03-06
発明の名称
ガスコンロ
出願人
大阪瓦斯株式会社
代理人
弁理士法人北斗特許事務所
主分類
F24C
3/12 20060101AFI20250919BHJP(加熱;レンジ;換気)
要約
【課題】発光素子及び受光素子の数を抑えつつ、トッププレート上の広い領域において異物を光学的に検知できるガスコンロを提供する。
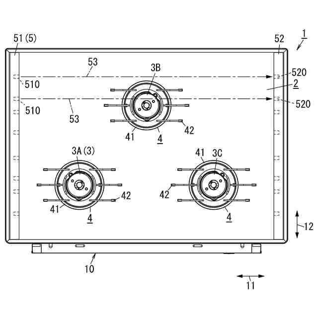
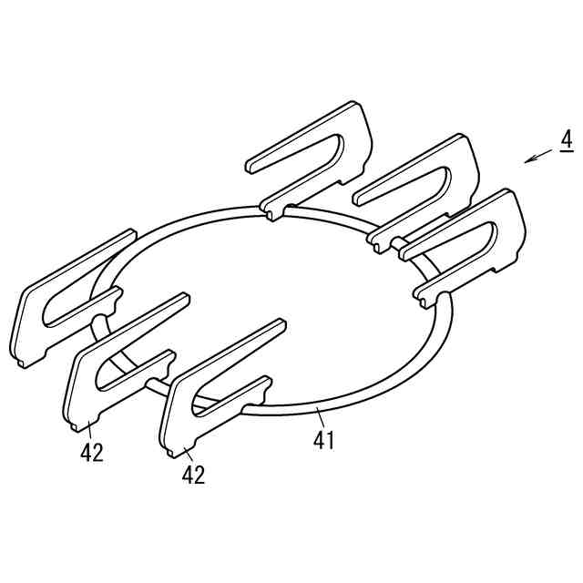
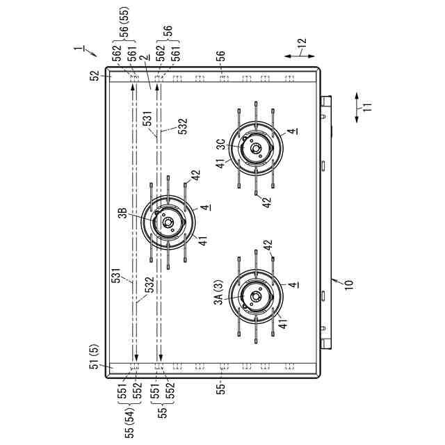
【解決手段】ガスコンロ1は、トッププレート2と、一又は複数のバーナ3と、トッププレート2上に設置される五徳4と、トッププレート2上の異物を検知する異物検知装置5と、を備える。異物検知装置5は、トッププレート2上に設置される発光部51及び受光部52を有する。発光部51は、トッププレート2上において、トッププレート2の上面に沿う第1方向11における一端部に、第1方向11と交差する第2方向12に並ぶ複数の発光素子510を有する。受光部52は、トッププレート2上において、第1方向11における他端部に、第2方向12に並ぶ複数の受光素子520を有する。五徳4が有する五徳爪42は、発光部51と受光部52との間に配置されて、第1方向11に延びている。
【選択図】図1
特許請求の範囲
【請求項1】
トッププレートと、
一又は複数のバーナと、
前記トッププレート上に設置される五徳と、
前記トッププレート上に設置される発光部及び受光部を有し、前記トッププレート上の異物を検知する異物検知装置と、を備え、
前記発光部は、前記トッププレート上において、前記トッププレートの上面に沿う第1方向における一端部に、前記第1方向と交差する第2方向に並ぶ複数の発光素子を有し、
前記受光部は、前記トッププレート上において、前記第1方向における他端部に、前記第2方向に並ぶ複数の受光素子を有し、
前記五徳が有する五徳爪は、前記発光部と前記受光部との間に配置されて、前記第1方向に延びている、
ガスコンロ。
続きを表示(約 2,500 文字)
【請求項2】
前記バーナの上端は、前記トッププレートの前記上面よりも上方に位置しており、
前記発光素子、前記受光素子、及び前記発光部と前記受光部との間に配置されている前記五徳爪は、前記バーナよりも上方に位置している
請求項1に記載のガスコンロ。
【請求項3】
前記バーナの上端は、前記トッププレートの前記上面と同一平面上に位置するか又は前記上面よりも下方に位置しており、
前記発光素子及び前記受光素子は、前記上面に沿って位置している
請求項1に記載のガスコンロ。
【請求項4】
トッププレートと、
一又は複数のバーナと、
前記トッププレート上に設置される五徳と、
前記トッププレート上に設置される発光部及び受光部を有し、前記トッププレート上の異物を検知する異物検知装置と、を備え、
前記発光部は、前記トッププレート上において、前記トッププレートの上面に沿う第1方向における一端部に、前記第1方向と交差する第2方向に並ぶ複数の発光素子を有し、
前記受光部は、前記トッププレート上において、前記第1方向における他端部に、前記第2方向に並ぶ複数の受光素子を有し、
前記バーナは、複数の前記発光素子のうちの第1群の発光素子と複数の前記受光素子のうちの第1群の受光素子とを結ぶ光経路上に配置されており、
前記バーナよりも前記第1群の発光素子側に、前記第1群の発光素子からの光を受ける第2群の受光素子が位置しており、
前記バーナよりも前記第1群の受光素子側に、前記第1群の受光素子に向けて発光する第2群の発光素子が位置している
ガスコンロ。
【請求項5】
トッププレートと、
一又は複数のバーナと、
前記トッププレート上に設置される五徳と、
前記トッププレート上に設置される複数の発光受光セットを有して前記トッププレート上の異物を検知する異物検知装置と、を備え、
前記発光受光セットは、前記トッププレートの上面に沿う第1方向における一端部に配置される第1発光受光ユニット及び他端部に配置される第2発光受光ユニットを有し、
前記第1発光受光ユニットは、第1発光素子及び第1受光素子を有し、
前記第2発光受光ユニットは、第2発光素子及び第2受光素子を有し、
前記第1発光素子は、前記第2受光素子に向けて光を発し、
前記第2発光素子は、前記第1受光素子に向けて光を発し、
前記第1受光素子は、前記第2発光素子から発せられた光を受けると共に前記第1発光素子から発せられて異物で反射した光を受けることが可能であり、
前記第2受光素子は、前記第1発光素子から発せられた光を受けると共に前記第2発光素子から発せられて異物で反射した光を受けることが可能であり、
前記五徳が有する五徳爪は、前記第1発光素子と前記第2受光素子との間の光経路及び前記第2発光素子と前記第1受光素子との間の光経路を避けて前記第1方向に延びており、
前記ガスコンロは、前記バーナにおける燃焼を制御する制御部を更に備え、
前記異物検知装置は、異物を検知したときにこの異物が位置する領域を異物領域として特定する異物領域特定部を有し、
前記制御部は、前記異物検知装置が異物を検知したときに、特定された前記異物領域が一又は複数の前記バーナのうちの一の対象バーナから点火禁止距離内に位置する場合、前記対象バーナにおける点火を禁止するように制御する
ガスコンロ。
【請求項6】
トッププレートと、
一又は複数のバーナと、
前記トッププレート上に設置される五徳と、
前記トッププレート上に設置される複数の発光受光セットを有して前記トッププレート上の異物を検知する異物検知装置と、を備え、
前記発光受光セットは、前記トッププレートの上面に沿う第1方向における一端部に配置される第1発光受光ユニット及び他端部に配置される第2発光受光ユニットを有し、
前記第1発光受光ユニットは、第1発光素子及び第1受光素子を有し、
前記第2発光受光ユニットは、第2発光素子及び第2受光素子を有し、
前記第1発光素子は、前記第2受光素子に向けて光を発し、
前記第2発光素子は、前記第1受光素子に向けて光を発し、
前記第1受光素子は、前記第2発光素子から発せられた光を受けると共に前記第1発光素子から発せられて異物で反射した光を受けることが可能であり、
前記第2受光素子は、前記第1発光素子から発せられた光を受けると共に前記第2発光素子から発せられて異物で反射した光を受けることが可能であり、
前記五徳が有する五徳爪は、前記第1発光素子と前記第2受光素子との間の光経路及び前記第2発光素子と前記第1受光素子との間の光経路を避けて前記第1方向に延びており、
前記ガスコンロは、前記バーナにおける燃焼を制御する制御部を更に備え、
前記異物検知装置は、異物を検知したときにこの異物が位置する領域を異物領域として特定する異物領域特定部を有し、
前記制御部は、前記異物検知装置が異物を検知したときに、特定された前記異物領域が一又は複数の前記バーナのうちの一の対象バーナから火力抑制距離内に位置する場合、前記対象バーナにおいて点火された際に点火時から所定の時間内に、前記対象バーナにおける火力を点火時火力から低減させるように制御する
ガスコンロ。
【請求項7】
前記制御部は、前記異物検知装置が異物を検知したときに、特定された前記異物領域が前記対象バーナから火力抑制距離内に位置する場合、前記対象バーナにおいて点火された際に点火時から所定の時間内に、前記対象バーナから前記異物領域までの距離に応じて、前記対象バーナにおける火力の点火時火力からの低減幅を変化させるように制御する
請求項6に記載のガスコンロ。
発明の詳細な説明
【技術分野】
【0001】
本発明は、ガスコンロに関する。
続きを表示(約 2,400 文字)
【背景技術】
【0002】
従来、トッププレート上の異物の有無を検出するセンサ装置及びこのセンサ装置を備えたガスコンロが知られている(例えば、特許文献1参照)。特許文献1に記載されたセンサ装置及びガスコンロにあっては、センサ装置が有する光センサは、トッププレートの直下に位置し、トッププレートを構成するガラス板の窓部からトッププレートの上方へ向けて検出波を出力し、バーナに接近する異物の検出を行う。光センサは、バーナの前方において、コンロの右端から左端にかけて並んで配置される。光センサが配置される領域を検出領域とすると、検出領域は左右方向に長く延びている。
【先行技術文献】
【特許文献】
【0003】
特開2018-128161号公報
【発明の概要】
【発明が解決しようとする課題】
【0004】
特許文献1に記載されたセンサ装置及びガスコンロにあっては、トッププレート上のバーナの前方の領域に位置する異物しか検知することができない。また、トッププレート上の広い領域において異物を検知しようとすると、光センサの個数が増加してしまうものであった。
【0005】
本発明は上記の点に鑑みてなされた発明であり、発光素子及び受光素子の数を抑えつつ、トッププレート上の広い領域において異物を光学的に検知できるガスコンロを提供することにある。
【課題を解決するための手段】
【0006】
請求項1の発明に係るガスコンロは、トッププレートと、一又は複数のバーナと、前記トッププレート上に設置される五徳と、前記トッププレート上の異物を検知する異物検知装置と、を備える。前記異物検知装置は、前記トッププレート上に設置される発光部及び受光部を有する。前記発光部は、前記トッププレート上において、前記トッププレートの上面に沿う第1方向における一端部に、前記第1方向と交差する第2方向に並ぶ複数の発光素子を有する。前記受光部は、前記トッププレート上において、前記第1方向における他端部に、前記第2方向に並ぶ複数の受光素子を有する。前記五徳が有する五徳爪は、前記発光部と前記受光部との間に配置されて、前記第1方向に延びている。
【0007】
請求項2の発明に係るガスコンロは、請求項1に係る発明に従属する発明であって、前記バーナの上端は、前記トッププレートの前記上面よりも上方に位置している。前記発光素子、前記受光素子、及び前記発光部と前記受光部との間に配置されている前記五徳爪は、前記バーナよりも上方に位置している。
【0008】
請求項3の発明に係るガスコンロは、請求項1に係る発明に従属する発明であって、前記バーナの上端は、前記トッププレートの前記上面と同一平面上に位置するか又は前記上面よりも下方に位置している。前記発光素子及び前記受光素子は、前記上面に沿って位置している。
【0009】
請求項4の発明に係るガスコンロは、トッププレートと、一又は複数のバーナと、前記トッププレート上に設置される五徳と、前記トッププレート上の異物を検知する異物検知装置と、を備える。前記異物検知装置は、前記トッププレート上に設置される発光部及び受光部を有する。前記発光部は、前記トッププレート上において、前記トッププレートの上面に沿う第1方向における一端部に、前記第1方向と交差する第2方向に並ぶ複数の発光素子を有する。前記受光部は、前記トッププレート上において、前記第1方向における他端部に、前記第2方向に並ぶ複数の受光素子を有する。前記バーナは、複数の前記発光素子のうちの第1群の発光素子と複数の前記受光素子のうちの第1群の受光素子とを結ぶ光経路上に配置されている。前記バーナよりも前記第1群の発光素子側に、前記第1群の発光素子からの光を受ける第2群の受光素子が位置している。前記バーナよりも前記第1群の受光素子側に、前記第1群の受光素子に向けて発光する第2群の発光素子が位置している。
【0010】
請求項5に係るガスコンロは、トッププレートと、一又は複数のバーナと、前記トッププレート上に設置される五徳と、前記トッププレート上に設置される複数の発光受光セットを有して前記トッププレート上の異物を検知する異物検知装置と、を備える。前記発光受光セットは、前記トッププレートの上面に沿う第1方向における一端部に配置される第1発光受光ユニット及び他端部に配置される第2発光受光ユニットを有する。前記第1発光受光ユニットは、第1発光素子及び第1受光素子を有する。前記第2発光受光ユニットは、第2発光素子及び第2受光素子を有する。前記第1発光素子は、前記第2受光素子に向けて光を発する。前記第2発光素子は、前記第1受光素子に向けて光を発する。前記第1受光素子は、前記第2発光素子から発せられた光を受けると共に前記第1発光素子から発せられて異物で反射した光を受けることが可能である。前記第2受光素子は、前記第1発光素子から発せられた光を受けると共に前記第2発光素子から発せられて異物で反射した光を受けることが可能である。前記五徳が有する五徳爪は、前記第1発光素子と前記第2受光素子との間の光経路及び前記第2発光素子と前記第1受光素子との間の光経路を避けて前記第1方向に延びている。前記ガスコンロは、前記バーナにおける燃焼を制御する制御部を更に備える。前記異物検知装置は、異物を検知したときにこの異物が位置する領域を異物領域として特定する異物領域特定部を有する。前記制御部は、前記異物検知装置が異物を検知したときに、特定された前記異物領域が前記一又は複数のバーナのうちの一の対象バーナから点火禁止距離内に位置する場合、前記対象バーナにおける点火を禁止するように制御する。
(【0011】以降は省略されています)
この特許をJ-PlatPat(特許庁公式サイト)で参照する
関連特許
大阪瓦斯株式会社
給湯装置
4日前
大阪瓦斯株式会社
蓄電装置
1か月前
大阪瓦斯株式会社
フライヤー
1日前
大阪瓦斯株式会社
衣類乾燥機
1か月前
大阪瓦斯株式会社
加熱調理器
1か月前
大阪瓦斯株式会社
衣類乾燥機
1か月前
大阪瓦斯株式会社
衣類乾燥機
1か月前
大阪瓦斯株式会社
ガスコンロ
4日前
大阪瓦斯株式会社
鮮度維持装置
14日前
大阪瓦斯株式会社
地中給電設備
14日前
大阪瓦斯株式会社
住宅設備機器
1か月前
大阪瓦斯株式会社
燃料電池装置
14日前
大阪瓦斯株式会社
異常診断装置
15日前
大阪瓦斯株式会社
異常診断装置
15日前
大阪瓦斯株式会社
異常診断装置
15日前
大阪瓦斯株式会社
異常診断装置
15日前
大阪瓦斯株式会社
異常診断装置
15日前
大阪瓦斯株式会社
異常診断装置
15日前
大阪瓦斯株式会社
異常診断装置
15日前
大阪瓦斯株式会社
異常診断装置
15日前
大阪瓦斯株式会社
通信システム
2か月前
大阪瓦斯株式会社
異常診断装置
15日前
大阪瓦斯株式会社
蓄電制御装置
8日前
大阪瓦斯株式会社
熱供給システム
4日前
大阪瓦斯株式会社
蓄電池管理装置
8日前
大阪瓦斯株式会社
燃料電池システム
15日前
大阪瓦斯株式会社
樹脂積層フィルム
25日前
大阪瓦斯株式会社
加熱調理システム
1日前
大阪瓦斯株式会社
燃料電池システム
4日前
大阪瓦斯株式会社
燃料電池システム
8日前
大阪瓦斯株式会社
燃料電池システム
2日前
大阪瓦斯株式会社
電力供給システム
2か月前
大阪瓦斯株式会社
燃料電池システム
2日前
大阪瓦斯株式会社
燃料電池システム
2日前
大阪瓦斯株式会社
燃料電池システム
2日前
大阪瓦斯株式会社
燃料電池システム
2日前
続きを見る
他の特許を見る