TOP
|
特許
|
意匠
|
商標
特許ウォッチ
Twitter
他の特許を見る
公開番号
2025142729
公報種別
公開特許公報(A)
公開日
2025-10-01
出願番号
2024042245
出願日
2024-03-18
発明の名称
燃料電池システム
出願人
大阪瓦斯株式会社
代理人
弁理士法人R&C
主分類
H01M
8/04858 20160101AFI20250924BHJP(基本的電気素子)
要約
【課題】ユーザが享受できるメリットの毀損を低減する燃料電池システムを提供する。
【解決手段】燃料電池システムは、電力系統と系統連系される燃料電池部と、燃料電池部が発電した発電電力を変換して出力電力を出力する電力変換部と、電力系統及び電力変換部の少なくとも一方から電力供給可能な電力負荷部と、湯水を加熱することにより電力変換部からの出力電力を消費可能な電力消費部と、制御部と、を備え、制御部は、逆潮流電力を所定値以下に抑制する必要が生じた場合において、燃料電池部が設置された施設における熱需要の有無を判定し、熱需要が有ると判定すると、電力消費部を作動させて熱需要に対応する電力を消費させつつ、燃料電池部の動作を制御して逆潮流電力が所定値以下になるようにし、熱需要が無いと判定すると、電力消費部を作動させることなく、燃料電池部の動作を制御して逆潮流電力が所定値以下になるようにする。
【選択図】図2
特許請求の範囲
【請求項1】
電力系統と系統連系される燃料電池部と、
前記燃料電池部が発電した発電電力を変換して出力電力を出力する電力変換部と、
前記電力系統及び前記電力変換部の少なくとも一方から電力供給を受けることが可能な電力負荷部と、
前記燃料電池部からの排熱を蓄熱する湯水を貯留する湯水タンク、及び前記湯水タンクに接続され、前記湯水が循環する湯水循環回路を有する蓄熱部と、
前記湯水循環回路に配置されて、前記湯水を加熱することにより前記電力変換部からの前記出力電力を消費可能な電力消費部と、
前記燃料電池部、前記電力変換部、前記蓄熱部、及び前記電力消費部の動作を制御する制御部と、を備え、
前記出力電力のうち前記電力負荷部で消費されなかった電力を逆潮流電力として前記電力系統に逆潮流可能な燃料電池システムであって、
前記制御部は、前記逆潮流電力を所定値以下に抑制する必要が生じた場合において、前記燃料電池部が設置された施設における熱需要の有無を判定し、前記熱需要が有ると判定すると、前記電力消費部を作動させて前記熱需要に対応する電力を消費させつつ、前記燃料電池部の動作を制御して前記逆潮流電力が前記所定値以下になるようにし、前記熱需要が無いと判定すると、前記電力消費部を作動させることなく、前記燃料電池部の動作を制御して前記逆潮流電力が前記所定値以下になるようにする、燃料電池システム。
続きを表示(約 950 文字)
【請求項2】
前記逆潮流電力を前記所定値以下に抑制する必要が生じた場合は、前記電力系統と前記電力変換部との間の受電点電圧が所定の整定値を超えることにより、前記逆潮流電力がゼロとなるように前記逆潮流電力を抑制すべき指示を含む出力抑制指令を前記制御部が受信した場合、及び、前記受電点電圧を下げて前記逆潮流電力が前記所定値となるように前記逆潮流電力を抑制すべき指示を含む下げ指令を受信した場合の少なくとも一方を含む、請求項1に記載の燃料電池システム。
【請求項3】
前記制御部は、前記熱需要が有ると判定すると、前記電力消費部が消費可能な電力と、前記熱需要を満たすために必要な電力とに基づいて、前記電力消費部が作動することにより消費する消費電力を設定する、請求項1に記載の燃料電池システム。
【請求項4】
前記制御部は、前記湯水タンクから前記湯水の出湯中である場合、前記熱需要が有ると判定し、前記出湯中ではない場合、前記熱需要が無いと判定する、請求項1に記載の燃料電池システム。
【請求項5】
前記制御部は、前記湯水タンクから前記湯水の出湯の予定が有る場合、前記熱需要が有ると判定し、前記出湯の予定がない場合、前記熱需要が無いと判定する、請求項1に記載の燃料電池システム。
【請求項6】
前記湯水タンクに貯留される前記湯水の温度を検知する湯水温度検知部を更に備え、
前記制御部は、前記湯水温度検知部によって検知される前記湯水の温度が湯水温度閾値以下である場合、前記熱需要が有ると判定し、前記湯水の温度が前記湯水温度閾値以下ではない場合、前記熱需要が無いと判定する、請求項1に記載の燃料電池システム。
【請求項7】
前記湯水タンクに流入する低温流体が流れる低温流体流路と、
前記低温流体流路を流れる前記低温流体の温度を検知する低温流体温度検知部と、を更に備え、
前記制御部は、前記低温流体温度検知部によって測定される前記低温流体の温度が低温流体閾値未満である場合、前記熱需要が有ると判定し、前記低温流体の温度が前記低温流体閾値以上である場合、前記熱需要が無いと判定する、請求項1に記載の燃料電池システム。
発明の詳細な説明
【技術分野】
【0001】
本発明は、燃料電池システムに関する。
続きを表示(約 2,400 文字)
【背景技術】
【0002】
特許文献1には、系統電圧の変動に追従して電力を出力する燃料電池システムが開示されている。特許文献1に開示の燃料電池システムは、系統電源に系統連系可能な燃料電池と、燃料電池からの出力電力を交流電力に変換する電力変換装置と、燃料電池の出力電力を消費する電力消費装置(余剰電力吸収ヒータ)と、燃料電池、電力変換装置、及び電力消費装置を制御する制御装置とを備える。制御装置は、系統電圧が第一判定値よりも大きい場合、燃料電池の出力電力を一定出力値に維持したまま、電力消費装置での出力電力の消費量を調整することにより、電力変換装置からの出力電力を低減している。
【先行技術文献】
【特許文献】
【0003】
特開2016-207289号公報
【発明の概要】
【発明が解決しようとする課題】
【0004】
特許文献1に開示される燃料電池システムでは、系統電圧が第一判定値(電圧上昇抑制閾値)より大きい場合、電力消費装置(余剰電力吸収ヒータ)の消費電力を増加させることにより電力変換装置からの出力電力を低減しているが、上記の燃料電池システムでは、ユーザが必要とする電力(熱量)以外の電力を消費することになり、エネルギーのロスになる可能性がある。なお、近年、消費電力を増やすことなく、燃料電池の発電出力自体を抑制する技術も提案されているが、その技術では、発電出力が低くなるほど発電効率が低下するため、総合効率(発電効率及び排熱効率)が低下して、ユーザが享受できるメリットが毀損されるおそれがある。このため、ユーザが享受できるメリットの毀損を低減できる燃料電池システムが望まれている。
【0005】
本発明は、上記の課題に鑑みてなされたものであり、その目的は、ユーザが享受できるメリットの毀損を低減する燃料電池システムを提供する点にある。
【課題を解決するための手段】
【0006】
上記目的を達成するための本発明に係る燃料電池システムの特徴構成は、
電力系統と系統連系される燃料電池部と、
前記燃料電池部が発電した発電電力を変換して出力電力を出力する電力変換部と、
前記電力系統及び前記電力変換部の少なくとも一方から電力供給を受けることが可能な電力負荷部と、
前記燃料電池部からの排熱を蓄熱する湯水を貯留する湯水タンク、及び前記湯水タンクに接続され、前記湯水が循環する湯水循環回路を有する蓄熱部と、
前記湯水循環回路に配置されて、前記湯水を加熱することにより前記電力変換部からの前記出力電力を消費可能な電力消費部と、
前記燃料電池部、前記電力変換部、前記蓄熱部、及び前記電力消費部の動作を制御する制御部と、を備え、
前記出力電力のうち前記電力負荷部で消費されなかった電力を逆潮流電力として前記電力系統に逆潮流可能な燃料電池システムであって、
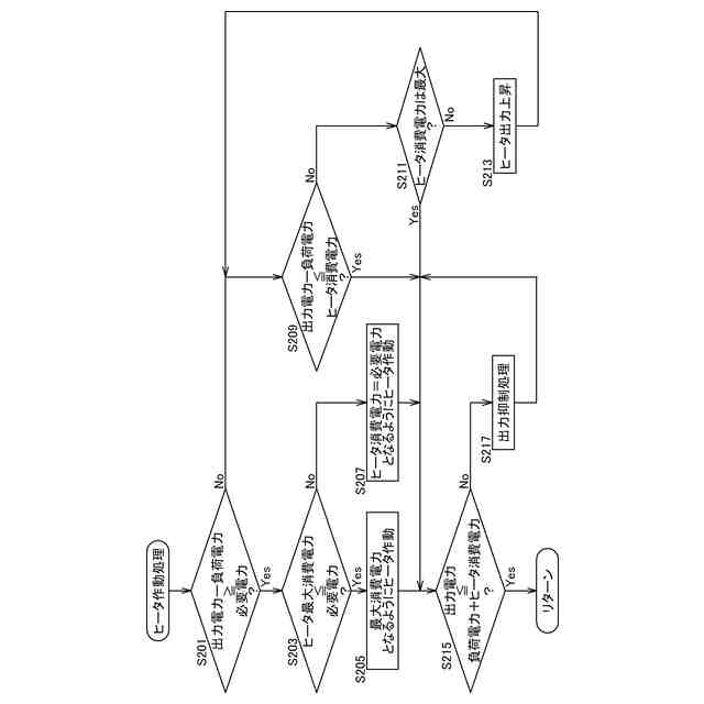
前記制御部は、前記逆潮流電力を所定値以下に抑制する必要が生じた場合において、前記燃料電池部が設置された施設における熱需要の有無を判定し、前記熱需要が有ると判定すると、前記電力消費部を作動させて前記熱需要に対応する電力を消費させつつ、前記燃料電池部の動作を制御して前記逆潮流電力が前記所定値以下になるようにし、前記熱需要が無いと判定すると、前記電力消費部を作動させることなく、前記燃料電池部の動作を制御して前記逆潮流電力が前記所定値以下になるようにする点にある。
【0007】
上記特徴構成によれば、逆潮流電力を抑制する必要が生じた場合であっても、熱需要が有れば、熱需要をまかなうために電力消費部が逆潮流電力の一部又は全部を消費することができ、燃料電池部の発電電力の低下を低減することができる。また、逆潮流電力を所定値以下に抑制する必要が生じた場合において、制御部は、熱需要の有無を判定し、熱需要が有ると判定した場合にのみ、電力消費部を作動させて熱需要に対応する電力を消費させて湯水を加熱する(蓄熱部に蓄熱させる)。つまり、熱需要の有無に応じて電力消費部を作動させることができる。このため、熱需要が無い場合に電力消費部を作動させることによる無駄な電力の消費を低減することができる。したがって、ユーザが享受できるメリットの毀損を低減することができる。
【0008】
本発明に係る燃料電池システムの更に別の特徴構成は、
前記逆潮流電力を前記所定値以下に抑制する必要が生じた場合は、前記電力系統と前記電力変換部との間の受電点電圧が所定の整定値を超えることにより、前記逆潮流電力がゼロとなるように前記逆潮流電力を抑制すべき指示を含む出力抑制指令を前記制御部が受信した場合、及び、前記受電点電圧を下げて前記逆潮流電力が前記所定値となるように前記逆潮流電力を抑制すべき指示を含む下げ指令を受信した場合の少なくとも一方を含む点にある。
【0009】
上記特徴構成によれば、一般送配電事業者からの発電出力(逆潮流電力)の抑制を指示である出力抑制指令と、複数の施設及び複数の電源装置を管理装置によってまとめて一つの発電所のように機能させるVPP(Virtual Power Plant)における管理装置(リソースアグリゲータ)から発電出力(逆潮流電力)の抑制の指示である下げ指令とのいずれの指令にも対応することができる。
【0010】
本発明に係る燃料電池システムの更に別の特徴構成は、
前記制御部は、前記熱需要が有ると判定すると、前記電力消費部が消費可能な電力と、前記熱需要を満たすために必要な電力とに基づいて、前記電力消費部が作動することにより消費する消費電力を設定する点にある。
(【0011】以降は省略されています)
この特許をJ-PlatPat(特許庁公式サイト)で参照する
関連特許
大阪瓦斯株式会社
給湯装置
3日前
大阪瓦斯株式会社
蓄電装置
1か月前
大阪瓦斯株式会社
フライヤー
今日
大阪瓦斯株式会社
衣類乾燥機
1か月前
大阪瓦斯株式会社
加熱調理器
1か月前
大阪瓦斯株式会社
衣類乾燥機
1か月前
大阪瓦斯株式会社
衣類乾燥機
1か月前
大阪瓦斯株式会社
ガスコンロ
3日前
大阪瓦斯株式会社
鮮度維持装置
13日前
大阪瓦斯株式会社
地中給電設備
13日前
大阪瓦斯株式会社
住宅設備機器
1か月前
大阪瓦斯株式会社
燃料電池装置
13日前
大阪瓦斯株式会社
異常診断装置
14日前
大阪瓦斯株式会社
異常診断装置
14日前
大阪瓦斯株式会社
異常診断装置
14日前
大阪瓦斯株式会社
異常診断装置
14日前
大阪瓦斯株式会社
異常診断装置
14日前
大阪瓦斯株式会社
異常診断装置
14日前
大阪瓦斯株式会社
異常診断装置
14日前
大阪瓦斯株式会社
異常診断装置
14日前
大阪瓦斯株式会社
通信システム
2か月前
大阪瓦斯株式会社
異常診断装置
14日前
大阪瓦斯株式会社
蓄電制御装置
7日前
大阪瓦斯株式会社
熱供給システム
3日前
大阪瓦斯株式会社
蓄電池管理装置
7日前
大阪瓦斯株式会社
燃料電池システム
14日前
大阪瓦斯株式会社
樹脂積層フィルム
24日前
大阪瓦斯株式会社
加熱調理システム
今日
大阪瓦斯株式会社
燃料電池システム
3日前
大阪瓦斯株式会社
燃料電池システム
7日前
大阪瓦斯株式会社
燃料電池システム
1日前
大阪瓦斯株式会社
電力供給システム
2か月前
大阪瓦斯株式会社
燃料電池システム
1日前
大阪瓦斯株式会社
燃料電池システム
1日前
大阪瓦斯株式会社
燃料電池システム
1日前
大阪瓦斯株式会社
燃料電池システム
1日前
続きを見る
他の特許を見る