TOP
|
特許
|
意匠
|
商標
特許ウォッチ
Twitter
他の特許を見る
公開番号
2025159381
公報種別
公開特許公報(A)
公開日
2025-10-21
出願番号
2024061867
出願日
2024-04-08
発明の名称
局側光終端装置、光通信方法、及び光通信プログラム
出願人
三菱電機株式会社
代理人
個人
,
個人
,
個人
,
個人
主分類
H04L
12/44 20060101AFI20251014BHJP(電気通信技術)
要約
【課題】フレームロスを抑えつつ省電力効果を得る局側光終端装置、光通信方法、及び光通信プログラムを提供する。
【解決手段】
局側光終端装置(1)は、複数の加入者側光終端装置からの通信データを集積して上位ネットワークと通信する集積部(7)と、集積部(7)のスリープ状態を管理するスリープ制御部(9)とを備え、スリープ制御部(9)は、ユーザ毎のトラヒックデータを取得するデータ取得部(12)と、トラヒックデータを時刻情報に対応付けて蓄積するデータベース(13)と、データベースに蓄積されたトラヒックデータを解析して、実トラヒック量の増加率が予め定められた増加率閾値を超える確率の時系列での変化を示す統計情報を生成する統計解析部(14)と、トラヒックデータと統計情報とに基づいて、集積部(7)のスリープ状態への移行、及び解除を判定する処理部(15)と、を備える。
【選択図】図2
特許請求の範囲
【請求項1】
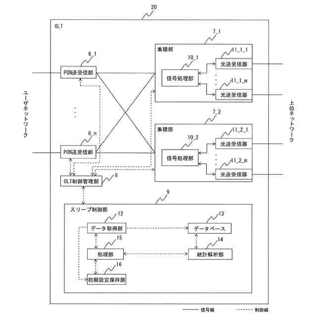
複数の加入者側光終端装置を収容し、前記加入者側光終端装置と通信データを送受信する1つ以上のPON送受信部と、前記PON送受信部からの通信データを集積して上位ネットワークと通信する2つの集積部と、前記集積部のスリープ状態を管理するスリープ制御部とを備えた局側光終端装置において、
前記スリープ制御部は、
ユーザ毎の実トラヒック量であるトラヒックデータを取得するデータ取得部と、
前記トラヒックデータを前記局側光終端装置の時刻情報に対応付けて蓄積するデータベースと、
前記データベースに蓄積された前記トラヒックデータを解析して、前記実トラヒック量の増加率が予め定められた増加率閾値を超える確率の時系列での変化を示す統計情報を生成する統計解析部と、
前記トラヒックデータと前記統計情報とに基づいて、前記集積部のスリープ状態への移行、及び解除を判定する処理部と、
を含む局側光終端装置。
続きを表示(約 1,700 文字)
【請求項2】
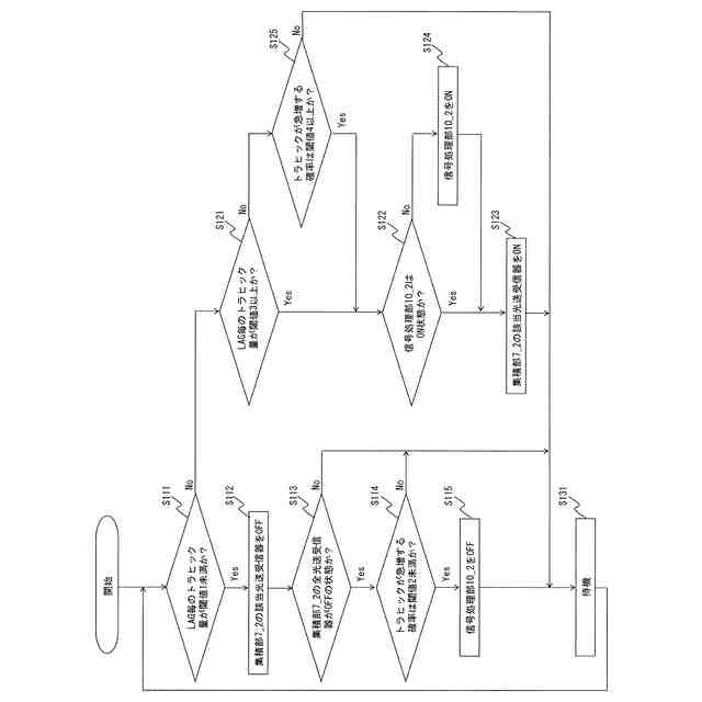
前記集積部は、前記上位ネットワークと前記集積部との間で2つの経路を1つの論理リンクとして扱うリンクアグリゲーションを構成し、
前記処理部は、前記トラヒックデータと、前記ユーザ毎の前記リンクアグリゲーションの設定情報とから前記リンクアグリゲーション毎のトラヒック量を算出し、電気信号と光信号とを相互に変換する光送受信器のうち、前記算出したトラヒック量が予め定められた閾値未満の前記リンクアグリゲーションに係る前記光送受信器の電源をOFFにする部分スリープ状態とすること
を特徴とする請求項1に記載の局側光終端装置。
【請求項3】
前記処理部は、前記光送受信器の全てが部分スリープ状態となった際に、前記統計情報が示す前記確率が予め定められた確率閾値未満の場合、前記集積部で通信データのスイッチング処理を行う信号処理部の電源をOFFにする完全スリープ状態とし、前記確率が前記確率閾値以上の場合、前記信号処理部の電源ONの状態を維持すること
を特徴とする請求項2に記載の局側光終端装置。
【請求項4】
前記処理部は、前記完全スリープ状態で、前記統計情報が示す前記確率が、前記確率閾値以下である予め定められた再稼働確率閾値以上となる前記リンクアグリゲーションに係る前記光送受信器、及び前記光送受信器に係る前記信号処理部の各々の電源をON状態にすること
を特徴とする請求項3に記載の局側光終端装置。
【請求項5】
前記信号処理部のスイッチング設定情報を設定順序と対応付けて保持する初期設定保持部をさらに設け、
前記処理部は、前記トラヒックデータと、前記統計情報と、前記ユーザの優先度情報とに基づいて設定した前記設定順序を、前記信号処理部の起動時に設定するユーザ設定に対応付けて初期設定保持部に反映し、前記信号処理部の起動時に、初期設定保持部に格納されている前記設定順序、及び前記設定順序に対応付けられた前記ユーザ設定に基づいて前記信号処理部を設定すること
を特徴とする請求項4に記載の局側光終端装置。
【請求項6】
コンピュータによって実行される光通信方法であって、
複数の加入者側光終端装置と通信データを送受信するステップと、
前記加入者側光終端装置からの通信データを集積して上位ネットワークと通信するステップと、
ユーザ毎の実トラヒック量であるトラヒックデータを取得するステップと、
前記トラヒックデータを局側光終端装置の時刻情報に対応付けてデータベースに蓄積するステップと、
前記データベースに蓄積された前記トラヒックデータを解析して、前記実トラヒック量の増加率が予め定められた増加率閾値を超える確率の時系列での変化を示す統計情報を生成するステップと、
前記トラヒックデータと前記統計情報とに基づいて、前記加入者側光終端装置からの通信データを集積して前記上位ネットワークと通信するステップのスリープ状態への移行、及び解除を判定するステップと、
を有する光通信方法。
【請求項7】
複数の加入者側光終端装置と通信データを送受信するステップと、
前記加入者側光終端装置からの通信データを集積して上位ネットワークと通信するステップと、
ユーザ毎の実トラヒック量であるトラヒックデータを取得するステップと、
前記トラヒックデータを局側光終端装置の時刻情報に対応付けてデータベースに蓄積するステップと、
前記データベースに蓄積された前記トラヒックデータを解析して、前記実トラヒック量の増加率が予め定められた増加率閾値を超える確率の時系列での変化を示す統計情報を生成するステップと、
前記トラヒックデータと前記統計情報とに基づいて、前記加入者側光終端装置からの通信データを集積して前記上位ネットワークと通信するステップのスリープ状態への移行、及び解除を判定するステップと、
をコンピュータに実行させる光通信プログラム。
発明の詳細な説明
【技術分野】
【0001】
本開示は、局側光終端装置、光通信方法、及び光通信プログラムに関する。
続きを表示(約 2,400 文字)
【背景技術】
【0002】
光通信システムであるPON(Passive Optical Network)システムは、低コストで構築でき、消費電力の点でも優位であることから普及している。PONシステムは、通信事業者側に設置される親局装置である局側光終端装置(Optical Line Terminal:OLT)と、加入者側に設置される子局装置である複数台の加入者側光終端装置(Optical Network Unit:ONU)とで構成され、OLTとONUとが光ファイバ及び光スプリッタで接続される。
【0003】
近年、温室効果ガス削減の要請が高まり、PONシステムについても一層の省電力化が求められている。PONシステムの省電力化について、様々な技術が提案されている。たとえば、特許文献1では、OLTの複数のOSU(Optical Subscriber Unit、以下、「PON送受信部」と称する)を収容するスイッチ(以下、「信号処理部」と称する)を2つに分け、それぞれ信号処理部1、信号処理部2とし、OLT全体の上り信号容量が、信号処理部1の最大スイッチング容量よりも少ない値に設定された閾値を下回っている場合に、上り信号を信号処理部1に振り分け、信号処理部2及び信号処理部2に接続される物理ポート(以降、光送受信器と呼ぶ)をスリープさせることで省電力効果を得る技術が開示されている。
【先行技術文献】
【特許文献】
【0004】
特開2011-146784号公報
【発明の概要】
【発明が解決しようとする課題】
【0005】
OLTにおいては、信号処理部の消費電力が高く、省電力効果を最大化するには、信号処理部、及び光送受信器の各々の電源をOFFにする完全スリープ状態に設定することが望ましい。しかしながら、信号処理部が完全スリープの状態から導通可能なアクティブ(ACT)状態に移行するには、初期設定に時間を要するため起動完了までにフレームロスが発生する。このため、完全スリープ解除の閾値は、信号処理部の最大スイッチング能力に対して一定のマージンをもって設定され、フレームの増加に対して時間に余裕を持って起動する必要がある。その結果、信号処理部のスリープ時間が短くなり省電力効果が低減する。
【0006】
また、特許文献1に開示された技術では、信号処理部の起動時間について考慮されておらず、上記理由からトラヒックの急増時にフレームロスが発生する問題があり改善の余地がある。
【0007】
本開示は、フレームロスを抑えつつ省電力効果を得る局側光終端装置、光通信方法、及び光通信プログラムを提供することを目的とする。
【課題を解決するための手段】
【0008】
本開示の局側光終端装置は、複数の加入者側光終端装置を収容し、前記加入者側光終端装置と通信データを送受信する1つ以上のPON送受信部と、前記PON送受信部からの通信データを集積して上位ネットワークと通信する2つの集積部と、前記集積部のスリープ状態を管理するスリープ制御部とを備えた局側光終端装置において、前記スリープ制御部は、ユーザ毎の実トラヒック量であるトラヒックデータを取得するデータ取得部と、前記トラヒックデータを前記局側光終端装置の時刻情報に対応付けて蓄積するデータベースと、前記データベースに蓄積された前記トラヒックデータを解析して、前記実トラヒック量の増加率が予め定められた増加率閾値を超える確率の時系列での変化を示す統計情報を生成する統計解析部と、前記トラヒックデータと前記統計情報とに基づいて、前記集積部のスリープ状態への移行、及び解除を判定する処理部と、を備える。
【0009】
本開示の光通信方法は、コンピュータによって実行される光通信方法であって、複数の加入者側光終端装置と通信データを送受信するステップと、前記加入者側光終端装置からの通信データを集積して上位ネットワークと通信するステップと、ユーザ毎の実トラヒック量であるトラヒックデータを取得するステップと、前記トラヒックデータを前記局側光終端装置の時刻情報に対応付けてデータベースに蓄積するステップと、前記データベースに蓄積された前記トラヒックデータを解析して、前記実トラヒック量の増加率が予め定められた増加率閾値を超える確率の時系列での変化を示す統計情報を生成するステップと、前記トラヒックデータと前記統計情報とに基づいて、前記加入者側光終端装置からの通信データを集積して前記上位ネットワークと通信するステップのスリープ状態への移行、及び解除を判定するステップと、を有する。
【0010】
本開示の光通信プログラムは、複数の加入者側光終端装置と通信データを送受信するステップと、前記加入者側光終端装置からの通信データを集積して上位ネットワークと通信するステップと、ユーザ毎の実トラヒック量であるトラヒックデータを取得するステップと、前記トラヒックデータを前記局側光終端装置の時刻情報に対応付けてデータベースに蓄積するステップと、前記データベースに蓄積された前記トラヒックデータを解析して、前記実トラヒック量の増加率が予め定められた増加率閾値を超える確率の時系列での変化を示す統計情報を生成するステップと、前記トラヒックデータと前記統計情報とに基づいて、前記加入者側光終端装置からの通信データを集積して前記上位ネットワークと通信するステップのスリープ状態への移行、及び解除を判定するステップと、をコンピュータに実行させる。
【発明の効果】
(【0011】以降は省略されています)
この特許をJ-PlatPat(特許庁公式サイト)で参照する
関連特許
三菱電機株式会社
換気扇
8日前
三菱電機株式会社
換気扇
8日前
三菱電機株式会社
換気扇
8日前
三菱電機株式会社
収集装置
6日前
三菱電機株式会社
電子機器
9日前
三菱電機株式会社
半導体装置
14日前
三菱電機株式会社
空気調和機
1日前
三菱電機株式会社
照明システム
14日前
三菱電機株式会社
誘導加熱調理器
8日前
三菱電機株式会社
ヒートポンプ装置
2日前
三菱電機株式会社
レンズモジュール
6日前
三菱電機株式会社
道路情報補正装置
1日前
三菱電機株式会社
電流切替型DAC
14日前
三菱電機株式会社
全館空調システム
6日前
三菱電機株式会社
電池パック及び電池
1日前
三菱電機株式会社
保護継電器及び配電盤
8日前
三菱電機株式会社
点灯装置および照明器具
6日前
三菱電機株式会社
車両空調機用診断システム
9日前
三菱電機株式会社
測位システムおよび固定局
7日前
三菱電機株式会社
半導体ウェハの外観検査装置
7日前
三菱電機株式会社
監視装置、および監視システム
15日前
三菱電機株式会社
半導体装置および電力変換装置
2日前
三菱電機株式会社
加熱調理器及び加熱調理システム
15日前
三菱電機株式会社
換気装置、送風装置および制御装置
14日前
三菱電機株式会社
満空検知システム、および、判定機
2日前
三菱電機株式会社
選択支援装置、方法、及びプログラム
13日前
三菱電機株式会社
ゲート制御型ダイオードおよび電子回路
6日前
三菱電機株式会社
コンタクトプローブおよび半導体検査装置
2日前
三菱電機株式会社
学習環境提案装置および学習環境提案方法
6日前
三菱電機株式会社
冷凍装置を備えた機器およびショーケース
13日前
三菱電機株式会社
設計支援システム及び設計支援プログラム
14日前
三菱電機株式会社
制御装置、制御方法、および、プログラム
6日前
三菱電機株式会社
温度調節機能付き換気装置及び換気システム
14日前
三菱電機株式会社
監視システム、監視方法及び監視プログラム
14日前
三菱電機株式会社
情報処理装置、プログラム及び情報処理方法
14日前
三菱電機株式会社
集中度特性判定装置および集中度特性判定方法
7日前
続きを見る
他の特許を見る