TOP
|
特許
|
意匠
|
商標
特許ウォッチ
Twitter
他の特許を見る
10個以上の画像は省略されています。
公開番号
2025159417
公報種別
公開特許公報(A)
公開日
2025-10-21
出願番号
2024061936
出願日
2024-04-08
発明の名称
電力システム
出願人
株式会社村田製作所
代理人
弁理士法人 楓国際特許事務所
主分類
H02J
3/32 20060101AFI20251014BHJP(電力の発電,変換,配電)
要約
【課題】本当に必要な時にだけ警告を通知する電力システムを提供する。
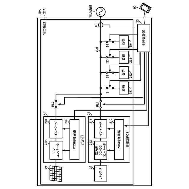
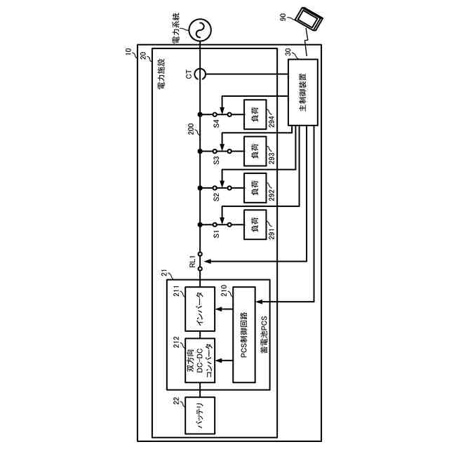
【解決手段】電力システム10は、電力系統に連系される複数の負荷291-294、連系点に設けられる電流センサCT、バッテリ22、蓄電池パワーコンディショナ21、主制御装置30を備える。蓄電池パワーコンディショナ21は、電力系統から供給される交流電力を直流電力に変換してバッテリ22に充電し、バッテリ22から放電される直流電力を交流電力に変換して複数の負荷291-294に供給する。主制御装置30は、所定期間内の購買電力量がアラート発報閾値を超えると判断した場合、蓄電池パワーコンディショナ21を通じてバッテリ22から複数の負荷291-294へ放電により電力を供給させる。主制御装置30は、さらに、放電によって減少する所定期間内の購買電力量がなおアラート発報閾値を超えると判断した場合、通信端末90に対して、アラートを発報する。
【選択図】図1
特許請求の範囲
【請求項1】
電力系統に連系される複数の負荷と、
前記電力系統と前記複数の負荷との連系点に設けられる電流センサと、
蓄電池と、
前記電力系統に連系され、前記電力系統から供給される交流電力を直流電力に変換して前記蓄電池に充電し、前記蓄電池から放電される直流電力を交流電力に変換して前記複数の負荷に供給する蓄電池パワーコンディショナと、
前記電流センサの値から算出される前記電力系統からの購買電力量に基づいて、前記蓄電池の充放電を制御する制御部と、
を備え、
前記制御部は、
所定期間内の前記購買電力量がアラート発報閾値を超えると判断した場合、前記蓄電池パワーコンディショナを通じて前記蓄電池から前記複数の負荷へ放電により電力を供給させ、
さらに、前記放電によって減少する前記所定期間内の前記購買電力量が、なお前記アラート発報閾値を超えると判断した場合、アラートを発報する、
ことを特徴とする電力システム。
続きを表示(約 1,100 文字)
【請求項2】
電力系統に連系される複数の負荷と、
前記電力系統と前記複数の負荷との連系点に設けられる電流センサと、
蓄電池と、
太陽光パネルと、
前記電力系統に連系され、前記電力系統から供給される交流電力を直流電力に変換して前記蓄電池に充電し、前記蓄電池から放電される直流電力を交流電力に変換して前記複数の負荷に供給する蓄電池パワーコンディショナと、
前記電力系統に連系され、前記太陽光パネルから放電される直流電力を交流電力に変換して前記複数の負荷に供給するPVパワーコンディショナと、
前記電流センサの値から算出される前記電力系統からの購買電力量および前記太陽光パネルの発電量に基づいて、前記蓄電池の充放電を制御する制御部と、
を備え、
前記制御部は、
所定期間内の前記購買電力量が前記太陽光パネルの発電量を含んでアラート発報閾値を超えると判断した場合、前記蓄電池パワーコンディショナを通じて前記蓄電池から前記複数の負荷へ放電により電力を供給させ、
さらに、前記放電によって減少する前記所定期間内の前記購買電力量が、前記太陽光パネルの発電量を含んでなお前記アラート発報閾値を超えると判断した場合、アラートを発報する、
ことを特徴とする電力システム。
【請求項3】
前記複数の負荷を、前記電力系統に対してそれぞれ個別に解列できる複数のスイッチを備え、
前記制御部は、前記複数の負荷を個別に解列制御可能である、
ことを特徴とする、請求項1または請求項2に記載の電力システム。
【請求項4】
前記制御部は、
前記所定期間内のうち、前半にあたる第1の時間帯において、前記アラート発報閾値を用いたアラートの判断を行わず、
前記第1の時間帯が経過した後の第2の時間帯において、前記放電によって減少する前記所定期間内の前記購買電力量がなお前記アラート発報閾値を超えるか否かを判断する、
ことを特徴とする、請求項1または請求項2に記載の電力システム。
【請求項5】
前記制御部は、
前記PVパワーコンディショナから前記複数の負荷に放電されるから供給される交流電力のうち、前記複数の負荷で消費されない余剰電力を充電していることを検出し、
かつ、前記電力系統への逆潮流が生じると予測した場合、
前記太陽光パネルの発電を抑制するように、前記PVパワーコンディショナに指示する、
ことを特徴とする、請求項2に記載の電力システム。
発明の詳細な説明
【技術分野】
【0001】
商用電力系統の需要が逼迫していない時間帯に蓄電し、負荷の消費電力がピークに近い時間帯に放電することで所定時間内の商用電力系統からの購買電力量を抑える電力システムに関する。
続きを表示(約 1,100 文字)
【背景技術】
【0002】
特許文献1には、電力負荷推定装置が記載されている。特許文献1の電力負荷推定装置は、機器に電力を供給する電気系統の電気物理量に基づいて、機器の将来の有効電力の値を推定している。
【0003】
また、従来、この推定した将来の有効電力(消費電力)が所定の電気料金を超えると予測されると、ユーザに警告を通知する電力システムが知られている。
【先行技術文献】
【特許文献】
【0004】
特開2016-059126号公報
【発明の概要】
【発明が解決しようとする課題】
【0005】
しかしながら、太陽光パネルや蓄電池等を備えた電力システムの場合、瞬間的には閾値を超えても、日射量が上がって太陽光発電電力が増加したり、蓄電池容量が十分あって、太陽光パネルや蓄電池からの放電アシストによって、最終的には閾値を超えない場合もある。
【0006】
その場合、警告が不必要にユーザに通知され、ユーザの使用感を低下させる虞があった。
【0007】
したがって、本発明の目的は、太陽光パネルや蓄電池のような商用電力系統とは別の補助的な電力供給源が存在する場合であっても、本当に必要な時にだけ警告を通知することが可能な電力システムを提供することになる。
【課題を解決するための手段】
【0008】
この発明の一実施形態に係る電力システムは、電力系統に連系される複数の負荷、電力系統と複数の負荷との連系点に設けられる電流センサ、蓄電池、蓄電池パワーコンディショナ、および、制御部を備える。蓄電池パワーコンディショナは、電力系統に連系され、電力系統から供給される交流電力を直流電力に変換して蓄電池に充電し、蓄電池から放電される直流電力を交流電力に変換して複数の負荷に供給する。制御部は、電流センサの値から算出される電力系統からの購買電力量に基づいて、蓄電池の充放電を制御する。
【0009】
制御部は、所定期間内の購買電力量がアラート発報閾値を超えると判断した場合、蓄電池パワーコンディショナを通じて蓄電池から複数の負荷へ放電により電力を供給させる。制御部は、さらに、放電によって減少する所定期間内の購買電力量がなおアラート発報閾値を超えると判断した場合、アラートを発報する。
【0010】
この構成では、蓄電池からの放電アシストを考慮した上で購買電力量が契約電力量を超えると判断したときだけにアラートを発報(警告を通知)できる。
(【0011】以降は省略されています)
この特許をJ-PlatPat(特許庁公式サイト)で参照する
関連特許
株式会社村田製作所
二次電池
8日前
株式会社村田製作所
コイル部品
2日前
株式会社村田製作所
電力システム
3日前
株式会社村田製作所
伸縮性コイル部品
1日前
株式会社村田製作所
積層セラミック電子部品
今日
株式会社村田製作所
二次電池用負極および二次電池
1日前
株式会社村田製作所
二次電池
10日前
個人
単極モータ
10日前
株式会社アイシン
ロータ
14日前
株式会社アイシン
ロータ
10日前
日星電気株式会社
ケーブル組立体
2日前
トヨタ自動車株式会社
固定子
15日前
株式会社デンソー
回転機
8日前
トヨタ自動車株式会社
製造装置
15日前
株式会社アイシン
ステータ
14日前
株式会社アイシン
ステータ
14日前
株式会社アイシン
ステータ
14日前
カヤバ株式会社
筒型リニアモータ
16日前
株式会社ダイヘン
充電装置
14日前
株式会社ダイヘン
充電装置
14日前
株式会社ダイヘン
充電装置
14日前
株式会社アイシン
ステータ
14日前
株式会社ミツバ
ブラシレスモータ
16日前
株式会社ダイヘン
充電装置
14日前
東京瓦斯株式会社
通信装置
16日前
個人
太陽エネルギー収集システム
15日前
トヨタ自動車株式会社
被膜形成装置
15日前
個人
二次電池繰返パルス放電器用印刷基板
今日
株式会社kaisei
発電システム
10日前
株式会社デンソー
電力変換装置
1日前
株式会社ミツバ
回転電機
7日前
ASTI株式会社
電力変換装置
15日前
株式会社ミツバ
回転電機
14日前
株式会社デンソー
電力変換装置
9日前
東京瓦斯株式会社
給電システム
16日前
株式会社ダイヘン
インバータ装置
9日前
続きを見る
他の特許を見る