TOP
|
特許
|
意匠
|
商標
特許ウォッチ
Twitter
他の特許を見る
公開番号
2025161494
公報種別
公開特許公報(A)
公開日
2025-10-24
出願番号
2024064718
出願日
2024-04-12
発明の名称
容量計測装置
出願人
FDK株式会社
代理人
弁理士法人鷲田国際特許事務所
主分類
G01R
31/387 20190101AFI20251017BHJP(測定;試験)
要約
【課題】容量の異常変化の有無を精度よく検出して、容量の異常変化の原因を調査できるように、二次電池2の容量を正確に計測する容量計測装置を提供する。
【解決手段】容量計測装置は、少なくとも自己放電を含む複数の充放電条件のそれぞれにおける二次電池の充放電量を所定のタイミングで複数回取得する充放電量取得部と、取得したそれぞれの充放電量に基づき、二次電池の電池容量を算出する演算部と、充放電量および電池容量を記憶する記憶部と、を備える。
【選択図】図1
特許請求の範囲
【請求項1】
少なくとも自己放電を含む複数の充放電条件のそれぞれにおける二次電池の充放電量を所定のタイミングで複数回取得する充放電量取得部と、
取得したそれぞれの前記充放電量に基づき、前記二次電池の電池容量を算出する演算部と、
前記充放電量および前記電池容量を記憶する記憶部と、
を備える、容量計測装置。
続きを表示(約 550 文字)
【請求項2】
前記演算部は、
複数の前記充放電条件のそれぞれに対応する前記充放電量を合計して前記電池容量を算出する、
請求項1に記載の容量計測装置。
【請求項3】
前記演算部は、
前記充放電量の合計値に補正係数を乗算して前記電池容量を算出する、
請求項2に記載の容量計測装置。
【請求項4】
複数の前記充放電条件は、前記二次電池に生じる状況を考慮して設定される、
請求項1に記載の容量計測装置。
【請求項5】
複数の前記充放電条件は、
所定値以上の電流で前記二次電池を放電する第1の充放電条件と、
前記所定値未満の電流で前記二次電池を放電する第2の充放電条件と、
前記二次電池を充電する第3の充放電条件と、
前記二次電池を強制的に放電する第4の充放電条件と、
のうち、少なくともいずれか1つを含む、
請求項1に記載の容量計測装置。
【請求項6】
任意の充放電条件について、前記記憶部に記憶された複数回の前記充放電量を比較し、
比較結果に基づき、前記二次電池の前記電池容量の異常変化の有無を検出する、
請求項1に記載の容量計測装置。
発明の詳細な説明
【技術分野】
【0001】
本開示は、二次電池の容量を計測する容量計測装置に関する。
続きを表示(約 1,300 文字)
【背景技術】
【0002】
従来、二次電池に流れる電流を積算することにより、二次電池の電池容量および残容量を測定する方法が知られている(例えば、特許文献1参照)。
【0003】
一方、二次電池は、使用されずに長時間放置されている間も、自己放電により放電する。そのため、例えば、数時間程度放置した後に、放電電流を用いて電池容量を計測すると、自己放電によって電池容量が減少する、所謂「飛び」(以下、「容量の異常変化」)が発生することがある。
【先行技術文献】
【特許文献】
【0004】
特開2003-315430号公報
【発明の概要】
【発明が解決しようとする課題】
【0005】
ところで、自己放電時の放電電流は、電流計測を行うための電流センサでは計測できない程度の値である。そのため、特許文献1に記載されたような通常の容量計測処理では、自己放電による放電量を計測することができない。したがって、従来の電池容量計測処理では、容量の異常変化の原因を調査することが困難であるという問題点があった。
【0006】
本開示の目的は、容量の異常変化の有無を精度よく検出して、容量の異常変化の原因を調査できるように、二次電池2の容量を正確に計測する容量計測装置を提供することである。
【課題を解決するための手段】
【0007】
本開示に係る容量計測装置は、
少なくとも自己放電を含む複数の充放電条件のそれぞれにおける二次電池の充放電量を所定のタイミングで複数回取得する充放電量取得部と、
取得したそれぞれの前記充放電量に基づき、前記二次電池の電池容量を算出する演算部と、
前記充放電量および前記電池容量を記憶する記憶部と、
を備える。
【発明の効果】
【0008】
本開示によれば、容量の異常変化の有無を精度よく検出して、容量の異常変化の原因を調査できるように、二次電池2の容量を正確に計測することができる。
【図面の簡単な説明】
【0009】
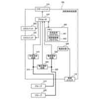
図1は、本実施の形態に係る容量計測装置の構成の一例を示す回路図である。
図2は、図1のマイコンの構成の一例を示すブロック図である。
図3は、本実施の形態に係る容量計測装置による容量計測処理の流れの一例を示すフローチャートである。
【発明を実施するための形態】
【0010】
以下、本開示の実施の形態について、図面を参照して説明する。本開示は、以下の実施の形態に限定されるものではなく、本開示の主旨を逸脱しない範囲で種々に変形することが可能である。また、本開示は、以下の各実施の形態に示す構成のうち、組合せ可能な構成のあらゆる組合せを含むものである。また、各図において、同一の符号を付したものは、同一のまたはこれに相当するものであり、これは明細書の全文において共通している。
(【0011】以降は省略されています)
この特許をJ-PlatPat(特許庁公式サイト)で参照する
関連特許
個人
採尿及び採便具
6日前
日本精機株式会社
検出装置
今日
個人
高精度同時多点測定装置
21日前
個人
アクセサリー型テスター
22日前
ユニパルス株式会社
ロードセル
28日前
株式会社ミツトヨ
測定器
12日前
甲神電機株式会社
電流検出装置
今日
アズビル株式会社
電磁流量計
15日前
株式会社ヨコオ
ソケット
27日前
株式会社チノー
放射光測温装置
28日前
トヨタ自動車株式会社
監視装置
27日前
ダイキン工業株式会社
監視装置
26日前
株式会社ヨコオ
ソケット
28日前
長崎県
形状計測方法
22日前
ローム株式会社
半導体装置
20日前
ローム株式会社
半導体装置
20日前
個人
システム、装置及び実験方法
15日前
愛知時計電機株式会社
ガスメータ
12日前
TDK株式会社
ガスセンサ
28日前
TDK株式会社
磁気センサ
27日前
双庸電子株式会社
誤配線検査装置
1日前
愛知電機株式会社
軸部材の外観検査装置
9日前
大和製衡株式会社
組合せ計量装置
9日前
大和製衡株式会社
組合せ計量装置
9日前
中国電力株式会社
電柱管理システム
26日前
日本特殊陶業株式会社
センサ
26日前
ダイハツ工業株式会社
移動支援装置
27日前
日本特殊陶業株式会社
センサ
26日前
日本特殊陶業株式会社
センサ
26日前
日本特殊陶業株式会社
センサ
26日前
日本特殊陶業株式会社
センサ
26日前
日東精工株式会社
振動波形検査装置
1日前
三恵技研工業株式会社
融雪レドーム
27日前
多摩川精機株式会社
冗長エンコーダ
27日前
株式会社デンソー
電流センサ
20日前
トヨタ自動車株式会社
測定システム
19日前
続きを見る
他の特許を見る