TOP
|
特許
|
意匠
|
商標
特許ウォッチ
Twitter
他の特許を見る
公開番号
2025089695
公報種別
公開特許公報(A)
公開日
2025-06-16
出願番号
2023204474
出願日
2023-12-04
発明の名称
液体圧送装置
出願人
株式会社テイエルブイ
代理人
主分類
F16T
1/20 20060101AFI20250609BHJP(機械要素または単位;機械または装置の効果的機能を生じ維持するための一般的手段)
要約
【課題】高圧の気体を導入させる弁機構を確実に閉弁させることができる液体圧送装置の提供。
【解決手段】ドレン圧送装置は配管系統に接続され、配管を通じて回収されたドレンを装置内に取り込み、適宜、自動的に圧送する。給気弁18は、圧送用の高圧蒸気を導入するための自動弁である。給気弁18を開閉させる給気弁体21は、円筒形スクリーン60に案内されて上下移動する。この円筒形スクリーン60が、給気弁口24が形成されている弁ケース20に対して直接、固定されて取り付けられているため、給気弁口24に対する位置ずれを防止することができる。また、円筒形スクリーン60の上端にストッパーとしての2つの折り曲げ片65を設けているため、給気弁体21の離脱を防止し、かつ給気弁体21のキャップ26や蓋8への衝突を防止することができる。
【選択図】図2
特許請求の範囲
【請求項1】
対象液体が流入する対象液体流入部、流入した当該対象液体を貯留する弁室部、貯留した当該対象液体が流出する対象液体流出部、及び高圧の作動用気体を導入する作動用気体導入部を有する本体部、
前記弁室部に貯留した前記対象液体の貯留量に応じて状態が変化する応動部、
前記応動部の状態の変化に従って閉弁又は開弁する作動弁部であって、開弁したとき高圧の前記作動用気体を前記弁室部に導入させることによって、前記弁室部に貯留した前記対象液体を前記対象液体流出部から流出させて圧送する作動弁部、
を備えた液体圧送装置において、
前記作動弁部は、
作動弁本体、
基準軸方向に往復移動可能に前記作動弁本体に設けられた弁体部であって、前記応動部の状態の変化に従って往復移動し、前記作動用気体導入部から前記弁室部に向かう前記作動用気体の流路を閉塞又は開放する弁体部、
ガイド中心軸が前記基準軸に一致するように配置され、前記弁体部を往復移動可能に内側に保持するガイド部であって、接続手段によって前記作動弁本体に接続されており、前記弁体部に接触して当該弁体部の往復移動を規制して、前記弁体部と前記本体部との接触を回避させる規制手段を有しているガイド部、
を備えている、
ことを特徴とする液体圧送装置。
続きを表示(約 100 文字)
【請求項2】
請求項1に係る液体圧送装置において、
前記弁体部は、球形状を有しており、
前記ガイド部は、円筒形状を有している、
ことを特徴とする液体圧送装置。
発明の詳細な説明
【技術分野】
【0001】
本願に係る液体圧送装置は、外部から取り込んだ液体を高圧の気体を導入することによって圧送する装置の構成に関する。
続きを表示(約 1,500 文字)
【背景技術】
【0002】
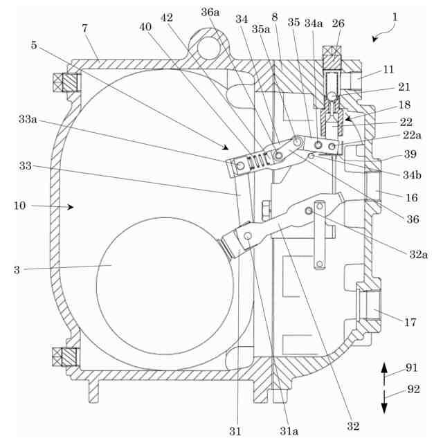
液体圧送装置としては、後記特許文献1に開示されている装置がある。特許文献1に係る液体圧送装置1は配管に接続され、各種の蒸気使用装置で発生したドレンを一旦取り込み、その後、取り込んだドレンをボイラーや廃熱利用箇所に圧送するために用いられる。
【0003】
本体部7に取り付けられた蓋部8には、液体溜空間10に連通する液体流入口16及び液体排出口17が形成されており、液体流入口16からは配管を通じてドレンが流入し、ドレンは液体溜空間10に貯留される。液体溜空間10にはフロート3が浮動可能に配置されており、このフロート3はスナップ機構5のフロートアーム34の先端に固定されている。
【0004】
また、蓋部8の上部には、高圧の蒸気が導入される作動流体導入口11及び作動流体排出口13が形成されている。蒸気導入口11は給気弁18の作動に従って開閉し、蒸気排出口13は排気弁19の作動に従って開閉する。給気弁18及び排気弁19は切替え弁4を構成し、給気弁18が開弁すると排気弁19は閉弁し、給気弁18が閉弁すると排気弁19は開弁する。
【0005】
液体溜空間10にドレンが溜まるとフロート3は浮上し、この浮上はスナップ機構5によるリンク作用によって給気弁18及び排気弁19に伝達され、給気弁18が開弁すると同時に排気弁19が閉弁する。これによって、作動流体導入口11から液体溜空間10内に高圧の蒸気が流入し、液体溜空間10に滞留しているドレンは蒸気圧を受けて液体排出口17から押し出され、ボイラーや廃熱利用箇所に圧送される。
【0006】
給気弁18の弁ケース20には、作動流体導入口11に連通する貫通孔が軸方向に形成されており、貫通孔の上部に位置する給気弁口24は、給気弁体21の上下移動によって開閉する。弁ケース20の略中央には、4方向に向けて開口25が形成されており、開口25は軸方向の貫通孔に連通している。給気弁体21は円筒形フィルター23内に配置されており、円筒形フィルター23の内面に案内されて上下移動する。
【0007】
給気弁18の上部には、蓋部8に対して螺着して取り付けられているキャップ26が位置している。そして、キャップ26と弁ケース20上部の給気弁口24との間に円筒形フィルター23が配置されている。円筒形フィルター23は、キャップ26の下面の突出部分に嵌め込まれることによって固定されている。円筒形フィルター23は作動流体導入口11から導入される高圧の蒸気を透過させる。この高圧の蒸気は給気弁口24から貫通孔を通過し、開口25から液体溜空間10に向けて噴出し、液体溜空間10を高圧状態にしてドレンを液体排出口17から圧送する。
【0008】
給気弁体21には下部昇降棒22が溶接によって一体的に固定されている。そして、この下部昇降棒22の下端が弁軸操作棒28に設けられている連設板27に押し上げられることによって給気弁体21が円筒形フィルター23の内面に案内されて上方向に移動し、給気弁18が開弁するようになっている。
【先行技術文献】
【特許文献】
【0009】
特開2012-62957号公報
【発明の概要】
【発明が解決しようとする課題】
【0010】
前述の特許文献1に開示された液体圧送装置1においては、給気弁18が開弁した際、作動流体導入口11から導入される高圧の蒸気は、円筒形フィルター23を透過してキャップ26の下面を勢いよく通過する。
(【0011】以降は省略されています)
この特許をJ-PlatPat(特許庁公式サイト)で参照する
関連特許
個人
鍋虫ねじ
1か月前
個人
回転伝達機構
1か月前
個人
ホース保持具
5か月前
個人
紛体用仕切弁
1か月前
個人
トーションバー
6か月前
個人
差動歯車用歯形
3か月前
個人
ジョイント
15日前
個人
地震の揺れ回避装置
2か月前
個人
ナット
16日前
株式会社不二工機
電磁弁
4か月前
個人
ボルトナットセット
6か月前
株式会社不二工機
電磁弁
3か月前
個人
回転式配管用支持具
7か月前
株式会社オンダ製作所
継手
7か月前
個人
吐出量監視装置
1か月前
株式会社三協丸筒
枠体
6か月前
カヤバ株式会社
緩衝器
6か月前
柿沼金属精機株式会社
分岐管
1か月前
株式会社ミクニ
弁装置
8か月前
株式会社ミクニ
弁装置
8か月前
カヤバ株式会社
ダンパ
3か月前
カヤバ株式会社
緩衝器
2か月前
カヤバ株式会社
緩衝器
2か月前
カヤバ株式会社
ダンパ
3か月前
個人
ベルトテンショナ
7か月前
個人
角型菅の連結構造及び工法
7か月前
株式会社フジキン
ボールバルブ
3か月前
株式会社不二工機
電動弁
6か月前
個人
固着具と固着具の固定方法
4か月前
個人
固着具と固着具の固定方法
5か月前
カヤバ株式会社
緩衝装置
8か月前
株式会社ニフコ
クリップ
1日前
日東電工株式会社
断熱材
5か月前
株式会社ノーリツ
分配弁
4か月前
個人
固着具と固着具の固定方法
7か月前
株式会社奥村組
制振機構
5日前
続きを見る
他の特許を見る