TOP
|
特許
|
意匠
|
商標
特許ウォッチ
Twitter
他の特許を見る
10個以上の画像は省略されています。
公開番号
2025149523
公報種別
公開特許公報(A)
公開日
2025-10-08
出願番号
2024050234
出願日
2024-03-26
発明の名称
ノイズ推定装置、ノイズ推定装置の制御方法及びプログラム
出願人
中国電力株式会社
代理人
弁理士法人一色国際特許事務所
主分類
G01T
1/17 20060101AFI20251001BHJP(測定;試験)
要約
【課題】センサで計測された物理量の時系列データに混入しているノイズの種類を推定する。
【解決手段】センサで計測された物理量の時系列データに混入しているノイズの種類を推定するノイズ推定装置であって、時系列データを取得する時系列データ取得部と、時系列データに周波数分析を行うことで、時系列データを周波数と信号強度との関係を表すスペクトルデータに変換するスペクトルデータ変換部と、スペクトルデータから複数の卓越周波数を特定し、卓越周波数と信号強度とを対応付けた卓越周波数情報を生成する卓越周波数情報生成部と、混入したノイズの種類が判明している卓越周波数情報である基準データをノイズの種類ごとに記憶する基準データ記憶部と、推定対象データと各基準データとの類似の程度に応じて、推定対象の時系列データに混入しているノイズの種類を推定するノイズ推定部と、を備える。
【選択図】図8
特許請求の範囲
【請求項1】
センサで計測された物理量の時系列データに混入しているノイズの種類を推定するノイズ推定装置であって、
前記時系列データを取得する時系列データ取得部と、
前記時系列データに周波数分析を行うことで、前記時系列データを、周波数と信号強度との関係を表すスペクトルデータに変換するスペクトルデータ変換部と、
前記スペクトルデータから複数の卓越周波数を特定し、各卓越周波数と、各卓越周波数における信号強度と、をそれぞれ対応付けた卓越周波数情報を生成する卓越周波数情報生成部と、
混入したノイズの種類が判明している過去の時系列データから生成された卓越周波数情報である基準データを、ノイズの種類ごとに記憶する基準データ記憶部と、
新たに取得した推定対象の時系列データから生成された卓越周波数情報である推定対象データと、前記各基準データと、の類似の程度に応じて、前記推定対象の時系列データに混入しているノイズの種類を推定するノイズ推定部と、
を備える、ノイズ推定装置。
続きを表示(約 2,100 文字)
【請求項2】
請求項1に記載のノイズ推定装置であって、
前記ノイズ推定部は、周波数及び信号強度を座標軸とする座標平面上に前記各基準データをプロットした場合の前記各基準データの分布領域を、サポートベクターマシンを用いて画定し、前記座標平面上における前記推定対象データの分布領域と、前記各基準データの分布領域と、の類似の程度に応じて、前記推定対象の時系列データに混入しているノイズの種類を推定する、
ノイズ推定装置。
【請求項3】
請求項2に記載のノイズ推定装置であって、
前記ノイズ推定部は、前記座標平面上に分布する前記推定対象データの各点の重心位置を分布領域内に含む基準データを特定することにより、前記推定対象の時系列データに混入しているノイズの種類を推定する、
ノイズ推定装置。
【請求項4】
請求項1に記載のノイズ推定装置であって、
前記ノイズ推定部は、周波数及び信号強度を座標軸とする座標平面上において、前記推定対象データを構成する卓越周波数及び信号強度のそれぞれの代表値から定まる第1座標値と、前記基準データを構成する卓越周波数及び信号強度のそれぞれの代表値から定まる第2座標値と、の間のマハラノビス距離を、前記基準データごとに求めた結果を元に、前記推定対象の時系列データに混入しているノイズの種類を推定する、
ノイズ推定装置。
【請求項5】
請求項4に記載のノイズ推定装置であって、
前記ノイズ推定部は、前記マハラノビス距離が最小となる基準データを特定することにより、前記推定対象の時系列データに混入しているノイズの種類を推定する、
ノイズ推定装置。
【請求項6】
請求項5に記載のノイズ推定装置であって、
前記ノイズ推定部は、前記基準データごとに求めたマハラノビス距離を元に、前記各種類のノイズが前記推定対象の時系列データに混入している確率を算出する、
ノイズ推定装置。
【請求項7】
請求項4に記載のノイズ推定装置であって、
前記第1座標値は、前記推定対象データを前記座標平面上にプロットした場合の各点の重心位置の座標値であり、前記第2座標値は、前記基準データを前記座標平面上にプロットした場合の各点の重心位置の座標値である、
ノイズ推定装置。
【請求項8】
請求項1に記載のノイズ推定装置であって、
前記基準データ記憶部には、前記ノイズがいずれの種類も混入していないことが判明している過去の時系列データから生成された卓越周波数情報も、前記基準データとして記憶されており、
前記ノイズ推定部は、前記推定対象データと、前記各基準データと、の類似の程度に応じて、前記推定対象の時系列データに混入しているノイズの種類、あるいはいずれの種類のノイズも混入していないことを推定する、
ノイズ推定装置。
【請求項9】
センサで計測された物理量の時系列データに混入しているノイズの種類を推定するノイズ推定装置の制御方法であって、
前記ノイズ推定装置が、
前記時系列データを取得し、
前記時系列データに周波数分析を行うことで、前記時系列データを、周波数と信号強度との関係を表すスペクトルデータに変換し、
前記スペクトルデータから複数の卓越周波数を特定し、各卓越周波数と、各卓越周波数における信号強度と、をそれぞれ対応付けた卓越周波数情報を生成し、
混入したノイズの種類が判明している過去の時系列データから生成された卓越周波数情報である基準データを、ノイズの種類ごとに記憶し、
新たに取得した推定対象の時系列データから生成された卓越周波数情報である推定対象データと、前記各基準データと、の類似の程度に応じて、前記推定対象の時系列データに混入しているノイズの種類を推定する、
ノイズ推定装置の制御方法。
【請求項10】
コンピュータに、センサで計測された物理量の時系列データに混入しているノイズの種類を推定させるためのプログラムであって、
前記コンピュータに、
前記時系列データを取得する手順と、
前記時系列データに周波数分析を行うことで、前記時系列データを、周波数と信号強度との関係を表すスペクトルデータに変換する手順と、
前記スペクトルデータから複数の卓越周波数を特定し、各卓越周波数と、各卓越周波数における信号強度と、をそれぞれ対応付けた卓越周波数情報を生成する手順と、
混入したノイズの種類が判明している過去の時系列データから生成された卓越周波数情報である基準データを、ノイズの種類ごとに記憶する手順と、
新たに取得した推定対象の時系列データから生成された卓越周波数情報である推定対象データと、前記各基準データと、の類似の程度に応じて、前記推定対象の時系列データに混入しているノイズの種類を推定する手順と、
を実行させるためのプログラム。
発明の詳細な説明
【技術分野】
【0001】
本発明は、ノイズ推定装置、ノイズ推定装置の制御方法及びプログラムに関する。
続きを表示(約 1,000 文字)
【背景技術】
【0002】
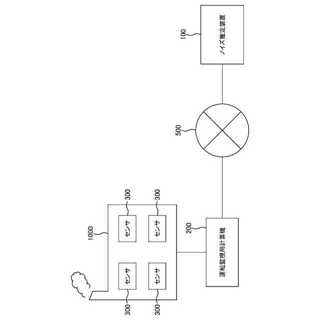
原子力プラントを保有する原子力発電所等の原子力関連施設では、施設内や施設周辺における放射線や放射能(以下、放射線等とも記す)の値を監視し、厳格に管理している。そしてこれらの計測値に何らかの異変が生じた場合には、直ちに原因の究明が行われると共に、異常であると判断された場合には、事故防止や安全確保のための対策が講じられることになる。
【0003】
放射線等の計測は、計測場所や計測目的に応じて様々な計測器を用いて行われるが、例えば施設内では、エリア放射線モニタ(以下、エリアモニタとも記す)やプロセス放射線モニタ(以下、プロセスモニタとも記す)が用いられ、施設外では、環境放射線モニタや放水路水モニタが用いられている。
【0004】
エリアモニタは、γ線や中性子線などの空間中の放射線等を連続的に測定する装置であり、通常、管理区域内で比較的放射線量率の高い場所や、比較的作業時間が長い場所、放射線源等の保管場所付近、管埋区域の出入口付近等に設置される。
【0005】
プロセスモニタは、原子力プラントを構成する配管内を流れる気体や液体の放射線等を連続的に監視する装置である。
【0006】
また環境放射線モニタは、原子力関連施設の外部において放射線等を測定する装置であり、風向きが変わっても確実に検出できるように施設の周辺の複数個所に設置される。
【0007】
放水路水モニタは、復水器を冷却した後に海に戻される海水の放射線等を測定する。
【0008】
このような放射線等を計測する計測器(以下、放射線モニタとも記す)を用いて計測される放射線等の値は、中央制御室や放射線管理室に設置されているCRTモニタにトレンドグラフとして表示され、運転員により監視されるとともに、インターネットなどを通じて公表されるほか、所定の外部機関へ報告されている。
【0009】
またこのような原子力関連施設における放射線や放射能を計測するための技術として、例えば特許文献1のような技術が知られている。
【先行技術文献】
【特許文献】
【0010】
再表2015/145716号公報
【発明の概要】
【発明が解決しようとする課題】
(【0011】以降は省略されています)
この特許をJ-PlatPat(特許庁公式サイト)で参照する
関連特許
中国電力株式会社
標示旗
1か月前
中国電力株式会社
養生シート
3日前
中国電力株式会社
電柱管理システム
9日前
中国電力株式会社
異常箇所検出装置
1か月前
中国電力株式会社
落雪損傷判定方法
4日前
中国電力株式会社
空き家判定システム
9日前
中国電力株式会社
鉄塔地際部雨よけ具
1か月前
中国電力株式会社
落雪損傷範囲推定装置
3日前
中国電力株式会社
安全装備チェックシステム
11日前
中国電力株式会社
需要及び電源想定システム
10日前
中国電力株式会社
電力ケーブル接続部カバー
23日前
中国電力株式会社
医薬品使用履歴登録システム
9日前
中国電力株式会社
容器内の水分量検知システム
9日前
中国電力株式会社
生体情報の異常検知システム
9日前
中国電力株式会社
品質判定装置及び品質判定方法
12日前
中国電力株式会社
配薬カートの医薬品提供システム
9日前
中国電力株式会社
分散型エネルギー資源管理システム
9日前
中国電力株式会社
沈砂池排砂方法及び沈砂池排砂システム
24日前
中国電力株式会社
配薬カートの引き出し方向制御システム
9日前
中国電力株式会社
充電部可視化装置、及び充電部可視化方法
10日前
中国電力株式会社
無人航空機を用いた検針方法、及び無人航空機
10日前
中国電力株式会社
管理対象者又は管理対象物の位置特定システム
9日前
中国電力株式会社
表示装置、撮像防止装置、表示方法およびプログラム
20日前
中国電力株式会社
文書作成支援システムおよび文書作成支援プログラム
1か月前
中国電力株式会社
ノイズ推定装置、ノイズ推定装置の制御方法及びプログラム
11日前
中国電力株式会社
停電エリア表示システム及び停電エリア表示方法及び表示画面
20日前
中国電力株式会社
離隔判定装置、離隔判定システム、離隔判定方法及びプログラム
10日前
中国電力株式会社
計測データ分析装置、計測データ分析装置の制御方法及びプログラム
11日前
中国電力株式会社
ケーブル支持具、高圧ケーブルの取付工法および高圧ケーブルの取外し工法
1か月前
中国電力株式会社
圧縮位置表示シール及び圧縮位置表示シールセット及び圧縮位置表示シール付き圧縮スリーブ
1か月前
中国電力株式会社
二酸化炭素排出量の計算システム、二酸化炭素排出量の計算方法、二酸化炭素排出量を計算するプログラム
11日前
中国電力株式会社
二酸化炭素排出量の計算システム、二酸化炭素排出量の計算方法および二酸化炭素排出量を計算するプログラム
11日前
個人
メジャー文具
12日前
個人
高精度同時多点測定装置
4日前
個人
アクセサリー型テスター
5日前
日本精機株式会社
位置検出装置
18日前
続きを見る
他の特許を見る