TOP
|
特許
|
意匠
|
商標
特許ウォッチ
Twitter
他の特許を見る
10個以上の画像は省略されています。
公開番号
2025151713
公報種別
公開特許公報(A)
公開日
2025-10-09
出願番号
2024053267
出願日
2024-03-28
発明の名称
太陽光機器診断システム
出願人
大和ハウス工業株式会社
代理人
個人
,
個人
主分類
H02S
50/00 20140101AFI20251002BHJP(電力の発電,変換,配電)
要約
【課題】太陽光機器のエネルギー量に関する診断を好適に行うことができる太陽光機器診断システムを提供する。
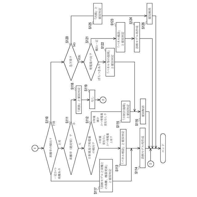
【解決手段】太陽光を利用してエネルギーを得る太陽光発電パネル2のエネルギー量に関する診断を行う診断システム1であって、学習期間において計測された太陽光発電パネル2に関する学習用データに基づいて診断モデルを作成する診断モデル作成部と、診断モデルを用いて、学習期間の経過後の判定期間において計測された太陽光発電パネル2に関する判定用データに基づいて、判定期間における太陽光発電パネル2の推定発電量を算出する推定値算出部と、判定期間において計測された太陽光発電パネル2の実測発電量と、前記推定発電量と、の乖離を示す乖離率を取得可能な乖離情報取得部と、乖離率に基づいて、前記太陽光発電パネル2のエネルギー量に関する異常の要因を判定可能な異常要因判定部と、を具備する。
【選択図】図1
特許請求の範囲
【請求項1】
太陽光を利用してエネルギーを得る太陽光機器のエネルギー量に関する診断を行う太陽光機器診断システムであって、
学習期間において計測された前記太陽光機器に関する学習用データに基づいて診断モデルを作成する診断モデル作成部と、
前記診断モデルを用いて、前記学習期間の経過後の判定期間において計測された前記太陽光機器に関する判定用データに基づいて、前記判定期間における前記太陽光機器のエネルギー量の推定値を算出する推定値算出部と、
前記判定期間において計測された前記太陽光機器のエネルギー量の実測値と、前記推定値と、の乖離を示す乖離情報を取得可能な乖離情報取得部と、
前記乖離情報に基づいて、前記太陽光機器のエネルギー量に関する異常の要因を判定可能な異常要因判定部と、
を具備する、
太陽光機器診断システム。
続きを表示(約 1,400 文字)
【請求項2】
太陽光を利用してエネルギーを得る太陽光機器のエネルギー量に関する診断を行う太陽光機器診断システムであって、
学習期間において計測された、前記太陽光機器に関する学習用データに基づいて診断モデルを作成する診断モデル作成部と、
前記診断モデルを用いて、前記学習期間の経過後の判定期間において計測された前記太陽光機器に関する判定用データに基づいて、前記判定期間における前記太陽光機器のエネルギー量の推定値を算出する推定値算出部と、
前記判定期間において計測された前記太陽光機器のエネルギー量の実測値と、前記推定値と、の乖離を示す乖離情報を取得可能な乖離情報取得部と、
前記乖離情報に基づいて、前記診断モデルの更新を行う診断モデル更新部と、
を具備する、
太陽光機器診断システム。
【請求項3】
前記乖離情報に基づいて、前記太陽光機器のエネルギー量に関する異常の要因を判定可能な異常要因判定部と、
前記乖離情報に基づいて、前記診断モデルの更新を行う診断モデル更新部と、
を具備し、
前記太陽光機器のエネルギー量に関する異常の要因には、前記太陽光機器の仕様の変化に関する要因が含まれ、
前記診断モデル更新部は、
前記異常要因判定部の判定結果が、前記太陽光機器の仕様の変化に関する要因である場合に、前記診断モデルの更新を行う、
請求項1又は請求項2に記載の太陽光機器診断システム。
【請求項4】
前記乖離情報取得部は、
前記乖離情報として、前記推定値と前記実測値との差の割合である乖離率を取得可能である、
請求項3に記載の太陽光機器診断システム。
【請求項5】
日射量を計測可能な日射計を具備し、
前記太陽光機器の仕様の変化に関する要因には、
前記太陽光機器の増設が含まれ、
前記異常要因判定部は、
前記乖離率の上昇が継続している場合であって、前記日射量に変化がない場合に、前記太陽光機器の増設が行われていると判定すると共に、判定結果を出力する、
請求項4に記載の太陽光機器診断システム。
【請求項6】
前記太陽光機器の仕様の変化に関する要因には、
前記太陽光機器の減設が含まれ、
前記乖離率が急下降した場合であって、前記推定値及び前記実測値の比の変化が一定である場合に、前記太陽光機器の減設が行われていると判定すると共に、判定結果を出力する、
請求項4に記載の太陽光機器診断システム。
【請求項7】
前記診断モデル更新部は、
新たな学習期間において計測された前記学習用データを用いて、更新前の前記診断モデルである第一の診断モデルとは異なる第二の診断モデルを、前記診断モデル作成部に作成させることで、前記診断モデルの更新を行う、
請求項4に記載の太陽光機器診断システム。
【請求項8】
前記診断モデル更新部は、
前記第二の診断モデルが作成されるまで、前記乖離率を用いて前記第一の診断モデルの補正を行うことで、前記診断モデルの更新を行う、
請求項7に記載の太陽光機器診断システム。
発明の詳細な説明
【技術分野】
【0001】
本発明は、太陽光を利用する機器のエネルギー量に関する診断を実行可能なシステムの技術に関する。
続きを表示(約 1,700 文字)
【背景技術】
【0002】
従来、太陽光パネル等の太陽光を利用する機器のエネルギー量(発電量)に関する診断を行うことができる技術が公知となっている。例えば、特許文献1に記載の如くである。
【0003】
特許文献1には、太陽光発電システムの発電量等のデータを用いて、不具合による発電量の低下の発生を判定可能なシステムが記載されている。特許文献1に記載のシステムにおいては、発電量等のデータを学習させることで推定パラメータを作成し、ある日において、推定パラメータにより推定された推定発電量と、太陽光発電システムの実測発電量と、の差に基づく値が閾値以上である場合に、不具合により発電量の低下が発生したと判定する。
【0004】
ここで、太陽光パネル等の機器は、設置後、期間の経過に伴い、例えば汚れの蓄積や機器の増設又は減設等の要因により、推定発電量と実測発電量との間に乖離が生じることが予測される。上記乖離が広がった場合、上記閾値に基づいた太陽光パネル等の不具合の判定が困難となり、太陽光発電システムの発電量の診断を好適に行い難くなる可能性がある。
【先行技術文献】
【特許文献】
【0005】
特許第6608619号公報
【発明の概要】
【発明が解決しようとする課題】
【0006】
本発明は以上の如き状況に鑑みてなされたものであり、その解決しようとする課題は、太陽光機器のエネルギー量に関する診断を好適に行うことができる診断可能な太陽光機器診断システムを提供することである。
【課題を解決するための手段】
【0007】
本発明の解決しようとする課題は以上の如くであり、次にこの課題を解決するための手段を説明する。
【0008】
即ち、請求項1においては、太陽光を利用してエネルギーを得る太陽光機器のエネルギー量に関する診断を行う太陽光機器診断システムであって、学習期間において計測された前記太陽光機器に関する学習用データに基づいて診断モデルを作成する診断モデル作成部と、前記診断モデルを用いて、前記学習期間の経過後の判定期間において計測された前記太陽光機器に関する判定用データに基づいて、前記判定期間における前記太陽光機器のエネルギー量の推定値を算出する推定値算出部と、前記判定期間において計測された前記太陽光機器のエネルギー量の実測値と、前記推定値と、の乖離を示す乖離情報を取得可能な乖離情報取得部と、前記乖離情報に基づいて、前記太陽光機器のエネルギー量に関する異常の要因を判定可能な異常要因判定部と、を具備するものである。
【0009】
請求項2においては、太陽光を利用してエネルギーを得る太陽光機器のエネルギー量に関する診断を行う太陽光機器診断システムであって、学習期間において計測された、前記太陽光機器に関する学習用データに基づいて診断モデルを作成する診断モデル作成部と、前記診断モデルを用いて、前記学習期間の経過後の判定期間において計測された前記太陽光機器に関する判定用データに基づいて、前記判定期間における前記太陽光機器のエネルギー量の推定値を算出する推定値算出部と、前記判定期間において計測された前記太陽光機器のエネルギー量の実測値と、前記推定値と、の乖離を示す乖離情報を取得可能な乖離情報取得部と、前記乖離情報に基づいて、前記診断モデルの更新を行う診断モデル更新部と、を具備するものである。
【0010】
請求項3においては、前記乖離情報に基づいて、前記太陽光機器のエネルギー量に関する異常の要因を判定可能な異常要因判定部と、前記乖離情報に基づいて、前記診断モデルの更新を行う診断モデル更新部と、を具備し、前記太陽光機器のエネルギー量に関する異常の要因には、前記太陽光機器の仕様の変化に関する要因が含まれ、前記診断モデル更新部は、前記異常要因判定部の判定結果が、前記太陽光機器の仕様の変化に関する要因である場合に、前記診断モデルの更新を行うものである。
(【0011】以降は省略されています)
この特許をJ-PlatPat(特許庁公式サイト)で参照する
関連特許
個人
バッテリ内蔵直流電源
24日前
株式会社アイシン
ロータ
3日前
株式会社FUJI
制御盤
14日前
日本精機株式会社
サージ保護回路
6日前
オムロン株式会社
電源回路
18日前
オムロン株式会社
電源回路
18日前
オムロン株式会社
電源回路
18日前
西部電機株式会社
充電装置
6日前
西部電機株式会社
充電装置
6日前
トヨタ自動車株式会社
回転子
10日前
トヨタ自動車株式会社
固定子
4日前
東京応化工業株式会社
発電装置
18日前
個人
連続ガウス加速器形磁力増幅装置
6日前
ミサワホーム株式会社
居住設備
14日前
大豊工業株式会社
モータ
24日前
トヨタ自動車株式会社
製造装置
4日前
株式会社ダイヘン
充電装置
3日前
株式会社アイシン
ステータ
3日前
株式会社アイシン
ステータ
3日前
株式会社ダイヘン
充電装置
3日前
株式会社ミツバ
ブラシレスモータ
5日前
株式会社ダイヘン
充電装置
3日前
株式会社ダイヘン
充電装置
3日前
個人
太陽エネルギー収集システム
4日前
カヤバ株式会社
筒型リニアモータ
5日前
株式会社アイシン
ステータ
3日前
株式会社リコー
拡張アンテナ装置
17日前
株式会社アイシン
ステータ
3日前
東京瓦斯株式会社
通信装置
5日前
トヨタ自動車株式会社
ロータ
12日前
日産自動車株式会社
ステータ
11日前
ニチコン株式会社
AC入力検出回路
10日前
トヨタ自動車株式会社
被膜形成装置
4日前
ユタカ電業株式会社
ケーブルダクト
14日前
株式会社ダイヘン
電力システム
6日前
株式会社大林組
可搬式充電設備
11日前
続きを見る
他の特許を見る