TOP特許意匠商標
特許ウォッチ Twitter
公開番号2025145646
公報種別公開特許公報(A)
公開日2025-10-03
出願番号2024045938
出願日2024-03-22
発明の名称AC入力検出回路
出願人ニチコン株式会社
代理人個人
主分類H02M 7/06 20060101AFI20250926BHJP(電力の発電,変換,配電)
要約【課題】AC入力検出回路の待機電力の低減を図る。
【解決手段】整流素子(ダイオードD1,D2)はAC入力を整流し、分圧用かつ限流用の抵抗素子R1は整流素子からの出力電圧を降圧し、容量素子(コンデンサC1)は抵抗素子R1からの出力電流を充電する。検出信号生成素子は、前記スイッチング素子の導通状態への反転に応答してAC入力の電圧レベルが非検出レベルから検出レベルへ遷移したことを示す検出信号を生成する。前記スイッチング素子としてシャントレギュレータを採用する。
【選択図】図1
特許請求の範囲【請求項1】
AC入力電圧を整流する整流素子と、
前記整流素子からの出力電圧を降圧する分圧用の抵抗素子と、
前記分圧用の抵抗素子からの出力電流を充電する分圧用の容量素子と、
前記分圧用の容量素子の出力電流が所定の規定値以下のときは非導通で、前記分圧用の容量素子の出力電流が前記規定値を超えるときは導通するシャントレギュレータと、
前記シャントレギュレータの導通状態への反転に応答して前記AC入力の電圧レベルが非検出レベルから検出レベルへ遷移したことを示す検出信号を生成する検出信号生成素子とを備えたことを特徴とするAC入力検出回路。
続きを表示(約 130 文字)【請求項2】
前記シャントレギュレータのリファレンス端子と前記検出信号生成素子のハイサイド端子との間に、前記分圧用の容量素子の電荷を急速放電するための急速放電ラインを設け、前記急速放電ラインに逆流防止用のダイオードを介挿した請求項1に記載のAC入力検出回路。

発明の詳細な説明【技術分野】
【0001】
本発明は、主にスイッチング電源回路におけるAC/DCコンバータの一次側回路に対するAC入力の有無を検出するAC入力検出回路に関する。
続きを表示(約 1,900 文字)【背景技術】
【0002】
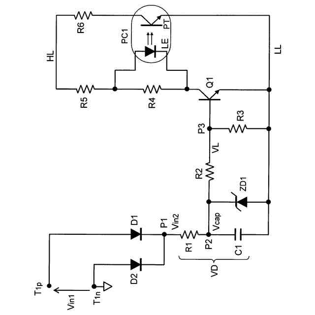
図2は従来例のAC入力検出回路の構成を示す回路図である。
【0003】
このAC入力検出回路においては、AC入力端子T1pと接地端子T1nの間に印加されたAC入力電圧Vin1がダイオードD1,D2(整流素子)によって全波整流される。すなわち、正の半波の入力期間にはダイオードD1によって半波整流され、負の半波の入力期間にはダイオードD2によって半波整流される。両ダイオードD1,D2に共通のカソード接続点P1には半サイクルごとの山形の脈流の繰り返しである直流電圧(整流電圧)Vin2が出現する。その脈流の直流電圧Vin2によって流れる直流電流は、分圧用かつ限流用の抵抗素子R1と分圧用かつ平滑用の容量素子としてのコンデンサC1との直列回路で構成される分圧回路VDを流れ、コンデンサC1はAC入力電圧Vin1に対応した電圧レベルVcapに充電される。
【0004】
次に、AC入力電圧Vin1が所定の設計電圧(V
S
)以下の非検出レベル(すなわち、機器の正常動作に必要な電圧に至らない電圧レベル)にある場合の動作と、前記設計電圧(V
S
)を超えた検出レベルにある場合の動作について順次説明する。
【0005】
(1)AC入力電圧Vin1が設計電圧(V
S
)以下の非検出レベルにある場合
コンデンサC1の充電電圧Vcapが、前記設計電圧(V
S
)に対応する規定値電圧(V
K
)以下であれば、バイポーラNPN型のトランジスタQ1のベース・エミッタ間電圧(V
BE
)は順方向電圧(V
F
)未満((V
F
)を超えていない)であり、トランジスタQ1は非導通となる。トランジスタQ1が非導通であれば、フォトカプラPC1は動作せず(不動作)、検出回路部(図示せず)は不動作の状態にある。その結果、AC入力の電圧レベルが設計電圧(V
S
)以下の非検出レベルにあると認識することが可能となる。
【0006】
(2)AC入力電圧Vin1が設計電圧(V
S
)を超えた検出レベルにある場合
コンデンサC1の充電電圧Vcapが前記設計電圧(V
S
)に対応する前記規定値(V
K
)を超えると、充電電圧VcapによってコンデンサC1から出力される電流が抵抗素子R2を介してトランジスタQ1のベースに供給される。その場合、抵抗素子R3の両端電圧すなわちトランジスタQ1のベース・エミッタ間電圧(V
BE
)が順方向電圧(V
F
)よりも高くなって、トランジスタQ1はターンオンし導通状態となる。その結果、抵抗素子R4の両端間に電位差が生じ、フォトカプラPC1の発光ダイオードLEが動作し、連動してフォトトランジスタPTが導通する。このフォトトランジスタPTの導通により、検出回路部(図示せず)は動作し、AC入力の電圧レベルが検出レベル(設計電圧(V
S
)超え)の範囲内にあって、所期の電圧レベルのAC入力が供給されていることを示す検出信号が生成される。
【先行技術文献】
【特許文献】
【0007】
特開2014-155266号公報
【発明の概要】
【発明が解決しようとする課題】
【0008】
AC入力電圧Vin1が検出レベルか否かを検出するAC入力検出素子として、従来技術の場合はバイポーラ型のトランジスタQ1を用いている。ところが、このバイポーラ型のトランジスタQ1を採用しているために、その駆動を高電圧回路(AC入力側)から供給される大電流に依存しなければならない。
【0009】
具体的には、トランジスタQ1をターンオンするためにはそのベース・エミッタ間電圧(V
BE
)を順方向電圧(V
F
)よりも高くする必要があり、そのためには高電圧回路(AC入力側)から分圧用かつ限流用の抵抗素子R1を介してトランジスタQ1のベースに対し大きな電流を供給しなければならない。
【0010】
その結果、電力損失が大きくなり、AC入力検出回路の待機電力が大きくなっていた。
(【0011】以降は省略されています)

この特許をJ-PlatPat(特許庁公式サイト)で参照する

関連特許

ニチコン株式会社
組電池
4日前
ニチコン株式会社
コンデンサ
18日前
ニチコン株式会社
コンデンサ
18日前
ニチコン株式会社
AC入力検出回路
2日前
ニチコン株式会社
機器設置用基礎ブロック
17日前
ニチコン株式会社
ヒータユニット及びヒータユニットの製造方法
25日前
ニチコン株式会社
梱包箱およびそれを用いた蓄電池ユニット梱包構造
2日前
個人
電源装置
17日前
個人
永久磁石モーター
1か月前
個人
バッテリ内蔵直流電源
16日前
株式会社FUJI
制御盤
6日前
オムロン株式会社
電源回路
10日前
オムロン株式会社
電源回路
10日前
オムロン株式会社
電源回路
10日前
トヨタ自動車株式会社
回転子
17日前
日産自動車株式会社
電子機器
27日前
ニデック株式会社
モータの制御方法
24日前
トヨタ自動車株式会社
回転子
2日前
エイブリック株式会社
バッテリ装置
1か月前
大豊工業株式会社
モータ
16日前
東京応化工業株式会社
発電装置
10日前
井関農機株式会社
充電システム
27日前
ミサワホーム株式会社
居住設備
6日前
トヨタ自動車株式会社
溶接装置
1か月前
株式会社リコー
拡張アンテナ装置
9日前
三菱ケミカル株式会社
電池
1か月前
愛知電機株式会社
巻線方法および巻線装置
1か月前
富士電子工業株式会社
電力変換装置
18日前
ニチコン株式会社
AC入力検出回路
2日前
日産自動車株式会社
ステータ
3日前
ユタカ電業株式会社
ケーブルダクト
6日前
トヨタ自動車株式会社
ロータ
4日前
株式会社大林組
可搬式充電設備
3日前
株式会社ダイヘン
電力管理装置
25日前
NTN株式会社
モータユニット
6日前
株式会社アイシン
直流回転電機
1か月前
続きを見る