TOP
|
特許
|
意匠
|
商標
特許ウォッチ
Twitter
他の特許を見る
公開番号
2025163840
公報種別
公開特許公報(A)
公開日
2025-10-30
出願番号
2024067404
出願日
2024-04-18
発明の名称
電流センサ装置
出願人
株式会社トーキン
代理人
個人
,
個人
,
個人
主分類
G01R
15/18 20060101AFI20251023BHJP(測定;試験)
要約
【課題】 振幅の大きい交流成分を誤って直流電流として検出することのない電流センサ装置を提供すること。
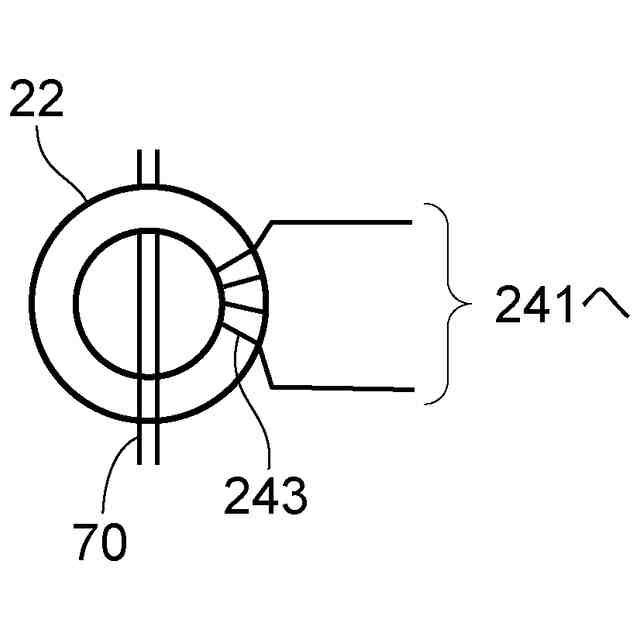
【解決手段】 電流センサ装置10は、自励発振回路20と、デューティ比算出部42と、クロック導入部44と、リサンプリング部46と、ローパスフィルタ48とを備える。自励発振回路20は、環状の磁性コア22を有する。一次導体70は、磁性コ22アの内側に通される。自励発振回路20は、一次導体70に流れる電流に応じて、パルス信号を生成すると共にパルス信号に基づいて動作する。デューティ比算出部42は、パルス信号のデューティ比を算出してデューティ比信号を出力する。クロック導入部44は、一定の周波数を有するクロック信号を生成する。リサンプリング部46は、クロック信号に基づいてデューティ比信号をリサンプリングする。ローパスフィルタ48は、リサンプリング信号を積分する。
【選択図】図1
特許請求の範囲
【請求項1】
一次導体に流れる電流を検知する自励発振型の電流センサ装置であって、
前記電流センサ装置は、自励発振回路と、デューティ比算出部と、クロック導入部と、リサンプリング部と、ローパスフィルタとを備えており、
前記自励発振回路は、環状の磁性コアを有しており、
前記一次導体は、前記磁性コアの内側に通されており、
前記自励発振回路は、前記一次導体に流れる電流に応じて、パルス信号を生成すると共に当該パルス信号に基づいて動作するものであり、
前記デューティ比算出部は、前記パルス信号のデューティ比を算出してデューティ比信号を出力するものであり、
前記クロック導入部は、一定の周波数を有するクロック信号を生成するものであり、
前記リサンプリング部は、前記デューティ比信号と前記クロック信号とを受け、前記クロック信号に基づいて前記デューティ比信号をリサンプリングし、リサンプリング信号を生成するものであり、
前記ローパスフィルタは、前記リサンプリング信号を積分するものである
電流センサ装置。
続きを表示(約 1,600 文字)
【請求項2】
請求項1に記載の電流センサ装置であって、
前記デューティ比算出部は、カウンターと、デューティ変換部とを有しており、
前記クロック導入部は、基本クロック生成部と、分周器とを有しており、
前記基本クロック生成部は、基本クロック信号を生成するものであり、
前記カウンターは、前記基本クロック信号に基づいて、前記パルス信号の一周期ごとにオン期間とオフ期間とをカウントするものであり、
前記デューティ変換部は、前記カウンターのカウント結果から前記パルス信号の一周期ごとにデューティ比を算出し、前記デューティ比を表すデューティ比信号を生成するものであり、
前記分周器は、前記基本クロック生成部からの前記基本クロック信号を分周して、前記クロック信号として出力する
電流センサ装置。
【請求項3】
請求項1に記載の電流センサ装置であって、
前記電流センサ装置は、前記ローパスフィルタの出力を受け、前記ローパスフィルタの前記出力と前記所定の閾値とを比較する比較器を更に有している
電流センサ装置。
【請求項4】
請求項1に記載の電流センサ装置であって、
前記自励発振回路は、駆動回路と、検出抵抗と、パルス信号生成回路とを備えており、
前記駆動回路は、駆動部と負荷とを有しており、
前記負荷は、前記磁性コアに巻き回された二次導体であり、
前記検出抵抗は、前記駆動回路に直列に接続され、前記二次導体に流れる電流を電圧に変換し、その一端に検出電圧を生成するものであり、
前記パルス信号生成回路は、前記検出電圧に応じて前記パルス信号を生成するものであり、
前記駆動部は、前記パルス信号に基づいて前記二次導体に流れる電流の方向を切り替えるものであり、
前記パルス信号生成回路は、前記検出抵抗の前記一端に生じる前記検出電圧を監視して、前記パルス信号のオンとオフとを反転するものである
電流センサ装置。
【請求項5】
請求項4に記載の電流センサ装置であって、
前記駆動部は四つのスイッチを有するHブリッジ回路である
電流センサ装置。
【請求項6】
請求項1に記載の電流センサ装置であって、
前記自励発振回路は、駆動回路制御部を有しており、
前記駆動回路制御部は、電源がオンされてからの所定期間、前記パルス信号を周波数変調して前記磁性コアを交流消磁するための消磁用パルス信号であって51.5±1%のデューティ比を有する消磁用パルス信号を生成し、
前記自励発振回路は、前記所定期間においては、前記消磁用パルス信号に基づいて動作する
電流センサ装置。
【請求項7】
請求項6に記載の電流センサ装置であって、
前記自励発振回路は、駆動回路と、検出抵抗とを備えており、
前記検出抵抗は、前記駆動回路に直列接続されており、
前記検出抵抗は、切替信号に応じてその抵抗値を第1抵抗値と前記第1抵抗値よりも大きい第2抵抗値との間で切り替えるものであり、
前記駆動回路制御部は、前記所定期間中は前記第1抵抗値を選択し、前記所定期間経過後は前記第2抵抗値を選択するように前記切替信号を生成して、前記駆動回路に流れる電流を制御する
電流センサ装置。
【請求項8】
請求項6に記載の電流センサ装置であって、
前記自励発振回路は、駆動回路を備えており、
前記駆動回路は、駆動部と負荷とを備えており、
前記負荷は、前記磁性コアに巻き回された二次導体であり、
前記駆動回路の前記駆動部は、前記所定期間において、前記パルス信号に代えて前記消磁用パルス信号に基づいて前記二次導体に流れる電流の方向を切り替える
電流センサ装置。
発明の詳細な説明
【技術分野】
【0001】
本発明は、電流センサ装置に関する。
続きを表示(約 1,600 文字)
【背景技術】
【0002】
特許文献1は、自励発振型の電流センサ装置の一例を開示している。
【0003】
特許文献1に開示された電流センサ装置は、環状の磁性コアを有している。磁性コアには、二次導体が巻き回されており、磁性コアの内側には、一次導体が通されている。
【0004】
特許文献1の電流センサ装置において、検出時、二次導体には電流が流される。二次導体に流れる電流の向きは、パルス信号に基づいて切り替えられる。一次導体に電流が流れていないとき、パルス信号のデューティ比は0.5になる。
【0005】
特許文献1の電流センサ装置において、一次導体に流れる電流の変化は、二次導体に流れる電流に影響する。二次導体に流れる電流は電圧に変換され、一次導体に流れる電流の検出に用いられるとともに、二次導体に流れる電流を切り替えるためのパルス信号の生成にも用いられる。
【先行技術文献】
【特許文献】
【0006】
特開2023-146957号公報
【発明の概要】
【発明が解決しようとする課題】
【0007】
特許文献1の電流センサ装置において、一次導体に流れる電流に振幅の大きい交流成分が含まれていると、磁性コアが磁気飽和した状態になる。その結果、特許文献1の電流センサ装置は、振幅の大きい交流成分を直流電流として検知することがある。
【0008】
本発明は、振幅の大きい交流成分を誤って直流電流として検出することのない電流センサ装置を提供することを目的とする。
【課題を解決するための手段】
【0009】
本発明は、第1の電流センサとして、一次導体に流れる電流を検知する自励発振型の電流センサ装置であって、
前記電流センサ装置は、自励発振回路と、デューティ比算出部と、クロック導入部と、リサンプリング部と、ローパスフィルタとを備えており、
前記自励発振回路は、環状の磁性コアを有しており、
前記一次導体は、前記磁性コアの内側に通されており、
前記自励発振回路は、前記一次導体に流れる電流に応じて、パルス信号を生成すると共に当該パルス信号に基づいて動作するものであり、
前記デューティ比算出部は、前記パルス信号のデューティ比を算出してデューティ比信号を出力するものであり、
前記クロック導入部は、一定の周波数を有するクロック信号を生成するものであり、
前記リサンプリング部は、前記デューティ比信号と前記クロック信号とを受け、前記クロック信号に基づいて前記デューティ比信号をリサンプリングし、リサンプリング信号を生成するものであり、
前記ローパスフィルタは、前記リサンプリング信号を積分するものである
電流センサ装置を提供する。
【0010】
また、本発明は、第2の電流センサとして、第1の電流センサ装置であって、
前記デューティ比算出部は、カウンターと、デューティ変換部とを有しており、
前記クロック導入部は、基本クロック生成部と、分周器とを有しており、
前記基本クロック生成部は、基本クロック信号を生成するものであり、
前記カウンターは、前記基本クロック信号に基づいて、前記パルス信号の一周期ごとにオン期間とオフ期間とをカウントするものであり、
前記デューティ変換部は、前記カウンターのカウント結果から前記パルス信号の一周期ごとにデューティ比を算出し、前記デューティ比を表すデューティ比信号を生成するものであり、
前記分周器は、前記基本クロック生成部からの前記基本クロック信号を分周して、前記クロック信号として出力する
電流センサ装置を提供する。
(【0011】以降は省略されています)
この特許をJ-PlatPat(特許庁公式サイト)で参照する
関連特許
株式会社トーキン
圧電振動子
5日前
株式会社トーキン
電流センサ装置
3日前
株式会社トーキン
積層圧電アクチュエータ
3日前
株式会社トーキン
圧粉磁心の製造方法及び圧粉磁心
1か月前
株式会社トーキン
結合部材、結合部材の製造方法及び結合方法
1か月前
株式会社トーキン
合金粉末
1か月前
個人
メジャー文具
26日前
個人
採尿及び採便具
3日前
個人
アクセサリー型テスター
19日前
個人
高精度同時多点測定装置
18日前
日本精機株式会社
位置検出装置
1か月前
ユニパルス株式会社
ロードセル
25日前
株式会社ミツトヨ
測定器
9日前
日本精機株式会社
位置検出装置
1か月前
日本精機株式会社
位置検出装置
1か月前
アズビル株式会社
圧力センサ
1か月前
アズビル株式会社
電磁流量計
12日前
株式会社ヨコオ
ソケット
24日前
株式会社ヨコオ
ソケット
25日前
ダイキン工業株式会社
監視装置
23日前
トヨタ自動車株式会社
監視装置
24日前
エイブリック株式会社
磁気センサ回路
1か月前
トヨタ自動車株式会社
検査装置
1か月前
株式会社チノー
放射光測温装置
25日前
TDK株式会社
ガスセンサ
25日前
TDK株式会社
ガスセンサ
1か月前
愛知時計電機株式会社
ガスメータ
9日前
個人
システム、装置及び実験方法
12日前
TDK株式会社
磁気センサ
24日前
TDK株式会社
ガスセンサ
1か月前
長崎県
形状計測方法
19日前
ローム株式会社
半導体装置
17日前
ローム株式会社
半導体装置
17日前
大和製衡株式会社
組合せ計量装置
6日前
愛知電機株式会社
軸部材の外観検査装置
6日前
大和製衡株式会社
組合せ計量装置
6日前
続きを見る
他の特許を見る