TOP
|
特許
|
意匠
|
商標
特許ウォッチ
Twitter
他の特許を見る
10個以上の画像は省略されています。
公開番号
2025165046
公報種別
公開特許公報(A)
公開日
2025-11-04
出願番号
2024068892
出願日
2024-04-22
発明の名称
温度特性補正方法、温度特性補正装置およびセンサーデバイス
出願人
セイコーエプソン株式会社
代理人
個人
,
個人
,
個人
主分類
G01P
21/00 20060101AFI20251027BHJP(測定;試験)
要約
【課題】使用温度帯で複雑に変化する慣性センサーの温度特性を補正する技術の提供。
【解決手段】慣性センサーと、前記慣性センサーの温度を検出する温度センサーと、複数の温度範囲のそれぞれにおける、前記慣性センサーの温度と出力値との関係を示す温度特性を記憶する記憶部と、前記温度センサーが検出した温度が含まれる前記温度範囲の前記温度特性に基づいて、前記慣性センサーの出力値を補正する補正値を導出し、前記補正値を用いて前記出力値を補正する演算処理部と、を備えるセンサーデバイスを構成する。
【選択図】図1
特許請求の範囲
【請求項1】
慣性センサーの温度特性を補正する温度特性補正方法であって、
温度毎の前記慣性センサーの出力値に基づいて、iが1~n(nは3以上の整数)である場合のそれぞれについて、第i温度を含む第i温度範囲における温度と前記出力値との関係を示す第i近似曲線から、前記第i温度における第i出力値を導出する第1近似工程と、
iが1~nにおける前記第i温度および第i出力値に基づいて、jが1~m(mは2以上の整数)である場合のそれぞれについて、第j温度を含む第j温度範囲における第j近似曲線を導出する第2近似工程と、
補正対象温度を含む前記第j温度範囲における前記第j近似曲線に基づいて、前記補正対象温度における前記慣性センサーの前記出力値を補正する補正値を導出し、前記補正値を用いて前記出力値を補正する補正工程と、
を含む温度特性補正方法。
続きを表示(約 730 文字)
【請求項2】
前記第i近似曲線は、3次式で示される曲線である、
請求項1に記載の温度特性補正方法。
【請求項3】
前記第j近似曲線は、3次式で示される曲線である、
請求項1または請求項2に記載の温度特性補正方法。
【請求項4】
慣性センサーの温度特性を補正する温度特性補正装置であって、
温度毎の前記慣性センサーの出力値に基づいて、iが1~n(nは3以上の整数)である場合のそれぞれについて、第i温度を含む第i温度範囲における温度と前記出力値との関係を示す第i近似曲線から、前記第i温度における第i出力値が導出され、
iが1~nにおける前記第i温度および第i出力値に基づいて、jが1~m(mは2以上の整数)である場合のそれぞれについて、第j温度を含む第j温度範囲における第j近似曲線が導出されており、
補正対象温度を含む前記第j温度範囲における前記第j近似曲線に基づいて、前記補正対象温度における前記慣性センサーの前記出力値を補正する補正値を導出し、前記補正値を用いて前記出力値を補正する、
温度特性補正装置。
【請求項5】
慣性センサーと、
前記慣性センサーの温度を検出する温度センサーと、
複数の温度範囲のそれぞれにおける、前記慣性センサーの温度と出力値との関係を示す温度特性を記憶する記憶部と、
前記温度センサーが検出した温度が含まれる前記温度範囲の前記温度特性に基づいて、前記慣性センサーの前記出力値を補正する補正値を導出し、前記補正値を用いて前記出力値を補正する演算処理部と、
を備えるセンサーデバイス。
発明の詳細な説明
【技術分野】
【0001】
本発明は、温度特性補正方法、温度特性補正装置およびセンサーデバイスに関する。
続きを表示(約 2,100 文字)
【背景技術】
【0002】
従来、慣性センサーの出力には温度特性があることが知られている。温度毎の出力値を補正するための技術として、例えば、特許文献1が知られている。特許文献1には、検出回路からの出力信号を、2次曲線以上の校正曲線で補正する技術が開示されている。
【先行技術文献】
【特許文献】
【0003】
特開2008-170294号公報
【発明の概要】
【発明が解決しようとする課題】
【0004】
慣性センサーの出力値は、温度特性を含み得る。例えば、慣性センサーの出力値の真の値が0となるべき状態であっても、0以外の出力値が出力され、かつ、当該出力値が温度によって変動する場合、当該温度と出力値との関係を温度特性と呼ぶ。当該温度特性において、出力値が使用温度帯の一部において急変するような場合があり、複雑な温度特性になることがある。例えば、特定の温度帯で急激に出力値が変化し、ピークを持つが、他の温度帯では温度に対する出力値の変化が緩やかである等の特性になることがある。従来の技術においては、使用温度帯で複雑に変化する慣性センサーの温度特性を補正することが困難であった。
【課題を解決するための手段】
【0005】
上記課題を解決するための一実施形態としての温度特性補正方法は、慣性センサーの温度特性を補正する温度特性補正方法であって、温度毎の前記慣性センサーの出力値に基づいて、iが1~n(nは3以上の整数)である場合のそれぞれについて、第i温度を含む第i温度範囲における前記温度と前記出力値との関係を示す第i近似曲線から、前記第i温度における第i出力値を導出する第1近似工程と、iが1~nにおける前記第i温度および第i出力値に基づいて、jが1~m(mは2以上の整数)である場合のそれぞれについて、第j温度を含む第j温度範囲における第j近似曲線を導出する第2近似工程と、補正対象温度を含む前記第j温度範囲における前記第j近似曲線に基づいて、前記補正対象温度における前記慣性センサーの前記出力値を補正する補正値を導出し、前記補正値を用いて前記慣性センサーの出力値を補正する補正工程と、を含む。
【0006】
上記課題を解決するための一実施形態としての温度特性補正装置は、慣性センサーの温度特性を補正する温度特性補正装置であって、温度毎の前記慣性センサーの出力値に基づいて、iが1~n(nは3以上の整数)である場合のそれぞれについて、第i温度を含む第i温度範囲における前記温度と前記出力値との関係を示す第i近似曲線から、前記第i温度における第i出力値が導出され、iが1~nにおける前記第i温度および第i出力値に基づいて、jが1~m(mは2以上の整数)である場合のそれぞれについて、第j温度を含む第j温度範囲における第j近似曲線が導出されており、補正対象温度を含む前記第j温度範囲における前記第j近似曲線に基づいて、前記補正対象温度における前記慣性センサーの前記出力値を補正する補正値を導出し、前記補正値を用いて前記出力値を補正する。
【0007】
上記課題を解決するための一実施形態としてのセンサーデバイスは、慣性センサーと、前記慣性センサーの温度を検出する温度センサーと、複数の温度範囲のそれぞれにおける、前記慣性センサーの温度と出力値との関係を示す温度特性を記憶する記憶部と、前記温度センサーが検出した温度が含まれる前記温度範囲の前記温度特性に基づいて、前記慣性センサーの出力値を補正する補正値を導出し、前記補正値を用いて前記出力値を補正する演算処理部と、を備える。
【図面の簡単な説明】
【0008】
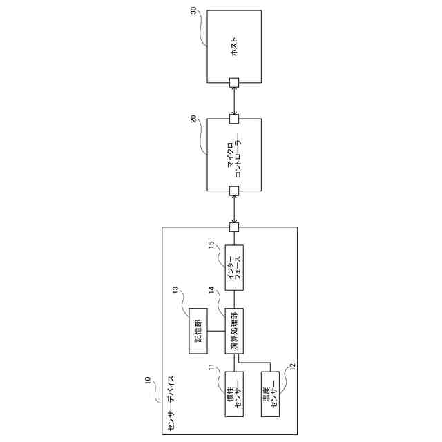
第1実施形態に係るセンサーデバイスの構成例。
慣性センサーの温度特性の例を示す図。
慣性センサーの温度特性を一つの近似曲線に基づいて補正した結果を示す図。
慣性センサーの温度特性を温度範囲毎の近似曲線に基づいて補正した結果を示す図。
近似曲線の導出を示すフローチャート。
第i温度を示す図。
第i温度毎の出力値を示す図。
第j温度範囲およびスプライン曲線を示す図。
補正処理を示すフローチャート。
【発明を実施するための形態】
【0009】
以下、本発明の好適な実施の形態について詳細に説明する。なお以下に説明する本実施形態は特許請求の範囲に記載された本発明の内容を限定するものではなく、本実施形態で説明される構成の全てが本発明の解決手段として必須であるとは限らない。
【0010】
(1)第1実施形態
図1に本実施形態のセンサーデバイス10の構成例を示す。センサーデバイス10は、慣性センサーの出力値を補正して出力するデバイスであり、マイクロコントローラー20と接続される。マイクロコントローラー20は、ホスト30と接続される。
(【0011】以降は省略されています)
この特許をJ-PlatPat(特許庁公式サイト)で参照する
関連特許
個人
メジャー文具
1か月前
日本精機株式会社
検出装置
1日前
個人
採尿及び採便具
7日前
個人
アクセサリー型テスター
23日前
個人
高精度同時多点測定装置
22日前
株式会社ミツトヨ
測定器
13日前
ユニパルス株式会社
ロードセル
29日前
甲神電機株式会社
電流検出装置
1日前
アズビル株式会社
電磁流量計
16日前
株式会社チノー
放射光測温装置
29日前
ダイキン工業株式会社
監視装置
27日前
株式会社ヨコオ
ソケット
28日前
トヨタ自動車株式会社
監視装置
28日前
株式会社ヨコオ
ソケット
29日前
エイブリック株式会社
磁気センサ回路
1か月前
愛知時計電機株式会社
ガスメータ
13日前
長崎県
形状計測方法
23日前
大和製衡株式会社
組合せ計量装置
10日前
株式会社東芝
重量測定装置
1か月前
TDK株式会社
ガスセンサ
1か月前
TDK株式会社
磁気センサ
28日前
大和製衡株式会社
組合せ計量装置
10日前
愛知電機株式会社
軸部材の外観検査装置
10日前
個人
システム、装置及び実験方法
16日前
TDK株式会社
ガスセンサ
29日前
ローム株式会社
半導体装置
21日前
ローム株式会社
半導体装置
21日前
双庸電子株式会社
誤配線検査装置
2日前
TDK株式会社
電磁波センサ
29日前
日本特殊陶業株式会社
センサ
13日前
多摩川精機株式会社
冗長エンコーダ
28日前
トヨタ自動車株式会社
測定システム
20日前
日東精工株式会社
振動波形検査装置
2日前
三菱マテリアル株式会社
温度センサ
1か月前
三恵技研工業株式会社
融雪レドーム
28日前
ダイハツ工業株式会社
移動支援装置
28日前
続きを見る
他の特許を見る