TOP
|
特許
|
意匠
|
商標
特許ウォッチ
Twitter
他の特許を見る
公開番号
2024156583
公報種別
公開特許公報(A)
公開日
2024-11-06
出願番号
2023079692
出願日
2023-04-24
発明の名称
放射能無害化
出願人
個人
代理人
主分類
G21F
9/00 20060101AFI20241029BHJP(核物理;核工学)
要約
【課題】ウラン原子の核分裂を利用する原子力発電で発生する多様な放射能原子を無害化すること。
【解決手段】トリチウム水からのトリチウム原子、重水からの重水素原子を原子核に衝突させて核変換すること。
【選択図】図1
特許請求の範囲
【請求項1】
ウランやプルトニウム、或いはそれらの核分裂放射能原子が溶けている溶液に、トリチウム水または重水を混合して超音波振動励振することによって、意図的にα崩壊またはβ崩壊させて放射能原子を無害化することを特徴とする方法。
続きを表示(約 130 文字)
【請求項2】
前項の超音波振動子を、液底上の処理水に浸けて稼働させることを特徴とする放射能原子を無害化する方法。
【請求項3】
前項の超音波振動子を駆動させる矩形波高周波電気信号の増幅を、変圧器で行うことを特徴とする放射能無害化方法。
発明の詳細な説明
【技術分野】
【0001】
本発明は、2011年に爆発した福島第一原子力発電所と、茨城県東海村の原子力施設及び青森県六ケ所村の再処理工場、及び他の原子力施設の放射能原子を無害化処分する方法に関するものである。
続きを表示(約 1,500 文字)
【背景技術】
【0002】
核分裂は、電気的中性の中性子が、ウランやプルトニウムの大きい原子の電気的陽性の核に衝突して起こる。重水素原子とトリチウム原子は、原子核の陽子が1個で、重水素の場合は中性子1個で、トリチウムの場合は中性子2個で、その陽電荷が弱められる。
【0003】
従って、重水とトリチウム水の混合水に放射能原子を溶解して超音波振動の衝撃を与えると、分離された重水素原子とトリチウム原子が、放射能原子の核に容易に当たる「核励起」と表現される現象が起きる。
衝撃を受けた放射能原子は、陽子の数より中性子の数が多いので、中性子を陽子に変換して中性子を減らす為にβ崩壊する。更に、殆ど核分裂しないU238の場合は、中性子の吸収とβ崩壊を繰り返してNp、Pu、Am、Cm等のアクチノイド系の原子を発生させる。これらの原子番号が大きい原子の場合は、陽子も中性子も減らす為に、α崩壊をする(陽子2個と中性子2個のHe原子を放出)。
【0004】
核励起を起こす水溶液の超音波振動では、気泡が発生してこの気泡が押し潰されて圧壊すると、微小領域が太陽表面のような数千度・数百気圧の極限状態になる(「非特許文献1」)。
【0005】
原子力発電の核燃料は僅かなU235であり、残り殆どのU238は中性子衝突で核分裂しない。しかし、使用済み核燃料には、上記のU234、Np237、Pu238、Pu239、Pu240、Am241、Cm243、Cm244が発生している。この現象は、U238の原子核に中性子が複数吸収されてβ崩壊した結果である。U234は、更にα崩壊した結果である。
【0006】
放射能放出原子を無害化する為には、未だ放射能を放出していない原子の総数を知らなければならない。放射能強度Iの単位がベクレルBは、1秒間に放出される原子数である。
半減期Tを秒単位にして算出する仮称:島の公式;3.3×I×Tを使う。
トリチウム水420万B/Lに対応する全トリチウム原子の数は、4×10
14
/Lである。
比較する軽水の分子数は3×10
25
/L、重水の分子数は4×10
21
/Lである。
【0007】
ソノプロセスのはなし-超音波の化学工学利用―飯田康夫、日刊工業新聞社
【発明の概要】
【発明が解決しようとする課題】
【0008】
核燃料U235に中性子が当たると核分裂してβ崩壊する放射能原子が発生する。
更に殆ど核分裂しないU238が中性子の吸収とβ崩壊を繰り返してPu238、Pu239、Pu240、Am241、Cm243、Cm244等が発生する。
これらの放射能原子を意図的にβ崩壊、α崩壊させて無害化することである。
【課題を解決するための手段】
【0009】
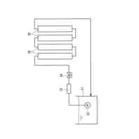
反応槽の金網中底の上に超音波振動子を取り付ける。トリチウム水と重水、そして、放射能原子汚濁溶解水を混合し、超音波振動子を励振する。超音波振動で泡圧壊を発生させて、分離したトリチウム原子と重水素原子の衝撃で原子を強制核励起し、β崩壊とα崩壊をさせる。
【発明の効果】
【0010】
放射能汚濁水が強制的にα崩壊、β崩壊させられて無害化される。
超音波振動子が液浸りの金網上に置かれるので、振動が液に直接伝わり、泥状スラリーが分解され易くなるので泡圧壊放射能原子核励起が進み易い。
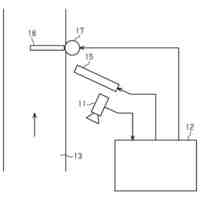
【図面の簡単な説明】
(【0011】以降は省略されています)
この特許をJ-PlatPat(特許庁公式サイト)で参照する
関連特許
個人
常温核融合装置
5か月前
個人
常温核融合装置
5か月前
個人
常温核融合装置
5か月前
個人
トリチウムの除去装置
6か月前
個人
元素変換用固体核融合工程
4か月前
個人
廃炉方法及び固化材
12日前
個人
安山岩を利用した放射線消去装置
3か月前
個人
安山岩を利用した放射線消去装置
4か月前
個人
はんれい岩を利用した放射線消去装置
3か月前
個人
金属製軽水炉使用済核燃料増殖原子炉
6か月前
パテントフレア株式会社
核融合反応促進法
5か月前
パテントフレア株式会社
核融合反応促進法
5か月前
個人
装置、加速器、減速器、核変換システム
5か月前
合同会社日本レプトン
電子発生ペースト
16日前
株式会社エー・アンド・デイ
X線検査装置
5か月前
株式会社エー・アンド・デイ
X線検査装置
5か月前
個人
ホウ素を用いるミューオン触媒核融合システム
6か月前
栗田工業株式会社
放射性廃液の処理方法
12日前
個人
核変換システム、加工装置、除去装置、切除装置
5か月前
PDRファーマ株式会社
遮蔽容器
5か月前
個人
過剰熱発生方法
7か月前
国立大学法人大阪大学
原子力発電装置
4か月前
住友重機械工業株式会社
搬送システム
3か月前
株式会社シェルタージャパン
放射線遮蔽構造
7か月前
浜松ホトニクス株式会社
電子線照射装置
5か月前
個人
共振励起型固体核融合装置と元素変換用固体核融合工程
3か月前
浜松ホトニクス株式会社
電子線照射装置
5か月前
合同会社日本レプトン
電子発生器具及びその製造方法
16日前
合同会社日本レプトン
電子発生器具及びその製造方法
16日前
株式会社アキュサイト
放射性物質の処理装置および方法
6か月前
日揮株式会社
放射性廃棄物の固化処理方法
6か月前
三菱重工業株式会社
加圧容器
1か月前
個人
過剰熱起電力発生方法
4か月前
清水建設株式会社
放射線遮蔽壁
6か月前
合同会社日本レプトン
物質活性化素材及び物質活性化部材
6か月前
株式会社イトーキ
放射線遮蔽扉
3か月前
続きを見る
他の特許を見る