TOP
|
特許
|
意匠
|
商標
特許ウォッチ
Twitter
他の特許を見る
10個以上の画像は省略されています。
公開番号
2025145879
公報種別
公開特許公報(A)
公開日
2025-10-03
出願番号
2024046358
出願日
2024-03-22
発明の名称
排水処理方法および排水処理装置
出願人
水ing株式会社
代理人
個人
,
個人
,
個人
,
個人
主分類
C02F
11/04 20060101AFI20250926BHJP(水,廃水,下水または汚泥の処理)
要約
【課題】メタン発酵の効率を向上させる方法及び装置の提供。
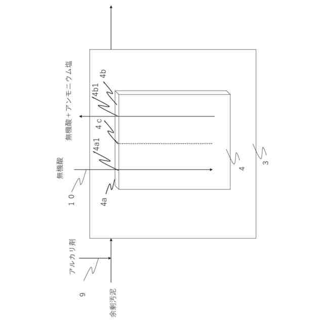
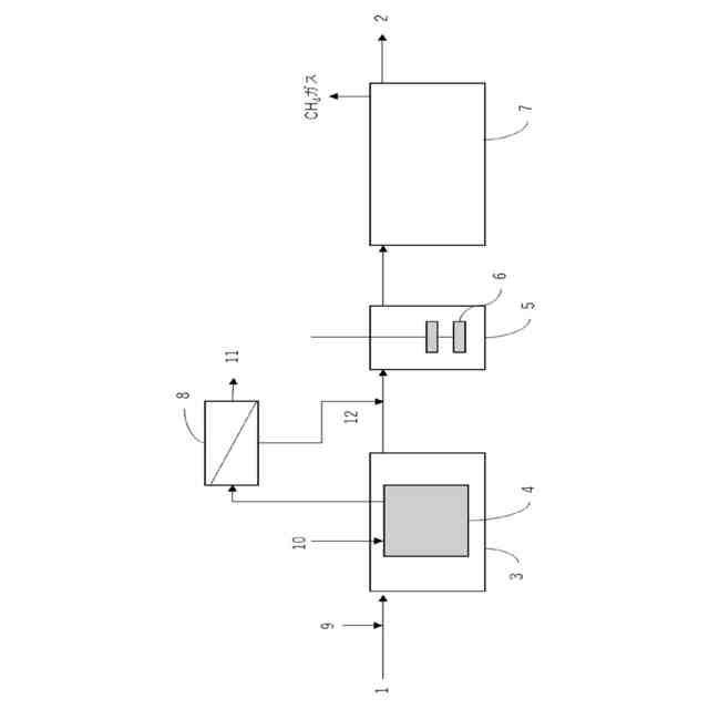
【解決手段】余剰汚泥にアルカリ剤を添加して、余剰汚泥に含まれるアンモニウムイオンをアンモニアガスに変換するアンモニア変換工程と、アンモニアガスを含む余剰汚泥を内部に中空部を有する気液分離膜と接触させ、気液分離膜の中空部で無機酸とアンモニアガスとの反応によりアンモニウム塩を生成させ、アンモニウム塩を余剰汚泥から気液分離する第1分離工程と、第1分離工程からのアンモニウム塩と、アンモニアガスとの反応で消費されなかった余剰の無機酸と、を含む気液分離膜からの分離物を回収して、アンモニウム塩と無機酸とに分離し、無機酸を再生する第2分離工程と、前記第1分離工程からのアンモニアガスが除去された余剰汚泥に、前記第2分離工程からの再生無機酸を添加して易分解化汚泥を得る酸処理工程と、前記酸処理工程からの易分解化汚泥を嫌気性消化処理工程に供する方法とする。
【選択図】図1
特許請求の範囲
【請求項1】
生物処理後に発生する余剰汚泥を嫌気性消化処理する嫌気性消化処理工程を含む排水処理方法であって、
前記余剰汚泥にアルカリ剤を添加して、余剰汚泥に含まれるアンモニウムイオンをアンモニアガスに変換するアンモニア変換工程と、
アンモニアガスを含む余剰汚泥を、内部に中空部を有する気液分離膜と接触させ、気体分離膜の中空部に無機酸を供給して、無機酸とアンモニアガスとの反応により生じるアンモニウム塩を生成させ、アンモニウム塩を余剰汚泥から気液分離する第1分離工程と、
前記第1分離工程において、アンモニウム塩と、アンモニアガスとの反応で消費されなかった余剰の無機酸と、を含む気液分離膜からの分離物を回収して、アンモニウム塩と再生無機酸とに分離する第2分離工程と、
前記第1分離工程で分離されたアンモニアガスが除去された余剰汚泥に、前記第2分離工程で分離された再生無機酸を添加して易分解化汚泥を得る酸処理工程と、
前記酸処理工程からの易分解化汚泥を嫌気性消化処理工程に供することを特徴とする排水処理方法。
続きを表示(約 1,100 文字)
【請求項2】
前記アンモニア変換工程は、60℃以下で行うことを特徴とする請求項1に記載の排水処理方法。
【請求項3】
前記第1分離工程における滞留時間が、0.01時間以上24時間以下であることを特徴とする、請求項1または2に記載の排水処理方法。
【請求項4】
前記第2分離工程で分離した再生無機酸を第1分離工程に導入して無機酸として再利用することを特徴とする、請求項1または2に記載の排水処理方法。
【請求項5】
前記酸処理工程において、前記余剰汚泥のpHが5以下となるように再生無機酸を添加し、余剰汚泥中の微生物の細胞外高分子物質を細分化して易分解化汚泥として、前記嫌気性消化処理工程に供することを特徴とする請求項1または2に記載の排水処理方法。
【請求項6】
生物処理後に発生する余剰汚泥を嫌気性消化処理する嫌気性消化処理槽を含む排水処理装置であって、
前記余剰汚泥に含まれるアンモニウムイオンをアンモニアガスに変換するために余剰汚泥にアルカリ剤を添加するアルカリ剤添加手段と、
アンモニアガスを含む余剰汚泥を導入し、無機酸と接触させてアンモニウム塩を生成させ、アンモニウム塩が除去された余剰汚泥を形成する第1分離装置と、
前記第1分離装置内に設けられている気液分離膜であって、アンモニアガスを含む余剰汚泥を無機酸と接触させて、無機酸とアンモニアガスとの反応により生じるアンモニウム塩を生成させ、アンモニウム塩を余剰汚泥から気液分離するための内部に中空部を有する気液分離膜と、
前記気液分離膜からのアンモニウム塩と、アンモニアガスとの反応で消費されなかった余剰の無機酸と、を含む分離物を回収して、アンモニウム塩と無機酸とに分離する第2分離装置と、
前記第1分離装置からのアンモニアガスが除去された余剰汚泥に、前記第2分離装置で分離された再生無機酸を添加して易分解化汚泥を生成する酸処理槽と、
前記酸処理槽からの易分解化汚泥を嫌気性消化処理する嫌気性消化処理槽と、
を備えることを特徴とする排水処理装置。
【請求項7】
前記第2分離装置で分離された再生無機酸を前記第1分離装置に導入する再生無機酸導入経路をさらに具備することを特徴とする請求項6に記載の排水処理装置。
【請求項8】
前記酸処理槽内の余剰汚泥のpHが5以下となるように再生無機酸の添加量を調節する再生無機酸添加手段をさらに具備することを特徴とする請求項6または7に記載の排水処理装置。
発明の詳細な説明
【技術分野】
【0001】
本発明は、排水処理方法および排水処理装置に関し、特に、アンモニアを含有する有機性排水の処理において、余剰汚泥からアンモニアを除去することによって後段のメタン発酵阻害を緩和し、余剰汚泥からのアンモニア回収に使用した余剰の無機酸を有効活用する排水処理方法および装置に関する。
続きを表示(約 2,200 文字)
【背景技術】
【0002】
汚泥の減容化やメタン発酵の効率化を図るため、メタン発酵槽に導入する汚泥を可溶化する方法が用いられている。汚泥の可溶化技術としては、マイクロ波、オゾン、熱、超音波、アルカリ処理などを利用する方法が知られている。
【0003】
たとえば、汚泥の可溶化技術として、酸と熱を利用したメタン発酵前処理技術が挙げられる。特開2004-275813号公報(特許文献1)には、酸加熱後の汚泥の嫌気性消化を二段階で行う場合に、一段階目の処理液を固液分離し、得られた有機酸溶液を酸加熱工程に戻すことで、添加する強酸の量を減らすことができるとの記載がある。特開2016-221491号公報(特許文献2)には、汚泥をpH11以上のアルカリ性雰囲気で40℃以上100℃以下に加熱することにより汚泥を可溶化処理した後に、嫌気性生物処理することにより、可溶化汚泥の分解によるメタンガスを発生させ、嫌気処理におけるメタンガス発生量を向上させることが開示されている。ただし、これらにはアンモニアに関する記載はなく、メタン発酵の後に高濃度のアンモニアの除去が必要となる。
【0004】
アンモニアを除去する方法として、アンモニアストリッピング法、蒸発濃縮法、触媒湿式酸化法などが知られている。アンモニアストリッピング法は、アンモニア含有排水にアルカリ溶液を添加、加湿後、放散塔に通して、蒸気および空気に接触させて、排水中のアンモニアをガス側に移動させ、さらに高温で触媒酸化させる処理方法であり、放散塔の設備が大型となり、高温での処理が必要となり、触媒酸化時に窒素酸化物が発生するなどの問題がある。蒸発濃縮法は、アンモニア含有排水を加熱、蒸発させ、生成したアンモニア含有蒸気を凝縮し、アンモニア水として回収する処理方法であり、蒸発させるための加温エネルギーコスト、蒸発器などの伝熱面のスケール付着などの問題がある。触媒湿式酸化法は、触媒存在下で100~370℃の温度と圧力をかけてアンモニア含有排水を処理する方法であり、高温、高圧処理が必要となり、安全性およびコストの問題がある。
【0005】
メタン発酵の後にアンモニアを除去する技術として、特開2014-050767号公報(特許文献3)には、消化槽の後段に好気性条件下で生物処理することでアンモニア態窒素を窒素ガスに変化させる技術が記載されている。また、特開2017-018876号公報(特許文献4)にはメタン発酵の消化液に対してアナモックス微生物を用いて脱窒処理を行う方法が記載されている。ただし、これらは消化液中のアンモニア態窒素の除去であり、余剰汚泥からのアンモニア除去は検討されていない。
【0006】
さらに、メタン発酵処理の前処理として事前にアンモニア態窒素を除去してメタン発酵阻害を抑制する技術として、特開2009-50800号公報(特許文献5)には、アンモニア性窒素を含有する有機性廃棄物を加熱処理し、加熱処理された廃棄物からストリッピング操作でアンモニアを回収できることが記載されている。また、特開2002-177994号公報(特許文献6)には、嫌気性消化槽の前にpH10以上および35~100℃の熱アルカリ前処理を行うことによってアンモニアを除去する技術が開示されている。ただし、これらは熱処理によるアンモニア回収であり、熱エネルギーの利用が必須である。
【0007】
さらに、特開2016-83609号公報(特許文献7)には、アンモニア含有排水を処理して硫酸アンモニウム溶液として回収するアンモニア含有排水の処理装置および処理方法が開示されている。アルカリ処理によってアンモニア態窒素をアンモニアにし、それを膜分離後に酸で回収する技術が開示されている。ただし、回収に使用する酸の処理が必要となる。
【先行技術文献】
【特許文献】
【0008】
特開2004-275813号公報
特開2016-221491号公報
特開2009-50800号公報
特開2017-018876号公報
特開2009-50800号公報
特開2002-177994号公報
特開2016-83609号公報
【発明の概要】
【発明の概要】
発明が解決する課題
【0009】
本発明は、熱エネルギーの利用を必要とせずにアンモニア含有排水からアンモニアを分離し、無機酸を使用してアンモニウム塩として回収する際に、使用済みの無機酸を再利用してメタン発酵の効率を向上させる方法及び装置を提供することを目的とする。
【課題を解決するための手段】
【0010】
本発明者は上記課題を解決するため鋭意研究した結果、有機性排水および余剰汚泥中のアンモニア態窒素をアンモニアガスに変換し、膜分離による分離後に無機酸と反応させてアンモニウム塩として回収し、アンモニウム塩および余剰の無機酸から分離した再生無機酸をアンモニア除去後の有機性排水および余剰汚泥に添加して、これらを易分解化した後に嫌気性消化処理に供することによって、メタンガス発生量が増加することを知見し、本発明を完成するに至った。
(【0011】以降は省略されています)
この特許をJ-PlatPat(特許庁公式サイト)で参照する
関連特許
水ing株式会社
排水処理方法および排水処理装置
2日前
東レ株式会社
浄水器
16日前
日本ソリッド株式会社
ダム湖の取水方法
25日前
栗田工業株式会社
排水回収装置
2日前
三浦工業株式会社
汚泥減容方法
3日前
個人
浄水装置
16日前
株式会社エム・アイ・エス
汚泥乾燥装置
17日前
個人
浄水処理システムおよび浄水処理方法
18日前
栗田工業株式会社
電気脱イオン装置
18日前
栗田工業株式会社
用水の水質予測方法
2日前
個人
浄化処理装置
25日前
株式会社バンブーケミカル研究所
流体除菌機器
25日前
栗田工業株式会社
有機物含有排水の処理方法
26日前
株式会社石垣
汚泥性状予測方法及び汚泥性状一定制御方法
6日前
栗田工業株式会社
有機性排水の生物処理方法
9日前
WOTA株式会社
排水処理システム及び排水処理方法
24日前
WOTA株式会社
排水処理システム及び排水処理方法
24日前
WOTA株式会社
排水処理システム及び排水処理方法
24日前
オルガノ株式会社
水処理装置およびその運転方法
1か月前
栗田工業株式会社
水質予測方法及び水質制御方法
2日前
オルガノ株式会社
尿素処理装置および尿素処理方法
3日前
株式会社ササクラ
造水システム
24日前
株式会社ササクラ
造水システム
26日前
パナソニックIPマネジメント株式会社
軟水化装置
26日前
水ing株式会社
排水処理方法及び装置
2日前
オルガノ株式会社
水処理システムおよびその運転方法
4日前
オルガノ株式会社
水処理システムおよびその運転方法
1か月前
水ing株式会社
汚泥処理方法および装置
16日前
栗田工業株式会社
2段電気脱イオンシステムの運転方法
27日前
株式会社フジタ
水処理装置
6日前
有限会社クリーンエコ
環境汚染浄化補助剤を使用する汚水処理システム
16日前
株式会社丸島アクアシステム
曝気装置
16日前
株式会社テックコーポレーション
電解水生成装置
16日前
トヨタ自動車株式会社
二酸化炭素回収装置
16日前
水ing株式会社
排水処理方法および排水処理装置
2日前
鹿島建設株式会社
水処理システムおよび水処理方法
16日前
続きを見る
他の特許を見る