TOP
|
特許
|
意匠
|
商標
特許ウォッチ
Twitter
他の特許を見る
10個以上の画像は省略されています。
公開番号
2025146249
公報種別
公開特許公報(A)
公開日
2025-10-03
出願番号
2024046922
出願日
2024-03-22
発明の名称
電動モータ
出願人
愛知製鋼株式会社
代理人
名古屋国際弁理士法人
主分類
H02K
1/32 20060101AFI20250926BHJP(電力の発電,変換,配電)
要約
【課題】 ロータの回転速が大きくなると、ロータシャフトを支持する軸受に大きな負担が発生する点に鑑みたリラクタンスモータ用ロータの一例を開示する。
【解決手段】 電動モータは、ステータ3の内周面3Gとロータ5の外周面5Fとの隙間Agにオイルを供給するオイル供給部とを備える。これにより、ロータ5とステータ3とは、シャフトとプレーンベアリング滑り軸受と同様な関係となる。つまり、ロータ5がシャフトに相当し、ステータ3の内周面がプレーンベアリングに相当するように機能する。したがって、ロータ5が高速で回転した場合であっても、偏心に起因してロータ5に作用する遠心力を隙間Agに存在するオイルでも受けることが可能となるので、ロータ5を安定的に高速回転させることができ得る。
【選択図】 図9
特許請求の範囲
【請求項1】
ステータと、
前記ステータ内で回転するロータと、
前記ステータの内周面と前記ロータの外周面との隙間にオイルを供給するオイル供給部とを備える電動モータ。
続きを表示(約 340 文字)
【請求項2】
前記ロータには、
当該ロータを冷却するオイルが流通する冷却液通路、及び
前記冷却液通路と当該ロータの外周面とを連通させるオイル通路が設けられており、
さらに、前記オイル供給部は、少なくとも前記オイル通路を有して構成されている請求項1に記載の電動モータ。
【請求項3】
前記ステータには、
回転磁界を誘起する巻線が収納される複数のスロット、及び
前記複数のスロットのうち少なくとも1つのスロットと前記隙間とを連通させる連通路が設けられており、
さらに、前記スロットに冷却用のオイルが流通しているとともに、前記オイル供給部は、少なくとも前記連通路を有して構成されている請求項1に記載の電動モータ。
発明の詳細な説明
【技術分野】
【0001】
本開示は、電動モータに関する。
続きを表示(約 1,200 文字)
【背景技術】
【0002】
電動モータのロータシャフトは、通常、転がり軸受等の軸受により回転可能に支持されている。
【先行技術文献】
【特許文献】
【0003】
特許第4949983号公報
【発明の概要】
【発明が解決しようとする課題】
【0004】
ロータの回転速が大きくなると、ロータシャフトを支持する軸受に大きな負担が発生する。本開示は、当該点に鑑みたリラクタンスモータ用ロータの一例を開示する。
【課題を解決するための手段】
【0005】
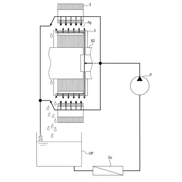
電動モータは、例えば、ステータ(3)と、ステータ(3)内で回転するロータ(5)と、ステータ(3)の内周面(3G)とロータ(5)の外周面(5F)との隙間(Ag)にオイルを供給するオイル供給部(3E、7D)とを備えることが望ましい。
【0006】
これにより、ロータ(5)とステータ(3)とは、シャフトとプレーンベアリング(滑り軸受)と同様な関係となる。つまり、ロータ(5)がシャフトに相当し、ステータ(3)の内周面がプレーンベアリング(メタルともいう。)に相当するように機能する。
【0007】
したがって、ロータ(5)が高速で回転した場合であっても、偏心に起因してロータ(5)に作用する遠心力を隙間(Ag)に存在するオイルでも受けることが可能となるので、ロータ(5)を安定的に高速回転させることができ得る。
【0008】
因みに、上記各括弧内の符号は、後述する実施形態に記載の具体的構成等との対応関係を示す一例であり、本開示は上記括弧内の符号に示された具体的構成等に限定されない。
【図面の簡単な説明】
【0009】
第1実施形態に係るリラクタンスモータを示す図である。
第1実施形態に係るロータを示す図である。
第1実施形態に係るリラクタンス部を示す図である。
第1実施形態に係るリラクタンス部を示す図である。
第1実施形態に係るロータコアの電磁鋼板の断面図である。
第1実施形態に係るエンドプレートを示す図である。
第1実施形態に係るエンドプレートを示す図である。
第1実施形態に係るステータを示す図である。
第1実施形態に係るモータのオイル供給経路を示す図である。
第1実施形態に係る磁気ギャップを示す図である。
第1実施形態に係るステータを示す図である。
第1実施形態に係るステータコアの電磁鋼板の断面図である。
【発明を実施するための形態】
【0010】
以下の「発明の実施形態」は、本開示の技術的範囲に属する実施形態の一例を示すものである。つまり、特許請求の範囲に記載された発明特定事項等は、下記の実施形態に示された具体的構成や構造等に限定されない。
(【0011】以降は省略されています)
この特許をJ-PlatPat(特許庁公式サイト)で参照する
関連特許
愛知製鋼株式会社
電動モータ
11日前
愛知製鋼株式会社
粉体シール部材
6日前
愛知製鋼株式会社
リラクタンスモータ
11日前
愛知製鋼株式会社
希土類磁石粉末の製造方法
11日前
愛知製鋼株式会社
リラクタンスモータ用ロータ
11日前
愛知製鋼株式会社
歯車部材の製造方法、歯車部材、および歯車部材の製造方法に用いられる鍛造金型
15日前
株式会社豊田中央研究所
加工順序の決定装置、加工順序の決定方法、およびコンピュータプログラム
18日前
個人
単極モータ
今日
株式会社アイシン
ロータ
4日前
株式会社アイシン
ロータ
今日
西部電機株式会社
充電装置
7日前
西部電機株式会社
充電装置
7日前
日本精機株式会社
サージ保護回路
7日前
トヨタ自動車株式会社
回転子
11日前
トヨタ自動車株式会社
固定子
5日前
トヨタ自動車株式会社
製造装置
5日前
個人
連続ガウス加速器形磁力増幅装置
7日前
株式会社ミツバ
ブラシレスモータ
6日前
株式会社アイシン
ステータ
4日前
株式会社アイシン
ステータ
4日前
株式会社アイシン
ステータ
4日前
個人
太陽エネルギー収集システム
5日前
株式会社アイシン
ステータ
4日前
株式会社ダイヘン
充電装置
4日前
株式会社ダイヘン
充電装置
4日前
株式会社ダイヘン
充電装置
4日前
カヤバ株式会社
筒型リニアモータ
6日前
株式会社ダイヘン
充電装置
4日前
東京瓦斯株式会社
通信装置
6日前
ユタカ電業株式会社
ケーブルダクト
15日前
ニチコン株式会社
AC入力検出回路
11日前
トヨタ自動車株式会社
被膜形成装置
5日前
株式会社kaisei
発電システム
今日
トヨタ自動車株式会社
ロータ
13日前
日産自動車株式会社
ステータ
12日前
ASTI株式会社
電力変換装置
5日前
続きを見る
他の特許を見る