TOP
|
特許
|
意匠
|
商標
特許ウォッチ
Twitter
他の特許を見る
公開番号
2025147833
公報種別
公開特許公報(A)
公開日
2025-10-07
出願番号
2024048277
出願日
2024-03-25
発明の名称
排気系部品およびその製造方法ならびにフェライト系ステンレス鋼材
出願人
日本製鉄株式会社
代理人
弁理士法人ブライタス
主分類
C22C
38/00 20060101AFI20250930BHJP(冶金;鉄または非鉄合金;合金の処理または非鉄金属の処理)
要約
【課題】母材および溶接部の靭性に優れる排気系部品を提供する。
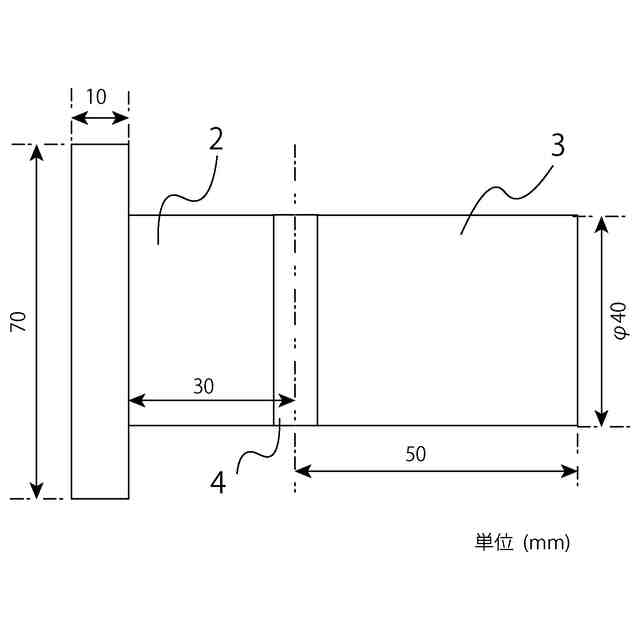
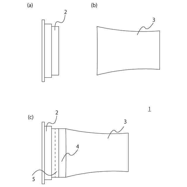
【解決手段】鍛造部品である、第一の部品2と、第一の部品と周溶接された第二の部品3とを備える排気系部品1であって、第一の部品の母材と、第一の部品の溶接熱影響部と、を含み、第一の部品は、所定の化学組成を有するフェライト系ステンレス鋼からなり、第一の部品の母材の硬さは、250HV以下であり、第一の部品の溶接熱影響部5の硬さと、第一の部品の母材の硬さとの差が、30HV以下であり、第一の部品の溶接熱影響部の平均結晶粒径が、500μm以下である、排気系部品。
【選択図】図1
特許請求の範囲
【請求項1】
鍛造部品である、第一の部品と、前記第一の部品と周溶接された第二の部品とを備える排気系部品であって、
前記排気系部品は、前記第一の部品の母材と、前記第一の部品の溶接熱影響部と、を含み、
前記第一の部品は、化学組成が、質量%で、
C:0.001~0.080%、
Si:0.01~2.00%、
Mn:0.01~2.00%、
P:0.20%以下、
S:0.050%以下、
Ni:0.01~4.00%、
Cr:10.0~25.0%、
Nb:0.2~2.0%、
Ti:0.001~2.00%、
V:0.001~2.00%、
N:0.001~0.100%、
Mo:0~4.0%、
Cu:0~3.0%、
B:0~0.10%、
Al:0~4.0%、
W:0~2.5%、
Ga:0~0.05%、
Co:0~2.0%、
Sn:0~2.0%、
Ta:0~2.0%、
Ca:0~0.05%、
Mg:0~0.012%、
Zr:0~0.012%、
REM:0~0.05%、
残部:Feおよび不純物であり、
下記(i)式を満足する、フェライト系ステンレス鋼材からなり、
前記第一の部品の母材の硬さは、250HV以下であり、
前記第一の部品の溶接熱影響部の硬さと、前記第一の部品の母材の硬さとの差が、30HV以下であり、
前記第一の部品の溶接熱影響部の平均結晶粒径は、500μm以下である、排気系部品。
(C+N)(Ti+2Nb+3V)≦0.20 ・・・(i)
但し、上記式中の各元素記号は、フェライト系ステンレス鋼材中に含まれる各元素の含有量(質量%)を表し、含有されない場合はゼロとする。
続きを表示(約 840 文字)
【請求項2】
請求項1に記載の排気系部品の製造方法であって、
フェライト系ステンレス鋼材を熱間鍛造して部品形状にする工程と、
部品形状にされた前記フェライト系ステンレス鋼材を、900~500℃の温度域において、50~400℃/分の冷却速度で冷却し、鍛造部品である、第一の部品とする工程と、
前記第一の部品と前記第二の部品とを、MIG溶接によって、周溶接する工程とを、
備える、排気系部品の製造方法。
【請求項3】
請求項1に記載のフェライト系ステンレス鋼材であって、
化学組成が、質量%で、
C:0.001~0.080%、
Si:0.01~2.00%、
Mn:0.01~2.00%、
P:0.20%以下、
S:0.050%以下、
Ni:0.01~4.00%、
Cr:10.0~25.0%、
Nb:0.2~2.0%、
Ti:0.001~2.00%、
V:0.001~2.00%、
N:0.001~0.100%、
Mo:0~4.0%、
Cu:0~3.0%、
B:0~0.10%、
Al:0~4.0%、
W:0~2.5%、
Ga:0~0.05%、
Co:0~2.0%、
Sn:0~2.0%、
Ta:0~2.0%、
Ca:0~0.05%、
Mg:0~0.012%、
Zr:0~0.012%、
REM:0~0.05%、
残部:Feおよび不純物であり、
下記(i)式を満足する、フェライト系ステンレス鋼材。
(C+N)(Ti+2Nb+3V)≦0.20 ・・・(i)
但し、上記式中の各元素記号は、フェライト系ステンレス鋼材中に含まれる各元素の含有量(質量%)を表し、含有されない場合はゼロとする。
発明の詳細な説明
【技術分野】
【0001】
本発明は、排気系部品およびその製造方法ならびにフェライト系ステンレス鋼材に関する。
続きを表示(約 2,300 文字)
【背景技術】
【0002】
自動車の排気マニホールド、フロントパイプおよびセンターパイプなどの排気系部品は、エンジンから排出される高温の排気ガスを通す。このため、排気系部品を構成する材料には耐酸化性、高温強度、熱疲労特性など多様な特性が要求される。
【0003】
このような特性を満足すべく、排気系部品には、フェライト系ステンレス鋼が使用されている。例えば、特許文献1には、排気系部品への使用が想定されたフェライト系ステンレス鋼が開示されている。
【先行技術文献】
【特許文献】
【0004】
特開2012-112020号公報
【発明の概要】
【発明が解決しようとする課題】
【0005】
排気系部品に製造するために、フェライト系ステンレス鋼からなる素材を溶接する必要があるが、溶接により、母材および溶接部の靭性が低下しやすくなることがある。上記特許文献1に開示されたフェライト系ステンレス鋼を使用して排気系部品を製造する場合、母材および溶接部の靭性に関し、さらに、改善の余地がある。
【0006】
以上を踏まえ、本発明は、母材および溶接部の靭性に優れる排気系部品を提供することを目的とする。
【課題を解決するための手段】
【0007】
本発明は、上記の課題を解決するためになされたものであり、下記の排気系部品およびその製造方法ならびにフェライト系ステンレス鋼材を要旨とする。
【0008】
(1)鍛造部品である、第一の部品と、前記第一の部品と周溶接された第二の部品とを備える排気系部品であって、
前記排気系部品は、前記第一の部品の母材と、前記第一の部品の溶接熱影響部と、を含み、
前記第一の部品は、化学組成が、質量%で、
C:0.001~0.080%、
Si:0.01~2.00%、
Mn:0.01~2.00%、
P:0.20%以下、
S:0.050%以下、
Ni:0.01~4.00%、
Cr:10.0~25.0%、
Nb:0.2~2.0%、
Ti:0.001~2.00%、
V:0.001~2.00%、
N:0.001~0.100%、
Mo:0~4.0%、
Cu:0~3.0%、
B:0~0.10%、
Al:0~4.0%、
W:0~2.5%、
Ga:0~0.05%、
Co:0~2.0%、
Sn:0~2.0%、
Ta:0~2.0%、
Ca:0~0.05%、
Mg:0~0.012%、
Zr:0~0.012%、
REM:0~0.05%、
残部:Feおよび不純物であり、
下記(i)式を満足する、フェライト系ステンレス鋼材からなり、
前記第一の部品の母材の硬さは、250HV以下であり、
前記第一の部品の溶接熱影響部の硬さと、前記第一の部品の母材の硬さとの差が、30HV以下であり、
前記第一の部品の溶接熱影響部の平均結晶粒径は、500μm以下である、排気系部品。
(C+N)(Ti+2Nb+3V)≦0.20 ・・・(i)
但し、上記式中の各元素記号は、フェライト系ステンレス鋼材中に含まれる各元素の含有量(質量%)を表し、含有されない場合はゼロとする。
【0009】
(2)上記(1)に記載の排気系部品の製造方法であって、
フェライト系ステンレス鋼材を熱間鍛造して部品形状にする工程と、
部品形状にされた前記フェライト系ステンレス鋼材を、900~500℃の温度域において、50~400℃/分の冷却速度で冷却し、鍛造部品である、第一の部品とする工程と、
前記第一の部品と前記第二の部品とを、MIG溶接によって、周溶接する工程とを、
備える、排気系部品の製造方法。
【0010】
(3)上記(1)に記載のフェライト系ステンレス鋼材であって、
化学組成が、質量%で、
C:0.001~0.080%、
Si:0.01~2.00%、
Mn:0.01~2.00%、
P:0.20%以下、
S:0.050%以下、
Ni:0.01~4.00%、
Cr:10.0~25.0%、
Nb:0.2~2.0%、
Ti:0.001~2.00%、
V:0.001~2.00%、
N:0.001~0.100%、
Mo:0~4.0%、
Cu:0~3.0%、
B:0~0.10%、
Al:0~4.0%、
W:0~2.5%、
Ga:0~0.05%、
Co:0~2.0%、
Sn:0~2.0%、
Ta:0~2.0%、
Ca:0~0.05%、
Mg:0~0.012%、
Zr:0~0.012%、
REM:0~0.05%、
残部:Feおよび不純物であり、
下記(i)式を満足する、フェライト系ステンレス鋼材。
(C+N)(Ti+2Nb+3V)≦0.20 ・・・(i)
但し、上記式中の各元素記号は、フェライト系ステンレス鋼材中に含まれる各元素の含有量(質量%)を表し、含有されない場合はゼロとする。
【発明の効果】
(【0011】以降は省略されています)
この特許をJ-PlatPat(特許庁公式サイト)で参照する
関連特許
日本製鉄株式会社
鋼材
1か月前
日本製鉄株式会社
鋼材
1か月前
日本製鉄株式会社
鋼材
1か月前
日本製鉄株式会社
鋼材
1か月前
日本製鉄株式会社
ボルト
12日前
日本製鉄株式会社
ボルト
1か月前
日本製鉄株式会社
床構造
12日前
日本製鉄株式会社
剪断機
12日前
日本製鉄株式会社
鋼部品
3日前
日本製鉄株式会社
鋼部品
3日前
日本製鉄株式会社
床構造
12日前
日本製鉄株式会社
橋脚構造
1日前
日本製鉄株式会社
構造部材
22日前
日本製鉄株式会社
管理装置
1か月前
日本製鉄株式会社
鍛鋼ロール
2日前
日本製鉄株式会社
腐食センサ
1日前
日本製鉄株式会社
耐火構造物
24日前
日本製鉄株式会社
耐火構造物
24日前
日本製鉄株式会社
耐火構造物
24日前
日本製鉄株式会社
リクレーマ
1か月前
日本製鉄株式会社
鍛鋼ロール
2日前
日本製鉄株式会社
鋼の製造方法
1か月前
日本製鉄株式会社
学習システム
4日前
日本製鉄株式会社
転炉精錬方法
22日前
日本製鉄株式会社
高Ni合金鋼
1日前
日本製鉄株式会社
高Ni合金板
1か月前
日本製鉄株式会社
高Ni合金鋼
1日前
日本製鉄株式会社
高炉操業方法
1か月前
日本製鉄株式会社
管理システム
1日前
日本製鉄株式会社
溶鉄の製造方法
1か月前
日本製鉄株式会社
高炉の操業方法
3日前
日本製鉄株式会社
ステンレス鋼板
1か月前
日本製鉄株式会社
高炉の冷却構造
1か月前
日本製鉄株式会社
高炉の操業方法
1か月前
日本製鉄株式会社
高炉の操業方法
1か月前
日本製鉄株式会社
溶鉄の製造方法
3日前
続きを見る
他の特許を見る