TOP
|
特許
|
意匠
|
商標
特許ウォッチ
Twitter
他の特許を見る
公開番号
2025150705
公報種別
公開特許公報(A)
公開日
2025-10-09
出願番号
2024051733
出願日
2024-03-27
発明の名称
メタン製造システム及びメタン製造方法
出願人
横河電機株式会社
代理人
個人
,
個人
,
個人
,
個人
主分類
C12M
1/107 20060101AFI20251002BHJP(生化学;ビール;酒精;ぶどう酒;酢;微生物学;酵素学;突然変異または遺伝子工学)
要約
【課題】生成されたメタン中への二酸化炭素ガス混入を抑制し、かつ、培養液中の二酸化炭素と水素の溶解量のモル比をメタン生成に最適化された比率に調整することを容易にするメタン製造システムを提供する。
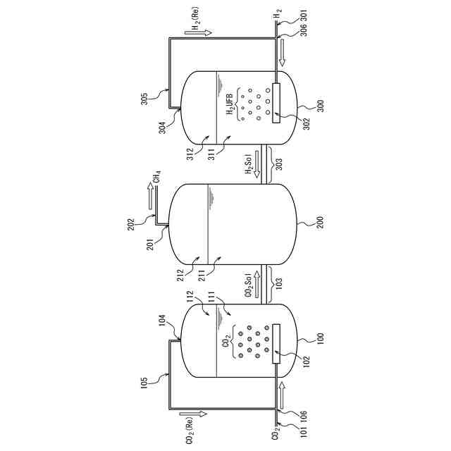
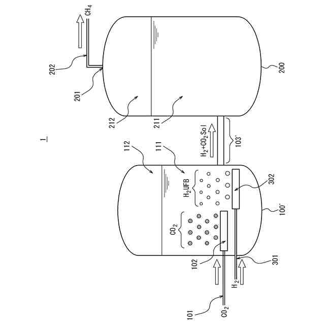
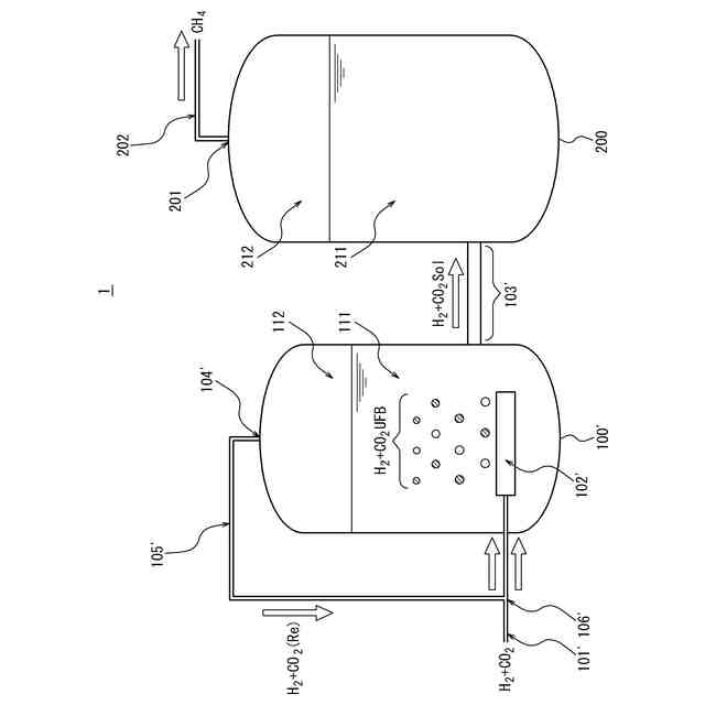
【解決手段】二酸化炭素を水相に溶解するための溶解槽100;水素ウルトラファインバブルを系内に導入するための水素ウルトラファインバブル導入部302;水素ウルトラファインバブル及び溶解した二酸化炭素の存在下でメタン生成菌を培養して、メタンを生成するための、前記溶解槽とは別個の槽である、培養槽200;及び前記溶解槽内の二酸化炭素が溶解した水相を、前記培養槽へ移送するための水相移送手段103を含む、メタン製造システム1。
【選択図】図1
特許請求の範囲
【請求項1】
二酸化炭素を水相に溶解するための溶解槽;
水素ウルトラファインバブルを系内に導入するための水素ウルトラファインバブル導入部;
水素ウルトラファインバブル及び溶解した二酸化炭素の存在下でメタン生成菌を培養して、メタンを生成するための、前記溶解槽とは別個の槽である、培養槽;及び
前記溶解槽内の二酸化炭素が溶解した水相を、前記培養槽へ移送するための水相移送手段
を含む、メタン製造システム。
続きを表示(約 1,200 文字)
【請求項2】
前記水素ウルトラファインバブル導入部が、前記培養槽内に存在する、請求項1に記載のメタン製造システム。
【請求項3】
前記水素ウルトラファインバブル導入部が、前記溶解槽内に存在する、請求項1に記載のメタン製造システム。
【請求項4】
水素ウルトラファインバブルを水相に溶解するための、前記溶解槽及び前記培養槽とは別個の槽である、水素溶解槽;及び
前記水素溶解槽内の水素ウルトラファインバブルが溶解した水相を、前記培養槽へ移送するための水素溶解水相移送手段
をさらに含み、
前記水素ウルトラファインバブル導入部が、前記水素溶解槽内に存在する、
請求項1に記載のメタン製造システム。
【請求項5】
前記溶解槽内の気相を、前記溶解槽内の水相に導入するためのガス再利用流路をさらに含む、請求項2に記載のメタン製造システム。
【請求項6】
前記溶解槽内の気相を、前記水素ウルトラファインバブル導入部に水素ガスを導入するための流路内に導入するためのガス再利用流路をさらに含む、請求項3に記載のメタン製造システム。
【請求項7】
前記溶解槽内の気相を、前記溶解槽内の水相に導入するための第1のガス再利用流路;及び
前記水素溶解槽内の気相を、前記水素ウルトラファインバブル導入部に水素ガスを導入するための流路内に導入するための第2のガス再利用流路
をさらに含む、請求項4に記載のメタン製造システム。
【請求項8】
前記溶解槽内の二酸化炭素が溶解した水相の前記培養槽への移送量を調節するための流量調節部;
系内に導入した水素ウルトラファインバブル量を測定するための水素ウルトラファインバブル量センサ;
前記水素ウルトラファインバブル量センサで測定された水素ウルトラファインバブル量に応じて、前記培養槽内の二酸化炭素:水素のモル比が1:3~1:5の範囲内になるように、前記二酸化炭素供給量調節部をコントロールするためのコントロール部
をさらに含む、請求項1~7のいずれか一項に記載のメタン製造システム。
【請求項9】
(a)溶解槽内で二酸化炭素を水相に溶解する工程;
(b)工程(a)で得られた二酸化炭素が溶解した水相を、前記溶解槽とは別個の槽である培養槽内のメタン生成菌を含む培養液に添加する工程;
(c)水素ウルトラファインバブルを系内に導入する工程;
(d)水素ウルトラファインバブル及び溶解した二酸化炭素を含む培養液中でメタン生成菌を培養して、メタンを生成する工程
を含む、メタン製造方法。
【請求項10】
工程(c)が、前記培養槽内の培養液中で行われる、請求項9に記載のメタン製造方法。
(【請求項11】以降は省略されています)
発明の詳細な説明
【技術分野】
【0001】
本開示は、メタン製造システム及びメタン製造方法に関する。
続きを表示(約 3,600 文字)
【背景技術】
【0002】
メタネーションとは、二酸化炭素と水素からメタンを生成する技術であり、二酸化炭素等の温室効果ガスの排出を全体としてゼロにするカーボンニュートラルの達成に貢献する技術として有望視されている。メタネーションの方式としては、触媒方式、微生物方式等が挙げられる。微生物を用いたメタネーションは、二酸化炭素と水素を培養液中に導入し、培養液内に存在するメタン生成菌によりメタンを合成する手法である。
【先行技術文献】
【特許文献】
【0003】
特開2013-094693号公報
特開2009-011999号公報
欧州特許出願公開第2675904号明細書
【発明の概要】
【発明が解決しようとする課題】
【0004】
ここで、微生物を用いたメタネーションにおいては、メタン生成の最適化の観点から、培養液中に溶解した二酸化炭素と水素のモル比([CO
2
]:[H
2
])が1:4であることがバランスが良く理想的である。しかしながら、二酸化炭素は水に溶解しやすく水素は水に溶解しにくいという溶解度の相違のため、培養槽に1:4のモル比で二酸化炭素ガスと水素ガスとを供給しても、両ガスの溶解量のモル比が1:4とはなりにくい。二酸化炭素と水素の溶解量のモル比が1:4のバランスから大きく外れると、メタン生成効率(二酸化炭素と水素からメタンへの変換効率)が低下し、二酸化炭素がメタン生成のために消費されず余剰二酸化炭素ガスになると、生成したメタンに余剰二酸化炭素ガスが混入してメタンの純度が低下し、さらに、二酸化炭素排出量の低減というメタネーションの目的が達成されないことになり、一方、水素がメタン生成のために消費されず余剰水素ガスになって生成したメタンに混入すると、水素ガスが体積当たりの燃焼エネルギー効率が低いため、メタンの体積当たりの燃焼エネルギー効率が低下する不利益が生じる。
【0005】
そこで、生成されたメタン中への二酸化炭素ガス混入を抑制してメタネーションの目的を達成し、かつ、培養液中の二酸化炭素と水素の溶解量のモル比をメタン生成に最適化された比率に調整することを容易にするメタン製造システムに需要があると考えられる。
【0006】
本開示は、生成されたメタン中への二酸化炭素ガス混入を抑制し、かつ、培養液中の二酸化炭素と水素の溶解量のモル比をメタン生成に最適化された比率に調整することを容易にするメタン製造システムを提供することを目的とする。
【課題を解決するための手段】
【0007】
〔1〕二酸化炭素を水相に溶解するための溶解槽;
水素ウルトラファインバブルを系内に導入するための水素ウルトラファインバブル導入部;
水素ウルトラファインバブル及び溶解した二酸化炭素の存在下でメタン生成菌を培養して、メタンを生成するための、前記溶解槽とは別個の槽である、培養槽;及び
前記溶解槽内の二酸化炭素が溶解した水相を、前記培養槽へ移送するための水相移送手段
を含む、メタン製造システム。
〔2〕前記水素ウルトラファインバブル導入部が、前記培養槽内に存在する、上記〔1〕に記載のメタン製造システム。
〔3〕前記水素ウルトラファインバブル導入部が、前記溶解槽内に存在する、上記〔1〕に記載のメタン製造システム。
〔4〕水素ウルトラファインバブルを水相に溶解するための、前記溶解槽及び前記培養槽とは別個の槽である、水素溶解槽;及び
前記水素溶解槽内の水素ウルトラファインバブルが溶解した水相を、前記培養槽へ移送するための水素溶解水相移送手段
をさらに含み、
前記水素ウルトラファインバブル導入部が、前記水素溶解槽内に存在する、
上記〔1〕に記載のメタン製造システム。
〔5〕前記溶解槽内の気相を、前記溶解槽内の水相に導入するためのガス再利用流路をさらに含む、上記〔2〕に記載のメタン製造システム。
〔6〕前記溶解槽内の気相を、前記水素ウルトラファインバブル導入部に水素ガスを導入するための流路内に導入するためのガス再利用流路をさらに含む、上記〔3〕に記載のメタン製造システム。
〔7〕前記溶解槽内の気相を、前記溶解槽内の水相に導入するための第1のガス再利用流路;及び
前記水素溶解槽内の気相を、前記水素ウルトラファインバブル導入部に水素ガスを導入するための流路内に導入するための第2のガス再利用流路
をさらに含む、上記〔4〕に記載のメタン製造システム。
〔8〕前記溶解槽内の二酸化炭素が溶解した水相の前記培養槽への移送量を調節するための流量調節部;
系内に導入した水素ウルトラファインバブル量を測定するための水素ウルトラファインバブル量センサ;
前記水素ウルトラファインバブル量センサで測定された水素ウルトラファインバブル量に応じて、前記培養槽内の二酸化炭素:水素のモル比が1:3~1:5の範囲内になるように、前記二酸化炭素供給量調節部をコントロールするためのコントロール部
をさらに含む、上記〔1〕~〔7〕のいずれかに記載のメタン製造システム。
〔9〕(a)溶解槽内で二酸化炭素を水相に溶解する工程;
(b)工程(a)で得られた二酸化炭素が溶解した水相を、前記溶解槽とは別個の槽である培養槽内のメタン生成菌を含む培養液に添加する工程;
(c)水素ウルトラファインバブルを系内に導入する工程;
(d)水素ウルトラファインバブル及び溶解した二酸化炭素を含む培養液中でメタン生成菌を培養して、メタンを生成する工程
を含む、メタン製造方法。
〔10〕工程(c)が、前記培養槽内の培養液中で行われる、上記〔9〕に記載のメタン製造方法。
〔11〕工程(c)が、前記溶解槽内の水相中で行われる、上記〔9〕に記載のメタン製造方法。
〔12〕工程(c)が、前記溶解槽及び前記培養槽とは別個の槽である、水素溶解槽内の水相中で行われ、それにより、水素ウルトラファインバブルが前記水素溶解槽内の水相に溶解し、
(c2)工程(c)で得られた水素ウルトラファインバブルが溶解した水相を、前記培養液に添加する工程をさらに含む、
上記〔9〕に記載のメタン製造方法。
〔13〕(a2)前記溶解槽内の気相を、ガス再利用流路を経由して、前記溶解槽内の水相に導入する工程をさらに含む、上記〔10〕に記載のメタン製造方法。
〔14〕(a2’)前記溶解槽内の気相を、ガス再利用流路を経由して、前記水素ウルトラファインバブル導入部に水素ガスを導入するための流路内に導入する工程をさらに含む、上記〔11〕に記載のメタン製造方法。
〔15〕(a2)前記溶解槽内の気相を、第1のガス再利用流路を経由して、前記溶解槽内の水相に導入する工程;及び
(c3)前記水素溶解槽内の気相を、第2のガス再利用流路を経由して、前記水素ウルトラファインバブル導入部に水素ガスを導入するための流路内に導入する工程
をさらに含む、上記〔12〕に記載のメタン製造方法。
〔16〕前記培養槽内の二酸化炭素:水素のモル比が1:3~1:5の範囲内になるようにコントロールされる、上記〔9〕~〔15〕のいずれかに記載のメタン製造方法。
【発明の効果】
【0008】
本開示によれば、生成されたメタン中への二酸化炭素ガス混入を抑制し、かつ、培養液中の二酸化炭素と水素の溶解量のモル比をメタン生成に最適化された比率に調整することを容易にするメタン製造システムを提供することができる。
【図面の簡単な説明】
【0009】
第1の実施形態における本開示のメタン製造システムの構成を示す。
第2の実施形態における本開示のメタン製造システムの構成を示す。
第3の実施形態における本開示のメタン製造システムの構成を示す。
第4の実施形態における本開示のメタン製造システムの構成を示す。
第5の実施形態における本開示のメタン製造システムの構成を示す。
第6の実施形態における本開示のメタン製造システムの構成を示す。
【発明を実施するための形態】
【0010】
以下、必要に応じて図面を参照しながら、本発明を詳細に説明するが、図面は本発明を説明するための例示であり、本発明の技術的範囲は図面による例示により限定されるものではない。
(【0011】以降は省略されています)
この特許をJ-PlatPat(特許庁公式サイト)で参照する
関連特許
横河電機株式会社
測定器
13日前
横河電機株式会社
コントローラ
2日前
横河電機株式会社
藻類培養装置
23日前
横河電機株式会社
温度測定装置
13日前
横河電機株式会社
情報プログラム
2日前
横河電機株式会社
測定装置及び測定方法
10日前
横河電機株式会社
測定装置および測定方法
1か月前
横河電機株式会社
ベースマップの注釈付け
1か月前
横河電機株式会社
研磨用治具および研磨方法
23日前
横河電機株式会社
装置、方法及びプログラム
13日前
横河電機株式会社
測定方法及び測定システム
13日前
横河電機株式会社
光パルス試験器及び測定方法
9日前
横河電機株式会社
フィールド機器及び診断方法
9日前
横河電機株式会社
測定装置および推定システム
1か月前
横河電機株式会社
装置、方法およびプログラム
23日前
横河電機株式会社
装置、方法およびプログラム
24日前
横河電機株式会社
装置、方法およびプログラム
1か月前
横河電機株式会社
装置、方法およびプログラム
3日前
横河電機株式会社
装置、方法、およびプログラム
23日前
横河電機株式会社
装置、方法、およびプログラム
10日前
横河電機株式会社
装置、方法、およびプログラム
3日前
横河電機株式会社
情報処理装置及び情報処理方法
1か月前
横河電機株式会社
水処理システム及び水処理方法
1か月前
横河電機株式会社
菌体培養槽および菌体培養方法
11日前
横河電機株式会社
蛍光読取装置および蛍光読取方法
11日前
横河電機株式会社
細胞穿刺装置及び顕微鏡システム
2日前
横河電機株式会社
分散制御ノード(DCN)冗長性
9日前
横河電機株式会社
細胞穿刺装置及び顕微鏡システム
2日前
横河電機株式会社
制御プログラム及びコントローラ
2日前
横河電機株式会社
メタン生成装置及びメタン生成方法
13日前
横河電機株式会社
表面散乱型濁度計及び濁度測定方法
11日前
横河電機株式会社
測定装置、測定方法、及びプログラム
2日前
横河電機株式会社
制御装置、制御システム及び制御方法
1か月前
横河電機株式会社
解析装置、訓練装置およびプログラム
11日前
横河電機株式会社
測定装置、測定方法、及びプログラム
10日前
横河電機株式会社
測定装置、測定方法、及びプログラム
10日前
続きを見る
他の特許を見る