TOP
|
特許
|
意匠
|
商標
特許ウォッチ
Twitter
他の特許を見る
10個以上の画像は省略されています。
公開番号
2025153817
公報種別
公開特許公報(A)
公開日
2025-10-10
出願番号
2024056469
出願日
2024-03-29
発明の名称
バックドア及び移動体
出願人
三井化学株式会社
代理人
弁理士法人鷲田国際特許事務所
主分類
B60J
5/10 20060101AFI20251002BHJP(車両一般)
要約
【課題】剛性が高いバックドア及び移動体を提供する。
【解決手段】バックドアは、アウタパネル及びインナパネルを有するバックドアであって、インナパネルは、少なくとも一部がインナパネルの外周縁に沿うように延在するピラー部を有し、ピラー部は、延在方向と直交する断面が閉断面である閉断面部を有し、インナパネルは、閉断面部以外の部分において締結部品によりアウタパネルに固定されている。
【選択図】図4
特許請求の範囲
【請求項1】
アウタパネル及びインナパネルを有するバックドアであって、
前記インナパネルは、少なくとも一部が前記インナパネルの外周縁に沿うように延在するピラー部を有し、
前記ピラー部は、延在方向と直交する断面が閉断面である閉断面部を有し、
前記インナパネルは、前記閉断面部以外の部分において締結部品により前記アウタパネルに固定されている、
バックドア。
続きを表示(約 820 文字)
【請求項2】
前記ピラー部は、前記閉断面部以外の部分に、前記延在方向と直交する断面が前記アウタパネルと対向する方向に開口した開断面部を有する、
請求項1に記載のバックドア。
【請求項3】
前記開断面部は、前記締結部品を通り前記延在方向と直交する平面上に位置する、
請求項2に記載のバックドア。
【請求項4】
前記閉断面部は、
第一側板部、
前記第一側板部と前記ピラー部の幅方向に対面する第二側板部、
前記第一側板部の第一端部と前記第二側板部の第一端部とを前記幅方向に接続する第一接続板部、及び
前記第一側板部の第二端部と前記第二側板部の第二端部とを前記幅方向に接続する第二接続板部により構成される、
請求項1に記載のバックドア。
【請求項5】
前記ピラー部は、前記第二接続板部から前記第一接続板部に向かって延在する板状の第一補強部を有する、
請求項4に記載のバックドア。
【請求項6】
前記ピラー部は、前記第一補強部の前記第一接続板部側の端部に設けられた板状の第二補強部を有する、
請求項5に記載のバックドア。
【請求項7】
前記ピラー部は、前記第一補強部の側面に設けられた板状の第三補強部を有する、
請求項5に記載のバックドア。
【請求項8】
前記ピラー部を、外側から覆うピラー覆い部を、更に備え、
前記閉断面部は、前記ピラー覆い部の内側面に沿う部分を有する、
請求項1に記載のバックドア。
【請求項9】
前記ピラー覆い部は、外側に膨出した形状を有する、
請求項8に記載のバックドア。
【請求項10】
移動体本体と、
請求項1~9のいずれか1項に記載のバックドアと、を備えた、
移動体。
発明の詳細な説明
【技術分野】
【0001】
本発明は、バックドア及び移動体に関する。
続きを表示(約 1,300 文字)
【背景技術】
【0002】
従来、自動車等の移動体として、バックドアを備えたものが知られている(特許文献1参照)。
【先行技術文献】
【特許文献】
【0003】
特開2005-1404号公報
【発明の概要】
【発明が解決しようとする課題】
【0004】
ところで、近年では、車体の軽量化を図るためバックドアを構成する部材として樹脂製の部材を用いたバックドアが知られている。このようなバックドアは、剛性が高いことが望まれている。
【0005】
本発明の目的は、剛性が高いバックドア及び移動体を提供することである。
【課題を解決するための手段】
【0006】
本発明に係るバックドアの一態様は、
アウタパネル及びインナパネルを有するバックドアであって、
インナパネルは、少なくとも一部がインナパネルの外周縁に沿うように延在するピラー部を有し、
ピラー部は、延在方向と直交する断面が閉断面である閉断面部を有し、
インナパネルは、閉断面部以外の部分において締結部品によりアウタパネルに固定されている。
【0007】
本発明に係る移動体の一態様は、上述のバックドアを備える。
【発明の効果】
【0008】
本発明によれば、剛性が高いバックドア及び移動体を提供できる。
【図面の簡単な説明】
【0009】
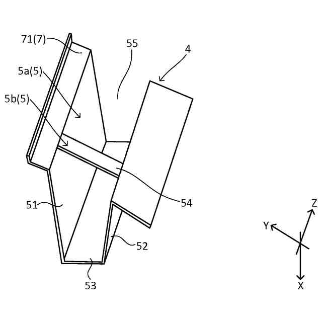
図1は、本発明の実施形態1に係る移動体の斜視図である。
図2は、バックドアの外観を示す模式図である。
図3は、インナパネルの外観を示す模式図である。
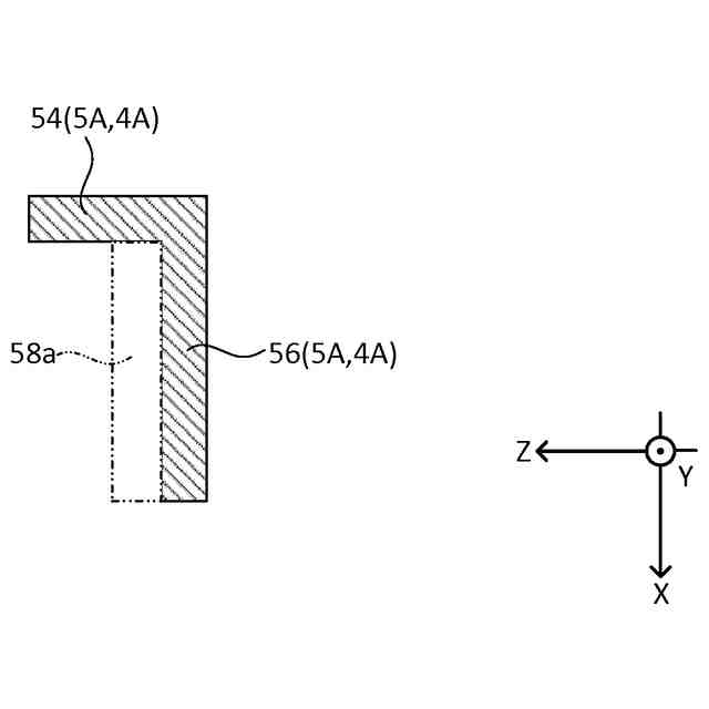
図4は、図3のC
1
-C
1
断面図である。
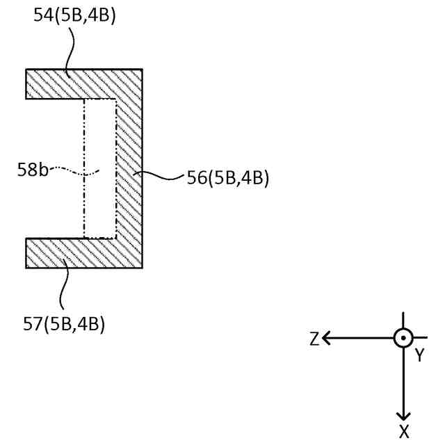
図5は、図3のC
2
-C
2
断面図である。
図6は、図3の領域D
1
におけるピラー部を模式的に示す斜視図である。
図7は、インナパネルの変形例1を模式的に示す斜視図である。
図8Aは、図7のC
3
-C
3
断面に相当する模式図である。
図8Bは、インナパネルの変形例2に関する、図7のC
3
-C
3
断面に相当する模式図である。
図8Cは、インナパネルの変形例3に関する、図7のC
3
-C
3
断面に相当する模式図である。
図8Dは、インナパネルの変形例4に関する、図7のC
3
-C
3
断面に相当する模式図である。
図8Eは、インナパネルの変形例5に関する、図3のC
1
-C
1
断面に相当する模式図である。
【発明を実施するための形態】
【0010】
以下、本発明に係るバックドア及び移動体について、図面に基づいて詳細に説明する。尚、以下で説明するバックドア及び移動体は、本発明に係るバックドア及び移動体の一例であり、本発明は後述の実施形態により限定されない。
(【0011】以降は省略されています)
この特許をJ-PlatPat(特許庁公式サイト)で参照する
関連特許
三井化学株式会社
表示方法
1か月前
三井化学株式会社
混練装置
13日前
三井化学株式会社
ハンガー
1か月前
三井化学株式会社
ペレット
25日前
三井化学株式会社
手術用器具
5日前
三井化学株式会社
充電コネクタ
4日前
三井化学株式会社
センサユニット
27日前
三井化学株式会社
空中結像システム
6日前
三井化学株式会社
ドローン用ブレード
5日前
三井化学株式会社
非水電解液二次電池
1か月前
三井化学株式会社
積層体および緩衝材
26日前
三井化学株式会社
サイドドア及び移動体
25日前
三井化学株式会社
樹脂組成物及び成形体
今日
三井化学株式会社
樹脂組成物及び成形体
今日
三井化学株式会社
自動車内装材用積層体
4日前
三井化学株式会社
バックドア及び移動体
4日前
三井化学株式会社
サイドドアおよび移動体
5日前
三井化学株式会社
サイドドアおよび移動体
5日前
三井化学株式会社
光学プレートの製造方法
1か月前
三井化学株式会社
樹脂組成物および接着剤
4日前
三井化学株式会社
樹脂組成物およびその用途
25日前
三井化学株式会社
光学材料及びその製造方法
15日前
三井化学株式会社
アンダーカバー及び移動体
12日前
三井化学株式会社
繊維および繊維の製造方法
6日前
三井化学株式会社
重合体組成物および成形体
5日前
三井化学株式会社
エチレン共重合体の製造方法
今日
三井化学株式会社
熱可塑性エラストマー組成物
5日前
三井化学株式会社
絶縁電線、コイル及びモータ
6日前
三井化学株式会社
半導体装置及びその製造方法
2か月前
三井化学株式会社
粘着付与剤および粘着性組成物
5日前
三井化学株式会社
極性重合体組成物および成形体
4日前
三井化学株式会社
シート状シール材および積層体
2か月前
三井化学株式会社
半導体装置の製造方法及び積層体
2か月前
三井化学株式会社
繊維強化樹脂組成物および成形体
4日前
三井化学株式会社
多孔質膜及び多孔質膜の製造方法
11日前
三井化学株式会社
ポリアミド樹脂組成物および成形体
1か月前
続きを見る
他の特許を見る