TOP
|
特許
|
意匠
|
商標
特許ウォッチ
Twitter
他の特許を見る
10個以上の画像は省略されています。
公開番号
2025158574
公報種別
公開特許公報(A)
公開日
2025-10-17
出願番号
2024061256
出願日
2024-04-05
発明の名称
光電変換装置、撮像システム、移動体
出願人
キヤノン株式会社
代理人
個人
,
個人
,
個人
,
個人
,
個人
主分類
H04N
25/773 20230101AFI20251009BHJP(電気通信技術)
要約
【課題】 各画素が画素カウンタを持つ構成では、回路規模が増大しやすい。
【解決手段】 第一光電変換部と、前記第一光電変換部における光電変換によって生成した電荷に基づく第一パルス信号を生成する第一パルス生成部と、前記第一パルス信号を計数する第一カウント部と、第二光電変換部と、前記第二光電変換部における光電変換によって生成した電荷に基づく第二パルス信号を生成する第二パルス生成部と、前記第一パルス信号と、前記第二パルス信号と、を含む複数のパルス信号の中からパルス信号の選択を行う切替部と、前記切替部が選択した前記パルス信号を計数する第二カウント部と、を有し、前記切替部が前記パルス信号として前記第一パルス信号を選択した場合と、前記切替部が前記パルス信号として前記第二パルス信号を選択した場合とで、前記選択以降の前記第二カウント部のカウント初期値が異なることを特徴とする光電変換装置。
【選択図】 図1
特許請求の範囲
【請求項1】
第一光電変換部と、
前記第一光電変換部における光電変換によって生成した電荷に基づく第一パルス信号を生成する第一パルス生成部と、
前記第一パルス信号を計数する第一カウント部と、
第二光電変換部と、
前記第二光電変換部における光電変換によって生成した電荷に基づく第二パルス信号を生成する第二パルス生成部と、
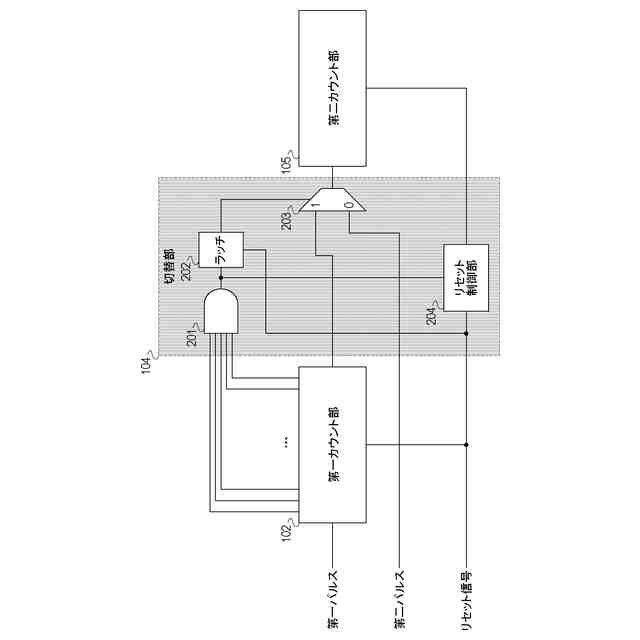
前記第一パルス信号と、前記第二パルス信号と、を含む複数のパルス信号の中からパルス信号の選択を行う切替部と、
前記切替部が選択した前記パルス信号を計数する第二カウント部と、を有し、
前記切替部が前記パルス信号として前記第一パルス信号を選択した場合と、前記切替部が前記パルス信号として前記第二パルス信号を選択した場合とで、前記選択以降の前記第二カウント部のカウント初期値が異なることを特徴とする光電変換装置。
続きを表示(約 1,100 文字)
【請求項2】
前記第一カウント部のカウント値と、前記切替部の選択と、前記第二カウント部のカウント値と、の少なくとも一つを出力する出力部を有することを特徴とする請求項1に記載の光電変換装置。
【請求項3】
前記切替部は、前記第一パルス信号と前記第二パルス信号との選択を行うセレクタ回路と、
前記選択を制御する信号を保持するラッチ回路と、
前記第二カウント部または前記ラッチ回路をリセットするリセット制御部を有することを特徴とする請求項2記載の光電変換装置。
【請求項4】
前記出力部は、前記ラッチ回路に保持された前記信号を出力することを特徴とする請求項3記載の光電変換装置。
【請求項5】
前記切替部は、前記第一カウント部の飽和を示す信号に応じて選択する前記パルス信号を前記第二パルス信号から前記第一パルス信号に切り替えることを特徴とする請求項1記載の光電変換装置。
【請求項6】
前記切替部は、前記第一カウント部の桁上がり信号に応じて選択する前記パルス信号を前記第二パルス信号から前記第一パルス信号に切り替えることを特徴とする請求項1記載の光電変換装置。
【請求項7】
前記第一光電変換部は、第一アバランシェフォトダイオードであり、
前記第二光電変換部は、第二アバランシェフォトダイオードであることを特徴とする請求項1記載の光電変換装置。
【請求項8】
第三光電変換部と、
前記第三光電変換部における光電変換によって生成した電荷に基づく第三パルス信号を生成する第三パルス生成部と、
前記第三パルス信号を計数する第三カウント部と、
第四光電変換部と、
前記第四光電変換部における光電変換によって生成した電荷に基づく第四パルス信号を生成する第四パルス生成部と、
前記第四パルス信号を計数する第四カウント部と、を有し、
前記切替部は、前記第一パルス信号と、前記第二パルス信号と、前記第三パルス信号と、前記第四パルス信号と、を含む複数のパルス信号のいずれかを選択することを特徴とする請求項1に記載の光電変換装置。
【請求項9】
前記第一光電変換部と、前記第三光電変換部と、前記第四光電変換部と、はそれぞれ異なる波長域に対応したカラーフィルターを有する光電変換素子であることを特徴とする請求項8に記載の光電変換装置。
【請求項10】
前記第一光電変換部と、前記第二光電変換部と、前記第三光電変換部と、前記第四光電変換部と、は2行2列に配置される
ことを特徴とする請求項9に記載の光電変換装置。
(【請求項11】以降は省略されています)
発明の詳細な説明
【技術分野】
【0001】
本発明は、光電変換装置、撮像システム、移動体に関する。
続きを表示(約 2,100 文字)
【背景技術】
【0002】
単一光子レベルの微弱光を検出可能な検出器として、単一光子アバランシェダイオード(SPAD:Single Photon Avalanche Diode)が知られている。SPADは、半導体のpn接合部に誘起された強電界により発生するアバランシェ増倍現象を用いることで、光子により励起された信号電荷を数倍~数百万倍程度に増幅するものである。アバランシェ増倍現象により発生した電流をパルス信号に変換し、そのパルス信号の数をカウントすることで、入射するフォトンの個数を計測することが可能となる。このような光電変換装置において回路規模の増大を抑制するため、特許文献1、特許文献2には、SPAD画素のカウント値が所定の値以上になった場合に周辺のSPAD画素のカウンタにて計数を行う技術が開示されている。
【先行技術文献】
【特許文献】
【0003】
特開2019-140537号公報
特開2021-022875号公報
【発明の概要】
【発明が解決しようとする課題】
【0004】
明るいシーンの撮像では、カウント値が所定の値以上になった画素周辺の画素におけるカウント値も高くなることが予想され、多くのBit数を持ったカウンタ回路が必要となるため、回路規模の抑制に検討の余地がある。
【課題を解決するための手段】
【0005】
本発明の一つの側面は、第一光電変換部と、前記第一光電変換部における光電変換によって生成した電荷に基づく第一パルス信号を生成する第一パルス生成部と、前記第一パルス信号を計数する第一カウント部と、第二光電変換部と、前記第二光電変換部における光電変換によって生成した電荷に基づく第二パルス信号を生成する第二パルス生成部と、前記第一パルス信号と、前記第二パルス信号と、を含む複数のパルス信号の中からパルス信号の選択を行う切替部と、前記切替部が選択した前記パルス信号を計数する第二カウント部と、を有し、前記切替部が前記パルス信号として前記第一パルス信号を選択した場合と、前記切替部が前記パルス信号として前記第二パルス信号を選択した場合とで、前記選択以降の前記第二カウント部のカウント初期値が異なることを特徴とする光電変換装置。
【発明の効果】
【0006】
本発明によれば、光電変換装置の回路規模を削減することができる。
【図面の簡単な説明】
【0007】
第1の実施の形態に係る光電変換装置の構成例を示すブロック図である。
第1の実施の形態に係る光電変換装置の構成例を示すブロック図である。
第1の実施の形態に係る計数処理のタイミングチャートである。
第2の実施の形態に係る光電変換装置の構成例を示すブロック図である。
第3の実施の形態に係る光電変換装置の画素回路の駆動を示す模式図である。
第3の実施の形態に係る光電変換装置の構成例を示すブロック図である。
第3の実施の形態に係る撮像処理のタイミングチャートである。
第3の実施の形態に係る光電変換装置の検知部の構成例を示すブロック図である。
第3の実施の形態に係る光電変換装置の画素値補正部で使用する補正値を説明する図である。
第4の実施の形態に係る光電変換装置の構成例を示すブロック図である。
第4の実施の形態におけるA/D変換処理のタイミングチャートである。
第5の実施の形態に係る光電変換装置の構成例を示すブロック図である。
第5の実施の形態に係る光電変換装置の構成例を示すブロック図である。
第6の実施形態にかかる光電変換システムの機能ブロック図である。
【発明を実施するための形態】
【0008】
以下に示す形態は、本発明の技術思想を具体化するためのものであって、本発明を限定するものではない。各図面が示す部材の大きさや位置関係は、説明を明確にするために誇張していることがある。以下の説明において、同一の構成については同一の番号を付して説明を省略することがある。
【0009】
以下、図面に基づいて本発明の実施の形態を詳細に説明する。なお、以下の説明では、必要に応じて特定の方向や位置を示す用語(例えば、「上」、「下」、「右」、「左」及び、それらの用語を含む別の用語)を用いる。それらの用語の使用は図面を参照した実施形態の理解を容易にするためであって、それらの用語の意味によって本発明の技術的範囲が限定されるものではない。
【0010】
本明細書において、平面視とは、半導体層の光入射面に対して垂直な方向から視ることである。また、断面視とは、半導体層の光入射面と垂直な方向における面をいう。なお、微視的に見て半導体層の光入射面が粗面である場合は、巨視的に見たときの半導体層の光入射面を基準として平面視を定義する。
(【0011】以降は省略されています)
この特許をJ-PlatPat(特許庁公式サイト)で参照する
関連特許
キヤノン株式会社
トナー
11日前
キヤノン株式会社
トナー
11日前
キヤノン株式会社
トナー
11日前
キヤノン株式会社
トナー
16日前
キヤノン株式会社
現像容器
9日前
キヤノン株式会社
撮像装置
1か月前
キヤノン株式会社
電子機器
20日前
キヤノン株式会社
電子機器
1か月前
キヤノン株式会社
表示装置
23日前
キヤノン株式会社
発光装置
23日前
キヤノン株式会社
撮像装置
16日前
キヤノン株式会社
電子機器
1か月前
キヤノン株式会社
測距装置
4日前
キヤノン株式会社
定着装置
1か月前
キヤノン株式会社
定着装置
1か月前
キヤノン株式会社
記録装置
1か月前
キヤノン株式会社
記録装置
16日前
キヤノン株式会社
収容装置
24日前
キヤノン株式会社
撮像装置
12日前
キヤノン株式会社
電子機器
24日前
キヤノン株式会社
電子機器
18日前
キヤノン株式会社
現像装置
9日前
キヤノン株式会社
現像容器
9日前
キヤノン株式会社
現像装置
9日前
キヤノン株式会社
定着装置
1か月前
キヤノン株式会社
撮像装置
24日前
キヤノン株式会社
撮影装置
9日前
キヤノン株式会社
撮像装置
1か月前
キヤノン株式会社
電子機器
24日前
キヤノン株式会社
記録装置
9日前
キヤノン株式会社
現像装置
2日前
キヤノン株式会社
撮像装置
1か月前
キヤノン株式会社
記録装置
1か月前
キヤノン株式会社
定着装置
24日前
キヤノン株式会社
定着装置
10日前
キヤノン株式会社
定着装置
1か月前
続きを見る
他の特許を見る