TOP
|
特許
|
意匠
|
商標
特許ウォッチ
Twitter
他の特許を見る
公開番号
2025000438
公報種別
公開特許公報(A)
公開日
2025-01-07
出願番号
2023100293
出願日
2023-06-19
発明の名称
クレーン装置
出願人
株式会社タダノ
代理人
個人
,
個人
主分類
B66C
13/00 20060101AFI20241224BHJP(巻上装置;揚重装置;牽引装置)
要約
【課題】装置の形式や仕様にかかわらず死角を排除でき、或いは操縦者の要望に応じて死角を排除できるクレーン装置を提供する。
【解決手段】クレーン装置12は、安全装置17を備える。安全装置17は、広角カメラ18と、キャビンに設置されたディスプレイ84と、コントローラ70とを備える。広角カメラ18は、ブームの上面に設置されており、ブームの先端部の周囲の領域、ブームの上面に面した領域、ブームの側方領域、キャビンの後方領域を撮像範囲とする。コントローラ70は、仕様に応じてメモリ72に記憶された第1指定情報と、操縦者による画面指定を示す第2指定情報とに基づいて、ディスプレイ84に表示させる監視画像の種類を決定し、広角カメラ18が出力した撮像画像データに基づいて、決定した種類の監視画像を示す監視画像データを生成する。
【選択図】図1
特許請求の範囲
【請求項1】
旋回台と、
上記旋回台に搭載され、且つ操縦装置が設置されたキャビンと、
上記旋回台に起伏可能に設けられ、且つ伸縮可能なブームと、
上記ブームの倒伏姿勢における上面に取り付けられた広角カメラ、コントローラ、及びディスプレイを有する安全装置と、を備え、
上記コントローラは、
上記広角カメラが生成した撮像画像データに基づいて監視画像データを生成する生成処理と、
上記監視画像データが示す監視画像を上記ディスプレイに表示させる表示処理と、を実行するクレーン装置。
続きを表示(約 1,800 文字)
【請求項2】
上記コントローラは、
指定情報を取得する指定情報取得処理をさらに実行し、
上記生成処理は、
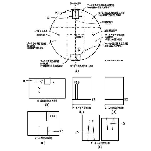
上記撮像画像データが示す撮像画像に映る上記ブームの先端に応じた第1補正基準に基づいて上記撮像画像データを補正してブーム先端監視画像データを生成する第1処理と、
上記撮像画像データが示す撮像画像に映る領域であって上記ブームの側方となる領域における所定の第2補正基準に基づいて上記撮像画像データを補正してブーム側方監視画像データを生成する第2処理と、
上記撮像画像データが示す撮像画像に映る領域であって上記ブームの上面に面する領域における所定の第3補正基準に基づいて上記撮像画像データを補正してブーム上面側監視画像データを生成する第3処理と、
上記撮像画像データが示す撮像画像に映る上記ブームの基端に応じた第4補正基準に基づいて上記撮像画像データを補正して後方監視画像データを生成する第4処理とのうち、上記指定情報が示す一或いは複数の処理である、請求項1に記載のクレーン装置。
【請求項3】
上記ブームの起伏角度を示す第1検出値を出力する起伏角度センサをさらに備え、
上記第4処理は、
上記第4補正基準に基づいて上記撮像画像データを補正する処理と、
上記第1検出値が示す上記起伏角度に基づいて視点を変換する変換処理と、を含み、
上記後方監視画像データが示す後方監視画像は、上記キャビンの後方を示す俯瞰画像である、請求項2に記載のクレーン装置。
【請求項4】
上記ブームの起伏角度を示す第1検出値を出力する起伏角度センサをさらに備え、
上記第2処理は、
上記第2補正基準に基づいて上記撮像画像データを補正する処理と、
上記第1検出値が示す上記起伏角度に応じた回転角度で上記ブーム側方監視画像データが示す監視画像であるブーム側方監視画像を回転する回転処理と、をさらに含む、請求項2に記載のクレーン装置。
【請求項5】
上記ブームの起伏角度を示す第1検出値を出力する起伏角度センサをさらに備え、
上記コントローラは、上記指定情報が上記第3処理の実行を示すことに基づいて上記第3処理を実行し、
上記第1検出値が示す起伏角度の時間変化により上記ブームが起立中である判断したことに基づいて、上記表示処理の実行前に、上記第3処理で生成した上記ブーム上面側監視画像データが示すブーム上面側監視画像を拡大する第1拡大処理を実行する、請求項2に記載のクレーン装置。
【請求項6】
上記旋回台の旋回角度を示す第2検出値を出力する旋回角センサをさらに備え、
上記ブーム側方監視画像データは、ブームの左側方を示すブーム左側方監視画像データ及びブームの右側方を示すブーム右側方監視画像データを含み、
上記コントローラは、
上記指定情報が上記第2処理の実行を示すことに基づいて上記第2処理を実行し、
上記第2検出値により左旋回と判断したことに基づいて、上記表示処理の実行前に、上記第2処理で生成した上記ブーム左側方監視画像データが示すブーム左側方監視画像を拡大する第2拡大処理を実行し、
上記第2検出値により右旋回と判断したことに基づいて、上記表示処理の実行前に、上記第2処理で生成した上記ブーム右側方監視画像データが示すブーム右側方監視画像を拡大する第3拡大処理を実行する、請求項2に記載のクレーン装置。
【請求項7】
上記ブームは、ベースブームを含む複数の筒体を有し、
上記広角カメラは、上記ベースブームに設けられている、請求項1に記載のクレーン装置。
【請求項8】
上記ブームの伸長長さを示す第3検出値を出力するブーム長さセンサをさらに備え、
上記ブームは、ベースブームを含む複数の筒体を有し、
上記広角カメラは、上記ベースブームに設けられ、
上記第1処理は、
上記第1補正基準に基づいて上記撮像画像データを補正する処理と、
上記第3検出値に応じた拡大倍率で拡大する第4拡大処理と、を含む、請求項2に記載のクレーン装置。
【請求項9】
上記広角カメラの画角は、180度以上である、請求項1に記載のクレーン装置。
発明の詳細な説明
【技術分野】
【0001】
本発明は、旋回、起伏、及び伸縮可能なブームを備えたクレーン装置に関する。
続きを表示(約 2,100 文字)
【背景技術】
【0002】
特許文献1は、旋回台と、旋回台に搭載されたブームと、を備えたクレーン装置を開示する。ブームは、起伏可能且つ伸縮可能である。ブームの先端部には、安全装置としてのセンサが設けられている。センサは、ブームの先端部に接近する障害物を検知する。
【先行技術文献】
【特許文献】
【0003】
WO2022-092093号公報
【発明の概要】
【発明が解決しようとする課題】
【0004】
ところで、クレーン装置の形式は、ラフテレーンクレーンやオールテレーンクレーン等の移動式のほか、タワークレーン等の固定式もある。同形式のクレーン装置であっても、仕様(機種)によってサイズや作業半径等が異なり、作業中の操縦者の死角となる領域が変わる。例えば一の機種ではブームの上面側の領域が死角となり、他の機種ではブームの先端周辺の領域が死角となり、さらに場合によっては、これら双方の領域が死角となる。このように、ブームにおいて監視したい死角となる領域は、クレーン装置の機種によって変わる。
【0005】
作業の安全を確保するため、操縦者が上記領域を監視することができ、死角を排除する対策が要請される。しかしながら、クレーン装置の仕様により変化する死角を上記センサを用いて監視することは困難である。しかも、上記領域(排除したい死角)は、実際にブームを操作する操縦者の要望によっても異なるという事情がある。
【0006】
本発明は、かかる背景のもとになされたものであり、その目的は、装置の形式や仕様にかかわらず死角を排除でき、或いは操縦者の要望に応じて死角を排除できるクレーン装置を提供することである。
【課題を解決するための手段】
【0007】
(1) 本発明に係るクレーン装置は、旋回台と、上記旋回台に搭載され、且つ操縦装置が設置されたキャビンと、上記旋回台に起伏可能に設けられ、且つ伸縮可能なブームと、上記ブームの倒伏姿勢における上面に取り付けられた広角カメラ、コントローラ、及びディスプレイを有する安全装置と、を備える。上記コントローラは、上記広角カメラが生成した撮像画像データに基づいて監視画像データを生成する生成処理と、上記監視画像データが示す監視画像を上記ディスプレイに表示させる表示処理と、を実行する。
【0008】
広角カメラは、ブームの上面に取り付けられているから、ブームの先端部周りの領域、ブームの側方領域、ブームの上面に面する領域、及びブームの基端の周囲である後方領域をまとめて撮像することができる。コントローラは、例えばメモリに予め記憶された設定が示す領域或いは操縦者が指定する領域について、撮像画像データから監視画像データを生成し(生成処理)、当該監視画像データをディスプレイに入力して、監視画像をディスプレイに表示させる(表示処理)。したがって、安全装置は、死角となる領域であって、形式や仕様によって決まる領域或いは操縦者が要望する領域が、ブームの先端周りの領域であっても、ブームの側方領域であっても、ブームの上面に面する領域であっても、ブームの基端周りの後方領域であっても、当該領域を映した監視画像をディスプレイに表示させることができる。したがって、本発明に係るクレーン装置は、形式や仕様にかかわらず死角を排除でき、或いは操縦者の要望に応じて死角を排除できる。
【0009】
(2) 上記コントローラは、指定情報を取得する指定情報取得処理をさらに実行してもよい。上記生成処理は、上記撮像画像データが示す撮像画像に映る上記ブームの先端に応じた第1補正基準に基づいて上記撮像画像データを補正してブーム先端監視画像データを生成する第1処理と、上記撮像画像データが示す撮像画像に映る領域であって上記ブームの側方となる領域における所定の第2補正基準に基づいて上記撮像画像データを補正してブーム側方監視画像データを生成する第2処理と、上記撮像画像データが示す撮像画像に映る領域であって上記ブームの上面に面する領域における所定の第3補正基準に基づいて上記撮像画像データを補正してブーム上面側監視画像データを生成する第3処理と、上記撮像画像データが示す撮像画像に映る上記ブームの基端に応じた第4補正基準に基づいて上記撮像画像データを補正して後方監視画像データを生成する第4処理とのうち、上記指定情報が示す一或いは複数の処理である。
【0010】
指定情報は、例えば上記コントローラが有するメモリに予め記憶されており、或いは操縦者がコントローラに入力する。コントローラは、指定情報をメモリから読み出し、或いは操縦者による指定情報の入力を受け付けて取得する。コントローラは、第1処理から第4処理までのうち、指定情報が指定する処理を生成処理として実行して監視画像データを生成する。したがって、クレーン装置の形式や仕様に応じた適切な監視画像がディスプレイに表示され、或いは操縦者が指定した適切な監視画像がディスプレイに表示される。
(【0011】以降は省略されています)
この特許をJ-PlatPat(特許庁公式サイト)で参照する
関連特許
株式会社タダノ
荷重検出装置
10日前
株式会社タダノ
フック位置検出装置
22日前
個人
自走手摺
2か月前
ユニパルス株式会社
吊具
4か月前
個人
海上コンテナ昇降装置
10か月前
ユニパルス株式会社
荷役装置
9か月前
ユニパルス株式会社
吊具装置
10か月前
株式会社豊田自動織機
産業車両
28日前
ユニパルス株式会社
リフト装置
4か月前
株式会社豊田自動織機
荷役車両
8か月前
株式会社豊田自動織機
荷役車両
9か月前
株式会社いうら
車椅子用昇降機
2か月前
株式会社豊田自動織機
産業車両
10か月前
水戸工業株式会社
吊り具
6か月前
愛知製鋼株式会社
受け架台
1か月前
大栄産業株式会社
クランプ
4か月前
個人
垂直自動搬送機
29日前
ユニパルス株式会社
荷役助力装置
3か月前
ユニパルス株式会社
荷役助力装置
5か月前
株式会社大林組
安全支援システム
1か月前
白山工業株式会社
バランサ
6か月前
ユニパルス株式会社
荷役助力装置
4か月前
株式会社伊藤
滑り止め装置
2か月前
個人
エアバック式レスキュー用品
2日前
株式会社ユピテル
システム等
6か月前
個人
建築部材の吊り上げ装置
11か月前
株式会社キトー
タイヤ用吊具
5か月前
大和ハウス工業株式会社
吊上具
1か月前
新英運輸株式会社
自動車用台車
5か月前
フジテック株式会社
エレベータ
8か月前
株式会社五十鈴製作所
搬送装置
4か月前
株式会社豊田自動織機
フォークリフト
7か月前
株式会社豊田自動織機
フォークリフト
21日前
中国計量大学
電子安全クランプ
10日前
山崎産業株式会社
手摺り拭用器具
1か月前
中坪造園有限会社
吊り荷降ろし具
4か月前
続きを見る
他の特許を見る