TOP
|
特許
|
意匠
|
商標
特許ウォッチ
Twitter
他の特許を見る
10個以上の画像は省略されています。
公開番号
2025015315
公報種別
公開特許公報(A)
公開日
2025-01-30
出願番号
2023118644
出願日
2023-07-20
発明の名称
船外機および船舶
出願人
ヤマハ発動機株式会社
代理人
個人
主分類
B63H
25/42 20060101AFI20250123BHJP(船舶またはその他の水上浮揚構造物;関連艤装品)
要約
【課題】船外機本体の船体への取付構造を簡易化しながら、船体に対して船外機本体を左右方向に回動可能な角度範囲を大きくすることが可能な船外機を提供する。
【解決手段】この船外機100では、転舵部30は、船体110に対してロワーケース12a(第1ロワー部)を左右方向に回動させる第1転舵部31と、船体110に対してロワーケース12aおよび第1転舵部収容ケース12b(第2ロワー部)を一体的に左右方向に回動させる第2転舵部32と、を含む。また、転舵部30は、船体110に対してカウル11(アッパー部)を左右方向に回動させないように構成されている。
【選択図】図3
特許請求の範囲
【請求項1】
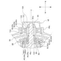
プロペラが設けられた第1ロワー部と、前記第1ロワー部の上方に配置された第2ロワー部とを有するロワー部と、前記プロペラの駆動源が設けられ、前記ロワー部の上方に配置されたアッパー部と、を含み、船体に対してブラケットを介して取り付けられている船外機本体と、
前記船体に対して前記アッパー部を左右方向に回動させないように構成されているとともに、前記船体に対して前記ロワー部を左右方向に回動させるように構成されている転舵部と、を備え、
前記転舵部は、前記船体に対して前記第1ロワー部を左右方向に回動させる第1転舵部と、前記船体に対して前記第1ロワー部および前記第2ロワー部を一体的に左右方向に回動させる第2転舵部と、を含む、船外機。
続きを表示(約 1,100 文字)
【請求項2】
前記第1転舵部と前記第2転舵部とは、互いに独立して動作可能に構成されている、請求項1に記載の船外機。
【請求項3】
前記第1転舵部は、前記船体に対して前記第1ロワー部を前記船外機本体に設けられた第1転舵軸回りに左右方向に回動させるように構成されており、
前記第2転舵部は、前記船体に対して前記第1ロワー部および前記第2ロワー部を一体的に前記第1転舵軸とは別個に前記船外機本体に設けられた第2転舵軸回りに左右方向に回動させるように構成されている、請求項2に記載の船外機。
【請求項4】
前記第1転舵部により前記船体に対して前記第1ロワー部を左右方向に回動可能な第1角度範囲は、前記第2転舵部により前記船体に対して前記第1ロワー部および前記第2ロワー部を一体的に左右方向に回動させる第2角度範囲よりも大きく設定されている、請求項3に記載の船外機。
【請求項5】
前記第1転舵部は、前記船体に対して前記第1ロワー部を左右方向に回動させるための駆動源としての電動モータを含み、
前記第2転舵部は、前記船体に対して前記第1ロワー部および前記第2ロワー部を一体的に左右方向に回動させるための駆動源としての油圧ポンプを含む、請求項4に記載の船外機。
【請求項6】
前記第1角度範囲は、360度に設定されている、請求項4に記載の船外機。
【請求項7】
前記第1転舵軸は、前記船外機本体において、前記第2転舵軸よりも後方に配置されている、請求項3に記載の船外機。
【請求項8】
前記第1ロワー部に設けられ、前記プロペラとともに回転するプロペラシャフトと、
前記プロペラの駆動源の駆動力を前記プロペラシャフトに伝達するドライブシャフトと、をさらに備え、
前記ドライブシャフトは、前記第1転舵軸と同軸上に配置された第1ドライブシャフトと、前記第2転舵軸と同軸上に配置された第2ドライブシャフトと、を含む、請求項3に記載の船外機。
【請求項9】
前記第1ドライブシャフトは、中空状の前記第1転舵軸の内部を貫通しており、
前記第2ドライブシャフトは、中空状の前記第2転舵軸の内部を貫通している、請求項8に記載の船外機。
【請求項10】
前記第2転舵部により、互いに隣り合う前記船外機同士の間で前記第1転舵軸同士が離れるように、前記船体に対して前記第1ロワー部および前記第2ロワー部を一体的に前記第2転舵軸回りに左右方向に回動させた状態で、前記第1転舵部により、前記船体に対して前記第1ロワー部を前記第1転舵軸回りに左右方向に回動させるように構成されている、請求項3に記載の船外機。
(【請求項11】以降は省略されています)
発明の詳細な説明
【技術分野】
【0001】
この発明は、船外機および船舶に関する。
続きを表示(約 2,500 文字)
【背景技術】
【0002】
従来、船体に対してロワー部を左右方向に回動させる船外機が知られている(たとえば、特許文献1参照)。
【0003】
上記特許文献1には、プロペラが設けられたロワー部と、プロペラの駆動源が設けられたアッパー部と、を含む船外機本体と、船体に対してアッパー部およびロワー部を一体的に左右方向に回動させる第1転舵機構と、船体に対してロワー部を左右方向に回動させる第2転舵機構と、を備える船外機が記載されている。
【先行技術文献】
【特許文献】
【0004】
特開2023-26904号公報
【発明の概要】
【発明が解決しようとする課題】
【0005】
しかしながら、上記特許文献1に記載の船外機では、第1転舵機構による船体に対するアッパー部およびロワー部の一体的な左右方向への回動と、第2転舵機構による船体に対するロワー部の左右方向への回動とを組み合わせることによって、船体に対して船外機本体を左右方向に回動可能な角度範囲を比較的大きくすることができるものの、プロペラの駆動源が設けられるアッパー部を回動させる必要がある。この場合、アッパー部を回動させる際に、船体とアッパー部との間で接続される電気配線、燃料チューブ等が、左右方向に振られるのを考慮して、船外機本体を船体に取り付ける必要があるので、船外機本体の船体への取付構造が比較的複雑となる。このため、船外機本体の船体への取付構造を簡素化しながら、船体に対して船外機本体を左右方向に回動可能な角度範囲を大きくすることが可能な構成が望まれている。
【0006】
この発明は、上記のような課題を解決するためになされたものであり、この発明の1つの目的は、船外機本体の船体への取付構造を簡易化しながら、船体に対して船外機本体を左右方向に回動可能な角度範囲を大きくすることが可能な船外機および船舶を提供することである。
【課題を解決するための手段】
【0007】
上記目的を達成するために、この発明の第1の局面による船外機は、プロペラが設けられた第1ロワー部と、第1ロワー部の上方に配置された第2ロワー部とを有するロワー部と、プロペラの駆動源が設けられ、ロワー部の上方に配置されたアッパー部と、を含み、船体に対してブラケットを介して取り付けられている船外機本体と、船体に対してアッパー部を左右方向に回動させないように構成されているとともに、船体に対してロワー部を左右方向に回動させるように構成されている転舵部と、を備え、転舵部は、船体に対して第1ロワー部を左右方向に回動させる第1転舵部と、船体に対して第1ロワー部および第2ロワー部を一体的に左右方向に回動させる第2転舵部と、を含む。
【0008】
この発明の第1の局面による船外機では、上記のように、転舵部は、船体に対して第1ロワー部を左右方向に回動させる第1転舵部と、船体に対して第1ロワー部および第2ロワー部を一体的に左右方向に回動させる第2転舵部と、を含む。これにより、第1転舵部による船体に対する第1ロワー部の左右方向への回動と、第2転舵部による船体に対する第1ロワー部および第2ロワー部の一体的な左右方向への回動とを組み合わせることによって、船体に対して船外機本体を左右方向に回動可能な角度範囲を比較的大きくすることができる。また、上記第1の局面による船外機では、上記のように、転舵部は、船体に対してアッパー部を左右方向に回動させないように構成されている。これにより、船体とアッパー部との間で接続される電気配線、燃料チューブ等が、左右方向に振られることがないので、船外機本体の船体への取付構造を簡素化することができる。これらの結果、船外機本体の船体への取付構造を簡素化しながら、船体に対して船外機本体を左右方向に回動可能な角度範囲を大きくすることができる。
【0009】
上記第1の局面による船外機において、好ましくは、第1転舵部と第2転舵部とは、互いに独立して動作可能に構成されている。このように構成すれば、船体に対して船外機本体を左右方向に回動可能な角度範囲が、第1転舵部により船体に対して第1ロワー部を左右方向に回動可能な角度範囲と、第2転舵部により船体に対して第1ロワー部および第2ロワー部を一体的に左右方向に回動可能な角度範囲との合計となるので、船体に対して船外機本体を左右方向に回動可能な角度範囲を転舵部が第1転舵部と第2転舵部とを含む構成において最大限大きくすることができる。
【0010】
上記第1転舵部と第2転舵部とが互いに独立して動作可能な構成において、好ましくは、第1転舵部は、船体に対して第1ロワー部を船外機本体に設けられた第1転舵軸回りに左右方向に回動させるように構成されており、第2転舵部は、船体に対して第1ロワー部および第2ロワー部を一体的に第1転舵軸とは別個に船外機本体に設けられた第2転舵軸回りに左右方向に回動させるように構成されている。このように構成すれば、第2転舵部による船体に対する第1ロワー部および第2ロワー部の一体的な左右方向への回動によって、第1転舵部による船体に対する第1ロワー部の左右方向への回動における回動中心である第1転舵軸の位置を変化させた状態で、第1転構部により船体に対して第1ロワー部を左右方向に回動させることができる。これにより、船体に対して左右方向に並ぶように複数の船外機が取り付けられる場合に、第2転舵部により、第1転舵部による船体に対する第1ロワー部の左右方向への回動における回動中心である第1転舵軸の位置を互いに隣り合う船外機同士で離れるように変化させた状態で、第1転舵部により船体に対して第1ロワー部を左右方向に回動させることができる。この場合、互いに隣り合う船外機同士が接触しにくくなるので、互いに隣り合う船外機の船体への取付けピッチが大きくなるのを抑制することができる。
(【0011】以降は省略されています)
この特許をJ-PlatPat(特許庁公式サイト)で参照する
関連特許
ヤマハ発動機株式会社
リーン車両
3日前
ヤマハ発動機株式会社
船舶推進機
4日前
ヤマハ発動機株式会社
船舶推進機
4日前
ヤマハ発動機株式会社
船舶推進機
4日前
ヤマハ発動機株式会社
船舶推進機
4日前
ヤマハ発動機株式会社
船舶推進機
4日前
ヤマハ発動機株式会社
鞍乗型車両
9日前
ヤマハ発動機株式会社
電池パック及び電池パックの製造方法
24日前
三井化学株式会社
ドローン用ブレード
17日前
ヤマハ発動機株式会社
無段変速機、及び無段変速機を備える鞍乗型車両
9日前
ヤマハ発動機株式会社
無段変速機、及び無段変速機を備える鞍乗型車両
9日前
ヤマハ発動機株式会社
無段変速機、及び、無段変速機を有する鞍乗型車両
9日前
ヤマハ発動機株式会社
無段変速機、及び、無段変速機を有する鞍乗型車両
9日前
ヤマハ発動機株式会社
エンジンユニット、及びエンジンユニットを備える鞍乗型車両
9日前
ヤマハ発動機株式会社
バッテリ制御システム、バッテリパック、小型電動車両、バッテリ制御方法およびコンピュータプログラム
17日前
ヤマハ発動機株式会社
支持部材配置決定装置、支持部材配置決定方法、支持部材配置決定プログラムおよび記録媒体
20日前
個人
水上遊具
4か月前
個人
川下り用船
11か月前
個人
洋上研究所
3か月前
個人
発電船
12か月前
個人
船用横揺防止具
8か月前
個人
津波防災ウエア
2か月前
個人
補助機構
7か月前
個人
コンパクトシティ船
7か月前
個人
渦流動力推進構造
7か月前
個人
セールのバテンガイド装置
3か月前
炎重工株式会社
浮標
9か月前
炎重工株式会社
浮標
9か月前
個人
水質浄化・集熱昇温システム
4か月前
住友重機械工業株式会社
船舶
4か月前
個人
船舶
9か月前
株式会社ラフティ
サーフボード
3か月前
株式会社フルトン
水中捕捉装置
7か月前
個人
スクリュープロペラ
7か月前
個人
回転式による流体流出防止タンカー
7か月前
オーケー工業株式会社
係留フック
8か月前
続きを見る
他の特許を見る