TOP
|
特許
|
意匠
|
商標
特許ウォッチ
Twitter
他の特許を見る
公開番号
2025074574
公報種別
公開特許公報(A)
公開日
2025-05-14
出願番号
2023185477
出願日
2023-10-30
発明の名称
アイスコンデンサの氷除去方法
出願人
三菱重工業株式会社
代理人
弁理士法人酒井国際特許事務所
主分類
G21C
9/012 20060101AFI20250507BHJP(核物理;核工学)
要約
【課題】作業員の負荷を低減し、氷を容易に取り出すこと。
【解決手段】アイスコンデンサ室に配置されたバスケットに水溶性高分子を含むブロック氷が収納されたアイスコンデンサにおいてブロック氷を除去する方法であって、水溶性高分子のゲル化を防ぎつつブロック氷を融解する工程と、融解したブロック氷の水をアイスコンデンサ室の外部に取り出す工程と、を含む。
【選択図】図5
特許請求の範囲
【請求項1】
冷却室に配置されたバスケットに水溶性高分子を含むブロック氷が収納されたアイスコンデンサにおいて前記ブロック氷を除去する方法であって、
前記水溶性高分子のゲル化を防ぎつつ前記ブロック氷を融解する工程と、
融解した前記ブロック氷の水を前記冷却室の外部に取り出す工程と、
を含む、アイスコンデンサの氷除去方法。
続きを表示(約 360 文字)
【請求項2】
前記冷却室の内部の温度を0℃超え20℃未満にする、
請求項1に記載のアイスコンデンサの氷除去方法。
【請求項3】
融解前の前記ブロック氷および融解された前記ブロック氷、若しくは融解した前記ブロック氷の水を前記バスケットから取り出す工程をさらに含む、
請求項1に記載のアイスコンデンサの氷除去方法。
【請求項4】
前記冷却室の内部に前記水を貯留する工程と、
前記冷却室の外部に前記水を吸引し送り出す工程と、
を含む、
請求項1に記載のアイスコンデンサの氷除去方法。
【請求項5】
前記冷却室の上部と下部とに温度差を生じさせ、下部を上部よりも高温にする、
請求項1に記載のアイスコンデンサの氷除去方法。
発明の詳細な説明
【技術分野】
【0001】
本開示は、アイスコンデンサの氷除去方法に関する。
続きを表示(約 1,600 文字)
【背景技術】
【0002】
例えば、特許文献1には、アイスコンデンサにおいて充てんされている氷の昇華による減少を防ぐため、硼砂を含む円柱形状のブロックアイス本体として構成された氷の外周に水溶性高分子フィルムを貼り付ける構成が示されている。
【先行技術文献】
【特許文献】
【0003】
特開2000-147180号公報
【発明の概要】
【発明が解決しようとする課題】
【0004】
異常時に原子炉格納容器に高温水蒸気が充満することが想定される原子炉において、大量の熱を吸収する氷で高温水蒸気を冷却し凝縮するアイスコンデンサが設置される場合がある。このようなアイスコンデンサにおいては、原子炉格納容器の内部の空気が常に清浄に保持されるようにアイスコンデンサの氷が循環空気に曝されている。従って、氷は、融解せずに水蒸気に変わる昇華が生じて重量が減少し、適した凝縮能力が得られないこととなる。そのため、アイスコンデンサでは、氷重量を確保するように、減少した氷の交換が必要になる。また、プラント運転停止後は、アイスコンデンサ内のブロックアイスを効率的に取り出して、処分する必要がある。
【0005】
しかし、氷が昇華された水蒸気がアイスコンデンサの室内を対流し、再度冷却されて霜となり、氷と当該氷が収納されるバスケットとに付着して固まるため、氷をバスケットから取り出すことが困難となる。
【0006】
氷をバスケットから取り出す方法として、個別に氷を取り出す方法と氷を融解して水として取り出す方法が想定される。前者は作業員の負荷が非常に大きく、後者は、まとめて氷を融解すると、多量の融解液を処理する必要が生じる。また、上述したように、水溶性高分子フィルムであるポリビニルアルコール(PVA)が用いられている場合、溶解温度によってはPVAが硼砂と反応してゲル状の固形物が発生し、氷を水として取り出すことが困難となる。また、固着した氷の取り出し方法として、個別に固着解除を行う方法とアイスコンデンサ室の温度を調整し、氷を融解する方法が考えられる。この場合も、前者は作業員の負荷が大きく、後者は、ゲル状の固形物の発生を抑制する必要がある。
【0007】
本開示は、上述した課題を解決するものであり、作業員の負荷を低減し、氷を容易に除去することのできるアイスコンデンサの氷除去方法を提供することを目的とする。
【課題を解決するための手段】
【0008】
上述の目的を達成するために、本開示の一態様に係るアイスコンデンサの氷除去方法は、冷却室に配置されたバスケットに水溶性高分子を含むブロック氷が収納されたアイスコンデンサにおいて前記ブロック氷を除去する方法であって、前記水溶性高分子のゲル化を防ぎつつ前記ブロック氷を融解する工程と、融解した前記ブロック氷の水を前記冷却室の外部に取り出す工程と、を含む。
【発明の効果】
【0009】
本開示は、作業員の負荷を低減し、氷を容易に取り出す方法となる。
【図面の簡単な説明】
【0010】
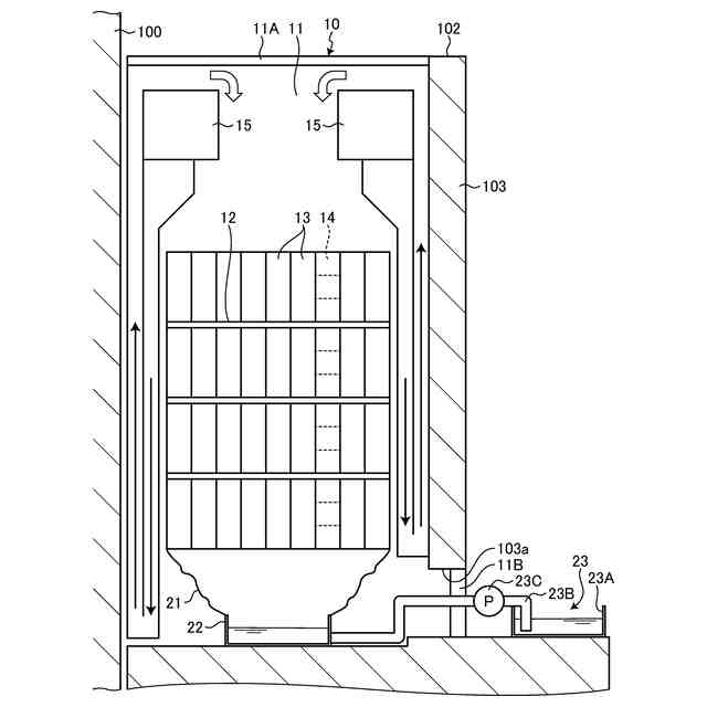
図1は、実施形態のアイスコンデンサが適用される原子炉格納容器の概略構成図である。
図2は、実施形態のアイスコンデンサの概略構成図である。
図3は、実施形態のアイスコンデンサのバスケットの概略構成図である。
図4は、実施形態のアイスコンデンサのワイヤの概略構成図である。
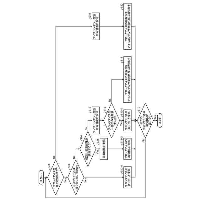
図5は、実施形態のアイスコンデンサの氷除去方法のフローチャートである。
図6は、実施形態のアイスコンデンサの他の氷除去方法のフローチャートである。
【発明を実施するための形態】
(【0011】以降は省略されています)
この特許をJ-PlatPat(特許庁公式サイト)で参照する
関連特許
三菱重工業株式会社
清掃装置
3日前
三菱重工業株式会社
フィルタ装置
2日前
三菱重工業株式会社
風力発電装置
2日前
三菱重工業株式会社
主蒸気管洗浄方法
2日前
三菱重工業株式会社
軌道系交通システム
2日前
三菱重工業株式会社
内燃機関の制御装置および方法
2日前
三菱重工業株式会社
蒸気タービン翼及び蒸気タービン
2日前
三菱重工業株式会社
蒸気生成システム及び蒸気生成方法
3日前
三菱重工業株式会社
電力変換器、および電力変換器の製造方法
2日前
三菱重工業株式会社
排気設備、及びこれを備えるガスタービン
4日前
三菱重工業株式会社
フォークリフトの制御装置および方法並びにフォークリフト
2日前
個人
常温核融合装置
5か月前
個人
常温核融合装置
5か月前
個人
常温核融合装置
5か月前
個人
トリチウムの除去装置
6か月前
個人
元素変換用固体核融合工程
3か月前
個人
廃炉方法及び固化材
6日前
個人
安山岩を利用した放射線消去装置
4か月前
個人
安山岩を利用した放射線消去装置
3か月前
個人
コンクリート船に乗せた、原子力発電
7か月前
パテントフレア株式会社
核融合反応促進法
5か月前
個人
金属製軽水炉使用済核燃料増殖原子炉
6か月前
個人
はんれい岩を利用した放射線消去装置
3か月前
パテントフレア株式会社
核融合反応促進法
5か月前
個人
装置、加速器、減速器、核変換システム
5か月前
合同会社日本レプトン
電子発生ペースト
10日前
株式会社エー・アンド・デイ
X線検査装置
5か月前
株式会社エー・アンド・デイ
X線検査装置
5か月前
中部電力株式会社
立ち入り管理装置
8か月前
個人
ホウ素を用いるミューオン触媒核融合システム
6か月前
栗田工業株式会社
放射性廃液の処理方法
6日前
PDRファーマ株式会社
遮蔽容器
4か月前
個人
核変換システム、加工装置、除去装置、切除装置
4か月前
個人
過剰熱発生方法
6か月前
国立大学法人大阪大学
原子力発電装置
4か月前
株式会社シェルタージャパン
放射線遮蔽構造
7か月前
続きを見る
他の特許を見る