TOP
|
特許
|
意匠
|
商標
特許ウォッチ
Twitter
他の特許を見る
公開番号
2025145919
公報種別
公開特許公報(A)
公開日
2025-10-03
出願番号
2024046428
出願日
2024-03-22
発明の名称
電力変換器、および電力変換器の製造方法
出願人
三菱重工業株式会社
代理人
個人
,
個人
,
個人
,
個人
,
個人
主分類
H02M
7/48 20070101AFI20250926BHJP(電力の発電,変換,配電)
要約
【課題】DCAC変換器およびDCDC変換器のサイズや端子数の構造を共通化することができる電力変換器を提供する。
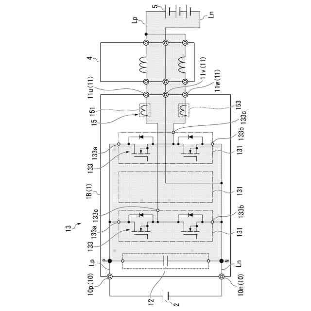
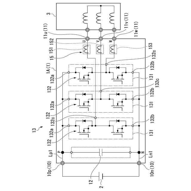
【解決手段】電力変換器は、外部の電源と接続される外部入力端子と、外部の負荷と接続される外部出力端子と、前記電源から供給される直流電力を交流電力、または異なる電圧の直流電力に変換する複数のパワーモジュールを有する電力変換部と、を備え、前記外部入力端子および前記外部出力端子のいずれか一方は、前記電源または前記負荷の正極と接続される2つの第1外部端子と、前記電源または前記負荷の正極または負極と接続される1つの第2外部端子とを有する。
【選択図】図1
特許請求の範囲
【請求項1】
外部の電源と接続される外部入力端子と、
外部の負荷と接続される外部出力端子と、
前記電源から供給される直流電力を交流電力、または異なる電圧の直流電力に変換する複数のパワーモジュールを有する電力変換部と、
を備え、
前記外部入力端子および前記外部出力端子のいずれか一方は、前記電源または前記負荷の正極と接続される2つの第1外部端子と、前記電源または前記負荷の正極または負極と接続される1つの第2外部端子とを有する、
電力変換器。
続きを表示(約 980 文字)
【請求項2】
前記第2外部端子は、
前記電力変換器がDCAC変換器である場合に、前記負荷の正極と接続され、
前記電力変換器がDCDC変換器である場合に、前記電源または前記負荷の負極と接続される、
請求項1に記載の電力変換器。
【請求項3】
前記電力変換部は、
前記パワーモジュールを配置可能な3つの配置部を有し、
前記電力変換器がDCAC変換器である場合に、前記配置部それぞれに前記パワーモジュールが配置され、
前記電力変換器がDCDC変換器である場合に、2つの前記配置部それぞれに前記パワーモジュールが配置されるとともに、1つの前記配置部に、前記第2外部端子と前記電源または前記負荷の負極とを接続する負極配線が配置される、
請求項2に記載の電力変換器。
【請求項4】
前記第1外部端子および前記第2外部端子は一方向に並べて配置され、
前記第2外部端子は、2つの前記第1外部端子の中間に配置される、
請求項1から3のいずれか一項に記載の電力変換器。
【請求項5】
前記電力変換器がDCDC変換器である場合に前記電力変換部が有するパワーモジュールは、前記電力変換器がDCAC変換器である場合に前記電力変換器が有するパワーモジュールよりも電流容量が大きい、
請求項1から3のいずれか一項に記載の電力変換器。
【請求項6】
外部の電源と接続される外部入力端子と、
外部の負荷と接続される外部出力端子と、
前記電源から供給される直流電力を交流電力、または異なる電圧の直流電力に変換する複数のパワーモジュールを有する電力変換部と、
を備える電力変換器の製造方法であって、
前記電力変換器がDCAC変換器である場合に、前記外部入力端子および前記外部出力端子のいずれか一方が有する2つの第1外部端子と、1つの第2外部端子とを、前記負荷の正極と接続するステップと、
前記電力変換器がDCDC変換器である場合に、前記第1外部端子を前記電源または前記負荷の正極と接続するとともに、前記第2外部端子を前記電源または前記負荷の負極と接続するステップと、
を有する電力変換器の製造方法。
発明の詳細な説明
【技術分野】
【0001】
本開示は、電力変換器、および電力変換器の製造方法に関する。
続きを表示(約 1,600 文字)
【背景技術】
【0002】
特許文献1には、複数のスイッチング素子(パワー半導体素子)を制御して、直流電源から供給される電力を変圧して負荷に出力するDCDC変換器が記載されている。負荷は、例えばインバータ回路を介して駆動されるモータ等である。
【先行技術文献】
【特許文献】
【0003】
特開2014-060851号公報
【発明の概要】
【発明が解決しようとする課題】
【0004】
近年では、世の電動化が進み、自動車や船舶、太陽光発電(PV)などの様々なニーズに応じた電源および負荷機器に接続可能な電力変換器が求められる。
【0005】
電力変換器は、大別すると、DCAC変換器とDCDC変換器の2種類がある。DCAC変換器は、自動車や船舶のモータドライブや、AC電源出力等に用いられる。DCDC変換器は、蓄電池の充放電、PV、EVの充電スタンド等に用いられる。
【0006】
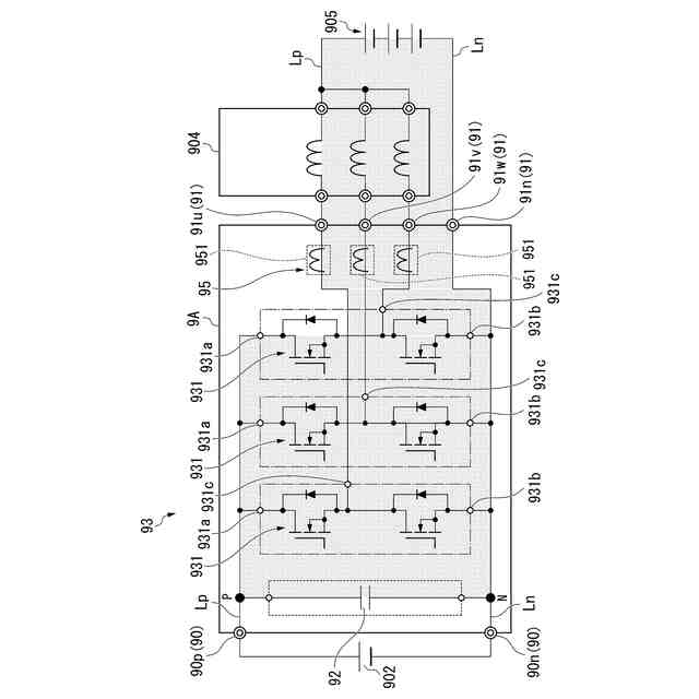
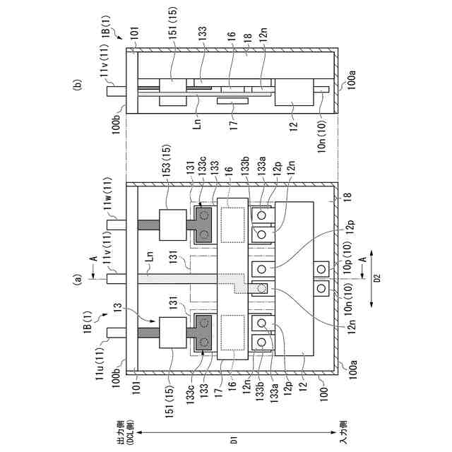
DCAC変換器は、3相(U相、V相、W相)それぞれに対応する3つの出力端子が必要である。一方、DCDC変換器は、3相昇降圧チョッパを形成する場合に、3相の出力端子と、蓄電池等の負荷の負極側から帰還する負極配線を接続するための端子(負極出力端子)との計4つの出力端子が必要である。つまり、DCAC変換器とDCDC変換器とで出力端子の数が異なる。また、DCDC変換器は出力端子が増加する分、サイズアップが必要となる。このため、DCAC変換器とDCDC変換器とで構造の共通化が進んでいない。
【0007】
また、例えばDCDC変換器の負極出力端子を減らすために、変換器の入力側の負極配線を分岐させて変換器の外側に出し、負荷の負極側と接続する場合がある。しかしながら、このように負極配線を変換器の外側に出して迂回させると、変換器の正極入力端子(P)から負荷を通って負極入力端子(N)に還るPN配線ループの面積が大きくなる。PN配線ループ面積が大きくなると、ノイズを増大させる影響が生じるため、変換器のEMC(electromagnetic compatibility)性能が低下する。
【0008】
本開示の目的は、DCAC変換器およびDCDC変換器のサイズや端子数の構造を共通化することができる電力変換器、および電力変換器の製造方法を提供することにある。
【課題を解決するための手段】
【0009】
本開示の一態様によれば、電力変換器は、外部の電源と接続される外部入力端子と、外部の負荷と接続される外部出力端子と、前記電源から供給される直流電力を交流電力、または異なる電圧の直流電力に変換する複数のパワーモジュールを有する電力変換部と、を備え、前記外部入力端子および前記外部出力端子のいずれか一方は、前記電源または前記負荷の正極と接続される2つの第1外部端子と、前記電源または前記負荷の正極または負極と接続される1つの第2外部端子とを有する。
【0010】
本開示の一態様によれば、電力変換器の製造方法は、外部の電源と接続される外部入力端子と、外部の負荷と接続される外部出力端子と、前記電源から供給される直流電力を交流電力、または異なる電圧の直流電力に変換する複数のパワーモジュールを有する電力変換部と、を備える電力変換器の製造方法であって、前記電力変換器がDCAC変換器である場合に、前記外部入力端子および前記外部出力端子のいずれか一方が有する2つの第1外部端子と、1つの第2外部端子とを、前記負荷の正極と接続するステップと、前記電力変換器がDCDC変換器である場合に、前記第1外部端子を前記電源または前記負荷の正極と接続するとともに、前記第2外部端子を前記電源または前記負荷の負極と接続するステップと、を有する。
【発明の効果】
(【0011】以降は省略されています)
この特許をJ-PlatPat(特許庁公式サイト)で参照する
関連特許
三菱重工業株式会社
清掃装置
3日前
三菱重工業株式会社
フィルタ装置
2日前
三菱重工業株式会社
容器解体装置
6日前
三菱重工業株式会社
風力発電装置
2日前
三菱重工業株式会社
主蒸気管洗浄方法
2日前
三菱重工業株式会社
軌道系交通システム
2日前
三菱重工業株式会社
炉内構造物の解体方法
6日前
三菱重工業株式会社
造形プロセスの監視方法
10日前
三菱重工業株式会社
水素供給システムおよび方法
6日前
三菱重工業株式会社
内燃機関の制御装置および方法
2日前
三菱重工業株式会社
蒸気タービン翼及び蒸気タービン
2日前
三菱重工業株式会社
蒸気生成システム及び蒸気生成方法
3日前
三菱重工業株式会社
電力変換器、および電力変換器の製造方法
2日前
三菱重工業株式会社
排気設備、及びこれを備えるガスタービン
4日前
三菱重工業株式会社
除去装置、除去装置の制御装置および除去方法
6日前
三菱重工業株式会社
フォークリフトの制御装置および方法並びにフォークリフト
2日前
三菱重工業株式会社
スピレージホッパ及び粉砕機並びにスピレージホッパの運転方法
9日前
三菱重工業株式会社
予備品保有数量算出装置、予備品保有数量算出方法及びプログラム
6日前
三菱重工業株式会社
水電解システム、水電解システムにおける水電解セルの差圧調整方法
6日前
三菱重工業株式会社
故障診断システム、故障診断方法、及び故障診断プログラム並びに移動体
10日前
個人
電源装置
17日前
個人
バッテリ内蔵直流電源
16日前
株式会社FUJI
制御盤
6日前
オムロン株式会社
電源回路
10日前
オムロン株式会社
電源回路
10日前
オムロン株式会社
電源回路
10日前
ニデック株式会社
モータの制御方法
24日前
トヨタ自動車株式会社
回転子
17日前
トヨタ自動車株式会社
回転子
2日前
日産自動車株式会社
電子機器
27日前
大豊工業株式会社
モータ
16日前
井関農機株式会社
充電システム
27日前
東京応化工業株式会社
発電装置
10日前
ミサワホーム株式会社
居住設備
6日前
株式会社リコー
拡張アンテナ装置
9日前
トヨタ自動車株式会社
ロータ
4日前
続きを見る
他の特許を見る