TOP
|
特許
|
意匠
|
商標
特許ウォッチ
Twitter
他の特許を見る
10個以上の画像は省略されています。
公開番号
2025121654
公報種別
公開特許公報(A)
公開日
2025-08-20
出願番号
2024017232
出願日
2024-02-07
発明の名称
地山探査装置
出願人
株式会社奥村組
代理人
個人
主分類
E21D
9/06 20060101AFI20250813BHJP(地中もしくは岩石の削孔;採鉱)
要約
【課題】超音波センサを用いた地山探査装置によりシールド掘進機の直上の地山の内壁面の状態を良好に探査することが可能になる。
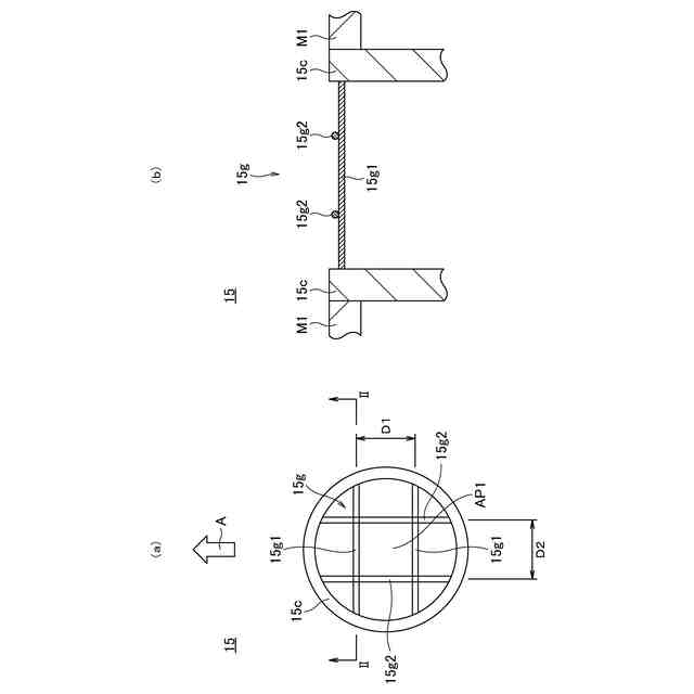
【解決手段】泥土圧シールド掘進機1の地山探査装置15を構成する筒状体15cの上面の開口部に格子状部材15gを設けた。これにより、泥土圧シールド掘進機1による掘削時に、礫等が筒状体15cの内部に入り込んだり、筒状体15cの上面の開口部に被さったりするのを防止できるので、超音波を良好に伝搬することができる。
【選択図】図18
特許請求の範囲
【請求項1】
シールド掘進機のスキンプレートの頂上部に前記スキンプレートの内外を貫通した状態で設けられた貫通孔と、
前記貫通孔の内周面に上端部の外周面を接続させた状態で設けられた筒状体と、
前記筒状体の外周面に前記筒状体の内外を貫通した状態で設けられた注入孔と、
前記注入孔に接続された注入配管と、
前記注入配管を通じて前記筒状体の内部に地山保持材を圧送する注入ポンプと、
前記注入配管の内部の注入圧を検出する圧力検出手段と、
前記筒状体の下端面に取り付けられた板状体と、
前記板状体の下面に取り付けられた超音波センサと、
を備え、
前記筒状体の上面の開口部に格子状部材を設けたことを特徴とする地山探査装置。
続きを表示(約 460 文字)
【請求項2】
前記格子状部材は、前記シールド掘進機の掘進方向に対して交差した状態で延在する少なくとも1本の第1部材と、前記第1部材に対して交差した状態で延在する少なくとも1本の第2部材部材とによって構成されているとともに、前記第2部材は前記第1部材の上に設けられていることを特徴とする請求項1記載の地山探査装置。
【請求項3】
前記第1部材は前記シールド掘進機の掘進方向に対して直交しているとともに、前記第2部材は前記第1部材に対して直交していることを特徴とする請求項2記載の地山探査装置。
【請求項4】
前記第1部材および前記第2部材が前記掘進方向に対して斜めに設置されていることを特徴とする請求項2記載の地山探査装置。
【請求項5】
前記第1部材と前記第2部材とが直交していることを特徴とする請求項4記載の地山探査装置。
【請求項6】
前記格子状部材の表面にゴムまたは樹脂を被覆したことを特徴とする請求項1~5のいずれか一項に記載の地山探査装置。
発明の詳細な説明
【技術分野】
【0001】
本発明は、地山探査装置に関し、例えば、超音波センサを用いてシールド掘進機の直上の地山の内壁面の状態を探査する地山探査装置に関するものである。
続きを表示(約 1,500 文字)
【背景技術】
【0002】
シールド掘進機により地山を掘削する際に、シールド掘進機の直上の掘削坑の内壁面に著しい緩みや空洞があると地盤沈下等の可能性があるので、その対策として当該地山の内壁面の状態を地山探査装置により常時、測定およびモニタリングすることで地盤沈下等を早期の段階で発見し、対処するようにしている。
【0003】
このような地山探査装置については、例えば、特許文献1に記載があり、シールドマシン内に設置された水流発生装置の噴射口から地山に向けて噴射された水により形成された水柱内に、当該噴射口の噴射方向後端に配設された超音波センサから超音波を発することにより、シールドマシンの周囲の余堀り量を測定する技術が開示されている。
【先行技術文献】
【特許文献】
【0004】
特開2021-134549号公報
【発明の概要】
【発明が解決しようとする課題】
【0005】
ところで、本発明者は、シールド掘進機のスキンプレートの頂上部に穿孔された貫通孔内に筒状体を嵌め込み、その筒状体の内部に地山保持材を充填した状態で、筒状体の下端面に板状体を介して設置された超音波センサから当該頂上部に対向する地山の内壁面に向かって超音波を発信し、反射してきた超音波を受信することで地山の内壁面の状態を探査する技術を発明した。
【0006】
しかし、この技術においては、筒状体の上面が開口していると、当該開口を通じて筒状体の内部に礫等が入り込んだり、当該開口を礫等が塞いだりするおそれがありその結果、その礫等によって超音波の伝搬が阻害されてしまい、シールド掘進機の直上における地山の内壁面の状態を探査することができない場合が生じる、という課題がある。
【0007】
本発明は、上述の技術的背景からなされたものであって、超音波センサを用いた地山探査装置によりシールド掘進機の直上の地山の内壁面の状態を良好に探査することができる技術を提供することを目的とする。
【課題を解決するための手段】
【0008】
上記課題を解決するため、請求項1に記載の本発明の地山探査装置は、シールド掘進機のスキンプレートの頂上部に前記スキンプレートの内外を貫通した状態で設けられた貫通孔と、前記貫通孔の内周面に上端部の外周面を接続させた状態で設けられた筒状体と、前記筒状体の外周面に前記筒状体の内外を貫通した状態で設けられた注入孔と、前記注入孔に接続された注入配管と、前記注入配管を通じて前記筒状体の内部に地山保持材を圧送する注入ポンプと、前記注入配管の内部の注入圧を検出する圧力検出手段と、前記筒状体の下端面に取り付けられた板状体と、前記板状体の下面に取り付けられた超音波センサと、を備え、前記筒状体の上面の開口部に格子状部材を設けたことを特徴とする。
【0009】
請求項2に記載の本発明の地山探査装置は、上記請求項1に記載の発明において、前記格子状部材は、前記シールド掘進機の掘進方向に対して交差した状態で延在する少なくとも1本の第1部材と、前記第1部材に対して交差した状態で延在する少なくとも1本の第2部材部材とによって構成されているとともに、前記第2部材は前記第1部材の上に設けられていることを特徴とする。
【0010】
請求項3に記載の本発明の地山探査装置は、上記請求項2に記載の発明において、前記第1部材は前記シールド掘進機の掘進方向に対して直交しているとともに、前記第2部材は前記第1部材に対して直交していることを特徴とする。
(【0011】以降は省略されています)
この特許をJ-PlatPat(特許庁公式サイト)で参照する
関連特許
株式会社奥村組
制振機構
12日前
株式会社奥村組
制振機構
12日前
株式会社奥村組
運搬方法
12日前
株式会社奥村組
吊り治具
12日前
株式会社奥村組
破砕装置
1か月前
株式会社奥村組
破砕装置
1か月前
株式会社奥村組
破砕装置
1か月前
株式会社奥村組
設置架台
4日前
株式会社奥村組
地山探査方法
1か月前
株式会社奥村組
施工管理装置
1日前
株式会社奥村組
爆薬装填装置
2日前
株式会社奥村組
ケーソン工法
15日前
株式会社奥村組
地山探査装置
1か月前
株式会社奥村組
施工管理装置
1日前
株式会社奥村組
施工管理方法
1日前
株式会社奥村組
地山探査装置
1か月前
株式会社奥村組
地山探査装置
1か月前
株式会社奥村組
解体システム
1か月前
株式会社奥村組
シールド掘進機
15日前
株式会社奥村組
非開削推進工法
1日前
株式会社奥村組
非開削推進工法
1日前
株式会社奥村組
非開削推進工法
1日前
株式会社奥村組
非開削推進工法
1日前
株式会社奥村組
非開削推進工法
1日前
株式会社奥村組
ケーソン刃口金物
15日前
株式会社奥村組
廃棄物分類処理装置
4日前
株式会社奥村組
外壁部施工用足場構造
2日前
株式会社奥村組
セグメントの組立方法
1か月前
株式会社奥村組
圧入式オープンケーソン
8日前
株式会社奥村組
洗浄器具および洗浄方法
8日前
株式会社奥村組
バッテリーロコの充電機構
1か月前
株式会社奥村組
バッテリーロコの充電方法
1か月前
株式会社奥村組
壁下地用胴縁の端部固定構造
8日前
株式会社奥村組
掘削機および非開削推進工法
1日前
株式会社奥村組
ドラムカッタ用集塵カバー体
4日前
株式会社奥村組
鉄筋コンクリート柱の補強工法
1か月前
続きを見る
他の特許を見る