TOP
|
特許
|
意匠
|
商標
特許ウォッチ
Twitter
他の特許を見る
公開番号
2025141853
公報種別
公開特許公報(A)
公開日
2025-09-29
出願番号
2025035631
出願日
2025-03-06
発明の名称
カードの保管容器
出願人
リモワ・ゲーエムベーハー
,
RIMOWA GMBH
代理人
個人
,
個人
主分類
B42F
17/08 20060101AFI20250919BHJP(製本;アルバム;ファイル;特殊印刷物)
要約
【課題】人間工学的に簡易な操作性をも特徴とするカード保管容器を、低コストな方式で技術的労力をほとんどかけずに提供することにある。
【解決手段】第2の容器部分4の中でボール7a,7bが回転可能に支持され、これらのボール7a,7bが第1の容器部分3の側壁S31に内側から当接し、位置をロックするために第1のハウジング部分3の軸受溝10に係止され、および/または第2の容器部分4にはその内面のうちの1つに、内部空間に突入する、特にカード2に対して挟み込むように作用する、好ましくはエラストマー材料からなる位置決め補助具11が設けられる。
【選択図】図4
特許請求の範囲
【請求項1】
クレジットカード、身分証明カードなどのカード(2)の保管容器(1)であって、外側の第1の容器部分(3)と内側の第2の容器部分(4)とを有し、前記第1の容器部分および前記第2の容器部分(3,4)は基本形状からして直方体に構成され、旋回軸(S)を形成する軸受によって角領域で結合され、それにより前記第2の容器部分(4)は前記第1の容器部分(3)に対して開放位置と閉止位置の間で旋回可能であり、前記第2の容器部分(4)は前記第1の容器部分(3)に対してそのつど開放位置および/または閉止位置でロック可能である、保管容器(1)であり、
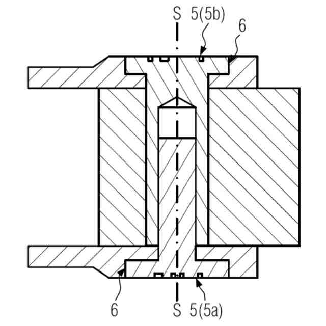
前記第1の容器部分(3)を前記第2の容器部分(4)と角領域で結合するために、輪郭づけされた組付ピン(5)が、前記第1の容器部分(3)と前記第2の容器部分(4)との、同軸に配置されたそれぞれ対応する輪郭づけされた貫通開口部(6)を貫通し、前記第1の容器部分(3)の中に入る、およびこれから外に出る、前記第2の容器部分(4)の最大の旋回は、前記組付ピン(5)の幾何学的な輪郭(K5)によって、前記第1の容器部分(3)と前記第2の容器部分(4)の前記貫通開口部(6)の輪郭(K6)との協同作用のもとで制限されることを特徴とする、保管容器(1)。
続きを表示(約 1,400 文字)
【請求項2】
前記組付ピン(5)は二重中空リベット(5a,5b)として構成されることを特徴とする、請求項1に記載の保管容器(1)。
【請求項3】
前記第2の容器部分(4)の中でボール(7a,7b)が回転可能に支持され、前記ボール(7a,7b)が前記第1の容器部分(3)の側壁(S31)に内側から当接することを特徴とする、請求項1または2に記載の前記カード(2)の保管容器(1)。
【請求項4】
前記第2の容器部分(4)の中の前記ボール(7a,7b)は特に中空円筒状の収容部分(8a,8b)に弾性負荷を受けて支持されており、さらにこれらの収容部分(8a,8b)が前記第2の容器部分(4)の壁部(S44/S45,S46)の収容開口部(9a,9b)に取り付けられることを特徴とする、請求項3に記載の保管容器(1)。
【請求項5】
前記第1の容器部分(3)は内面(S31)に、回転可能に支持された前記ボール(7a,7b)を係止するための少なくとも1つの軸受溝(10)を有し、それにより、回転可能に支持された前記ボール(7a,7b)が前記軸受溝(10)に係止された後には、前記第1の容器部分(3)に対して相対的な閉止位置から開放位置への、およびこれから元に戻る、前記第2の容器部分(4)の旋回が制限されて、摩擦接合式に固定されることを特徴とする、請求項3または4に記載の保管容器(1)。
【請求項6】
前記軸受溝(10)は内側で、前記第1の容器部分(3)の側壁(S31)の縁部領域で長手方向壁(S33)と平行に延びることを特徴とする、請求項5に記載の保管容器(1)。
【請求項7】
前記第2の容器部分(4)の中で少なくとも2つのボール(7a,7b)が回転可能に支持され、そのうち一方のボール(7b)は開放位置のときに、および他方のボール(7a)は閉止位置のときに、前記第1の容器部分(3)の前記軸受溝(10)に係止されることを特徴とする、請求項1から6のいずれか1項に記載の保管容器(1)。
【請求項8】
前記第2の容器部分(4)はその内面のうちの1つに、前記第2の容器部分(4)の内部空間に突入する、特に前記カード(2)に対して挟み込むように作用する、特に円筒形または角柱形の、好ましくはエラストマー材料からなる、前記カード(2)のための少なくとも1つの位置決め補助具(11)を有することを特徴とする、請求項1から7のいずれか1項に記載の、前記カード(2)の保管容器(1)。
【請求項9】
前記カード(2)のための前記位置決め補助具(11)はシリコーンテープやPTFEテープなどの摩擦係数の低い材料からなるキャップ(12)で覆われることを特徴とする、請求項8に記載の保管容器(1)。
【請求項10】
前記ボール(7a,7b)のための前記収容部分(8a,8b)および/または位置決め補助具(11)は、特に前記第2の容器部分(4)の側壁(S45/S44,S46)の表面または内部にある前記第2の容器部分(4)の前記収容開口部(9a,9b,9c)の中で保持され、前記位置決め補助具(11)のための前記収容開口部(9c)は、前記第2の容器部分(4)の内部空間への前記位置決め補助具(11)の突入を可能にするように、側方で開いていることを特徴とする、請求項4から9のいずれか1項に記載の保管容器(1)。
(【請求項11】以降は省略されています)
発明の詳細な説明
【技術分野】
【0001】
本発明は、クレジットカード、身分証明カードなどのカードの保管容器に関し、外側の第1の容器部分と内側の第2の容器部分とを有し、両方のハウジング部分は基本形状からして直方体に構成され、旋回軸を形成する軸受によって角領域で結合され、それにより第2の容器部分は第1の容器部分に対して開放位置と閉止位置の間で旋回可能であり、第2の容器部分は第1の容器部分に対してそのつど開放位置および閉止位置でロック可能である。
続きを表示(約 2,300 文字)
【0002】
ここでは「基本形状からして直方体に構成される」とは、第1および第2の容器部分が、長方形の上面と長方形の底面(主面)、長方形の2つの長い側面、および長方形の2つの短い側面をそれぞれ有する六面体(Sechsflachners)の形態をそれぞれ有することを意味する。存在している各面のうち1つまたは複数は、直方体の基本形状が損なわれることなく、全面的または部分的に(部分領域で)欠如していてもよい。各面の面取りも、本件出願においては、直方体の基本形状という観点からこれを損なうものとは理解されない。
【背景技術】
【0003】
このような種類のカードの保管容器は、ドイツ実用新案第9405887U1号明細書から公知である。この文献は、特にクレジットカードフォーマットのカードや身分証明書などのための2部分からなる容器を記載しており、3つの側で互いに側面によって結合された2つの主面を有する第1の直方体の容器部分であって、4つ目の側で開いている、第1の直方体の容器部分と、互いに隣接する2つの側で互いに側面によって結合された、第1の容器部分の主面に合わせて適合化された2つの主面を有する、第1の容器部分と組み合わされた第2の容器部分であって、残りの両方の側では開いている、第2の容器部分とを有しており、一方の容器部分はその両方の主面に互いに一直線上に並ぶ隆起部を有するように構成され、他方の容器部分はその両方の主面に互いに一直線上に並ぶ切欠きを有するように構成され、この切欠きの中に、両方の容器部分が組み合わされた状態にあるとき、両方の容器部分が容器の閉止位置と開放位置の間で相互に旋回可能である旋回軸を形成するために隆起部が係止され、それによってロックされる。
【0004】
それに応じてこの容器は、それぞれプラスチックで製作される第1の容器部分と第2の容器部分とを有する。両方のハウジング部分は1つの角領域で、互いに一直線上に並ぶ切欠きとその中に係合する隆起部とで旋回軸を形成するスプリングキャッチ結合によって結合され、第2の部分が第1の部分を介して旋回可能である。第1の容器部分は1つの端面にカードのための開口部を有し、すなわち、カードをその短辺を前にして差込可能である。第1の容器部分はそれ以外では閉じている。両方の主面は段差のある縁部輪郭を有している。さらに主面は角領域に、外方を向く隆起部を有する、弾性作用のある舌部を有している。第2の容器部分は、上側の側面と端面とに沿って延びる開口部を有している。すなわち第2の容器部分は、第1の部分の開口部を覆うために、その第2の端面で閉じている。主面は、旋回軸を形成するために隆起部が中に係合する切欠きを有している。
【0005】
さまざまな種類のその他のカード保管容器が、米国特許出願公開第2021/0251354A1号明細書、国際公開第2011/067981A1号明細書、および欧州特許第2756774B1号から公知である。
【先行技術文献】
【特許文献】
【0006】
ドイツ実用新案第9405887U1号明細書
米国特許出願公開第2021/0251354A1号明細書
国際公開第2011/067981A1号明細書
欧州特許第2756774B1号
【発明の概要】
【発明が解決しようとする課題】
【0007】
本発明の課題は、人間工学的に簡易な操作性をも特徴とする、冒頭に述べた種類の確実なカード保管容器を、低コストな方式で技術的労力をほとんどかけずに提供することにある。
【課題を解決するための手段】
【0008】
この課題は本発明によると、一方では請求項1に基づき、外側の第1の容器部分を内側の第2の容器部分と角領域で結合するために、輪郭づけされた組付ピンが、第1の容器部分と第2の容器部分との、同軸に配置されたそれぞれ対応する輪郭づけされた貫通開口部を貫通し、第1の容器部分の中に入る、およびこれから外に出る、第2の容器部分の最大の旋回は、組付ピンの幾何学的な輪郭によって、上側シェルと下側シェルの貫通開口部の輪郭との協同作用のもとで制限されることによって解決される。組付ピンは、特に二重中空リベットとして構成されていてよい。
【0009】
他方では、その追加または代替として、この課題は本発明により請求項3に基づき、内側の第2の容器部分の中でボールが回転可能に支持され、これらのボールが開放位置でも閉止位置でも外側の第1の容器部分の内側の側壁に当接することによっても解決される。これらのボールは第2の容器部分の中でばね付勢されて、特に中空円筒状の収容部分の中で支持されていてよく、さらにこれらの収容部分が、内側の第2の容器部分の壁部に取り付けられる。それにより、各容器部分の壁部の間で主として転がり摩擦だけが生じるという利点があり、このことは操作を簡易化し、摩耗を最小化する。
【0010】
外側の第1の容器部分はその内面に、回転可能に支持されたボールを係止するための少なくとも1つの軸受溝を有することができ、回転可能に支持されたボールが係止された後には、外側の第1の容器部分に対して相対的な閉止位置から開放位置への、およびこれから元に戻る、内側の第2の容器部分の旋回が制限されて、摩擦接合式に固定される。
(【0011】以降は省略されています)
この特許をJ-PlatPat(特許庁公式サイト)で参照する
関連特許
個人
書籍
6か月前
個人
リフター
1か月前
個人
手帳
1か月前
個人
ノート
5か月前
個人
書類ホルダー
5か月前
個人
紙片収容保持具
8か月前
個人
ファイル
1か月前
個人
ページめくり穴
4日前
個人
ブランドハガキ
3か月前
個人
ダブルクリップ
7か月前
個人
折り曲げ式しおり
1か月前
個人
カレンダー
11日前
個人
メッセージカード
6か月前
FRC株式会社
学習ノート
5か月前
個人
吊下式カレンダー
7か月前
東洋紡株式会社
地図フィルム
10か月前
個人
脱着リーフ綴込み補助具
7か月前
個人
脱着リングノートシステム
8か月前
ネオライト工業株式会社
しおり
1か月前
株式会社リコー
綴じ装置
1か月前
ダイニック株式会社
ブッククロス
8か月前
有限会社ライト工房
起立する台紙
4か月前
個人
シート状印刷物セット
1か月前
独立行政法人 国立印刷局
潜像物
8か月前
個人
タロットカード解説書
6か月前
独立行政法人 国立印刷局
積層体
3か月前
独立行政法人 国立印刷局
積層体
3か月前
個人
冊子収容ケース
1か月前
個人
見開きアルバム立て掛け飾り具
4か月前
独立行政法人 国立印刷局
画像形成体
22日前
個人
環状具
9か月前
独立行政法人 国立印刷局
潜像画像形成体
3か月前
株式会社デュプロ
冊子作成システム
10か月前
個人
シートセット及びワークセット
2か月前
株式会社Luciaube
クリアファイル
8か月前
株式会社ユニオン産業
クリップ
8か月前
続きを見る
他の特許を見る