TOP
|
特許
|
意匠
|
商標
特許ウォッチ
Twitter
他の特許を見る
公開番号
2025149246
公報種別
公開特許公報(A)
公開日
2025-10-08
出願番号
2024049775
出願日
2024-03-26
発明の名称
電極昇降装置
出願人
株式会社TMEIC
代理人
弁理士法人iX
主分類
F27B
3/28 20060101AFI20251001BHJP(炉,キルン,窯;レトルト)
要約
【課題】操業時にタップを切り替えても安定して操業を継続できる電極昇降装置を提供する。
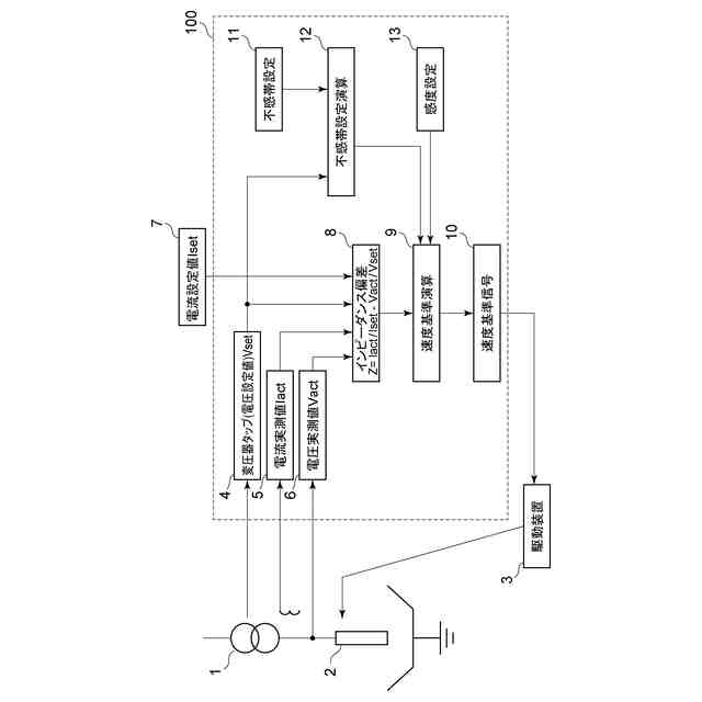
【解決手段】実施形態に係る電極昇降装置は、インピーダンス偏差演算部と、速度基準演算部と、不感帯設定演算部と、を備える。前記インピーダンス偏差演算部は、電極に流れる電流実測値、前記電極に印加される電圧実測値、所定の電流設定値および炉用変圧器の2次側の電圧設定値にもとづいて、インピーダンス偏差を演算する。前記速度基準演算部は、前記インピーダンス偏差にもとづいて、速度基準信号を生成する。前記不感帯設定演算部は、前記電圧設定値に逆比例するように不感帯幅を演算する。
【選択図】図1
特許請求の範囲
【請求項1】
電極とスクラップとの間でアーク放電を発生して前記スクラップを溶解する製鋼用アーク炉の電極昇降装置であって、
炉用変圧器の2次側に接続された電極に流れる電流実測値、前記炉用変圧器とスクラップとの間の電圧実測値、あらかじめ設定された電流設定値、および、前記炉用変圧器の2次側の電圧設定値にもとづいて、インピーダンス偏差を演算するインピーダンス偏差演算部と、
前記インピーダンス偏差にもとづいて、前記電極を昇降する速度に関連する速度基準信号を生成する速度基準演算部と、
前記電圧実測値およびあらかじめ設定された不感帯幅基準値にもとづいて、不感帯幅を演算して前記速度基準信号演算部に出力する不感帯設定演算部と、
を備え、
前記不感帯設定演算部は、前記電圧設定値に逆比例するように前記不感帯幅を演算する電極昇降装置。
続きを表示(約 270 文字)
【請求項2】
前記炉用変圧器は、2次側に複数のタップを有し、前記複数のタップから所望のタップを選択されることによって、前記電圧実測値を有する電圧を出力する請求項1記載の電極昇降装置。
【請求項3】
前記複数のタップは、隣接するタップ間の電圧差が等しく、
最小の電圧を出力するタップにおけるタップ電圧をα、前記電圧差をβとし、タップの数をnとし、任意の整数をmとした場合に、m番目の前記不感帯幅は、
{α+(n-1)・β}/{α+(m-1)・β}
に比例して設定される請求項2記載の電極昇降装置。
発明の詳細な説明
【技術分野】
【0001】
本発明の実施形態は、電極とスクラップとの間でアーク放電を発生させることによりスクラップを溶解させる製鋼用アーク炉の電極昇降装置に関する。
続きを表示(約 1,200 文字)
【背景技術】
【0002】
電極昇降装置は、炉用変圧器の2次側を流れる電流の電流実測値および電極と炉との間の電圧の電圧実測値を検出して、インピーダンス偏差を演算する。電極昇降装置は、算出したインピーダンス偏差を解消するように速度基準信号を生成して、電極を速度基準信号の値に応じて昇降する。これをインピーダンス一定制御という。
【0003】
インピーダンス一定制御では、インピーダンス偏差が小さい場合には、昇降制御を停止して、電極とスクラップとの間の距離を安全に保つことがある。昇降制御を停止するインピーダンス偏差の範囲を不感帯と呼ぶ。
【0004】
不感帯は、操業においてあらかじめ設定され、操業中に変更することは行われない場合が多い。
【先行技術文献】
【特許文献】
【0005】
特開2020-41710号公報
【発明の概要】
【発明が解決しようとする課題】
【0006】
アーク炉では、多くの場合、電流の設定値は外部から供給され、炉用変圧器のタップを切り替えて投入電力を調整する。不感帯の設定は、操業中に最もよく使用するタップ電圧の場合において調整され設定される。
【0007】
一方、タップを切り替えると、電圧の変化に応じてアーク長が変化する。操業中にタップを切り替えると、アーク長の変化によって、操業状態に影響するおそれがある。
【0008】
本発明の実施形態は、操業時にタップを切り替えても安定して操業を継続できる電極昇降装置を提供することを目的とする。
【課題を解決するための手段】
【0009】
本発明の実施形態に係る電極昇降装置は、電極とスクラップとの間でアーク放電を発生して前記スクラップを溶解する製鋼用アーク炉の電極昇降装置である。この電極昇降装置は、炉用変圧器の2次側に接続された電極に流れる電流実測値、前記炉用変圧器とスクラップとの間の電圧実測値、あらかじめ設定された電流設定値、および、前記炉用変圧器の2次側の電圧設定値にもとづいて、インピーダンス偏差を演算するインピーダンス偏差演算部と、前記インピーダンス偏差にもとづいて、前記電極を昇降する速度に関連する速度基準信号を生成する速度基準演算部と、前記電圧実測値およびあらかじめ設定された不感帯幅基準値にもとづいて、不感帯幅を演算して前記速度基準信号演算部に出力する不感帯設定演算部と、を備える。前記不感帯設定演算部は、前記電圧設定値に逆比例するように前記不感帯幅を演算する。
【発明の効果】
【0010】
本発明の実施形態によれば、操業時にタップを切り替えても安定して操業を継続できる電極昇降装置を提供することができる。
【図面の簡単な説明】
(【0011】以降は省略されています)
この特許をJ-PlatPat(特許庁公式サイト)で参照する
関連特許
株式会社TMEIC
回転電機
8日前
株式会社TMEIC
電極昇降装置
1日前
株式会社TMEIC
電力変換装置
1日前
株式会社TMEIC
電力変換装置
10日前
株式会社TMEIC
電力変換装置
10日前
株式会社TMEIC
安全性診断装置
14日前
株式会社TMEIC
通信伝文データ照合装置
今日
株式会社TMEIC
無停電電源システム、無停電電源装置および無停電電源装置の更新方法
10日前
株式会社サンコー
浸漬ヒーター
21日前
東京窯業株式会社
セッター
4か月前
中外炉工業株式会社
熱処理炉
10日前
株式会社プロテリアル
スラグ除滓装置
9か月前
ノリタケ株式会社
冷却炉
2日前
ノリタケ株式会社
加熱炉
2日前
中外炉工業株式会社
処理炉
3か月前
ノリタケ株式会社
サヤ
3か月前
ノリタケ株式会社
熱処理装置
2か月前
ノリタケ株式会社
熱処理装置
2か月前
ノリタケ株式会社
熱処理装置
2か月前
ノリタケ株式会社
熱処理装置
2か月前
株式会社不二越
搬送システム
5か月前
ノリタケ株式会社
熱処理装置
1か月前
ノリタケ株式会社
連続加熱炉
6か月前
有限会社ヨコタテクニカ
リフロー炉
2か月前
ノリタケ株式会社
連続加熱炉
5か月前
ファーネス重工株式会社
熱風循環炉
5か月前
ノリタケ株式会社
熱処理装置
4か月前
ノリタケ株式会社
連続加熱炉
6か月前
成都大学
合金粉末酸化防止熱処理装置
6か月前
特殊電極株式会社
インゴット予熱装置
4か月前
中外炉工業株式会社
連続処理炉
4か月前
DiV株式会社
赤外線加熱装置
4か月前
三菱重工業株式会社
炉設備
6か月前
株式会社豊田中央研究所
加熱装置
1か月前
株式会社不二越
圧力制御システム
5か月前
大同特殊鋼株式会社
溶解炉
10か月前
続きを見る
他の特許を見る