TOP
|
特許
|
意匠
|
商標
特許ウォッチ
Twitter
他の特許を見る
10個以上の画像は省略されています。
公開番号
2025151966
公報種別
公開特許公報(A)
公開日
2025-10-09
出願番号
2024053623
出願日
2024-03-28
発明の名称
駆動装置、カメラモジュールおよびカメラ搭載装置
出願人
ミツミ電機株式会社
代理人
弁理士法人鷲田国際特許事務所
主分類
G03B
5/00 20210101AFI20251002BHJP(写真;映画;光波以外の波を使用する類似技術;電子写真;ホログラフイ)
要約
【課題】AF駆動部およびOIS駆動部の両方の駆動動作の推力を向上させることが可能な駆動装置、カメラモジュールおよびカメラ搭載装置を提供する。
【解決手段】駆動装置は、レンズホルダーと、マグネット部を収容するマグネットホルダーと、コイル部と、撮像素子保持部と、を備え、マグネット部は、AF用マグネットと、OIS用マグネットと、を有し、コイル部は、AF用コイルと、OIS用コイルと、を有し、OIS用マグネットは、光軸方向においてAF用マグネットと隣り合うように配置される第1マグネットおよび第2マグネットを有し、第1マグネットは、AF用マグネットの磁極が並ぶ向きと同じ向きで磁極が並ぶように配置され、第2マグネットは、AF用マグネットの磁極が並ぶ向きと直交する向きで磁極が並ぶように配置され、第1マグネットの各磁極を挟むように、少なくとも2つ設けられる。
【選択図】図9
特許請求の範囲
【請求項1】
レンズを保持するレンズホルダーと、
前記レンズホルダーの少なくとも一部を囲い、マグネット部を収容するマグネットホルダーと、
前記マグネット部およびコイル部を有する駆動部と、
光軸方向で前記レンズと対向する撮像素子を保持する撮像素子保持部と、
を備え、
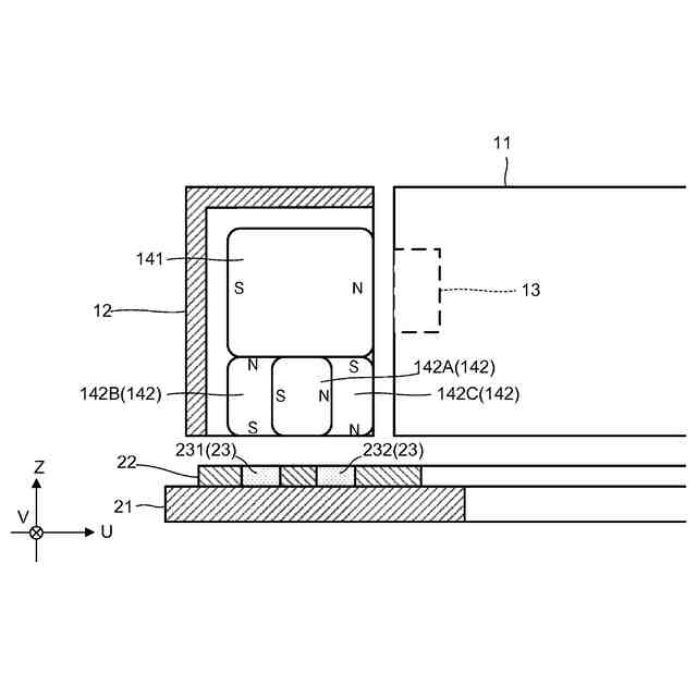
前記マグネット部は、前記光軸方向に前記レンズホルダーを駆動させるためのオートフォーカス用マグネットと、前記光軸方向と直交する光軸直交方向に前記レンズホルダーまたは前記撮像素子保持部を駆動させるための振れ補正用マグネットと、を有し、
前記コイル部は、前記オートフォーカス用マグネットと対向するオートフォーカス用コイルと、前記振れ補正用マグネットと対向する振れ補正用コイルと、を有し、
前記振れ補正用マグネットは、前記光軸方向において前記オートフォーカス用マグネットと隣り合うように配置される第1マグネットおよび第2マグネットを有し、
前記第1マグネットは、前記オートフォーカス用マグネットの磁極が並ぶ向きと同じ向きで磁極が並ぶように配置され、
前記第2マグネットは、
前記オートフォーカス用マグネットの磁極が並ぶ向きと直交する向きで磁極が並ぶように配置され、
前記第1マグネットの各磁極を挟むように、少なくとも2つ設けられる、
駆動装置。
続きを表示(約 990 文字)
【請求項2】
前記第1マグネットおよび前記第2マグネットは、ハルバッハ配列に従って、前記振れ補正用コイルと対向する側が、その反対側よりも磁力が強くなるように配置される、
請求項1に記載の駆動装置。
【請求項3】
前記オートフォーカス用マグネット、前記第1マグネットおよび前記第2マグネットは、単極のマグネットである、
請求項1に記載の駆動装置。
【請求項4】
2つの第2マグネットは、磁極の向きが互いに逆になるように配置される、
請求項3に記載の駆動装置。
【請求項5】
前記オートフォーカス用マグネットおよび前記振れ補正用マグネットを囲うカバー部をさらに備える、
請求項1に記載の駆動装置。
【請求項6】
前記振れ補正用マグネットの形状は、前記マグネットホルダーに配置された状態において、前記光軸方向から見て、前記オートフォーカス用マグネットと同一の形状である、
請求項1に記載の駆動装置。
【請求項7】
前記オートフォーカス用マグネットは、前記オートフォーカス用コイルを四方から取り囲むように4つ配置され、
前記振れ補正用マグネットは、4つのオートフォーカス用マグネットのそれぞれに対応して4つ設けられる、
請求項1に記載の駆動装置。
【請求項8】
前記オートフォーカス用コイルは、前記オートフォーカス用マグネットの磁極が並ぶ向きに沿った方向で前記オートフォーカス用マグネットと対向し、
前記振れ補正用コイルは、前記第2マグネットの磁極が並ぶ向きに沿った方向で前記振れ補正用マグネットと対向する、
請求項1に記載の駆動装置。
【請求項9】
請求項1に記載の駆動装置と、
前記レンズを含む素子部と、
前記素子部により結像された被写体像を撮像する前記撮像素子を含む撮像部と、
を備える、
カメラモジュール。
【請求項10】
情報機器または輸送機器であるカメラ搭載装置であって、
請求項9に記載のカメラモジュールと、
前記カメラモジュールで得られた画像情報を処理する撮像制御部と、
を備える、
カメラ搭載装置。
発明の詳細な説明
【技術分野】
【0001】
本発明は、駆動装置、カメラモジュールおよびカメラ搭載装置に関する。
続きを表示(約 2,200 文字)
【背景技術】
【0002】
一般に、スマートフォン等の携帯端末には、小型のカメラモジュールが搭載されている。このようなカメラモジュールには、被写体を撮影するときのオートフォーカスを自動的に行うオートフォーカス機能(以下、「AF機能」と称する、AF:Auto Focus)及び撮影時に生じる振れ(振動)を光学的に補正して画像の乱れを軽減する振れ補正機能(以下、「OIS機能」と称する、OIS:Optical Image Stabilization)を有するレンズ駆動装置が適用される。
【0003】
AF機能及びOIS機能を有するレンズ駆動装置は、レンズ部を光軸方向に移動させるためのオートフォーカス駆動部(以下、「AF駆動部」と称する)と、レンズ部を光軸方向に直交する光軸直交面内で揺動させるための振れ補正駆動部(以下、「OIS駆動部」と称する)を備える。特許文献1では、AF駆動部及びOIS駆動部に、ボイスコイルモーター(VCM)が適用されている。
【0004】
オートフォーカス時に光軸方向に移動可能なオートフォーカス可動部(以下、「AF可動部」と称する)は、例えば、オートフォーカス固定部(以下、「AF固定部」と称する)に対して径方向に離間して配置される。振れ補正時に光軸直交面内で揺動する振れ補正可動部(以下、「OIS可動部」と称する)は、AF可動部、AF固定部及びAF駆動部を含むAFユニットで構成され、例えば、振れ補正固定部(以下、「OIS固定部」と称する)に対して光軸方向に離間して配置される。OIS可動部は、例えば、サスペンションワイヤー等のOIS支持部によって、OIS固定部に接続され、光軸直交面内で揺動可能となっている。
【0005】
また、AF駆動部およびOIS駆動部のそれぞれには、コイルおよびマグネットが設けられている。マグネットは、AF駆動用のマグネットとOIS駆動用のマグネットとを兼用しており、AF用コイルおよびOIS用コイルの両方と対向する位置に配置される。具体的には、AF用コイルおよびOIS用コイルの一方が、S極およびN極が並ぶ向きに沿った方向(例えば、横方向)でマグネットと対向する。そして、AF用コイルおよびOIS用コイルの他方が横方向とは異なる方向(例えば、縦方向)でマグネットと対向する。
【先行技術文献】
【特許文献】
【0006】
特開2013-210550号公報
【発明の概要】
【発明が解決しようとする課題】
【0007】
ところで、マグネットは、磁極(S極およびN極)が並ぶ方向(横方向)に磁束が流れるので、横方向で対向するコイルについては十分な量の磁束が流れる。そのため、当該コイルに対応する駆動部について、十分な推力により駆動させることが可能である。
【0008】
しかしながら、当該横方向とは異なる縦方向でマグネットと対向するコイルについては、N極からその反対側に位置するS極に回り込む磁束が流れるので、当該コイルに対しては、縦方向ではなく横方向に流れる磁束が多くなる。つまり、当該コイルにおいては、マグネットとの対向方向とは異なる方向の磁束の量が多くなる。このような磁束は駆動部の動作(例えば、OIS動作)に利用し難いので、当該コイルに対応する駆動部について、十分な推力により駆動させることができない可能性がある。つまり、特許文献1に記載の構成は、AF駆動部およびOIS駆動部の両方の駆動動作の推力を向上させる構成として、改善の余地があった。
【0009】
本発明の目的は、AF駆動部およびOIS駆動部の両方の駆動動作の推力を向上させることが可能な駆動装置、カメラモジュールおよびカメラ搭載装置を提供することである。
【課題を解決するための手段】
【0010】
本発明に係る駆動装置は、
レンズを保持するレンズホルダーと、
前記レンズホルダーの少なくとも一部を囲い、マグネット部を収容するマグネットホルダーと、
前記マグネット部およびコイル部を有する駆動部と、
光軸方向で前記レンズと対向する撮像素子を保持する撮像素子保持部と、
を備え、
前記マグネット部は、前記光軸方向に前記レンズホルダーを駆動させるためのオートフォーカス用マグネットと、前記光軸方向と直交する光軸直交方向に前記レンズホルダーまたは前記撮像素子保持部を駆動させるための振れ補正用マグネットと、を有し、
前記コイル部は、前記オートフォーカス用マグネットと対向するオートフォーカス用コイルと、前記振れ補正用マグネットと対向する振れ補正用コイルと、を有し、
前記振れ補正用マグネットは、前記光軸方向において前記オートフォーカス用マグネットと隣り合うように配置される第1マグネットおよび第2マグネットを有し、
前記第1マグネットは、前記オートフォーカス用マグネットの磁極が並ぶ向きと同じ向きで磁極が並ぶように配置され、
前記第2マグネットは、
前記オートフォーカス用マグネットの磁極が並ぶ向きと直交する向きで磁極が並ぶように配置され、
前記第1マグネットの各磁極を挟むように、少なくとも2つ設けられる。
(【0011】以降は省略されています)
この特許をJ-PlatPat(特許庁公式サイト)で参照する
関連特許
ミツミ電機株式会社
半導体装置
11日前
ミツミ電機株式会社
超音波風速計
3日前
ミツミ電機株式会社
多方向入力装置
5日前
ミツミ電機株式会社
多方向入力装置
12日前
ミツミ電機株式会社
多方向入力装置
5日前
ミツミ電機株式会社
多方向入力装置
5日前
ミツミ電機株式会社
多方向入力装置
5日前
ミツミ電機株式会社
電気音響変換装置
5日前
ミツミ電機株式会社
電気音響変換装置
5日前
ミツミ電機株式会社
電気音響変換装置
5日前
ミツミ電機株式会社
電池パック及び充電制御回路
12日前
ミツミ電機株式会社
メンブレン、電気音響変換装置
5日前
ミツミ電機株式会社
超音波風速計、及び風速測定方法
3日前
ミツミ電機株式会社
駆動回路及び電気音響変換システム
5日前
ミツミ電機株式会社
駆動回路及び電気音響変換システム
5日前
ミツミ電機株式会社
MEMSデバイス、電気音響変換装置
5日前
ミツミ電機株式会社
MEMSデバイス、電気音響変換装置
5日前
ミツミ電機株式会社
MEMSデバイス、電気音響変換装置
5日前
ミツミ電機株式会社
MEMSデバイス、電気音響変換装置
5日前
ミツミ電機株式会社
アンテナ装置およびラジオ放送受信システム
4日前
ミツミ電機株式会社
多方向入力装置の製造方法および多方向入力装置
5日前
ミツミ電機株式会社
駆動装置、カメラモジュールおよびカメラ搭載装置
4日前
ミツミ電機株式会社
MEMSデバイス、電気音響変換装置、変位測定方法
5日前
ミツミ電機株式会社
半導体集積回路及びそれを備える装置、並びにバスシステム
25日前
株式会社シグマ
絞りユニット
25日前
キヤノン株式会社
撮像装置
1か月前
平和精機工業株式会社
雲台
1か月前
キヤノン株式会社
撮像装置
24日前
日本精機株式会社
車両用投射装置
4日前
キヤノン株式会社
撮像装置
18日前
株式会社リコー
画像形成装置
1か月前
株式会社リコー
画像形成装置
2か月前
株式会社リコー
画像形成装置
14日前
株式会社リコー
画像形成装置
2か月前
株式会社リコー
画像形成装置
1か月前
株式会社リコー
画像形成装置
3か月前
続きを見る
他の特許を見る