TOP
|
特許
|
意匠
|
商標
特許ウォッチ
Twitter
他の特許を見る
10個以上の画像は省略されています。
公開番号
2025153039
公報種別
公開特許公報(A)
公開日
2025-10-10
出願番号
2024055300
出願日
2024-03-29
発明の名称
作業機械および作業機械の制御方法
出願人
株式会社小松製作所
代理人
弁理士法人志賀国際特許事務所
主分類
E02F
9/00 20060101AFI20251002BHJP(水工;基礎;土砂の移送)
要約
【課題】作業機械のエネルギー効率を向上する。
【解決手段】作業機械は、走行体と、旋回体と、電動旋回モータと、燃料電池とを備える。旋回体は、走行体に旋回可能に支持され、電動旋回モータは、旋回体を旋回させるための動力を発生する。旋回体が旋回しているときに燃料電池が発電する電力は、旋回体が旋回していないときに燃料電池が発電する電力に比べて小さい。
【選択図】図7
特許請求の範囲
【請求項1】
走行体と、
前記走行体に旋回可能に支持された旋回体と、
前記旋回体を旋回させるための動力を発生する旋回モータと、
前記旋回モータを駆動させるための電力を発電する燃料電池と、
を備え、
前記旋回体が旋回しているときに前記燃料電池が発電する電力は、前記旋回体が旋回していないときに前記燃料電池が発電する電力に比べて小さい、
作業機械。
続きを表示(約 580 文字)
【請求項2】
制御装置を備え、
前記制御装置は、
前記旋回体が旋回していないときに、所定の第一電力に基づいて前記燃料電池を発電させる指令を出力し、
前記旋回体が旋回しているときに、前記第一電力より小さい第二電力に基づいて前記燃料電池を発電させる指令を出力する、
請求項1に記載の作業機械。
【請求項3】
前記制御装置は、前記旋回体の旋回が開始されるときから、前記旋回体の旋回が停止するまでの間、前記第二電力に基づく指令を出力する
請求項2に記載の作業機械。
【請求項4】
前記制御装置は、前記旋回体の旋回を操作する旋回操作信号を受信した場合に、前記旋回体の旋回が開始されると判定し、前記第二電力に基づいて前記燃料電池を発電させる指令を出力する、
請求項3に記載の作業機械。
【請求項5】
作業機と、
旋回体と、
前記旋回体に支持され、前記作業機を駆動させ、前記旋回体を旋回させるための電力を発電する燃料電池と、
を備える作業機械を制御するための方法であって、
前記旋回体が旋回しているときは、前記旋回体が旋回していないときと比べて、前記燃料電池が発電する電力より小さくなるように前記燃料電池の発電量を制御する、
方法。
発明の詳細な説明
【技術分野】
【0001】
本開示は、作業機械および作業機械の制御方法に関する。
続きを表示(約 1,500 文字)
【背景技術】
【0002】
特許文献1に示すように、水素を燃料として用いる燃料電池を搭載する作業機械が検討されている。燃料電池で駆動する作業機械は、燃料電池の搭載量を抑え、また回生電力を充電させるために、バッテリなどの蓄電装置を備える。そのため、作業機械の制御装置は、燃料電池と蓄電装置のエネルギーを適切に分配するエネルギーマネジメントを行う必要がある。
【先行技術文献】
【特許文献】
【0003】
特開2023-110969号公報
【発明の概要】
【発明が解決しようとする課題】
【0004】
作業機械は、蓄電装置に充電された電力が枯渇しないように、燃料電池の発電量を制御することが好ましい。一方で、燃料電池の発電によって蓄電装置が十分に充電されている場合、作業機械の動作によって発生した回生電力は、熱エネルギーに変換して消費せざるを得ず、エネルギー効率が悪くなる可能性がある。
【0005】
本開示の目的は、作業機械のエネルギー効率を向上することができる作業機械および作業機械の制御方法を提供することにある。
【課題を解決するための手段】
【0006】
本発明の一態様によれば、作業機械は、走行体と、走行体に旋回可能に支持された旋回体と、旋回体を旋回させるための動力を発生する電動旋回モータと、電動旋回モータを駆動させるための電力を発電する燃料電池と、を備え、旋回体が旋回しているときに燃料電池が発電する電力は、旋回体が旋回していないときに燃料電池が発電する電力に比べて小さい。
【発明の効果】
【0007】
上記態様によれば、作業機械は、作業機械のエネルギー効率を向上することができる。
【図面の簡単な説明】
【0008】
第一実施形態に係る作業機械の斜視図である。
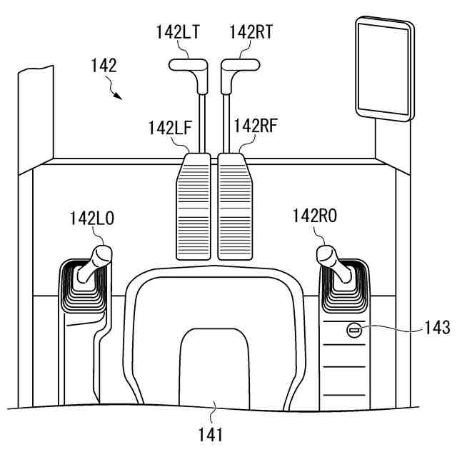
第一実施形態に係る作業機械の運転室の構成を示す概略図である。
第一実施形態に係る作業機械の構成を示す概略ブロック図である。
第一実施形態に係る主制御装置の構成を示す概略ブロック図である。
第一実施形態に係る主制御装置の制御の一例を示すタイムチャートである。
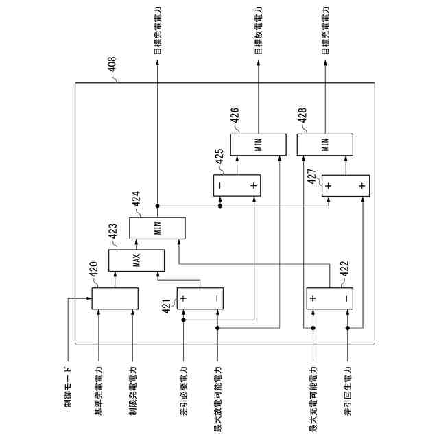
第一の実施形態に係る制御量決定部による演算アルゴリズムを示すブロック図である。
第一実施形態に係る作業機械の制御方法を示すフローチャートである。
少なくとも1つの実施形態に係るコンピュータの構成を示す概略ブロック図である。
第二実施形態に係る作業機械の構成を示す概略ブロック図である。
【発明を実施するための形態】
【0009】
〈第一実施形態〉
《作業機械1の構成》
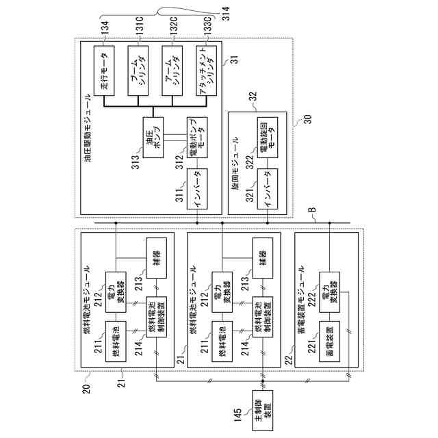
図1は、第一実施形態に係る作業機械1の斜視図である。第一実施形態に係る作業機械1は、例えば油圧ショベルである。作業機械1は、走行体110と、旋回体120と、作業機130と、運転室140と、主制御装置145とを備える。油圧ショベルである作業機械1は、作業現場等において土砂などを掘削、整地する。走行体110と旋回体120とは、車体を構成する。
【0010】
走行体110は、作業機械1を走行可能に支持する。走行体110は、左右一対の履帯を有する。作業機械1は一対の履帯の回転により前進し、旋回し、または後進する。
旋回体120は、走行体110に旋回可能に支持される。旋回体120は、後述する電動旋回モータ322によって、走行体110に対して旋回する。旋回体120は、作業機130と、運転室140と、機械室150と、燃料電池システム20とを支持する。
(【0011】以降は省略されています)
この特許をJ-PlatPat(特許庁公式サイト)で参照する
関連特許
千代田工営株式会社
回転貫入杭
3日前
株式会社熊谷組
山留壁用親杭
9日前
日立建機株式会社
作業機械
3日前
日立建機株式会社
建設機械
10日前
日立建機株式会社
作業機械
10日前
ヤンマーホールディングス株式会社
作業機械
2日前
ヤンマーホールディングス株式会社
作業機械
2日前
日立建機株式会社
建設機械
10日前
日立建機株式会社
作業車両
5日前
日立建機株式会社
作業機械
9日前
日立建機株式会社
作業機械
9日前
日本車輌製造株式会社
建設機械
5日前
日立建機株式会社
作業機械
9日前
鹿島建設株式会社
接続方法および接続構造
5日前
ライト工業株式会社
鉄筋保持用治具
10日前
株式会社竹内製作所
作業用車両
9日前
株式会社竹内製作所
作業用車両
9日前
株式会社竹内製作所
作業用車両
9日前
JFEスチール株式会社
鋼管矢板の継手構造
10日前
株式会社竹内製作所
作業用車両
9日前
山形新興株式会社
建築物の基礎及び基礎成形型
4日前
清水建設株式会社
遮水層の構築方法
9日前
コベルコ建機株式会社
施工システム
9日前
個人
アンカーボルト支持装置
2日前
清水建設株式会社
免震装置の基礎構造
10日前
日立建機株式会社
作業機械
10日前
日立建機株式会社
作業機械
9日前
日立建機株式会社
作業機械
9日前
日立建機株式会社
作業機械
10日前
大和ハウス工業株式会社
基礎、及び基礎構築方法
9日前
コベルコ建機株式会社
作業補助システム
9日前
日鉄建材株式会社
鋼製枠の補修構造及び鋼製枠の補修方法
9日前
株式会社日立建機ティエラ
建設機械
10日前
日鉄建材株式会社
鋼製枠の補修構造及び鋼製枠の補修方法
9日前
北海道電力株式会社
滞留水への酸素供給方法
4日前
日立建機株式会社
作業機械用情報入力システム
10日前
続きを見る
他の特許を見る