TOP
|
特許
|
意匠
|
商標
特許ウォッチ
Twitter
他の特許を見る
公開番号
2025154049
公報種別
公開特許公報(A)
公開日
2025-10-10
出願番号
2024056832
出願日
2024-03-29
発明の名称
作業機械
出願人
日立建機株式会社
代理人
弁理士法人開知
主分類
E02F
9/22 20060101AFI20251002BHJP(水工;基礎;土砂の移送)
要約
【課題】制御弁のメータアウトの開きと負荷保持弁の開きのタイミングのずれを軽減することができる作業機械を提供する。
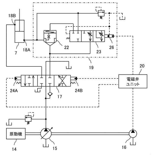
【解決手段】作業機械は、ブームシリンダ7に対する圧油の流れを制御する制御弁17と、ブームシリンダ7のポート18Aと制御弁17の間に設けられた負荷保持弁19と、制御弁17を操作するパイロット圧を生成する電磁弁25A,25Bと、負荷保持弁19を操作するパイロット圧を生成する電磁弁27と、コントローラ21とを備える。コントローラ21は、ブームシリンダ7のポート18Bへ圧油を供給すると共にポート18Aから圧油を排出するように、電磁弁25Bを介し制御弁17を制御しつつ、電磁弁27へ出力する制御指令を変化させて、負荷保持弁19が開き始めるときの制御指令を学習し、学習した制御指令を用いて制御テーブルを補正する。
【選択図】図3
特許請求の範囲
【請求項1】
車体と、
前記車体に連結された作業装置と、
前記作業装置を駆動する少なくとも1つの油圧アクチュエータと、
前記車体に搭載された原動機と、
前記原動機によって駆動される油圧ポンプと、
前記油圧ポンプから前記油圧アクチュエータの第1ポート及び第2ポートのうちの一方へ圧油を供給すると共に他方から圧油を排出するように制御する制御弁と、
前記油圧アクチュエータの前記第1ポートと前記制御弁の間に設けられ、開状態若しくは閉状態に切換えられる負荷保持弁と、
前記油圧アクチュエータの動作を指示する操作指令を出力する操作装置と、
前記制御弁を操作するパイロット圧を生成する第1の電磁弁と、
前記負荷保持弁を操作するパイロット圧を生成する第2の電磁弁と、
前記操作装置の前記操作指令に応じて前記第1の電磁弁及び前記第2の電磁弁を制御するコントローラとを備え、
前記コントローラは、制御テーブルを用いて前記操作指令に対応する制御指令を取得し、取得した制御指令を前記第2の電磁弁へ出力して前記負荷保持弁を前記閉状態から前記開状態へ切換える、作業機械において、
前記作業装置の姿勢を検出する姿勢センサを備え、
前記コントローラは、
前記第1の電磁弁を介し前記制御弁を制御して、前記油圧ポンプから前記油圧アクチュエータの前記第2ポートへ圧油を供給するメータイン側を開くと共に前記第1ポートから圧油を排出するメータアウト側を開きつつ、前記第2の電磁弁へ出力する制御指令を変化させ、
前記姿勢センサで検出された前記作業装置の姿勢が変化し始めたときの制御指令を、前記負荷保持弁が開き始めるときの制御指令として学習し、
学習した制御指令を用いて前記制御テーブルを補正することを特徴とする作業機械。
続きを表示(約 410 文字)
【請求項2】
請求項1に記載の作業機械において、
前記作業装置は、前記車体に回動可能に連結されたブームを有し、
前記少なくとも1つの油圧アクチュエータは、前記車体に対して前記ブームを回動させるブームシリンダを含んでおり、
前記負荷保持弁は、前記ブームシリンダの第1ポートと前記制御弁の間に設けられたことを特徴とする作業機械。
【請求項3】
請求項1に記載の作業機械において、
前記作業装置は、前記車体に回動可能に連結されたブームと、前記ブームに回動可能に連結されたアームとを有し、
前記少なくとも1つの油圧アクチュエータは、前記車体に対して前記ブームを回動させるブームシリンダと、前記ブームに対して前記アームを回動させるアームシリンダとを含んでおり、
前記負荷保持弁は、前記アームシリンダの第1ポートと前記制御弁の間に設けられたことを特徴とする作業機械。
発明の詳細な説明
【技術分野】
【0001】
本発明は、油圧ショベル等の作業機械に関する。
続きを表示(約 2,300 文字)
【背景技術】
【0002】
油圧ショベル等の作業機械は、油圧ポンプと、多関節を有する作業装置を駆動する油圧アクチュエータと、油圧アクチュエータに対する圧油の流れ方向と流量を制御する方向制御弁とを備え、方向制御弁は、コントローラからの指令に基づき、圧油の給排方向や油圧ポンプから油圧アクチュエータへ供給する圧油の流量、油圧アクチュエータから油タンクへ排出する圧油の流量を制御するものである。また、作業機械は、方向制御弁の他にも各種制御弁を備える。これらの制御弁の開口量を制御するにあたり、コントローラから出力される電流値と制御弁の開口量との関係を示す制御テーブルが用意され、油圧ポンプの容量を制御するに際しても、コントローラから出力される電流指令値とポンプ容量との関係を示す制御テーブルが備えられる。
【0003】
ここで、油圧ポンプの容量を可変にするレギュレータは製造バラツキや経年劣化によって必ずしも形状が一律とは限らないため、制御テーブルにおける電流指令値とポンプ容量との関係も同一仕様のレギュレータであっても必ずしも同一という訳ではなく、時間の経過とともにずれが生じる場合も出てくる。この制御テーブルにおける電流指令値とポンプ容量との関係のずれ(誤差)を解消するため、制御テーブルを補正する技術が知られている。コントローラは、レギュレータへ出力する電流指令値を変化させながら油圧ポンプの吐出圧を測定して、電流指令値と油圧ポンプの吐出圧との組合せからなる較正用データを取得して、取得した較正用データに基づき、制御テーブルを補正することで制御テーブルの誤差を解消している(特許文献1)。
【先行技術文献】
【特許文献】
【0004】
特許第6966830号公報
【発明の概要】
【発明が解決しようとする課題】
【0005】
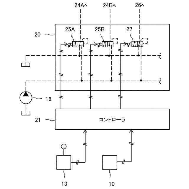
上述した制御弁の1つに、油圧アクチュエータの負荷を保持する負荷保持弁を操作するパイロット圧を生成する電磁弁があり、この電磁弁は、操作装置の操作指令に応じてコントローラにより制御される。
【0006】
コントローラは、操作装置の非操作時、電磁弁を作動させず、負荷保持弁を閉状態とする。これにより、作業装置の自重による油圧アクチュエータの駆動を防止する。コントローラは、操作装置の操作時、操作指令と制御指令との関係を示す制御テーブルを用いて、操作指令に対応する制御指令を取得し、取得した制御指令を電磁弁へ出力する。電磁弁は、制御指令に対応するパイロット圧を生成して負荷保持弁へ出力し、負荷保持弁を閉状態から開状態へ切換える。これにより、操作装置の操作による油圧アクチュエータの駆動を許容する。
【0007】
制御テーブルにおける制御指令(電流指令値)とパイロット圧との関係のずれを解消するため、特許文献1の技術を適用することが考えられる。しかしながら、制御テーブルの誤差は、電磁弁の製造バラツキによる影響だけでなく、負荷保持弁の製造バラツキによる影響(すなわち、電磁弁のパイロット圧と負荷保持弁の開口量との関係のずれ)も考えられる。負荷保持弁の製造バラツキが影響すると、制御テーブルの誤差を十分に解消できず、制御弁のメータアウトの開きと負荷保持弁の開きのタイミングのずれを十分に軽減できない。
【0008】
本発明は、上記事柄に鑑みてなされたものであり、その目的は、制御弁のメータアウトの開きと負荷保持弁の開きのタイミングのずれを軽減することができる作業機械を提供することにある。
【課題を解決するための手段】
【0009】
上記目的を達成するために、本発明は、車体と、前記車体に連結された作業装置と、前記作業装置を駆動する少なくとも1つの油圧アクチュエータと、前記車体に搭載された原動機と、前記原動機によって駆動される油圧ポンプと、前記油圧ポンプから前記油圧アクチュエータの第1ポート及び第2ポートのうちの一方へ圧油を供給すると共に他方から圧油を排出するように制御する制御弁と、前記油圧アクチュエータの前記第1ポートと前記制御弁の間に設けられ、開状態若しくは閉状態に切換えられる負荷保持弁と、前記油圧アクチュエータの動作を指示する操作指令を出力する操作装置と、前記制御弁を操作するパイロット圧を生成する第1の電磁弁と、前記負荷保持弁を操作するパイロット圧を生成する第2の電磁弁と、前記操作装置の前記操作指令に応じて前記第1の電磁弁及び前記第2の電磁弁を制御するコントローラとを備え、前記コントローラは、制御テーブルを用いて前記操作指令に対応する制御指令を取得し、取得した制御指令を前記第2の電磁弁へ出力して前記負荷保持弁を前記閉状態から前記開状態へ切換える、作業機械において、前記作業装置の姿勢を検出する姿勢センサを備え、前記コントローラは、前記第1の電磁弁を介し前記制御弁を制御して、前記油圧ポンプから前記油圧アクチュエータの前記第2ポートへ圧油を供給するメータイン側を開くと共に前記第1ポートから圧油を排出するメータアウト側を開きつつ、前記第2の電磁弁へ出力する制御指令を変化させ、前記姿勢センサで検出された前記作業装置の姿勢が変化し始めたときの制御指令を、前記負荷保持弁が開き始めるときの制御指令として学習し、学習した制御指令を用いて前記制御テーブルを補正する。
【発明の効果】
【0010】
本発明によれば、制御弁のメータアウトの開きと負荷保持弁の開きのタイミングのずれを軽減することができる。
【図面の簡単な説明】
(【0011】以降は省略されています)
この特許をJ-PlatPat(特許庁公式サイト)で参照する
関連特許
日立建機株式会社
作業機械
3か月前
日立建機株式会社
作業機械
10日前
日立建機株式会社
作業機械
6日前
日立建機株式会社
作業機械
6日前
日立建機株式会社
作業機械
6日前
日立建機株式会社
作業車両
6日前
日立建機株式会社
作業車両
6日前
日立建機株式会社
建設機械
6日前
日立建機株式会社
建設機械
6日前
日立建機株式会社
建設機械
10日前
日立建機株式会社
油圧機器
10日前
日立建機株式会社
作業機械
10日前
日立建機株式会社
建設機械
2か月前
日立建機株式会社
作業車両
10日前
日立建機株式会社
建設機械
10日前
日立建機株式会社
作業機械
10日前
日立建機株式会社
作業機械
3か月前
日立建機株式会社
作業機械
10日前
日立建機株式会社
建設機械
10日前
日立建機株式会社
作業機械
11日前
日立建機株式会社
作業機械
11日前
日立建機株式会社
作業機械
14日前
日立建機株式会社
建設機械
14日前
日立建機株式会社
作業機械
18日前
日立建機株式会社
作業機械
24日前
日立建機株式会社
建設機械
2か月前
日立建機株式会社
作業機械
1か月前
日立建機株式会社
作業機械
2か月前
日立建機株式会社
作業機械
1か月前
日立建機株式会社
作業機械
2か月前
日立建機株式会社
油圧機器
5日前
日立建機株式会社
建設機械
2か月前
日立建機株式会社
作業機械
3日前
日立建機株式会社
建設機械
4日前
日立建機株式会社
作業機械
3日前
日立建機株式会社
作業機械
4日前
続きを見る
他の特許を見る