TOP
|
特許
|
意匠
|
商標
特許ウォッチ
Twitter
他の特許を見る
公開番号
2025154515
公報種別
公開特許公報(A)
公開日
2025-10-10
出願番号
2024057564
出願日
2024-03-29
発明の名称
粉粒体処理装置
出願人
株式会社カワタ
代理人
個人
主分類
F26B
23/00 20060101AFI20251002BHJP(乾燥)
要約
【課題】さらなる省エネルギー化を図ることができる、粉粒体処理装置を提供する。
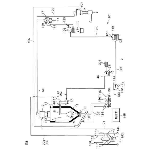
【解決手段】粒体処理装置1では、粉粒体が乾燥ホッパ11の内部の乾燥空間143に収容されて、その乾燥空間143に乾燥ガスライン16を流れる乾燥ガスが供給される。乾燥ガスライン16を流れる乾燥ガスは、乾燥ヒータ25により加熱されている。そのため、乾燥空間143において、粉粒体が昇温し、粉粒体から水分が蒸発して、粉粒体が乾燥する。乾燥空間143に供給される粉粒体は、その供給の起点となる貯留タンク106に貯留されている。粉粒体処理装置1には、熱交換機構144が設けられており、貯留タンク106内に貯留された粉粒体と再生ガス排出管76からガス導入管152を通して本体151内に供給される高温の再生ガスとの間で熱交換が行われる。
【選択図】図1
特許請求の範囲
【請求項1】
粉粒体を乾燥させる処理に用いられる粉粒体処理装置であって、
粉粒体が収容される乾燥空間を内部に提供する乾燥容器と、
前記乾燥空間に供給されるガスが流れる乾燥ガスラインと、
前記乾燥ガスラインを流れるガスを加熱する乾燥ヒータと、
外部に排出されるガスが流れる排出ガスラインと、
粉粒体を貯留し、前記乾燥空間への粉粒体の供給の起点となる貯留容器と、
前記貯留容器内に貯留された粉粒体と前記排出ガスラインを流れるガスとの間で熱交換させる熱交換機構と、
を含む、粉粒体処理装置。
続きを表示(約 1,400 文字)
【請求項2】
前記熱交換機構は、
筒状の側壁、前記側壁の一端を閉鎖する一端壁および前記側壁の他端を閉鎖する他端壁を有し、前記貯留容器内に配置される本体と、
一端が前記本体内に開放され、他端に前記排出ガスラインが接続されるガス導入管と、
一端が前記本体内に開放され、他端が前記貯留容器の外部で開放されるガス排出管と、
を備えている、請求項1に記載の粉粒体処理装置。
【請求項3】
前記一端壁および前記他端壁の少なくとも一方は、前記側壁から離れる側に先細りとなる錐状に形成されている、請求項2に記載の粉粒体処理装置。
【請求項4】
前記本体は、前記側壁から周囲に延出する板状のフィンをさらに有している、請求項2に記載の粉粒体処理装置。
【請求項5】
前記熱交換機構は、一端に前記排出ガスラインが接続され、途中部が前記貯留容器内を経由して、他端が貯留容器の外部で開放される配管を備えている、請求項1に記載の粉粒体処理装置。
【請求項6】
前記配管は、前記貯留容器内を経由する前記途中部に、
一方向に延びる第1管部と、
前記第1管部と連通し、前記一方向と交差する方向に延びる第2管部と、
を有している、請求項5に記載の粉粒体処理装置。
【請求項7】
前記熱交換機構は、
前記貯留容器の側壁の外周を覆うジャケットと、
一端が前記ジャケットに接続され、他端に前記排出ガスラインが接続されて、前記排出ガスラインを流れるガスを前記ジャケット内に導入するガス導入管と、
一端が前記ジャケットに接続され、他端が前記貯留容器の外部で開放されて、前記ジャケット内を流れるガスを排出するガス排出管と、
を備えている、請求項1に記載の粉粒体処理装置。
【請求項8】
前記貯留容器は、粉粒体が封入された袋であり、
前記熱交換機構は、
前記袋が収容される袋収容空間を提供し、前記袋収容空間を閉鎖可能に構成された加熱槽と、
一端が前記袋収容空間に開放され、他端に前記排出ガスラインが接続される加熱ガス導入管と、
一端が前記袋収容空間に開放される加熱ガス排出管と、
を備えている、請求項1に記載の粉粒体処理装置。
【請求項9】
前記袋から粉粒体が移される保温容器を収容し、前記保温容器が収容された容器収容空間を閉鎖可能に構成された保温槽と、
一端が前記容器収容空間に開放され、他端に前記加熱ガス排出管の他端が接続される保温ガス導入管と、
一端が前記容器収容空間に開放され、他端が前記保温槽の外部で開放される保温ガス排出管と、
をさらに含む、請求項8に記載の粉粒体処理装置。
【請求項10】
水分を吸着する吸着材を備え、ガスを前記吸着材に接触させつつ通過させる吸着器と、
前記吸着材から水分を脱離させるためのガスが流れる再生ガスラインと、
前記再生ガスラインを流れるガスを加熱する再生ヒータと、
をさらに含み、
前記乾燥ガスラインを流れるガスが前記吸着器を通過し、また、前記再生ガスラインを流れるガスが前記再生ヒータによる加熱後に前記吸着器を通過するように構成されている、請求項1~9のいずれか一項に記載の粉粒体処理装置。
(【請求項11】以降は省略されています)
発明の詳細な説明
【技術分野】
【0001】
本発明は、粉粒体処理装置に関する。
続きを表示(約 1,500 文字)
【背景技術】
【0002】
プラスチック製品の製造工程では、プラスチック材料の粉粒体が成形機に投入されるまでに、その粉粒体から水分を除去するための乾燥処理が行われる。
【0003】
従来、乾燥処理に用いられる装置は、種々提供されている。その一種として、粉粒体の乾燥のためのエアを装置内で循環させる方式を採用した装置がある。この装置では、低湿のエアが加熱により低露点化されて、低湿かつ高温で低露点のエアが粉粒体に供給される。これにより、粉粒体から水分が蒸発する。粉粒体を通過した後のエアは、水分が吸着材に吸着されることにより除湿されて、低湿のエアに戻される。そして、低湿のエアが再び加熱されて、低露点のエアが粉粒体に供給される。一方、吸着材から水分を除去するため、装置の外部から取り込まれるエアが加熱されて、高温のエアが吸着材に供給される。吸着材から除去された水分を含むエアは、装置から排出される。
【0004】
また、粉粒体の乾燥のためのエアを装置内で循環させない方式を採用した装置もある。この装置では、装置の外部から取り込まれるエアが加熱されて、高温のエアが粉粒体に供給され、粉粒体から蒸発した水分を含むエアが装置から排出される。
【0005】
これらの方式のいずれを採用した装置であっても、高温のエアの排出による廃熱(熱エネルギーの廃棄)が生じることから、その廃熱の利用により、省エネルギー化を図ることができる。たとえば、特許文献1では、粉粒体に供給されるエアがヒータによって加熱される前に、その加熱前のエアと粉粒体を通過した後の高温のエアとの間で熱交換を行うことにより、省エネルギー化を図る技術が提案されている。
【先行技術文献】
【特許文献】
【0006】
特開平7-305957号公報
【発明の概要】
【発明が解決しようとする課題】
【0007】
ところが、その提案に係る技術では、熱交換後であっても、排気の温度が外気環境の温度よりは高く、その廃棄がそのまま排出されるため、省エネルギー効果に限界がある。また、粉粒体は、保管時の温度・湿度等の環境によって、初期の水分値に大きくばらつきがある。そのため、粉粒体の乾燥不良を防ぐには、粉粒体の初期水分値が高い状態を想定して運転条件が設定されるので、場合によっては、粉粒体に不要に大きい熱が付与されている場合もあり得る。
【0008】
本発明の目的は、さらなる省エネルギー化を図ることができる、粉粒体処理装置を提供することである。
【課題を解決するための手段】
【0009】
前記の目的を達成するため、本発明に係る粉粒体処理装置は、粉粒体を乾燥させる処理に用いられる粉粒体処理装置であって、粉粒体が収容される乾燥空間を内部に提供する乾燥容器と、乾燥空間に供給されるガスが流れる乾燥ガスラインと、乾燥ガスラインを流れるガスを加熱する乾燥ヒータと、外部に排出されるガスが流れる排出ガスラインと、粉粒体を貯留し、乾燥空間への粉粒体の供給の起点となる貯留容器と、貯留容器内に貯留された粉粒体と排出ガスラインを流れるガスとの間で熱交換させる熱交換機構とを含む。
【0010】
この構成によれば、粉粒体が乾燥容器の内部の乾燥空間に収容されて、その乾燥空間に乾燥ガスラインを流れるガスが供給される。乾燥ガスラインを流れるガスは、乾燥ヒータにより加熱されている。そのため、乾燥空間において、粉粒体が昇温し、粉粒体から水分が蒸発して、粉粒体が乾燥する。乾燥空間に供給される粉粒体は、その供給の起点となる貯留容器に貯留されている。
(【0011】以降は省略されています)
この特許をJ-PlatPat(特許庁公式サイト)で参照する
関連特許
株式会社カワタ
粉粒体処理装置
今日
株式会社カワタ
粉粒体処理装置および乾燥方法
今日
株式会社カワタ
粉粒体処理容器および乾燥装置
今日
株式会社カワタ
コーティング溶液調製方法、コーティング溶液およびコーティング方法
今日
個人
ハンディ傘乾燥丸め器
1か月前
株式会社サタケ
循環式穀物乾燥機
14日前
株式会社サタケ
粒状物の乾燥装置
今日
株式会社チノー
乾燥システム
2か月前
株式会社ダイソー
乾熱減容処理装置
1か月前
株式会社クレブ
ブーツ乾燥装置
7か月前
株式会社カワタ
粉粒体処理装置
今日
東レエンジニアリング株式会社
乾燥装置
1か月前
東レ株式会社
塗膜付きシートの加熱装置
4か月前
東レエンジニアリング株式会社
乾燥装置
12か月前
東レエンジニアリング株式会社
乾燥装置
1日前
東レエンジニアリング株式会社
乾燥装置
12か月前
東レエンジニアリング株式会社
乾燥装置
12か月前
エイ・エス・デイ株式会社
乾燥装置
2か月前
大東電子株式会社
傘水滴除去装置
8か月前
株式会社サタケ
穀物乾燥機
2か月前
株式会社ヨシカワ
乾燥装置
1か月前
クリーン・テクノロジー株式会社
乾燥装置
7か月前
クリーン・テクノロジー株式会社
乾燥装置
8か月前
クリーン・テクノロジー株式会社
乾燥装置
11か月前
高砂工業株式会社
凍結乾燥装置
6か月前
アントム株式会社
搬送式乾燥炉
5か月前
株式会社ワカミヤ商会
乾燥装置
3か月前
セイコーエプソン株式会社
乾燥機
4か月前
株式会社カワタ
粉粒体処理装置および乾燥方法
今日
株式会社カワタ
粉粒体処理容器および乾燥装置
今日
個人
常服乾燥装置
21日前
株式会社大川原製作所
乾燥システム
6か月前
株式会社大川原製作所
乾燥システム
6か月前
株式会社マクニカ
乾熱減容処理装置
1か月前
クリーン・テクノロジー株式会社
熱風式乾燥装置
7か月前
特殊電極株式会社
塗装乾燥装置および塗装乾燥方法
7か月前
続きを見る
他の特許を見る