TOP
|
特許
|
意匠
|
商標
特許ウォッチ
Twitter
他の特許を見る
公開番号
2025156532
公報種別
公開特許公報(A)
公開日
2025-10-14
出願番号
2025130771,2024060016
出願日
2025-08-05,2021-11-30
発明の名称
運動マネージャおよびシステム
出願人
トヨタ自動車株式会社
代理人
弁理士法人深見特許事務所
主分類
B60W
50/00 20060101AFI20251002BHJP(車両一般)
要約
【課題】車両の運転支援に関する行動計画を適切に設定する。
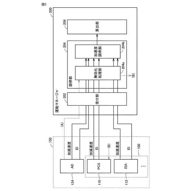
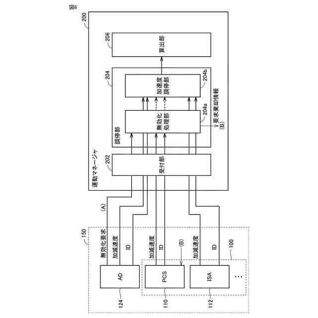
【解決手段】運動マネージャ200は、複数のシステムから複数の行動計画を示す情報をそれぞれ受け付ける受付部202と、複数の行動計画を調停する調停部204と、調停部204による調停結果に基づいて設定される車両に対する運動要求を複数のアクチュエータのうちの少なくともいずれかに分配する分配部とを備える。複数のシステムは、ADS122とPCS110とを含む。受付部204は、ADS122において設定される第1行動計画をPCS110において設定される第2行動計画よりも優先して選択することを要求する無効化要求をADS122から受け付ける。
【選択図】図6
特許請求の範囲
【請求項1】
複数のシステムの各々において設定される車両の運転支援に関する複数の行動計画に従って前記車両の運動を前記車両に設けられる複数のアクチュエータのうちの少なくともいずれかに要求する運動マネージャであって、
前記複数のシステムから前記複数の行動計画を示す情報をそれぞれ受け付ける受付部と、
前記複数の行動計画を調停する調停部と、
前記調停部による調停結果に基づいて設定される前記車両に対する運動要求を前記複数のアクチュエータのうちの少なくともいずれかに分配する分配部とを備え、
前記複数のシステムは、第1システムと第2システムとを含み、
前記受付部は、前記第1システムにおいて設定される第1行動計画を前記第2システムにおいて設定される第2行動計画よりも優先して選択することを要求する要求情報を前記第1システムから受け付ける、運動マネージャ。
続きを表示(約 870 文字)
【請求項2】
前記要求情報は、前記第2システムにおいて設定される前記第2行動計画の無効化を要求する情報を含む、請求項1に記載の運動マネージャ。
【請求項3】
前記要求情報は、前記第1システムにおいて設定される前記第1行動計画の優先順位を前記第2システムにおいて設定される前記第2行動計画の優先順位よりも高くすることを要求する情報を含む、請求項1に記載の運動マネージャ。
【請求項4】
前記調停部は、受け付けた前記要求情報に従って前記複数の行動計画を調停する、請求項1~3のいずれかに記載の運動マネージャ。
【請求項5】
前記調停部は、前記第2システムに対して前記要求情報に関する情報を出力する、請求項1~4のいずれかに記載の運動マネージャ。
【請求項6】
前記複数のシステムは、前記第1システムおよび前記第2システムと異なり、かつ、前記第1行動計画が優先されない行動計画を設定する第3システムをさらに含む、請求項1~5のいずれかに記載の運動マネージャ。
【請求項7】
前記運動マネージャは、前記第2システムおよび前記第3システムのうちの少なくともいずれかについての情報を記憶する記憶部をさらに備える、請求項6に記載の運動マネージャ。
【請求項8】
前記第1システムは、自動運転システムを含み、
前記第2システムおよび前記第3システムの各々は、前記車両に搭載されるシステムを含む、請求項6または7に記載の運動マネージャ。
【請求項9】
前記第1システムは、自動運転システムを含み、
前記第2システムおよび前記第3システムは、複数の運転支援システムのうちの少なくともいずれかを含む、請求項6または7に記載の運動マネージャ。
【請求項10】
前記第3システムは、法規に適合するように設定されたシステムを含む、請求項6~9のいずれかに記載の運動マネージャ。
(【請求項11】以降は省略されています)
発明の詳細な説明
【技術分野】
【0001】
本開示は、車両の運転支援に関する複数のアプリケーションから受ける行動計画を調停する運動マネージャの制御に関する。
続きを表示(約 1,500 文字)
【背景技術】
【0002】
車両の運転支援に関する行動計画を設定し、要求する複数のアプリケーションと、複数のアプリケーションからの複数の行動計画を一本化し、一本化した行動計画に基づいて運動要求を設定する運動マネージャと、設定された運動要求を実現するアクチュエータシステムとから構成される車両が公知である。この車両においては、たとえば、複数のアプリケーションの各々から運動マネージャに要求される行動計画を一本化する場合には、たとえば、複数の要求値のうちの所定の条件を満足する要求値を選択する場合がある。
【0003】
たとえば、特開2020-032894号公報(特許文献1)には、自動運転や各種運転支援に関する複数のアプリケーションからの複数の要求加速度のうちの最小値を選択する技術が開示される。
【先行技術文献】
【特許文献】
【0004】
特開2020-032894号公報
【発明の概要】
【発明が解決しようとする課題】
【0005】
上述のような車両において、行動計画を設定するアプリケーションが複数ある場合において、たとえば、一方のアプリケーションが自動運転などの車両の一連の動作を行なう行動計画を設定し、他のシステムが散発的に行動計画を設定する場合には、一連の動作を行なう行動計画の実行が散発的に設定される行動計画によって阻害される場合がある。そのため、一方のアプリケーションが意図する車両の一連の動作を実現できない場合がある。
【0006】
本開示は、上述した課題を解決するためになされたものであって、その目的は、車両の運転支援に関する行動計画を適切に設定する運動マネージャ、自動運転装置、制御システム、車両、車両の制御方法およびプログラムを提供することである。
【課題を解決するための手段】
【0007】
本開示のある局面に係る運動マネージャは、複数のシステムの各々において設定される車両の運転支援に関する複数の行動計画に従って車両の運動を車両に設けられる複数のアクチュエータのうちの少なくともいずれかに要求する運動マネージャである。この運動マネージャは、複数のシステムから複数の行動計画を示す情報をそれぞれ受け付ける受付部と、複数の行動計画を調停する調停部と、調停部による調停結果に基づいて設定される車両に対する運動要求を複数のアクチュエータのうちの少なくともいずれかに分配する分配部とを備える。複数のシステムは、第1システムと第2システムとを含む。受付部は、第1システムにおいて設定される第1行動計画を第2システムにおいて設定される第2行動計画よりも優先して選択することを要求する要求情報を第1システムから受け付ける。
【0008】
このようにすると、第1行動計画の実行が第2行動計画によって阻害されることを抑制することができる。そのため、第1システムと第2システムとの間で機能の干渉を抑制しつつ、第1システムにおいて設定される行動計画に基づいて車両を制御することができる
。
【0009】
ある実施の形態においては、要求情報は、第2システムにおいて設定される第2行動計画の無効化を要求する情報を含む。
【0010】
このようにすると、第1システムから要求情報を受け付ける場合に第2行動計画が無効化されると、第1行動計画の実行が第2行動計画によって阻害されることを抑制することができる。
(【0011】以降は省略されています)
この特許をJ-PlatPat(特許庁公式サイト)で参照する
関連特許
個人
上部一体型自動車
12日前
個人
マスタシリンダ
19日前
株式会社ニフコ
収納装置
1か月前
日本精機株式会社
画像投映装置
8日前
日本精機株式会社
車載表示装置
27日前
井関農機株式会社
作業車両
26日前
日本精機株式会社
車両用投射装置
13日前
日本精機株式会社
車両用表示装置
8日前
日本精機株式会社
車両用投影装置
26日前
株式会社SUBARU
車両
6日前
日本化薬株式会社
ガス発生器
8日前
エムケー精工株式会社
車両処理装置
16日前
日本化薬株式会社
ガス発生器
6日前
日産自動車株式会社
伝動部材
13日前
日本化薬株式会社
ガス発生器
28日前
日本化薬株式会社
ガス発生器
1か月前
帝人株式会社
衝撃吸収構造体
1か月前
ダイハツ工業株式会社
変速機
1か月前
ダイハツ工業株式会社
変速機
1か月前
ダイハツ工業株式会社
変速機
1か月前
ダイハツ工業株式会社
変速機
1か月前
エムケー精工株式会社
車両処理装置
1か月前
個人
自動車の非常ブレーキアシスト
1か月前
トヨタ紡織株式会社
車両
1か月前
株式会社小糸製作所
車両用灯具
13日前
株式会社アイシン
空気袋
16日前
株式会社SUBARU
車体構造
21日前
トヨタ自動車株式会社
制御装置
7日前
トヨタ自動車株式会社
電動車両
12日前
トヨタ自動車株式会社
制御装置
1か月前
豊田合成株式会社
乗員保護装置
6日前
トヨタ自動車株式会社
車両
5日前
日本精機株式会社
車両用投射型表示装置
14日前
和光工業株式会社
昇降装置
今日
株式会社SeaDog
ロールバー
26日前
スズキ株式会社
ブレーキシステム
27日前
続きを見る
他の特許を見る