TOP
|
特許
|
意匠
|
商標
特許ウォッチ
Twitter
他の特許を見る
10個以上の画像は省略されています。
公開番号
2025162332
公報種別
公開特許公報(A)
公開日
2025-10-27
出願番号
2024065566
出願日
2024-04-15
発明の名称
根菜類収穫機
出願人
井関農機株式会社
代理人
弁理士法人藤本パートナーズ
主分類
A01D
33/10 20060101AFI20251020BHJP(農業;林業;畜産;狩猟;捕獲;漁業)
要約
【課題】簡単に載置台の展開及び収納を行うことができ、収容袋を容易に圃場へと下ろすことができる根菜類収穫機を提供する。
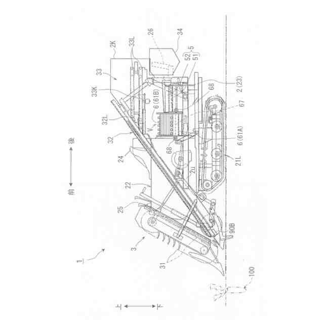
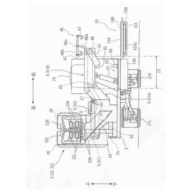
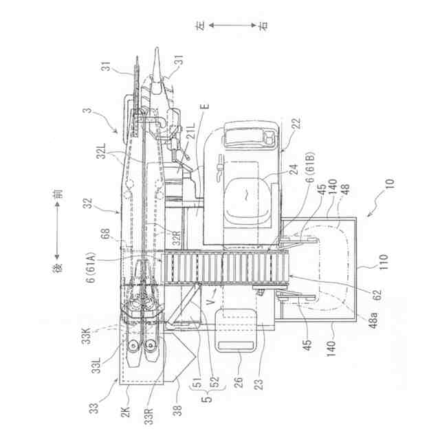
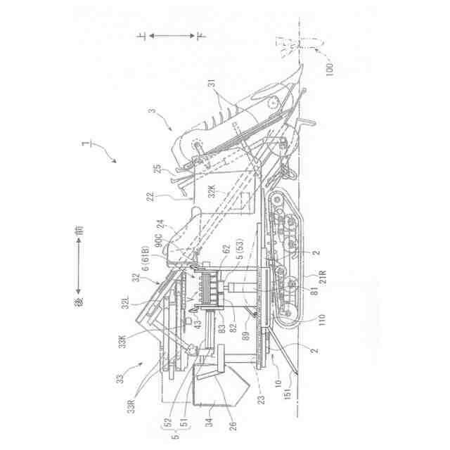
【解決手段】走行装置に支持された機体2と、ベルト搬送機構によって搬送された作物を収容する収容袋を載置する載置台10とを備え、載置台10は、収容袋を載置するための載置台本体110と、載置台本体110を機体2側に収納可能な収納部とを備え、収納部は、選別作業フロア23の下方に配設され、載置台本体110は、伸縮スライドレールによって収納部と連結されて、収納部の収納空間に収納自在に構成されており、さらに、上面に複数のローラを有するローラースライダ板151を引き出し自在に収納した引き出し部を備え、引き出し部は、ローラースライダ板151を、後方へと引き出し操作することで後方ほど下る傾斜姿勢とすることが可能に構成された根菜類収穫機1の提供によって、上記課題が解決される。
【選択図】図1
特許請求の範囲
【請求項1】
走行装置に支持された機体と、
前記機体の左右一端側に、作物を収穫する収穫装置とを備え、
前記収穫装置は、作物の茎葉部を引き起こす引起部と、前記引起部によって引き起こされた茎葉部を挟持し、圃場から引抜いて前記機体の後方へと搬送する引抜き搬送部と、前記引抜き搬送部から供給された作物を、前記機体の左右一端側から左右他端側へと搬送するベルト搬送機構と、前記ベルト搬送機構によって搬送された作物を収容する収容袋を載置する載置台とを備え、
操縦者用の操縦席が設けられた操縦フロアと、選別作業者用の選別作業席が設けられた選別作業フロアとが前記機体上に設けられた根菜類収穫機であって、
前記載置台は、前記収容袋を載置するための載置台本体と、前記載置台本体を前記機体側に収納可能な収納部とを備え、
前記収納部は、前記選別作業フロアの下方に配設され、
前記載置台本体は、伸縮スライドレールによって前記収納部と連結されて、前記収納部の収納空間に収納自在に構成されており、さらに、
上面に複数のローラを有するローラースライダ板を引き出し自在に収納した引き出し部を備え、
前記引き出し部は、前記ローラースライダ板を、後方へと引き出し操作することで後方ほど下る傾斜姿勢とすることが可能に構成された根菜類収穫機。
続きを表示(約 230 文字)
【請求項2】
前記載置台本体は、前記収容袋を載置する載置面を備え、前記載置面上に、前記収容袋を後方へと搬送する搬送ベルトを備えたことを特徴とする請求項1に記載の根菜類収穫機。
【請求項3】
所定条件が満たされると、自動で、昇降用シリンダを伸長させて、ハンガーアームのフックに引っ掛けられた前記収容袋を前記載置台に載置された状態から持ち上げて、所定距離上方へと移動させるよう構成されたことを特徴とする請求項2に記載の根菜類収穫機。
発明の詳細な説明
【技術分野】
【0001】
本発明は、圃場に植生する大根や人参等の根菜類を引き抜いて収穫する根菜類収穫機に関する。
続きを表示(約 1,700 文字)
【背景技術】
【0002】
従来、この種の根菜類収穫機としては、例えば、以下の特許文献1、2に記載されたものが知られており、機体に作業者が搭乗して、圃場に植生する大根や人参等の根菜類を引き抜いて収穫する。
【0003】
従来の根菜類収穫機は、例えば、下記特許文献1や特許文献2に記載のように、大根や人参等の根菜作物を圃場から引き抜くとともにその茎葉部の切断を行う収穫装置と、その収穫した根菜作物を収容する収容部と、茎葉部の切断がされた根菜作物を、選別作業者が選別作業を行う選別作業エリアを通過させてから収容部まで搬送するベルト搬送機構とを備えている。さらに、このベルト搬送機構によって搬送された根菜作物を収容する収容袋(所謂、フレコンバック)を載置する載置台を機体の側方に備えている。
【0004】
さらに、特許文献3には、使用時に機体外側へと展開し、非使用時には機体内側へと収納可能な載置台を備えた根菜類収穫機が開示されており、これにより、非使用時に載置台を収納することで、機体のコンパクト化が可能となっている。
【先行技術文献】
【特許文献】
【0005】
特開2020-14442号公報
特開2021-03086号公報
特開2023-37949号公報
【発明の概要】
【発明が解決しようとする課題】
【0006】
しかしながら、特許文献3に記載の従来の根菜類収穫機は、載置台の展開及び収納に係る操作が煩雑であり、作業効率が低下するものとなっていた。また、近年、農業従事者の高齢化を背景として、載置台上に載置した収容袋を圃場に下ろす作業の作業負担の軽減や容易化のニーズが存在する。
【0007】
そこで、本発明は、このような問題を解消し、簡単に載置台の展開及び収納を行うことができ、収容袋を容易に圃場へと下ろすことができる根菜類収穫機を提供することを目的とする。
【課題を解決するための手段】
【0008】
上記の目的を達成するため、第1の発明は、
走行装置に支持された機体と、
前記機体の左右一端側に、作物を収穫する収穫装置とを備え、
前記収穫装置は、作物の茎葉部を引き起こす引起部と、前記引起部によって引き起こされた茎葉部を挟持し、圃場から引抜いて前記機体の後方へと搬送する引抜き搬送部と、前記引抜き搬送部から供給された作物を、前記機体の左右一端側から左右他端側へと搬送するベルト搬送機構と、前記ベルト搬送機構によって搬送された作物を収容する収容袋を載置する載置台とを備え、
操縦者用の操縦席が設けられた操縦フロアと、選別作業者用の選別作業席が設けられた選別作業フロアとが前記機体上に設けられた根菜類収穫機であって、
前記載置台は、前記収容袋を載置するための載置台本体と、前記載置台本体を前記機体側に収納可能な収納部とを備え、
前記収納部は、前記選別作業フロアの下方に配設され、
前記載置台本体は、伸縮スライドレールによって前記収納部と連結されて、前記収納部の収納空間に収納自在に構成されており、さらに、
上面に複数のローラを有するローラースライダ板を引き出し自在に収納した引き出し部を備え、
前記引き出し部は、前記ローラースライダ板を、後方へと引き出し操作することで後方ほど下る傾斜姿勢とすることが可能に構成された根菜類収穫機を提供する。
【0009】
上記第1の発明によれば、伸縮スライドレールによって収納部と連結された載置台本体の出し入れ操作により、簡単に載置台の展開及び収納を行うことができ、ローラースライダ板によって、収容袋を容易に圃場へと下ろすことができる。
【0010】
第2の発明は、上記第1の発明の構成に加え、前記載置台本体は、前記収容袋を載置する載置面を備え、前記載置面上に、前記収容袋を後方へと搬送する搬送ベルトを備えたことを特徴とする。
(【0011】以降は省略されています)
この特許をJ-PlatPat(特許庁公式サイト)で参照する
関連特許
井関農機株式会社
田植機
29日前
井関農機株式会社
作業車両
1日前
井関農機株式会社
農作業車
1か月前
井関農機株式会社
作業車両
22日前
井関農機株式会社
作業車両
1日前
井関農機株式会社
農作業機
28日前
井関農機株式会社
作業車両
28日前
井関農機株式会社
作業車両
1か月前
井関農機株式会社
作業車両
1か月前
井関農機株式会社
作業車両
1か月前
井関農機株式会社
作業車両
22日前
井関農機株式会社
作業車両
1か月前
井関農機株式会社
田植え機
1か月前
井関農機株式会社
作業車両
1か月前
井関農機株式会社
農作業車
1か月前
井関農機株式会社
作業車両
1か月前
井関農機株式会社
作業車両
1か月前
井関農機株式会社
作業車両
1か月前
井関農機株式会社
作業車両
1か月前
井関農機株式会社
作業車両
22日前
井関農機株式会社
作業車両
23日前
井関農機株式会社
作業車両
21日前
井関農機株式会社
作業車両
14日前
井関農機株式会社
作業車両
8日前
井関農機株式会社
作業車両
9日前
井関農機株式会社
作業車両
9日前
井関農機株式会社
作業車両
9日前
井関農機株式会社
作業車両
10日前
井関農機株式会社
作業車両
10日前
井関農機株式会社
作業車両
10日前
井関農機株式会社
作業車両
21日前
井関農機株式会社
作業車両
1か月前
井関農機株式会社
作業車両
15日前
井関農機株式会社
コンバイン
29日前
井関農機株式会社
水田作業機
3日前
井関農機株式会社
コンバイン
16日前
続きを見る
他の特許を見る