TOP
|
特許
|
意匠
|
商標
特許ウォッチ
Twitter
他の特許を見る
10個以上の画像は省略されています。
公開番号
2025164616
公報種別
公開特許公報(A)
公開日
2025-10-30
出願番号
2024068719
出願日
2024-04-19
発明の名称
画像形成装置
出願人
キヤノン株式会社
代理人
個人
,
個人
主分類
G03G
15/16 20060101AFI20251023BHJP(写真;映画;光波以外の波を使用する類似技術;電子写真;ホログラフイ)
要約
【課題】ベルト式転写部材を用い、ベルト上でプレ帯電を行う構成において、プレ帯電の設定の切り替えにより、適切に転写バイアスを設定するのが難しくなることを抑制する。
【解決手段】画像形成装置は、転写ベルトと、転写バイアス印加部と、転写ベルトの内周面側と外周面側にそれぞれ配置され、転写ベルトを挟持して記録材の転写面をトナーの正規極性とは逆極性に帯電させる帯電部を形成する第1の部材および第2の部材と、帯電バイアス印加部と、転写部に流れる電流又は転写部に印加される電圧を検知する検知部と、検知部による検知結果に基づいて転写バイアスを設定する制御部と、を有し、制御部は、帯電部で転写面が帯電させられた記録材にトナー像を転写する際の転写バイアスを、帯電部に帯電バイアスが印加されている際に帯電部を通過した転写ベルトの領域が直後に転写部を通過している際の検知部による検知結果に基づいて設定する。
【選択図】図8
特許請求の範囲
【請求項1】
トナー像を担持する像担持体と、
無端状のベルトで構成され、前記像担持体に接触して転写部を形成し、記録材を担持して前記転写部へと搬送する回転可能な転写ベルトと、
前記像担持体から記録材にトナー像を転写させる転写バイアスを前記転写部に印加する第1の印加部と、
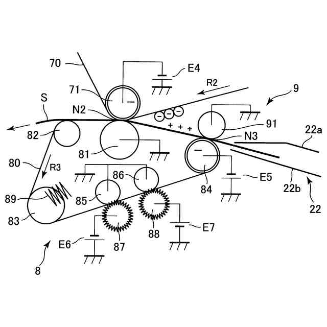
記録材の搬送方向に関して前記転写部よりも上流において、前記転写ベルトの内周面側に配置され、前記転写ベルトにより前記転写部に搬送される記録材のトナー像が転写される面である転写面をトナーの正規の帯電極性とは逆極性に帯電させる帯電部を形成する第1の部材と、
前記転写ベルトの外周面側に配置され、前記第1の部材との間で前記転写ベルトを挟持して前記帯電部を形成する第2の部材と、
前記帯電部に記録材の前記転写面を前記逆極性に帯電させる帯電バイアスを印加する第2の印加部と、
前記転写部に流れる電流又は前記転写部に印加される電圧を検知する検知部と、
前記検知部による検知結果に基づいて前記転写バイアスを設定する制御部と、
を有し、
前記制御部は、前記帯電部で前記転写面が前記逆極性に帯電させられた記録材にトナー像を転写する際の前記転写バイアスを、前記帯電部に前記帯電バイアスが印加されている際に前記帯電部を通過した前記転写ベルトの領域が直後に前記転写部を通過している際の前記検知部による検知結果に基づいて設定することを特徴とする画像形成装置。
続きを表示(約 1,900 文字)
【請求項2】
前記帯電部に前記帯電バイアスが印加されている際に前記帯電部を通過した前記転写ベルトの領域が直後に前記転写部を通過している際の前記検知部による第1の検知結果と、前記帯電部に前記帯電バイアスが印加されていない際に前記帯電部を通過した前記転写ベルトの領域が直後に前記転写部を通過している際の前記検知部による第2の検知結果と、を記憶する記憶部を有し、
前記制御部は、前記帯電部で前記転写面が前記逆極性に帯電させられた記録材にトナー像を転写する際の前記転写バイアスを、前記第1の検知結果と、前記第2の検知結果と、前記記憶部に前記第1の検知結果及び前記第2の検知結果が記憶された後に、前記帯電部に前記帯電バイアスが印加されていない際に前記帯電部を通過した前記転写ベルトの領域が直後に前記転写部を通過している際の前記検知部による第3の検知結果と、に基づいて設定することを特徴とする請求項1に記載の画像形成装置。
【請求項3】
前記制御部は、前記帯電部で前記転写面が前記逆極性に帯電させられた第1の記録材と第2の記録材とにトナー像を転写する場合に、前記第1の記録材にトナー像を転写する際の第1の転写バイアスを、前記第1の検知結果、前記第2の検知結果及び前記第3の検知結果に基づいて設定し、前記第2の記録材にトナー像を転写する際の第2の転写バイアスを、前記第1の転写バイアスと、前記第1の記録材が前記転写部を通過した後かつ前記第2の記録材が前記転写部に到達する前の前記検知部による検知結果と、に基づいて設定することを特徴とする請求項2に記載の画像形成装置。
【請求項4】
前記制御部は、前記帯電部で前記転写面が前記逆極性に帯電させられていない記録材にトナー像を転写する際の前記転写バイアスを、前記帯電部に前記帯電バイアスが印加されていない際に前記帯電部を通過した前記転写ベルトの領域が直後に前記転写部を通過している際の前記検知部による検知結果に基づいて設定することを特徴とする請求項1に記載の画像形成装置。
【請求項5】
前記帯電部に前記帯電バイアスが印加されている際に前記帯電部を通過した前記転写ベルトの領域が直後に前記転写部を通過している際の前記検知部による第1の検知結果と、前記帯電部に前記帯電バイアスが印加されていない際に前記帯電部を通過した前記転写ベルトの領域が直後に前記転写部を通過している際の前記検知部による第2の検知結果と、を記憶する記憶部を有し、
前記制御部は、前記帯電部で前記転写面が前記逆極性に帯電させられていない記録材にトナー像を転写する際の前記転写バイアスを、前記第1の検知結果と、前記第2の検知結果と、前記記憶部に前記第1の検知結果及び前記第2の検知結果が記憶された後に、前記帯電部に前記帯電バイアスが印加されている際に前記帯電部を通過した前記転写ベルトの領域が直後に前記転写部を通過している際の前記検知部による第3の検知結果と、に基づいて設定することを特徴とする請求項4に記載の画像形成装置。
【請求項6】
前記制御部は、前記帯電部で前記転写面が前記逆極性に帯電させられていない第1の記録材と第2の記録材とにトナー像を転写する場合に、前記第1の記録材にトナー像を転写する際の第1の転写バイアスを、前記第1の検知結果、前記第2の検知結果及び前記第3の検知結果に基づいて設定し、前記第2の記録材にトナー像を転写する際の第2の転写バイアスを、前記第1の転写バイアスと、前記第1の記録材が前記転写部を通過した後かつ前記第2の記録材が前記転写部に到達する前の前記検知部による検知結果と、に基づいて設定することを特徴とする請求項5に記載の画像形成装置。
【請求項7】
前記第2の印加部は、前記第1の部材にトナーの正規の帯電極性と同極性の前記帯電バイアスを印加することを特徴とする請求項1乃至6のいずれか1項に記載の画像形成装置。
【請求項8】
前記第2の印加部は、前記第2の部材にトナーの正規の帯電極性とは逆極性の前記帯電バイアスを印加することを特徴とする請求項1乃至6のいずれか1項に記載の画像形成装置。
【請求項9】
前記像担持体は、別の像担持体からトナー像が転写される中間転写体であることを特徴とする請求項1乃至6のいずれか1項に記載の画像形成装置。
【請求項10】
前記制御部は、記録材に関する情報に基づいて、前記帯電部で該記録材の前記転写面を前記逆極性に帯電させるか否かを設定することを特徴とすることを特徴とする請求項1乃至6のいずれか1項に記載の画像形成装置。
(【請求項11】以降は省略されています)
発明の詳細な説明
【技術分野】
【0001】
本発明は、電子写真方式や静電記録方式を用いた、複写機、プリンタ、プロッタ、ファクシミリ装置、又はこれらの機能のうち複数の機能を備えた複合機などの画像形成装置に関するものである。
続きを表示(約 1,400 文字)
【背景技術】
【0002】
従来、例えば電子写真方式を用いた複写機などの画像形成装置では、感光体や中間転写体などの像担持体から紙などの記録材へトナー像を静電的に転写することが行われる。転写は、像担持体に転写ローラなどの転写部材を当接させて転写部を形成し、転写部に転写バイアスを印加することで行われることが多い。また、例えば高速機などにおいて、転写ローラを含む複数のローラに張架されたベルトによって転写部に記録材を搬送するベルト式転写部材も知られている。
【0003】
このような画像形成装置では、転写バイアスにより転写部に供給される転写電流が不足すると、転写が十分に行われずに所望の画像濃度が得られない「転写抜け」や「濃度薄」などの画像不良が発生することがある。また、転写バイアスにより転写部に供給される転写電流が過剰であると、転写部で放電が発生し、その放電の影響でトナー像のトナーの電荷の極性が反転するなどして、トナー像が部分的に転写されない「白抜け」などの画像不良が発生することがある。そのため、高品質の画像を形成するためには、転写部に適切な転写バイアスを印加することが求められる。
【0004】
そこで、転写部に記録材が無い状態で転写部に試験バイアスを印加して電圧電流特性を取得し、所定の目標電流が得られる電圧値を求め、この電圧値に記録材の種類に応じた記録材分担電圧を加算して転写バイアスの電圧値を設定する方法がある。
【0005】
しかし、記録材として、普通紙やコート紙よりも体積抵抗率の高い合成紙などの高抵抗記録材が用いられる場合がある。そして、このような高抵抗記録材が用いられる場合には、転写部での高圧不足(転写電流不足)が課題となる。
【0006】
特許文献1では、記録材が転写部に到達する前に記録材のトナー像が転写される面(「トナー像転写面」)を予めトナーの正規の帯電極性とは逆極性に帯電(「プレ帯電」)させることが提案されている。特に、特許文献1では、ベルト式転写部材を用いた構成において、転写部よりも上流のベルト上でプレ帯電を行っている。
【先行技術文献】
【特許文献】
【0007】
特開2013-171282号公報
【発明の概要】
【発明が解決しようとする課題】
【0008】
特許文献1に記載されるような構成において、例えば薄紙などの体積抵抗率の低い低抵抗記録材が用いられる場合にプレ帯電を行うと、転写部で転写バイアス(転写電流)が過剰となる。そして、転写部でトナーの極性が反転し、トナーが像担持体に再転写してしまうことがある。そのため、記録材の種類に応じてプレ帯電を行うか否かを切り替えることが考えられる。
【0009】
しかしながら、ベルト式転写部材を用い、ベルト上でプレ帯電を行う構成では、プレ帯電の出力のON/OFFなどのプレ帯電の設定を切り替えると、ベルトの電位が変動してしまい、転写部で適切な転写バイアスを印加することが難しくなる。
【0010】
そこで、本発明の目的は、ベルト式転写部材を用い、ベルト上でプレ帯電を行う構成において、プレ帯電の設定の切り替えにより、適切に転写バイアスを設定するのが難しくなることを抑制することである。
【課題を解決するための手段】
(【0011】以降は省略されています)
この特許をJ-PlatPat(特許庁公式サイト)で参照する
関連特許
キヤノン株式会社
容器
7日前
キヤノン株式会社
容器
1日前
キヤノン株式会社
トナー
23日前
キヤノン株式会社
トナー
23日前
キヤノン株式会社
トナー
28日前
キヤノン株式会社
トナー
23日前
キヤノン株式会社
トナー
10日前
キヤノン株式会社
現像装置
14日前
キヤノン株式会社
測距装置
16日前
キヤノン株式会社
撮像装置
7日前
キヤノン株式会社
現像容器
21日前
キヤノン株式会社
現像装置
21日前
キヤノン株式会社
現像容器
21日前
キヤノン株式会社
記録装置
21日前
キヤノン株式会社
撮像装置
7日前
キヤノン株式会社
定着装置
22日前
キヤノン株式会社
撮像装置
7日前
キヤノン株式会社
現像装置
21日前
キヤノン株式会社
撮像装置
1か月前
キヤノン株式会社
撮像装置
24日前
キヤノン株式会社
撮像装置
28日前
キヤノン株式会社
記録装置
28日前
キヤノン株式会社
電子機器
1か月前
キヤノン株式会社
電子機器
1か月前
キヤノン株式会社
発光装置
1か月前
キヤノン株式会社
表示装置
1か月前
キヤノン株式会社
収容装置
1か月前
キヤノン株式会社
定着装置
1か月前
キヤノン株式会社
電子機器
1か月前
キヤノン株式会社
電子機器
1か月前
キヤノン株式会社
撮像装置
1か月前
キヤノン株式会社
定着装置
1か月前
キヤノン株式会社
記録装置
7日前
キヤノン株式会社
撮影装置
21日前
キヤノン株式会社
表示装置
1日前
キヤノン株式会社
撮像装置
1日前
続きを見る
他の特許を見る