TOP
|
特許
|
意匠
|
商標
特許ウォッチ
Twitter
他の特許を見る
公開番号
2025023620
公報種別
公開特許公報(A)
公開日
2025-02-17
出願番号
2023127931
出願日
2023-08-04
発明の名称
台車
出願人
株式会社カインズ
代理人
個人
,
個人
主分類
B62B
5/06 20060101AFI20250207BHJP(鉄道以外の路面車両)
要約
【課題】使用者の身長差に対応させて利便性を確保できる台車を提供する。
【解決手段】台車10は、荷台部12と、ハンドル部18と、を備える。ハンドル部は、荷台部に一対の縦バー31,32が設けられ、一対の縦バーに第1持ち手部33及び第2持ち手部34が設けられている。一対の縦バーは、荷台部から上方に立ち上げられた一対の第1立上部41,41と、一対の第1立上部から荷台部の反対側に上り勾配で延びる一対の傾斜部42,42と、一対の傾斜部から上方に立ち上げた一対の第2立上部43,43と、を有する。一対の第2立上部には、第1持ち手部が架け渡されるとともに、第1持ち手部の下方に第2持ち手部が架け渡される。
【選択図】図1
特許請求の範囲
【請求項1】
荷物を載せる荷台部と、
前記荷台部に一対の縦バーが設けられ、一対の縦バーに第1持ち手部及び第2持ち手部が設けられたハンドル部と、を備え、
前記縦バーは、
前記荷台部から上方に立ち上げられた第1立上部と、
前記第1立上部から前記荷台部の反対側に上り勾配で延びる傾斜部と、
前記傾斜部から上方に立ち上げた第2立上部と、を有し、
一対の前記第2立上部には、前記第1持ち手部が架け渡されるとともに、前記第1持ち手部の下方に前記第2持ち手部が架け渡される、
ことを特徴とする台車。
続きを表示(約 600 文字)
【請求項2】
前記第1立上部と前記傾斜部との第1屈曲部が前記縦バーの中央部に位置し、
前記傾斜部と前記第2立上部との第2屈曲部が前記縦バーの上部に位置する、
ことを特徴とする請求項1に記載の台車。
【請求項3】
前記第1立上部と前記傾斜部との第1屈曲部が前記縦バーの下部に位置し、
前記傾斜部と前記第2立上部との第2屈曲部が前記縦バーの上部に位置する、
ことを特徴とする請求項1に記載の台車。
【請求項4】
前記第1屈曲部の屈曲角及び前記第2屈曲部の屈曲角は、同一角度で、鈍角に設定されている、
ことを特徴とする請求項2または請求項3に記載の台車。
【請求項5】
前記第1屈曲部の屈曲角及び前記第2屈曲部の屈曲角は、136°に設定されている、
ことを特徴とする請求項2に記載の台車。
【請求項6】
前記第1屈曲部の屈曲角及び前記第2屈曲部の屈曲角は、169.63°に設定されている、
ことを特徴とする請求項3に記載の台車。
【請求項7】
前記第2持ち手部の両端部は、該第2持ち手部に対して交差する方向で、かつ、前記第2立上部に対して交差する方向において、前記第2持ち手部の他の部位に比べて幅が狭く形成されている、
ことを特徴とする請求項1に記載の台車。
発明の詳細な説明
【技術分野】
【0001】
本発明は、台車に関する。
続きを表示(約 1,900 文字)
【背景技術】
【0002】
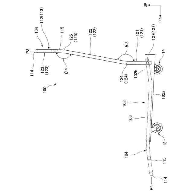
例えば、荷物を運搬する際に、荷物を荷台部に載せて運搬する台車が使用されている。台車は、例えば、荷台部の後端部にハンドル部が使用位置と折畳位置とに配置可能に支持されている。ハンドル部は、荷台部の後端部に一対の縦バーの基端部が支持され、一対の縦バーの先端部に持ち手部が架け渡されている。一対の縦バーは、例えば基端部から先端部まで直線状に延びている。一対の縦バーは、ハンドル部が使用位置に配置された状態において、荷台部の後端部から後方に向けて上向きの傾斜状に配置される(例えば、特許文献1参照)。
【先行技術文献】
【特許文献】
【0003】
特開2019-123348号公報
【発明の概要】
【発明が解決しようとする課題】
【0004】
ここで、従来のハンドル部は、使用位置に配置された状態において、一対の縦バーの上端部に持ち手部が架け渡されている。しかし、荷台を使用する使用者には身長差があり、使用者によっては持ち手部が適正な高さにならない場合がある。このため、使用者の身長差に対応させた台車の利便性の観点から改良の余地が残されている。ここで、使用者の身長差に対応する対策として、例えば、既存の持ち手部の下方に新たな持ち手部を加えることが考えられる。
【0005】
しかし、従来のハンドル部は、一対の縦バーが基端部から先端部まで直線状に延びている。さらに、一対の縦バーは、ハンドル部が使用位置に配置された状態において、荷台部の後端部から後方に向けて上向きの傾斜状に配置される。よって、既存の持ち手部は、新たな持ち手部に対して上方で、かつ後方に位置する。よって、使用者が新たな持ち手部を持って荷物を台車で運搬する際に、使用者の腕が既存の持ち手部に干渉することが考えられる。
【0006】
また、新たな持ち手部は、既存の持ち手部の前方に位置する。すなわち、新たな持ち手部が台車の荷台部に近づきすぎることが考えられる。よって、使用者が新たな持ち手部を持って、荷台部に載せた荷物を台車で運搬する際に、例えば使用者の脚部(特に、肘部)が荷物に干渉することが考えられる。
このため、新たな持ち手部を既存の持ち手部の下方に加えた場合において、使用者の腕が既存の持ち手部に干渉することや、使用者の脚部が荷物に干渉することが考えられ、利便性の観点から好ましくない。
【0007】
本発明は、使用者の身長差に対応させて利便性を確保できる台車を提供することを目的とする。
【課題を解決するための手段】
【0008】
前記課題を解決するために、本発明は以下の手段を提案している。
(1)本発明に係る台車は、荷物を載せる荷台部と、前記荷台部の両側部に一対の縦バーが設けられ、一対の縦バーに第1持ち手部及び第2持ち手部が設けられたハンドル部と、を備え、前記縦バーは、前記荷台部の側部から上方に立ち上げられた第1立上部と、前記第1立上部から前記荷台部の反対側に上り勾配で延びる傾斜部と、前記傾斜部から上方に立ち上げた第2立上部と、を有し、一対の前記第2立上部には、前記第1持ち手部が架け渡されるとともに、前記第1持ち手部の下方に前記第2持ち手部が架け渡されている。
【0009】
上記構成によれば、ハンドル部の縦バーに第1立上部、傾斜部、及び第2立上部を備えた。第1立上部を荷台部の側部から上方に立ち上げることにより鉛直に配置できる。傾斜部を第1立上部の端部から荷台部の反対側に上り勾配で延ばした。第2立上部を傾斜部42の端部から上方に立ち上げることにより鉛直に配置できる。さらに、鉛直に立ち上げた一対の第2立上部に第1持ち手部を架け渡し、第1持ち手部の下方に第2持ち手部を架け渡した。
【0010】
よって、第2持ち手部を前後方向において第1持ち手部と同じ位置に配置できる。これにより、使用者が第2持ち手部を手で持って台車で荷物を運搬する際に、例えば、使用者の腕が第1持ち手部に干渉することを抑制できる。
また、第1立上部と第2立上部との間に傾斜部を介在させた。よって、一対の第2立上部に架け渡した第1持ち手部及び第2持ち手部の配置位置を決める際に、荷台部の前後方向において、各持ち手部の配置位置を比較的広い範囲から選択できる。これにより、使用者が第2持ち手部を手で持って荷物を台車で運搬する際に、例えば、使用者の脚部が荷物に干渉することを抑制できる位置に第2持ち手部を配置できる。
(【0011】以降は省略されています)
この特許をJ-PlatPat(特許庁公式サイト)で参照する
関連特許
株式会社カインズ
台車
12日前
株式会社カインズ
台車
12日前
株式会社カインズ
樹脂サンダル
8日前
株式会社カインズ
ガーデン二輪車
19日前
株式会社カインズ
収納具及びそれを備える棚
16日前
個人
カート
3か月前
個人
走行装置
3か月前
個人
乗り物
5か月前
個人
電動走行車両
3か月前
個人
駐輪設備
1か月前
個人
発音装置
7か月前
個人
折り畳み自転車
10か月前
個人
自転車用歩数計
今日
個人
閂式ハンドル錠
3か月前
個人
電動モビリティ
7か月前
個人
自転車用傘捕捉具
11か月前
個人
ボギー・フレーム
1か月前
個人
ルーフ付きトライク
1か月前
個人
体重掛けリフト台車
10か月前
個人
自由方向乗車自転車
7か月前
個人
三輪電動車両
今日
個人
“zen-go.”
2か月前
個人
ルーフ付きトライク
2か月前
個人
アタッチメント
11か月前
個人
キャンピングトライク
8か月前
個人
パワーアシスト自転車
1か月前
個人
自転車用荷物台
11か月前
株式会社CPM
駐輪機
11か月前
個人
ステアリングの操向部材
8か月前
株式会社豊田自動織機
産業車両
4か月前
株式会社三五
リアサブフレーム
10か月前
個人
フロントフットブレーキ。
4か月前
個人
乗用自動車のディフューザー
20日前
学校法人千葉工業大学
車両
10か月前
個人
ホイールハブ駆動構造
4か月前
豊田合成株式会社
操舵装置
12か月前
続きを見る
他の特許を見る