TOP
|
特許
|
意匠
|
商標
特許ウォッチ
Twitter
他の特許を見る
10個以上の画像は省略されています。
公開番号
2025038404
公報種別
公開特許公報(A)
公開日
2025-03-19
出願番号
2023145015
出願日
2023-09-07
発明の名称
媒体切断装置
出願人
株式会社ミマキエンジニアリング
代理人
個人
主分類
B26D
1/04 20060101AFI20250312BHJP(切断手工具;切断;切断機)
要約
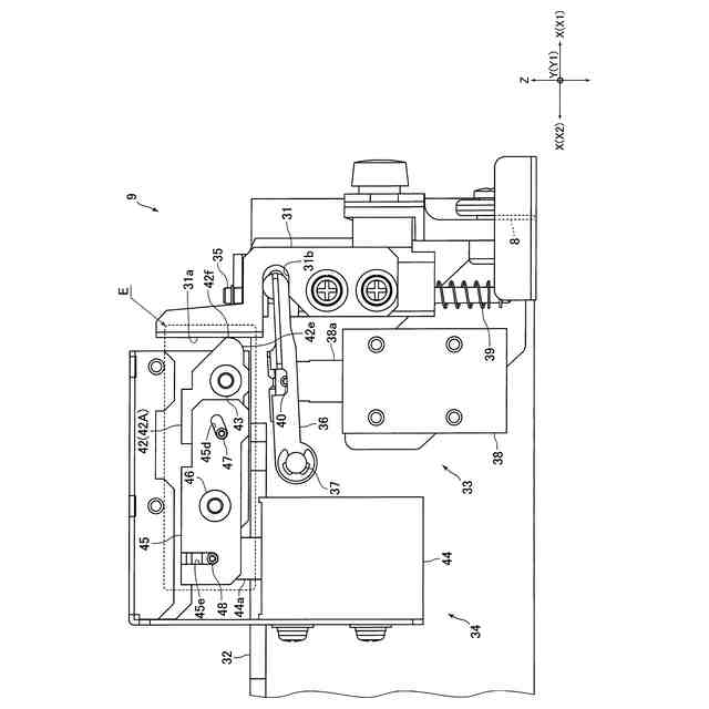
【課題】長尺の媒体を切断するためのカッター刃が固定されるカッターホルダと、カッターホルダを回動可能に保持するユニットフレームとを備える媒体切断装置において、比較的弾力があって折れにくい媒体を切る場合であっても、ユニットフレームに対する回動が規制されている回動規制状態のカッターホルダの振動を抑制することが可能な媒体切断装置を提供する。
【解決手段】この媒体切断装置は、カッターホルダ31の回動を規制するための規制部材42と、ユニットフレーム32に対して規制部材42を回動させるための駆動源44とを備えており、規制部材42が規制位置42Aに配置されると、カッターホルダ31が回動規制状態になる。規制部材42は、支持軸43を中心としてユニットフレーム32に対して回動可能になっており、規制位置42Aに配置されているときに、支持軸43よりも媒体2の長手方向の一方側でカッターホルダ31に接触している。
【選択図】図6
特許請求の範囲
【請求項1】
長尺の媒体を切断するためのカッター刃を有するカッターユニットと、前記媒体の長手方向と前記媒体の厚さ方向とに直交する前記媒体の幅方向および前記媒体の長手方向に前記媒体に対して前記カッターユニットを相対的に移動させる移動機構とを備え、
前記カッターユニットは、前記カッター刃が固定されるカッターホルダと、前記カッターホルダを回動可能に保持するユニットフレームと、前記ユニットフレームに対する前記カッターホルダの回動が規制される回動規制状態と前記ユニットフレームに対する前記カッターホルダの回動が可能となる回動可能状態とに前記カッターホルダの状態を切り替える切替機構とを備え、
前記カッターホルダは、前記媒体の厚さ方向を回動の軸方向として前記ユニットフレームに対して回動可能になっており、
前記切替機構は、前記カッターホルダの回動を規制するための規制部材と、前記規制部材を回動可能に支持する支持軸と、前記規制部材が前記カッターホルダに接触する規制位置と前記規制部材が前記カッターホルダに接触しないように前記カッターホルダから離れる規制解除位置との間で前記規制部材を回動させるための駆動源とを備え、
前記規制部材が前記規制位置に配置されると、前記カッターホルダが前記回動規制状態になり、
前記規制部材が前記規制解除位置に配置されると、前記カッターホルダが前記回動可能状態になり、
前記規制部材は、前記媒体の幅方向を回動の軸方向として、かつ、前記支持軸を回動の中心として前記ユニットフレームに対して回動可能になっており、前記規制位置に配置されているときに、前記支持軸よりも前記媒体の長手方向の一方側で前記カッターホルダに接触していることを特徴とする媒体切断装置。
続きを表示(約 1,000 文字)
【請求項2】
前記規制部材は、前記規制位置に配置されているときに、前記媒体の厚さ方向において前記支持軸と同じ位置で前記カッターホルダに接触していることを特徴とする請求項1記載の媒体切断装置。
【請求項3】
前記切替機構は、前記規制部材と前記駆動源とを連結するためのリンク部材と、前記リンク部材を回動可能に支持する第2支持軸とを備え、
前記リンク部材は、前記媒体の幅方向を回動の軸方向として、かつ、前記第2支持軸を回動の中心として前記ユニットフレームに対して回動可能になっており、
前記規制部材と前記リンク部材とは、前記媒体の幅方向を回動の軸方向とする相対回動が可能な状態で連結され、
前記駆動源の動力で前記リンク部材が回動すると、前記規制部材が回動することを特徴とする請求項1または2記載の媒体切断装置。
【請求項4】
前記媒体の幅方向から見たときに、前記規制部材と前記リンク部材との連結部分と前記第2支持軸との距離は、前記駆動源と前記リンク部材との連結部分と前記第2支持軸との距離よりも長くなっており、前記規制部材と前記リンク部材との連結部分と前記支持軸との距離は、前記規制部材と前記リンク部材との連結部分と前記第2支持軸との距離よりも短くなっていることを特徴とする請求項3記載の媒体切断装置。
【請求項5】
前記規制部材の、前記カッターホルダに接触する箇所を接触箇所とすると、
前記媒体の幅方向から見たときに、前記接触箇所と前記支持軸との距離は、前記規制部材と前記リンク部材との連結部分と前記支持軸との距離よりも短くなっていることを特徴とする請求項3記載の媒体切断装置。
【請求項6】
前記規制部材の、前記カッターホルダに接触する箇所を接触箇所とすると、
前記規制部材が前記規制位置に配置されているときに前記媒体の幅方向から見ると、前記接触箇所と、前記支持軸と、前記規制部材と前記リンク部材との連結部分と、前記第2支持軸と、前記駆動源と前記リンク部材との連結部分とが、前記媒体の長手方向においてこの順番で配置されていることを特徴とする請求項3記載の媒体切断装置。
【請求項7】
前記駆動源は、ソレノイドであり、
前記ソレノイドのプランジャは、前記媒体の厚さ方向に移動することを特徴とする請求項3記載の媒体切断装置。
発明の詳細な説明
【技術分野】
【0001】
本発明は、長尺の媒体を切断するための媒体切断装置に関する。
続きを表示(約 2,800 文字)
【背景技術】
【0002】
従来、長尺の媒体を切断して媒体の長手方向で媒体を分離するための媒体切断装置が知られている(たとえば、特許文献1参照)。特許文献1に記載の媒体切断装置は、切断前の媒体にインクジェット方式で印刷を行う印刷機構を備えるインクジェットプリンタである。印刷機構は、媒体にインクを吐出するインクジェットヘッドと、インクジェットヘッドが搭載されるキャリッジとを備えている。媒体切断装置は、媒体を切断するためのカッター刃を有するカッターユニットと、媒体の長手方向に媒体を搬送する媒体搬送機構と、媒体の長手方向と媒体の厚さ方向とに直交する媒体の幅方向にキャリッジを移動させるキャリッジ駆動機構とを備えている。カッターユニットはキャリッジに搭載されている。
【0003】
特許文献1に記載の媒体切断装置では、カッターユニットは、カッター刃が固定されるカッターホルダと、カッターホルダを回動可能に保持するユニットフレームとを備えている。ユニットフレームは、キャリッジに固定されている。カッターホルダは、カッター刃によって切断される媒体の厚さ方向を回動の軸方向としてユニットフレームに対して回動可能になっている。すなわち、カッターホルダは、上下方向を回動の軸方向としてユニットフレームに対して回動可能になっている。カッターユニットは、ユニットフレームに対するカッターホルダの回動が規制される回動規制状態と、ユニットフレームに対するカッターホルダの回動が可能となる回動可能状態とにカッターホルダの状態を切り替える切替機構を備えている。
【0004】
切替機構は、ユニットフレームに対するカッターホルダの回動を規制するための規制部材を備えている。規制部材は、媒体の幅方向である左右方向と上下方向とに直交する前後方向への移動が可能となるようにユニットフレームに保持されている。切替機構は、規制部材がカッターホルダに近づく規制位置と規制部材がカッターホルダから遠ざかる規制解除位置とに規制部材を移動させるためのソレノイドと、ユニットフレームに対して規制部材を前側に向かって付勢する引張りコイルバネとを備えている。ソレノイドが非通電状態であるときには、規制部材は、引張りコイルバネの付勢力によって規制位置に配置されている。ソレノイドが通電状態になると、規制部材が後ろ側に移動して、規制部材が規制解除位置に配置される。
【0005】
特許文献1に記載の媒体切断装置では、規制部材が規制位置に配置されると、カッターホルダは回動規制状態になり、規制部材が規制解除位置に配置されると、カッターホルダは回動可能状態になる。また、特許文献1に記載の媒体切断装置で媒体を切断する切断方法には、媒体に対してカッター刃を左右方向に相対的に移動させて左右方向で媒体を切る横カット工程と、媒体に対してカッター刃を前後方向および左右方向に相対的に移動させて左右方向に対して傾斜した方向で媒体を切る斜めカット工程とが含まれている。横カット工程では、カッターホルダは回動規制状態になっており、斜めカット工程では、カッターホルダは回動可能状態になっている。
【先行技術文献】
【特許文献】
【0006】
特開2023-74855号公報
【発明の概要】
【発明が解決しようとする課題】
【0007】
特許文献1に記載の媒体切断装置では、引張りコイルバネの付勢力によって規制部材が規制位置に配置されているときに、カッターホルダは、ユニットフレームに対する回動が規制される回動規制状態になっている。また、特許文献1に記載の媒体切断装置では、カッターホルダは、横カット工程において回動規制状態になっている。
【0008】
本願発明者の検討によると、特許文献1に記載の媒体切断装置において比較的弾力があって折れにくい媒体(こしの強い媒体)を横カット工程で切るときに、回動規制状態になっているカッターホルダが媒体からの反力で振動するおそれがあることが明らかになった。具体的には、こしの強い媒体を横カット工程で切るときに、媒体からの反力がカッターホルダを介して規制部材に伝わり、引張りコイルバネの付勢力に抗して規制部材が前後方向に振動して、カッターホルダが上下方向を回動の軸方向とする回動方向に振動すること(がたつくこと)が本願発明者の検討によって明らかになった。媒体を切るときに、回動規制状態になっているカッターホルダが振動してカッター刃の状態が不安定になると、たとえば、媒体の切断面がギザギザになる等の不具合が生じるおそれがある。
【0009】
そこで、本発明の課題は、長尺の媒体を切断するためのカッター刃が固定されるカッターホルダと、カッターホルダを回動可能に保持するユニットフレームとを備える媒体切断装置において、比較的弾力があって折れにくい媒体を切る場合であっても、ユニットフレームに対する回動が規制されている回動規制状態のカッターホルダの振動を抑制することが可能な媒体切断装置を提供することにある。
【課題を解決するための手段】
【0010】
上記の課題を解決するため、本発明の媒体切断装置は、長尺の媒体を切断するためのカッター刃を有するカッターユニットと、媒体の長手方向と媒体の厚さ方向とに直交する媒体の幅方向および媒体の長手方向に媒体に対してカッターユニットを相対的に移動させる移動機構とを備え、カッターユニットは、カッター刃が固定されるカッターホルダと、カッターホルダを回動可能に保持するユニットフレームと、ユニットフレームに対するカッターホルダの回動が規制される回動規制状態とユニットフレームに対するカッターホルダの回動が可能となる回動可能状態とにカッターホルダの状態を切り替える切替機構とを備え、カッターホルダは、媒体の厚さ方向を回動の軸方向としてユニットフレームに対して回動可能になっており、切替機構は、カッターホルダの回動を規制するための規制部材と、規制部材を回動可能に支持する支持軸と、規制部材がカッターホルダに接触する規制位置と規制部材がカッターホルダに接触しないようにカッターホルダから離れる規制解除位置との間で規制部材を回動させるための駆動源とを備え、規制部材が規制位置に配置されると、カッターホルダが回動規制状態になり、規制部材が規制解除位置に配置されると、カッターホルダが回動可能状態になり、規制部材は、媒体の幅方向を回動の軸方向として、かつ、支持軸を回動の中心としてユニットフレームに対して回動可能になっており、規制位置に配置されているときに、支持軸よりも媒体の長手方向の一方側でカッターホルダに接触していることを特徴とする。
(【0011】以降は省略されています)
この特許をJ-PlatPat(特許庁公式サイト)で参照する
関連特許
個人
曲線カッター
4日前
個人
ハサミ
3か月前
個人
円弧状刃の包丁
6か月前
個人
テープカッター
11か月前
有限会社カルチエ
ナイフ
9か月前
個人
理美容はさみ
3か月前
株式会社サボテン
鋏
5か月前
個人
折り畳みナイフ
9か月前
個人
2wayコーナーパンチ
8か月前
コクヨ株式会社
ハサミ
10か月前
個人
剃刀具
12か月前
株式会社文創
切創抑制器具
10か月前
株式会社和田機械
栗切り機の刃物
1か月前
個人
自動曲機とそれに使用する刃物
12日前
やおき工業株式会社
鋏
3か月前
株式会社フタミ
表面処理装置
5か月前
第一精工株式会社
ナイフ
12か月前
デュプロ精工株式会社
加工装置
2か月前
大創株式会社
打抜き部受支装置
10か月前
トヨタ自動車株式会社
切断装置
8か月前
株式会社日本キャリア工業
食料切断装置
3か月前
独立行政法人 国立印刷局
打ち抜き装置
1か月前
株式会社日本キャリア工業
食料切断装置
3か月前
株式会社日本キャリア工業
食料切断装置
3か月前
株式会社日本キャリア工業
食料切断装置
4か月前
株式会社日本キャリア工業
食料切断装置
4か月前
船井電機株式会社
電動器具
2か月前
株式会社日本キャリア工業
食料切断装置
8か月前
株式会社日本キャリア工業
食料切断装置
4か月前
鈴茂器工株式会社
棒状食材切断装置
7か月前
デュプロ精工株式会社
用紙積載装置
7か月前
THESTANDBYME合同会社
鋏
3か月前
西川ゴム工業株式会社
薪割り具
8か月前
グンゼ株式会社
切断方法及び切断装置
12か月前
本田技研工業株式会社
切断装置
8日前
近畿刃物工業株式会社
切断加工用刃物
4か月前
続きを見る
他の特許を見る