TOP
|
特許
|
意匠
|
商標
特許ウォッチ
Twitter
他の特許を見る
10個以上の画像は省略されています。
公開番号
2025062891
公報種別
公開特許公報(A)
公開日
2025-04-15
出願番号
2023172252
出願日
2023-10-03
発明の名称
反共振を加えた多重共振形LLC共振タンク及びそれを用いたDC-DCコンバータ
出願人
国立大学法人神戸大学
代理人
弁理士法人グローバル知財
主分類
H02M
3/28 20060101AFI20250408BHJP(電力の発電,変換,配電)
要約
【課題】より少ない部品要素で、電圧調整の制御範囲が広く、昇降圧比が大きいアプリケーションに適用でき、軽負荷のときに出力を十分に絞れ、重負荷のときに高周波トランスのパラメータにより十分な出力が見込める、多重共振形LLC共振タンクを提供する。
【解決手段】励磁インダクタンス、共振インダクタ及び共振コンデンサが直列接続されるLLC共振タンクを構成する共振インダクタに反共振用コンデンサが並列接続される。反共振は、その共振周波数においてインピーダンスが理論上無限大となるため出力端での電圧はゼロとなり、そのためLLC共振タンクの電圧変換比がゼロとなる。LLC共振タンクの通常の共振周波数(第1の共振周波数)と、新たに構成した反共振の共振周波数(第2の共振周波数)の間で周波数制御を行うことにより、広範囲に電圧調整制御が可能である。
【選択図】図1
特許請求の範囲
【請求項1】
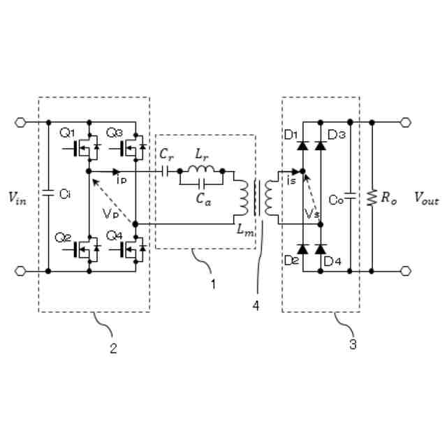
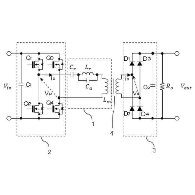
高周波トランスの励磁インダクタンス、共振インダクタ及び共振コンデンサが直列接続されるLLC共振タンクを構成する前記共振インダクタに反共振用コンデンサが並列接続されたことを特徴とする多重共振形LLC共振タンク。
続きを表示(約 880 文字)
【請求項2】
前記LLC共振タンクの共振周波数と、前記共振インダクタと前記反共振用コンデンサが並列接続される反共振タンクの反共振周波数との間で電力変換器の駆動周波数を変化させることにより、電圧変換比が拡張されることを特徴とする請求項2の多重共振形LLC共振タンク。
【請求項3】
前記反共振用コンデンサの容量は、前記共振コンデンサの容量より小さな値が選定され、反共振周波数はLLC共振タンクの共振周波数より高周波側に設定されることを特徴とする請求項1に記載の多重共振形LLC共振タンク。
【請求項4】
請求項1~3の何れかの多重共振形LLC共振タンクと、フルブリッジ構成またはハーフブリッジ構成のインバータ回路と、高周波トランスを介して接続される整流回路を備える多重共振形LLC共振DC-DCコンバータ。
【請求項5】
請求項1~3の何れかの多重共振形LLC共振タンクと、ハーフブリッジ構成のインバータ回路と、高周波トランスを介して接続される整流回路を備え、
前記多重共振形LLC共振タンクを構成する前記共振コンデンサは、前記インバータ回路における入力電源とグラウンド間に設けられることを特徴とする多重共振形LLC共振DC-DCコンバータ。
【請求項6】
請求項1~3の何れかの多重共振形LLC共振タンクが高周波トランスを介して1次側と2次側に設けられ、1次側のフルブリッジ構成の第1インバータ回路と前記多重共振形LLC共振タンク、高周波トランスを介して接続される2次側のフルブリッジ構成の第2インバータ回路と前記多重共振形LLC共振タンクを備える多重共振形LLC共振DC-DCコンバータ。
【請求項7】
1次側と2次側の何れかの前記多重共振形LLC共振タンクは、高周波トランスの励磁インダクタンス、共振インダクタ、共振コンデンサ、LC並列の反共振タンクが直列接続される共振タンクに置き換わることを特徴とする請求項6に記載の多重共振形LLC共振DC-DCコンバータ。
発明の詳細な説明
【技術分野】
【0001】
本発明は、反共振を加えたLLC共振タンクとそれを用いたLLC共振DC-DCコンバータに関するものである。
続きを表示(約 3,500 文字)
【背景技術】
【0002】
複合共振形電力変換器の1種であるLLC共振DC-DCコンバータは、高い絶縁機能を有し、大電力伝送が可能なことに加えて、パワー半導体デバイスの低損失スイッチング動作(ソフトスイッチング)が高周波条件にて実現可能なことにより装置の小型化が可能であるなど優れた利点を有する。このため、近年、LLC共振DC-DCコンバータは、新エネルギーシステムのパワーコンディショナー、電気自動車、マイクログリッドなどパワーエレクトロニクス分野で広く利用されている。
一般的に、高周波数化するとスイッチング損失が増加するため効率は低下するが、LLC共振DC-DCコンバータの場合、電気的な共振動作と高周波トランスの励磁電流を利用することにより、広範囲な負荷条件にてソフトスイッチングの技術を用いることが可能である。そのため、スイッチング損失を大幅に抑制し、効率を低下させることなく小型化を実現することができるといった利点を有する。またパワー半導体デバイスのスイッチングによるノイズ抑制の効果も得られるため、低ノイズといった利点も有する。
【0003】
このような利点を有する一方で、LLC共振DC-DCコンバータは電圧調整範囲が比較的狭く制限がある。そのため、広い入出力電圧調整が必要なシステムでは、別途、DC-DCコンバータ (例えば、チョッパDC-DC等)と組み合わせた2段構成にするのが一般的である。しかしながら、その分、回路素子が増えることから、素子の実装可能な体積や、コストが増大するといった問題、また全体の電力変換効率も低下してしまうといった問題がある。
【0004】
上記の問題を解消すべく、LLC共振DC-DCコンバータのワイドレンジ化への取り組みも実施されてきた。通常、LLC共振DC-DCコンバータは、パワー半導体素子のパルス周波数変調(PFM)により電圧調整を行うが、ワイドレンジ化では通常のPFMに加え、スイッチによる回路構成の切り替えや、位相シフトによる制御を追加する等、様々な動作モードを組み合わせることによって動作レンジを広げてきた。
しかしながら、このような方法では、回路制御が複雑になるうえ、動作モード間をシームレスに遷移するのが困難等の問題があった。
またLLC共振DC-DCコンバータは、起動開始時に共振タンクおよび出力コンデンサへの充電による過大な突入電流(ラッシュ電流)が発生するといった問題もある。その対策として、突入防止回路の追加やソフトスタート制御の追加、もしくはその両方が必要となる。
【0005】
これらの問題を解決すべく、発明者の一人は、従来のLLC共振DC-DCコンバータのトランス1次側に反共振タンクを適用した多重共振形LLC DC-DCコンバータ(以下、LLCLCコンバータともいう)を既に提案している(非特許文献1)。LLCLCコンバータは、LLC共振DC-DCコンバータの高周波トランス1次側にLC並列の反共振タンクを適用したものであり、通常の動作点近辺である共振周波数より高い周波領域で反共振周波数を設定でき、負荷短絡および起動時に回路のスイッチング周波数を反共振周波数に移行して理論上無限大のインピーダンスを確保し、過電流およびそれによるLC直列共振タンクでの過電圧発生を効果的に抑止できるものである。
【0006】
また通常運転時の動作周波数帯域から小さい周波数変動により過電流を抑制する高インピーダンス状態を生成できることから、DC-DCコンバータの制御の応答性が向上する。さらに、同様に反共振タンクの効果によって、従来のLLC共振DC-DCコンバータでは達成が困難な大幅な降圧動作も実現できることから、パルス振幅変調(PAM)とHFリンクDC-DC変換を一体化させた直流電圧の昇降圧機能を備えるフロントエンドDC-DCコンバータとしても応用できる。すなわち、従来のLLC共振DC-DCコンバータでは、実現が困難であった降圧領域でも広範囲に電力制御が可能となる。
【0007】
一方、反共振タンクを用いた直列共振形LLCコンバータを検討した文献が知られている(非特許文献2、3)。非特許文献2では、高周波トランスの励磁インダクタンスを非考慮(無限大)とするLC単共振形DC-DCコンバータが対象とされ、かつ反共振タンクを可変キャパシタとして利用する容量性周波数領域に動作点をもつ共振形DC-DCコンバータの理論的考察を中心とした内容として論述されている。また、非特許文献3では、反共振タンクからスイッチング周波数の3倍高調波成分を生成し、高周波トランス1次側共振電流に注入して、1次側インバータ方形波電圧の3倍周波成分を利用することで効率改善を図る内容として論述されている。
よって、誘導性負荷領域に動作点をもつ上述のLC並列共振タンク(反共振タンク)を適用したLLCLCコンバータとは、過電圧・過電流抑制および降圧動作を実現するという観点から異なる。
【先行技術文献】
【特許文献】
【0008】
三島智和 ら,“可変誘導性リアクタンス機能を持つ5エレメント多重共振形DC-DCコンバータ”, 電気学会論文誌D(産業応用部門誌), Vol.135, No.1, pp.27-38 (2015).
榊原一彦,“動作周波数の負荷依存性を改善した定電圧出力直列共振コンバータ”,信学論B,Vol.J71-B, No.12, pp.1682-1691 (1988).
D. Fu et al., “Novel multi-element resonant converter for front-end dc/dc converters”, 2008 IEEE Power Electronics Specialists Conference, pp.250-256 (2008).
【発明の概要】
【発明が解決しようとする課題】
【0009】
本発明者らは、既に提案されたLLCLCコンバータに採用されている反共振を加えたLLC共振タンクの広い電圧調整範囲に関し、さらに少ない部品要素でこれを実現でき、コスト及びサイズの削減を図りつつ、LLCLCコンバータと同等以上の効果を有するLLC共振タンクの構成を検討した。
すなわち、本発明は、より少ない部品要素で、電圧調整の制御範囲が広く、昇降圧比が大きいアプリケーションに適用でき、軽負荷のときに出力を十分に絞れ、重負荷のときにトランスのパラメータにより十分な出力が見込める、多重共振形LLC共振タンクを提供することを目的とする。
【課題を解決するための手段】
【0010】
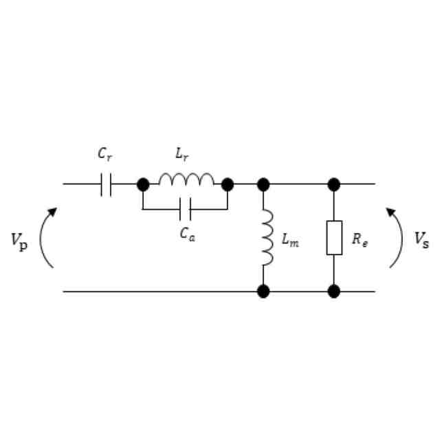
上記課題を解決すべく、本発明の多重共振形LLC共振タンクは、高周波トランスの励磁インダクタンス、共振インダクタ及び共振コンデンサが直列接続されるLLC共振タンクを構成する共振インダクタに反共振用コンデンサが並列接続されたことを特徴とする。
LLC共振タンクを構成する共振インダクタに並列に反共振用コンデンサを追加することにより、LC並列の反共振回路が構成される。反共振回路は、その共振周波数においてインピーダンスが理論上無限大となるため出力端での電圧はゼロとなり、そのためLLC共振タンクの電圧変換比(Voltage conversion ratio)がゼロとなる。つまり、LLC共振タンクの通常の共振周波数(第1の共振周波数)と、新たに構成した上記の反共振回路の共振周波数(第2の共振周波数)の間で周波数制御を行うことにより、ゼロからLLC共振タンクが元々保有していた電圧変換比 (昇圧調整能力を含む) まで、広範囲に電圧調整制御が可能となり、昇圧・降圧ともパルス周波数変調(PFM)による電圧調整のみで実現可能となる。
すなわち、LLC共振タンクの共振周波数と、反共振タンク(共振インダクタと反共振用コンデンサが並列接続されたもの)の反共振周波数との間で、電力変換器の駆動周波数を変化させる、つまり、LLC共振タンクの励振電源(高周波インバータ)の駆動周波数を変化させることにより電圧変換比が拡張できる。
(【0011】以降は省略されています)
この特許をJ-PlatPat(特許庁公式サイト)で参照する
関連特許
国立大学法人神戸大学
コンバイン
8日前
国立大学法人神戸大学
高効率な酵母遺伝子系
3か月前
国立大学法人神戸大学
抗アレルギー用経口組成物
1か月前
国立大学法人神戸大学
サーマルサーキットシステム
1か月前
国立大学法人神戸大学
空調システム、及び制御方法
1か月前
国立大学法人神戸大学
空調システム、及び制御方法
1か月前
株式会社カネカ
結晶化促進剤
3か月前
国立大学法人神戸大学
イオン液体中の着色成分の除去
1か月前
国立大学法人神戸大学
微細藻類培養方法及び油脂製造方法
1か月前
株式会社カネカ
溶血素産生能の評価方法
2か月前
国立大学法人神戸大学
カルボン酸誘導体およびポリマーの製造方法
1か月前
国立大学法人神戸大学
イオン液体中のセルロース由来不純物の除去
1か月前
株式会社NTTドコモ
通信装置及び通信方法
8日前
国立大学法人神戸大学
化合物又はその塩、毛髪処理用組成物、及び、方法。
2日前
国立大学法人神戸大学
単相ダイレクトAC-ACコンバータとその電力制御方法
4か月前
株式会社Preferred Networks
演算装置
1か月前
住友ベークライト株式会社
冷凍生肉用真空包装体の製造方法
4か月前
国立大学法人神戸大学
ダイレクトAC-ACコンバータの電力制御回路及び電力制御方法
2か月前
イカリ消毒株式会社
害虫防除方法、害虫防除剤、及びその製造方法
2か月前
国立大学法人神戸大学
解析システム、コンピュータ実装方法、及びコンピュータプログラム
1か月前
国立大学法人神戸大学
二本鎖DNA合成方法
1か月前
日本新薬株式会社
腎毒性軽減剤
11日前
三菱重工業株式会社
フォークリフトの制御装置および方法並びにフォークリフト
8日前
国立大学法人神戸大学
塩分除去工法及び塗装塗替え工法
8日前
国立大学法人神戸大学
浸透圧補助型逆浸透膜装置、有機溶媒を含む水溶液の濃縮装置、及び、水溶液濃縮方法
1か月前
エム・エーライフマテリアルズ株式会社
生分解性樹脂組成物、並びにその繊維、及び不織布
12日前
東京電力ホールディングス株式会社
流量計測手法、プログラム、情報処理装置及び誤差計測手法
1か月前
国立大学法人神戸大学
細胞の有する二本鎖DNAの標的部位を改変する方法
2か月前
国立大学法人神戸大学
安定で副作用の少ないゲノム編集用複合体及びそれをコードする核酸
4日前
国立大学法人神戸大学
潰瘍性大腸炎の検査方法および装置ならびに治療薬のスクリーニング方法
3か月前
シーシーアイホールディングス株式会社
エチレングリコール産生遺伝子組換え微生物、およびエチレングリコールの製造方法
9日前
株式会社アイシン
ロータ
1日前
西部電機株式会社
充電装置
4日前
西部電機株式会社
充電装置
4日前
日本精機株式会社
サージ保護回路
4日前
トヨタ自動車株式会社
固定子
2日前
続きを見る
他の特許を見る