TOP
|
特許
|
意匠
|
商標
特許ウォッチ
Twitter
他の特許を見る
公開番号
2025139726
公報種別
公開特許公報(A)
公開日
2025-09-29
出願番号
2024038716
出願日
2024-03-13
発明の名称
電源システム及び電源システムの制御方法
出願人
日新電機株式会社
代理人
個人
,
個人
,
個人
,
個人
,
個人
,
個人
主分類
H02J
9/06 20060101AFI20250919BHJP(電力の発電,変換,配電)
要約
【課題】スイッチの開放完了後に負荷の電圧を補償する電圧補償制御において、過剰な電圧を負荷に補償することを防ぐ電源システム及びその制御方法を提供する。
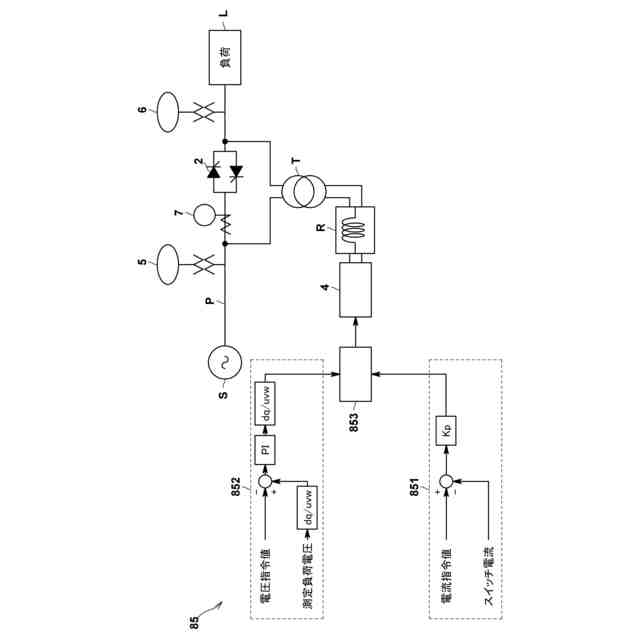
【解決手段】電力系統Sの正常時に電力系統から負荷Lに給電し、電力系統の異常時に電力系統から負荷への給電を遮断するとともに、直流電源から負荷に給電する電源システムであって、電力系統から負荷に給電するための電力線Pに設けられ、電力系統の異常時に開放されるスイッチ2と、電力線に接続され、直流電源からの直流電力を交流電力に変換する電力変換器4と、電力系統の異常時に電力変換器が出力する電圧を制御する電力変換器制御部85と、を備え、電力変換器制御部は、電力系統の異常時にスイッチの開放が完了した後に、負荷電圧の目標値と測定値との偏差に基づいて負荷電圧を補償する制御である電圧補償制御を行う電圧補償制御部852を備える。
【選択図】図3
特許請求の範囲
【請求項1】
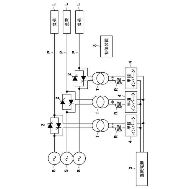
電力系統の正常時に前記電力系統から負荷に給電し、前記電力系統の異常時に前記電力系統から前記負荷への給電を遮断するとともに、直流電源から前記負荷に給電する電源システムであって、
前記電力系統から前記負荷に給電するための電力線に設けられ、前記電力系統の異常時に開放されるスイッチと、
前記電力線に接続され、前記直流電源からの直流電力を交流電力に変換する電力変換器と、
前記電力系統の異常時に前記電力変換器が出力する電圧を制御する電力変換器制御部とを備え、
前記電力変換器制御部は、
前記電力系統の異常時に前記スイッチの開放が完了した後に、前記負荷の電圧である負荷電圧の目標値と前記負荷電圧の測定値との偏差に基づいて算出される補償電圧を前記電力変換器に出力させることによって、前記負荷電圧を補償する制御である電圧補償制御を行う電圧補償制御部を備える、電源システム。
続きを表示(約 760 文字)
【請求項2】
前記電力系統の異常時に、前記電力系統の電圧である系統電圧が回復したかどうかを判定する復電判定部をさらに備え、
前記復電判定部により前記系統電圧が回復したと判断される前に、前記電圧補償制御部は、前記負荷電圧の目標値を定格電圧にし、前記復電判定部により前記系統電圧が回復したと判断された後に、前記スイッチが投入されるとともに、前記電圧補償制御部は、前記負荷電圧の目標値を前記系統電圧の測定値に変更する、請求項1に記載の電源システム。
【請求項3】
前記電圧補償制御部は、前記負荷電圧の目標値を前記負荷電圧の許容範囲の下限値になるように前記電圧補償制御を行う、請求項1又は2に記載の電源システム。
【請求項4】
前記負荷電圧の許容範囲の下限値は定格電圧の90%である、請求項3に記載の電源システム。
【請求項5】
電力系統の正常時に前記電力系統から負荷に給電し、前記電力系統の異常時に前記電力系統から前記負荷への給電を遮断するとともに、直流電源から前記負荷に給電する電源システムの制御方法であって、
前記電源システムは、
前記電力系統から前記負荷に給電するための電力線に設けられ、前記電力系統の異常時に開放されるスイッチと、
前記電力線に接続され、前記直流電源からの直流電力を交流電力に変換する電力変換器とを備え、
前記電源システムの制御方法は、
前記電力系統の異常時に前記スイッチの開放が完了した後に、前記負荷の電圧である負荷電圧の目標値と前記負荷電圧の測定値との偏差に基づいて算出される補償電圧を前記電力変換器に出力させることによって、前記負荷電圧を補償する制御である電圧補償制御を行う、電源システムの制御方法。
発明の詳細な説明
【技術分野】
【0001】
本発明は、電源システム及び電源システムの制御方法に関するものである。
続きを表示(約 1,600 文字)
【背景技術】
【0002】
従来の電源システムは、例えば特許文献1に示すように、電力系統から負荷に給電するための電力線に設けられた遮断器と、遮断器よりも負荷側に接続され、エネルギー貯蔵部のエネルギーを交流電力に変換する電力変換器とを備えている。
【0003】
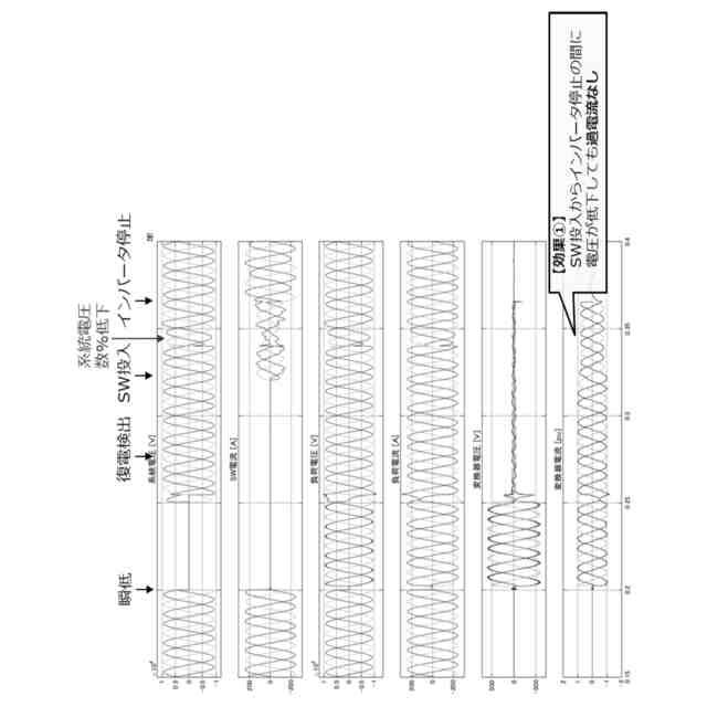
この電源システムは、電力系統の正常時には、遮断器が投入されており、電力系統から変圧器を介して負荷に給電し、電力変換器は停止されている。一方、電力系統の異常時には、遮断器を開放して電力系統から負荷への給電を遮断する。遮断器の開放に伴い負荷の電圧が低下するので、遮断器が開放された後に、電力変換器がエネルギー貯蔵部からの直流電力を交流電力に変換して、その交流電力を負荷に給電する。これにより、上記の電源システムは、電力系統の異常時に負荷の電圧を補償する電圧補償制御を行っている。
【0004】
ここで、上記の電源システムは、電圧補償制御において、電力系統の電圧である系統電圧の測定値と負荷の電圧である負荷電圧の目標値との偏差に基づいて、系統電圧の低下分を電力変換器から負荷に補償している。
【0005】
しかしながら、従来の電源システムは、負荷電圧の測定値ではなく系統電圧の測定値を用いて電圧補償制御をしているので、過剰な電圧を負荷に補償する可能性がある。その結果、電力変換器から過電流が流れたり、直流電源の電力消費が大きくなる可能性がある。
【先行技術文献】
【特許文献】
【0006】
特許第6677916号公報
【発明の概要】
【発明が解決しようとする課題】
【0007】
そこで、本発明は上記問題に鑑みてなされたものであり、スイッチの開放完了後に負荷の電圧を補償する電圧補償制御において、過剰な電圧を負荷に補償することを防ぐことを主たる課題とするものである。
【課題を解決するための手段】
【0008】
すなわち本発明に係る電源システムは、電力系統の正常時に電力系統から負荷に給電し、前記電力系統の異常時に前記電力系統から前記負荷への給電を遮断するとともに、直流電源から前記負荷に給電する電源システムであって、前記電力系統から前記負荷に給電するための電力線に設けられ、前記電力系統の異常時に開放されるスイッチと、前記電力線に接続され、前記直流電源からの直流電力を交流電力に変換する電力変換器と、前記電力系統の異常時に前記電力変換器が出力する電圧を制御する電力変換器制御部とを備え、前記電力変換器制御部は、前記電力系統の異常時に前記スイッチの開放が完了した後に、前記負荷の電圧である負荷電圧の目標値と前記負荷電圧の測定値との偏差に基づいて算出される補償電圧を前記電力変換器に出力させることによって、前記負荷電圧を補償する制御である電圧補償制御を行う電圧補償制御部を備えることを特徴とする。
【0009】
このような電源システムであれば、電圧補償制御を行う場合に、電圧補償制御部が、負荷電圧の目標値と負荷電圧の測定値との偏差に基づいて算出される補償電圧を電力変換器に出力させるので、過剰な電圧を負荷に補償することがない。その結果、電力変換器から過電流が流れるのを防いだり、直流電源の電力消費を従来の電圧補償制御よりも抑えることができる。
【0010】
前記電力系統の異常時に、前記電力系統の電圧である系統電圧が回復したかどうかを判定する復電判定部をさらに備え、前記復電判定部により前記系統電圧が回復したと判断される前に、前記電圧補償制御部は、前記負荷電圧の目標値を定格電圧にし、前記復電判定部により前記系統電圧が回復したと判断された後に、前記スイッチが投入されるとともに、前記電圧補償制御部は、前記負荷電圧の目標値を前記系統電圧の測定値に変更するものが好ましい。
(【0011】以降は省略されています)
この特許をJ-PlatPat(特許庁公式サイト)で参照する
関連特許
日新電機株式会社
遮断装置
1か月前
日新電機株式会社
ガス絶縁機器
1か月前
日新電機株式会社
化学蓄熱反応器
2日前
日新電機株式会社
真空漏れ検出器および真空装置
今日
日新電機株式会社
欠陥検出方法および真空遮断器
今日
日新電機株式会社
異常判定装置及び異常判定方法
5日前
日新電機株式会社
真空処理装置、および、ベッセル
12日前
日新電機株式会社
情報処理装置および情報処理方法
1か月前
日新電機株式会社
情報処理装置および情報処理方法
1か月前
日新電機株式会社
モデル生成装置およびモデル生成方法
1か月前
日新電機株式会社
モデル生成装置およびモデル生成方法
1か月前
日新電機株式会社
電源システム及び電源システムの制御方法
2日前
日新電機株式会社
電源システム及び電源システムの制御方法
2日前
日新電機株式会社
制御装置、直流配電システム、および制御方法
1か月前
日新電機株式会社
情報処理装置、評価システム、および情報処理方法
1か月前
日新電機株式会社
計器用変成装置、ガス絶縁開閉設備、および取外方法
1か月前
日新電機株式会社
高調波フィルタ設備及び高調波フィルタ設備の設定方法
12日前
日新電機株式会社
電源システム、電源システムの制御方法及び電源システムの制御プログラム
1か月前
日新電機株式会社
電力変換器制御装置、電力変換器の制御方法及び電力変換器の制御プログラム
1か月前
国立大学法人神戸大学
サーマルサーキットシステム
21日前
個人
電源装置
13日前
個人
永久磁石モーター
29日前
個人
バッテリ内蔵直流電源
12日前
株式会社FUJI
制御盤
2日前
オムロン株式会社
電源回路
6日前
オムロン株式会社
電源回路
6日前
オムロン株式会社
電源回路
6日前
個人
移動体を用いる駐車場発電所
1か月前
トヨタ自動車株式会社
回転子
13日前
日産自動車株式会社
電子機器
23日前
エイブリック株式会社
バッテリ装置
1か月前
ニデック株式会社
モータの制御方法
20日前
井関農機株式会社
充電システム
23日前
東京応化工業株式会社
発電装置
6日前
トヨタ自動車株式会社
溶接装置
26日前
大豊工業株式会社
モータ
12日前
続きを見る
他の特許を見る