TOP
|
特許
|
意匠
|
商標
特許ウォッチ
Twitter
他の特許を見る
公開番号
2025139769
公報種別
公開特許公報(A)
公開日
2025-09-29
出願番号
2024038789
出願日
2024-03-13
発明の名称
電力系統システム
出願人
株式会社明電舎
,
株式会社フジタ
代理人
個人
,
個人
,
個人
,
個人
主分類
H02J
7/00 20060101AFI20250919BHJP(電力の発電,変換,配電)
要約
【課題】電力系統システムにおいて、蓄電池と水素システム間の電力変換効率を上げる。
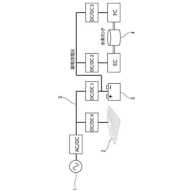
【解決手段】DCバス5に第1電力変換器DC/DC1が接続される。第1電力変換器DC/DC1には蓄電部(蓄電池)3が接続される。さらに、蓄電部(蓄電池)3に対して充放電を行う水素システムが設けられる。水素システムは、電力を水素に分解する水電解装置ECと、水素を蓄える水素タンク4と、水素を電力に変換する燃料電池FCと、を備える。水素システムは、第2電力変換器DC/DC2を介して、第1電力変換器DC/DC1と蓄電部(蓄電池)3の接続点に接続される。
【選択図】図2
特許請求の範囲
【請求項1】
DCバスと、
前記DCバスに接続された第1電力変換器と、
前記第1電力変換器に接続された蓄電部と、
前記第1電力変換器と前記蓄電部の接続点に接続された第2電力変換器と、
電力を水素に分解する水電解装置と前記水素を蓄える水素タンクと前記水素を電力に変換する燃料電池とを有する水素システムと、を備え、
前記第2電力変換器は前記水素システムに接続され、
前記水素システムは前記蓄電部に対して充放電を行うことを特徴とする電力系統システム。
続きを表示(約 730 文字)
【請求項2】
前記第1電力変換器と前記蓄電部の接続点と前記燃料電池との間に接続された第3電力変換器を備え、
前記第2電力変換器は前記水電解装置に接続されたことを特徴とする請求項1記載の電力系統システム。
【請求項3】
前記第2電力変換器と前記水電解装置との間に接続された第1スイッチと、
前記第2電力変換器と前記燃料電池との間に接続された第2スイッチと、
を備えたことを特徴とする請求項1記載の電力系統システム。
【請求項4】
前記第2電力変換器と前記水電解装置との間に接続された第1スイッチと、
前記第2電力変換器と前記燃料電池との間に接続された第1ダイオードと、
を備えたことを特徴とする請求項1記載の電力系統システム。
【請求項5】
前記第1ダイオードに対して並列に接続された第2スイッチを備えたことを特徴とする請求項4記載の電力系統システム。
【請求項6】
前記第1スイッチと前記水電解装置との間に接続された第2ダイオードと、
前記第2ダイオードに対して並列に接続された第3スイッチと、
を備えたことを特徴とする請求項5記載の電力系統システム。
【請求項7】
前記第2電力変換器と前記水電解装置との間に接続された第1スイッチと、
前記第1スイッチと前記水電解装置との間に接続された第2ダイオードと、
前記第2ダイオードに対して並列に接続された第3スイッチと、
前記第2電力変換器と前記燃料電池との間に接続された第2スイッチと、
を備えたことを特徴とする請求項1記載の電力系統システム。
発明の詳細な説明
【技術分野】
【0001】
本願発明は、DCバスと蓄電部と水素システムを備えた電力系統システムに関する。
続きを表示(約 1,000 文字)
【背景技術】
【0002】
電力エネルギーの環境対応として太陽光発電や風力発電等の自然エネルギー発電の増加が見込まれる。季節変動など不安定な自然エネルギー由来の発電に対して長期的なエネルギー需給バランス(電力安定化)を取るためには大容量のエネルギー蓄積要素が必要である。
【0003】
エネルギー蓄積要素の現在の主力として目されている蓄電池は高応答であるがエネルギー蓄積量(容量)が設置時に決まってしまう。また、年間を通して安定させるための容量を設定すると蓄電池の利用率が上がらない。
【0004】
そこで、タンクの交換や補充などが行える水素に着目する。水素を利用したエネルギー蓄積要素を加えることで、蓄電池への投資を抑え、かつ季節変動などへの長期変動に耐えられるシステムを構築できる。
【0005】
水電解による水素生成(以降、水電解装置ECと称する)と燃料電池による発電(以後、燃料電池FCと称する)による電力エネルギーの出し入れが可能な水素システムによって、長期的なエネルギー需給バランスを取れるようになる。
【0006】
しかしながら水素システムにも利点・欠点があり、蓄電池、水素システムを整理すると以下となる。
【0007】
(蓄電池)
利点:高応答に電力の出し入れが可能で、需要や発電の急峻な変動にも対応可能である。
欠点:設置時にエネルギー蓄積量(蓄電容量)が決定されてしまう。
【0008】
(水素システム)
利点:水素タンクの補充などでエネルギー蓄積量(蓄電容量)は理論的には無限大である。
欠点:液体や気体を扱うため、急峻な電力変動に不向きである。
【先行技術文献】
【特許文献】
【0009】
特許第6923231号
【発明の概要】
【発明が解決しようとする課題】
【0010】
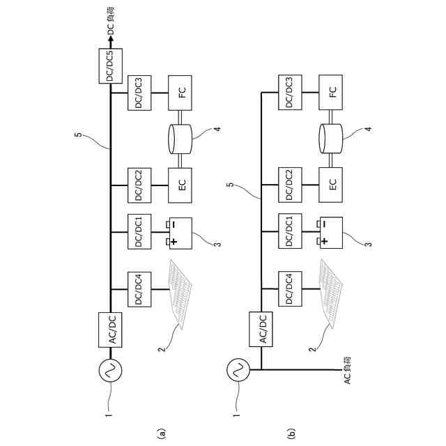
上記蓄電池、水素システムの利点・欠点を相互に補う電力系統システムを図1に示す。図1(a)は直流負荷への供給構成例を示し、図1(b)は交流負荷への供給構成例を示す。現在の電力系統システムは系統電源1や負荷との接続に多少の差異はあるものの、概ねDCバス5を介して図1の構成を取っている。特許文献1にこの構成が開示されている。
(【0011】以降は省略されています)
この特許をJ-PlatPat(特許庁公式サイト)で参照する
関連特許
株式会社明電舎
回転電機
6日前
株式会社明電舎
回転電機
13日前
株式会社明電舎
回転電機
1か月前
株式会社明電舎
ドローン
3日前
株式会社明電舎
回転電機
15日前
株式会社明電舎
電力変換器
2か月前
株式会社明電舎
電力変換装置
1か月前
株式会社明電舎
電力変換装置
1か月前
株式会社明電舎
電力変換装置
2か月前
株式会社明電舎
負荷発生装置
1か月前
株式会社明電舎
電力変換装置
13日前
株式会社明電舎
電力変換装置
15日前
株式会社明電舎
回転機の冷却構造
2か月前
株式会社明電舎
電力系統システム
3日前
株式会社明電舎
部分放電測定装置
2か月前
株式会社明電舎
センサ固定用治具
1日前
株式会社明電舎
電力系統システム
22日前
株式会社明電舎
遮断器のリンク機構、遮断器
1日前
株式会社明電舎
軸受及びそれを備えた回転機
29日前
株式会社明電舎
電極構造,真空インタラプタ
1か月前
株式会社明電舎
電極構造,真空インタラプタ
13日前
株式会社明電舎
電流センサおよび電力変換装置
22日前
株式会社明電舎
不良検知装置及び不良検知方法
3日前
株式会社明電舎
埋込磁石型回転子および回転電機
2か月前
株式会社明電舎
異常検知システム及び異常検知方法
1か月前
株式会社明電舎
真空可変コンデンサの駆動制御装置
1か月前
株式会社明電舎
情報通信装置の画面情報保存システム
2か月前
株式会社明電舎
半導体モジュールおよび電力変換装置
7日前
株式会社明電舎
機械学習支援装置及び機械学習支援方法
1か月前
株式会社明電舎
架線位置計測装置及び架線位置計測方法
7日前
株式会社明電舎
水冷式回転機のフレーム、及びその製造方法
1日前
株式会社明電舎
目標車速パターンデータ生成方法及び試験方法
3日前
株式会社明電舎
振動制御装置およびインバータおよび振動制御方法
2か月前
株式会社明電舎
電子装置
1か月前
株式会社明電舎
電力変換器
2か月前
株式会社明電舎
絶縁型DC/DC変換器および絶縁型DC/DC変換器の制御方法
6日前
続きを見る
他の特許を見る