TOP
|
特許
|
意匠
|
商標
特許ウォッチ
Twitter
他の特許を見る
公開番号
2025141589
公報種別
公開特許公報(A)
公開日
2025-09-29
出願番号
2024041600
出願日
2024-03-15
発明の名称
金属積層造形方法
出願人
大陽日酸株式会社
代理人
個人
,
個人
,
個人
主分類
B22F
10/32 20210101AFI20250919BHJP(鋳造;粉末冶金)
要約
【課題】造形物や再利用粉末の酸化を抑制することができる金属積層造形方法を提供する。
【解決手段】金属積層造形方法は、雰囲気の酸素濃度を10体積ppm以下、且つ、水分濃度を10体積ppm以下に調節する濃度調整工程と、調節後の前記雰囲気中に水分量が30質量ppm以下である金属粉末を供給して金属粉末層を形成する供給工程と、調節後の雰囲気中において、エネルギー線を用いて金属粉末層に熱を供給して金属層を造形する層形成工程と、を含む。
【選択図】なし
特許請求の範囲
【請求項1】
雰囲気の酸素濃度を10体積ppm以下、且つ、水分濃度を10体積ppm以下に調節する濃度調整工程と、
前記調節後の前記雰囲気中に水分量が30質量ppm以下である金属粉末を供給して金属粉末層を形成する供給工程と、
前記調節後の前記雰囲気中において、エネルギー線を用いて前記金属粉末層に熱を供給して金属層を造形する層形成工程と、を含む金属積層造形方法。
続きを表示(約 350 文字)
【請求項2】
濃度調整工程において、前記酸素濃度を1体積ppm以下、且つ、前記水分濃度を5ppm以下とする請求項1記載の金属積層造形方法。
【請求項3】
前記供給工程において、前記水分量が10質量ppm以下である前記金属粉末を供給する請求項1に記載の金属積層造形方法。
【請求項4】
前記金属粉末は、平衡酸素分圧が10
-2
Pa以上の金属の粉末である請求項1記載の金属積層造形方法。
【請求項5】
前記金属粉末は、鉄、ニッケル又は銅の粉末である請求項1記載の金属積層造形方法。
【請求項6】
前記供給工程と前記層形成工程と順次繰り返し、前記金属層を順次積層する請求項1から5の何れか一項に記載の金属積層造形方法。
発明の詳細な説明
【技術分野】
【0001】
本開示は、金属積層造形方法に関する。
続きを表示(約 1,300 文字)
【背景技術】
【0002】
特許文献1には、積層造形システム及び積層造形方法が開示されている。この積層造形システムは、シールドガスの存在下で、エネルギー線を用いて粉体材料に熱を供給して層を造形し、造形した層を順次積層する積層造形ユニットと、シールドガス中のガス成分の濃度を調整する濃度調整ユニットを備えている。積層造形ユニットは、粉体材料に照射するエネルギー線の照射源を含む照射部と、シールドガスが充填されるチャンバー、及び、層の造形及び積層が行われる造形ステージを含む造形部を有する。濃度調整ユニットは、シールドガス中の不純物となる第1のガス成分を、粉体材料に応じて除去する精製部と、粉体材料に応じて選択される第2のガス成分を必要に応じてチャンバー内に供給する供給部を有する。
【0003】
また、特許文献1には、チャンバー内において、造形を行った後の粉体材料は、造形ステージ上でレーザー(エネルギー線)の照射がされなかった部分に残った粉体材料であるが、造形ステージでレーザーが照射された粉体材料の周囲の粉体材料は、レーザーが直接照射されていないとしても、レーザーが照射された部位から伝導する高熱によって変質していることがあり、造形を行った後の粉体材料は、還元等の処理を行った後に再利用できることが開示されている。
【先行技術文献】
【特許文献】
【0004】
特開2021-079550号公報
【発明の概要】
【発明が解決しようとする課題】
【0005】
特許文献1に開示されるような従来技術にあっては、金属の積層造形における造形物や再利用粉末が、造形時の雰囲気中の不純物で酸化されたり、造形の材料とする金属粉末に含まれる水分で酸化されたりする問題があった。そのため、造形物や再利用粉末の酸化を抑制することができる金属積層造形方法の提供が望まれる。
【0006】
本開示は、かかる実状に鑑みて為されたものであって、その目的は、造形物や再利用粉末の酸化を抑制することができる金属積層造形方法を提供することにある。
【課題を解決するための手段】
【0007】
上記目的を達成するための本開示に係る金属積層造形方法は、
雰囲気の酸素濃度を10体積ppm以下、且つ、水分濃度を10体積ppm以下に調節する濃度調整工程と、
前記調節後の前記雰囲気中に水分量が30質量ppm以下である金属粉末を供給して金属粉末層を形成する供給工程と、
前記調節後の前記雰囲気中において、エネルギー線を用いて前記金属粉末層に熱を供給して金属層を造形する層形成工程と、を含む。
【発明の効果】
【0008】
本開示によれば、造形物や再利用粉末の酸化を抑制することができる金属積層造形方法を提供することができる。
【図面の簡単な説明】
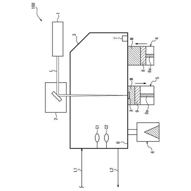
【0009】
積層造形装置の構成を示す模式図である。
【発明を実施するための形態】
【0010】
図面に基づいて、本開示の実施形態に係る金属積層造形方法について説明する。
(【0011】以降は省略されています)
この特許をJ-PlatPat(特許庁公式サイト)で参照する
関連特許
大陽日酸株式会社
インジェクター
29日前
大陽日酸株式会社
ドライ洗浄装置
1日前
大陽日酸株式会社
CO2の回収方法
9日前
大陽日酸株式会社
金属積層造形方法
17日前
大陽日酸株式会社
洗浄対象物の洗浄方法
1日前
大陽日酸株式会社
酸素富化ガスの製造方法
6日前
大陽日酸株式会社
回転体および回転体の制御方法
27日前
大陽日酸株式会社
液分配器、充填塔及び空気分離装置
17日前
大陽日酸株式会社
液化ガス充填システム及び液化ガスの充填方法
7日前
大陽日酸株式会社
高炉シャフト部に供給する還元ガスの製造装置
9日前
大陽日酸株式会社
還元鉄の製造システム、および還元鉄の製造方法
7日前
大陽日酸株式会社
カバーガスの供給方法及びマグネシウム溶融装置
9日前
大陽日酸株式会社
混焼専焼バーナの燃焼方法および混焼専焼バーナ
17日前
大陽日酸株式会社
圧力変動吸着式ガス分離方法及び圧力変動吸着式ガス分離装置
6日前
大陽日酸株式会社
還元鉄の製造装置、還元鉄の製造システム、および還元鉄の製造方法
7日前
個人
鋼の連続鋳造用鋳型
1か月前
個人
ピストンの低圧鋳造金型
5か月前
友鉄工業株式会社
錫プレート成形方法
29日前
トヨタ自動車株式会社
押湯入子
2か月前
大阪硅曹株式会社
無機中子用水性塗型剤
1か月前
日本製鉄株式会社
モールドパウダー
7日前
株式会社プロテリアル
合金粉末の製造方法
6か月前
山石金属株式会社
ガスアトマイズ装置
1か月前
トヨタ自動車株式会社
鋳バリ抑制方法
6か月前
山石金属株式会社
ガスアトマイズ装置
1か月前
株式会社キャステム
鋳造品の製造方法
5か月前
トヨタ自動車株式会社
中子の製造方法
3か月前
トヨタ自動車株式会社
中子の製造方法
2か月前
芝浦機械株式会社
射出装置及び成形機
2か月前
株式会社日本触媒
窒素被覆金属粒子の製造方法
3か月前
山石金属株式会社
アルミニウム含有粒子
6日前
山石金属株式会社
アルミニウム含有粒子
6日前
トヨタ自動車株式会社
ケースの製造方法
4か月前
トヨタ自動車株式会社
突き折り棒
5か月前
旭有機材株式会社
鋳型の製造方法
2か月前
トヨタ自動車株式会社
鋳物砂の再生方法
3か月前
続きを見る
他の特許を見る