TOP
|
特許
|
意匠
|
商標
特許ウォッチ
Twitter
他の特許を見る
公開番号
2025146370
公報種別
公開特許公報(A)
公開日
2025-10-03
出願番号
2024047109
出願日
2024-03-22
発明の名称
ハイサイドドライバ回路、ローサイドドライバ回路、モータ駆動装置
出願人
ローム株式会社
代理人
個人
,
個人
主分類
H02M
1/08 20060101AFI20250926BHJP(電力の発電,変換,配電)
要約
【課題】駆動対象のパワートランジスタの特性に応じてスルーレートを調節可能なドライバ回路を提供する。
【解決手段】第1ラインLn1は、ハイサイドトランジスタMHのゲートに印加すべきゲートハイ電圧V
H_HS
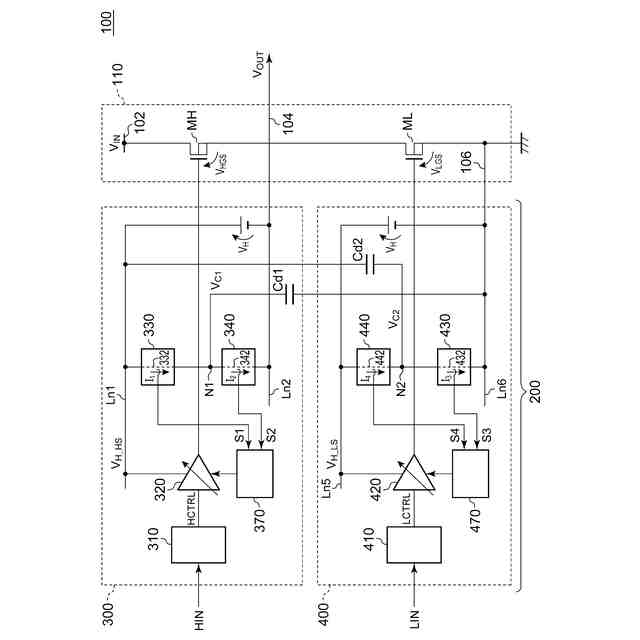
が発生する。ハイサイドゲートドライバ320は、ハイサイド制御信号に応じてハイサイドトランジスタMHのゲート電圧を制御する。ソースライズ遷移検出回路330は、ブリッジ回路110がソースモードでライズ遷移するとき、第1ラインLn1から第1検出キャパシタCd1に至る経路332に流れる電流I
1
を示す第1スルーレート検出信号S1を生成する。ハイサイドスルーレート調節回路370は、第1スルーレート検出信号S1にもとづいて、ハイサイドゲートドライバ320の駆動能力を調節する。
【選択図】図1
特許請求の範囲
【請求項1】
ブリッジ回路を構成するハイサイドトランジスタを駆動するハイサイドドライバ回路であって、
前記ハイサイドトランジスタのゲートに印加すべきゲートハイ電圧が発生する第1ラインと、
前記ブリッジ回路の出力と接続される第2ラインと、
ハイサイド制御信号に応じて前記ハイサイドトランジスタのゲート電圧を制御するハイサイドゲートドライバと、
前記ハイサイド制御信号を生成するハイサイド制御回路と、
一端が接地された第1検出キャパシタと、
前記ブリッジ回路がソースモードでライズ遷移するとき、前記第1ラインから前記第1検出キャパシタに至る経路に流れる電流を示す第1スルーレート検出信号を生成するソースライズ遷移検出回路と、
前記第1スルーレート検出信号にもとづいて、前記ハイサイドゲートドライバの駆動能力を調節するハイサイドスルーレート調節回路と、
を備える、ハイサイドドライバ回路。
続きを表示(約 2,000 文字)
【請求項2】
前記ハイサイドゲートドライバは、電流駆動型であり、
前記ハイサイドスルーレート調節回路は、前記第1スルーレート検出信号にもとづいて前記ハイサイドゲートドライバがソースする駆動電流を調節する、請求項1に記載のハイサイドドライバ回路。
【請求項3】
前記ハイサイドゲートドライバは、前記ソースモードのライズ遷移において、前記駆動電流が、時間とともに多段階で変化するように構成され、
各段階の前記駆動電流が、前記第1スルーレート検出信号に応じて同じ比率で調節される、請求項2に記載のハイサイドドライバ回路。
【請求項4】
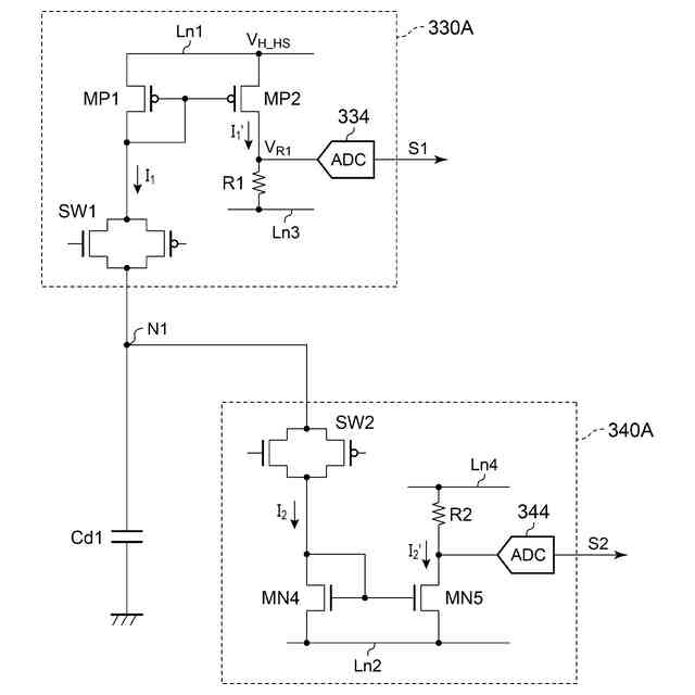
前記ソースライズ遷移検出回路は、
ソースが前記第1ラインと接続され、ゲートおよびドレインが前記第1検出キャパシタと接続された第1トランジスタと、
ソースが前記第1ラインと接続され、ゲートが前記第1トランジスタのゲートと接続された第2トランジスタと、
前記第1ラインよりも低い電圧が発生する第3ラインと、
前記第2トランジスタのドレインと前記第3ラインの間に接続された第1抵抗と、
前記第1抵抗の電圧降下をデジタルの前記第1スルーレート検出信号に変換するA/Dコンバータと、
を含む、請求項1から3のいずれかに記載のハイサイドドライバ回路。
【請求項5】
前記ブリッジ回路がソースモードでフォール遷移するとき、前記第1検出キャパシタから前記第2ラインに至る経路に流れる電流を示す第2スルーレート検出信号を生成するソースフォール遷移検出回路をさらに備え、
前記ハイサイドスルーレート調節回路は、前記第2スルーレート検出信号にもとづいて、前記ハイサイドゲートドライバの駆動能力を調節する、請求項1から3のいずれかに記載のハイサイドドライバ回路。
【請求項6】
前記ハイサイドゲートドライバは、電流駆動型であり、
前記ハイサイドスルーレート調節回路は、前記第2スルーレート検出信号にもとづいて前記ハイサイドゲートドライバがシンクする駆動電流を調節する、請求項5に記載のハイサイドドライバ回路。
【請求項7】
前記ハイサイドゲートドライバは、前記ソースモードのフォール遷移において、前記駆動電流が、時間とともに多段階で変化するように構成され、
各段階の前記駆動電流が、前記第2スルーレート検出信号に応じて同じ比率で調節される、請求項6に記載のハイサイドドライバ回路。
【請求項8】
前記ソースフォール遷移検出回路は、
ソースが前記第2ラインと接続され、ゲートおよびドレインが前記第1検出キャパシタと接続された第4トランジスタと、
ソースが前記第2ラインと接続され、ゲートが前記第4トランジスタのゲートと接続された第5トランジスタと、
前記第2ラインよりも高い電圧が発生する第4ラインと、
前記第5トランジスタのドレインと前記第4ラインの間に接続された第2抵抗と、
前記第2抵抗の電圧降下をデジタルの前記第2スルーレート検出信号に変換するA/Dコンバータと、
を含む、請求項5に記載のハイサイドドライバ回路。
【請求項9】
ハイサイドトランジスタとともにブリッジ回路を構成するローサイドトランジスタを駆動するローサイドドライバ回路であって、
前記ローサイドトランジスタのゲートに印加すべきゲートハイ電圧が発生する第5ラインと、
接地される第6ラインと、
ローサイド制御信号に応じて前記ローサイドトランジスタのゲート電圧を制御するローサイドゲートドライバと、
前記ローサイド制御信号を生成するローサイド制御回路と、
一端がハイサイドトランジスタに印加すべきゲートハイ電圧が発生する第1ラインと接続された第2検出キャパシタと、
前記ブリッジ回路がシンクモードでライズ遷移するとき、前記第5ラインから前記第2検出キャパシタに至る経路に流れる電流を示す第3スルーレート検出信号を生成するシンクライズ遷移検出回路と、
前記第3スルーレート検出信号にもとづいて、前記ローサイドゲートドライバの駆動能力を調節するローサイドスルーレート調節回路と、
を備える、ローサイドドライバ回路。
【請求項10】
前記ローサイドゲートドライバは、電流駆動型であり、
前記ローサイドスルーレート調節回路は、前記第3スルーレート検出信号にもとづいて、前記ローサイドゲートドライバがシンクする駆動電流を調節する、請求項9に記載のローサイドドライバ回路。
(【請求項11】以降は省略されています)
発明の詳細な説明
【技術分野】
【0001】
本開示は、ブリッジ回路のドライバ回路に関する。
続きを表示(約 1,200 文字)
【背景技術】
【0002】
モータドライバ回路やDC/DCコンバータ、電力変換装置などにおいて、パワートランジスタを用いたハーフブリッジ回路、Hブリッジ回路、三相ブリッジ回路(以下、ブリッジ回路と総称する)が多用されている。
【0003】
ブリッジ回路は、入力ラインINと出力ラインOUTの間に設けられた上アームと、出力ラインOUTと接地ラインの間に設けられた下アームを備える。上アームは、並列に接続されるハイサイドトランジスタおよびフライホイルダイオードを含む。下アームは、並列に接続されるローサイドトランジスタおよびフライホイルダイオードを含む。
【0004】
ブリッジ回路は、ハイサイドトランジスタがオン、ローサイドトランジスタがオフであるハイ出力状態、ハイサイドトランジスタがオフ、ローサイドトランジスタがオンであるロー出力状態が切替可能である。ハイ出力状態では、出力ラインOUTには、入力ラインの電圧V
IN
と実質的に同じ電圧レベルの出力電圧V
OUT
が発生する。ロー出力状態では、出力ラインOUTには、接地ラインの電圧と実質的に同じ電圧レベルの出力電圧V
OUT
が発生する。
【先行技術文献】
【特許文献】
【0005】
国際公開WO2022/259780号公報
【0006】
大電力のアプリケーションでは、ブリッジ回路を構成するハイサイドトランジスタおよびローサイドトランジスタを、ディスクリート部品で構成されたり、あるいはドライバ回路のチップとは別のチップ上に形成されたりする。
【0007】
これらの場合、ドライバ回路から見た負荷インピーダンス、つまりパワートランジスタの入力インピーダンス(ゲート容量やゲート抵抗)が、実際に使用されるハイサイドトランジスタおよびローサイドトランジスタの種類やサイズによって変化することになる。パワートランジスタのゲート容量やゲート抵抗は、ブリッジ回路の出力電圧の変化速度(スルーレート)に影響を与える。
【0008】
なお、パワートランジスタの特性は、プロセスばらつきの影響を受けるため、パワートランジスタがドライバ回路と同じチップ上に集積化される場合においては、プロセスばらつきによって出力電圧のスルーレートが変化する。
【0009】
出力電圧のスルーレートは、インバータ回路の効率や、スイッチングノイズに影響を与えるという問題がある。
【0010】
[概要]
本開示は係る課題に鑑みてなされたものあり、そのある態様の例示的な目的のひとつは、駆動対象のパワートランジスタの特性に応じてスルーレートを調節可能なドライバ回路の提供にある。
(【0011】以降は省略されています)
この特許をJ-PlatPat(特許庁公式サイト)で参照する
関連特許
ローム株式会社
駆動回路
今日
ローム株式会社
発振回路
9日前
ローム株式会社
半導体装置
今日
ローム株式会社
半導体装置
5日前
ローム株式会社
半導体装置
5日前
ローム株式会社
メモリ装置
5日前
ローム株式会社
半導体装置
今日
ローム株式会社
半導体装置
5日前
ローム株式会社
半導体装置
1日前
ローム株式会社
半導体装置
5日前
ローム株式会社
半導体装置
5日前
ローム株式会社
半導体装置
7日前
ローム株式会社
半導体装置
7日前
ローム株式会社
半導体装置
7日前
ローム株式会社
半導体装置
7日前
ローム株式会社
半導体装置
今日
ローム株式会社
信号出力回路
5日前
ローム株式会社
無線通信回路
今日
ローム株式会社
時間測定回路
今日
ローム株式会社
TVSダイオード
7日前
ローム株式会社
TVSダイオード
7日前
ローム株式会社
フォトダイオード
今日
ローム株式会社
不揮発性メモリ装置
5日前
ローム株式会社
不揮発性メモリ装置
5日前
ローム株式会社
不揮発性メモリ装置
5日前
ローム株式会社
判定回路、半導体装置
5日前
ローム株式会社
不揮発性半導体記憶装置
5日前
ローム株式会社
表示装置及びソースドライバ
5日前
ローム株式会社
アンテナ付高周波モジュール
今日
ローム株式会社
クロックデータリカバリ回路
5日前
ローム株式会社
半導体装置及び高電圧検出アンプ
5日前
ローム株式会社
半導体装置および半導体装置ユニット
今日
ローム株式会社
半導体装置および半導体装置の製造方法
5日前
ローム株式会社
マイクロコンピュータのメモリ制御回路
今日
ローム株式会社
半導体装置の製造方法および半導体装置
今日
ローム株式会社
半導体装置、および半導体装置の製造方法
5日前
続きを見る
他の特許を見る