TOP
|
特許
|
意匠
|
商標
特許ウォッチ
Twitter
他の特許を見る
公開番号
2025149506
公報種別
公開特許公報(A)
公開日
2025-10-08
出願番号
2024050210
出願日
2024-03-26
発明の名称
液体吐出装置
出願人
セイコーエプソン株式会社
代理人
個人
,
個人
,
個人
主分類
B41J
2/17 20060101AFI20251001BHJP(印刷;線画機;タイプライター;スタンプ)
要約
【課題】余計な消費電力の増加を抑えつつ、インクの温度特性を安定化する。
【解決手段】媒体にインクを吐出するヘッドと、前記ヘッドを搭載し、前記媒体に対し走査されるキャリッジと、前記キャリッジを駆動するキャリッジ駆動部に電力を供給するキャリッジモーターと、前記媒体を搬送する搬送部と、前記搬送部を駆動する搬送駆動部に電力を供給する搬送モーターと、前記インクを加熱する加熱部と、を備え、印字期間は第1期間と、前記第1期間に続く第2期間を含み、前記第1期間において、前記キャリッジ駆動部は前記キャリッジモーターから電力を供給され、且つ前記加熱部は前記搬送モーターから第1回生電流が供給され、前記第2期間において、前記搬送駆動部は前記搬送モーターから電力を供給され、且つ前記加熱部は前記キャリッジモーターから第2回生電流が供給される、液体吐出装置。
【選択図】図2
特許請求の範囲
【請求項1】
媒体にインクを吐出するヘッドと、
前記ヘッドを搭載し、前記媒体に対し走査されるキャリッジと、
前記キャリッジを駆動するキャリッジ駆動部に電力を供給するキャリッジモーターと、
前記媒体を搬送する搬送部と、
前記搬送部を駆動する搬送駆動部に電力を供給する搬送モーターと、
前記インクを加熱する加熱部と、
を備え、
印字期間は第1期間と、前記第1期間に続く第2期間を含み、
前記第1期間において、前記キャリッジ駆動部は前記キャリッジモーターから電力を供給され、且つ前記加熱部は前記搬送モーターから第1回生電流が供給され、
前記第2期間において、前記搬送駆動部は前記搬送モーターから電力を供給され、且つ前記加熱部は前記キャリッジモーターから第2回生電流が供給される、
液体吐出装置。
続きを表示(約 690 文字)
【請求項2】
前記加熱部は、
前記第1回生電流が供給される第1抵抗と、
前記第2回生電流が供給される第2抵抗と、
を含み、
前記加熱部の外部において前記第1回生電流が流れる第1配線と前記第1抵抗との導通状態の切り替え、および、前記加熱部の外部において前記第2回生電流が流れる第2配線と前記第2抵抗との導通状態の切り替えを行うスイッチ部を有する、
請求項1に記載の液体吐出装置。
【請求項3】
前記加熱部は、
前記第1回生電流および前記第2回生電流が流れる抵抗と、
を含む、
請求項1に記載の液体吐出装置。
【請求項4】
前記加熱部の外部において前記第1回生電流が流れる第1配線と前記加熱部との間に接続される第1ダイオードと、
前記加熱部の外部において前記第2回生電流が流れる第2配線と前記加熱部との間に接続される第2ダイオードと、
を有する、
請求項1に記載の液体吐出装置。
【請求項5】
前記キャリッジは、FFCを介して、前記搬送部を含む本体側と接続し、
前記本体側に設けられて前記FFCと接続する接続コネクターの近傍に前記加熱部が配置される、
請求項1に記載の液体吐出装置。
【請求項6】
前記第1期間において、前記搬送駆動部は前記搬送モーターと接続しておらず、
前記第2期間において、前記キャリッジ駆動部は前記キャリッジモーターと接続していない、
請求項1に記載の液体吐出装置。
発明の詳細な説明
【技術分野】
【0001】
本開示は、液体吐出装置に関する。
続きを表示(約 1,700 文字)
【背景技術】
【0002】
記録媒体に液体を噴射して画像および文字等を記録する記録装置の一つとして、インクジェット式プリンターが知られている。
インクジェット式プリンターにおいて、例えば、比較的粘度が高いインクを塗布する場合、良好なインク噴射特性を得るためにインクの粘度管理が重要となる。そこで、ヘッドの内部にインクを加熱するための流体が流通する流体流路を設け、インクの温度をほぼ均一に保ち、一定のインク粘度を保持することでインク噴射特性の安定化を図る技術があった(特許文献1参照。)。
【先行技術文献】
【特許文献】
【0003】
特開2008-55716号公報
【発明の概要】
【発明が解決しようとする課題】
【0004】
しかしながら、特許文献1に記載された技術では、インクの温度を一定に保つためにインクを加温する必要があり、省エネルギー性の観点で改善の余地があった。
【課題を解決するための手段】
【0005】
上記課題を解決するために一態様は、媒体にインクを吐出するヘッドと、前記ヘッドを搭載し、前記媒体に対し走査されるキャリッジと、前記キャリッジを駆動するキャリッジ駆動部に電力を供給するキャリッジモーターと、前記媒体を搬送する搬送部と、前記搬送部を駆動する搬送駆動部に電力を供給する搬送モーターと、前記インクを加熱する加熱部と、を備え、印字期間は第1期間と、前記第1期間に続く第2期間を含み、前記第1期間において、前記キャリッジ駆動部は前記キャリッジモーターから電力を供給され、且つ前記加熱部は前記搬送モーターから第1回生電流が供給され、前記第2期間において、前記搬送駆動部は前記搬送モーターから電力を供給され、且つ前記加熱部は前記キャリッジモーターから第2回生電流が供給される、液体吐出装置である。
【図面の簡単な説明】
【0006】
実施形態に係るプリンターの概略構成を示す図である。
実施形態に係るプリンターにおいて印刷を実行する印刷領域を示す平面図である。
実施形態に係るプリンターの全体の概略構成を示す断面図である。
実施形態に係る加熱部への電力供給経路の一例を示す図である。
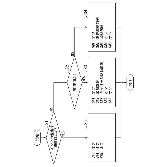
実施形態に係る加熱制御の一例を示す図である。
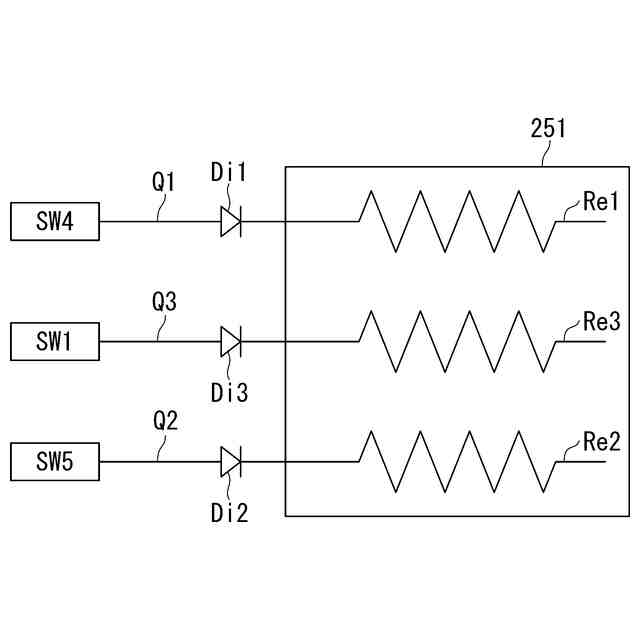
実施形態に係るプリンターにおける加熱部の構成例を示す図である。
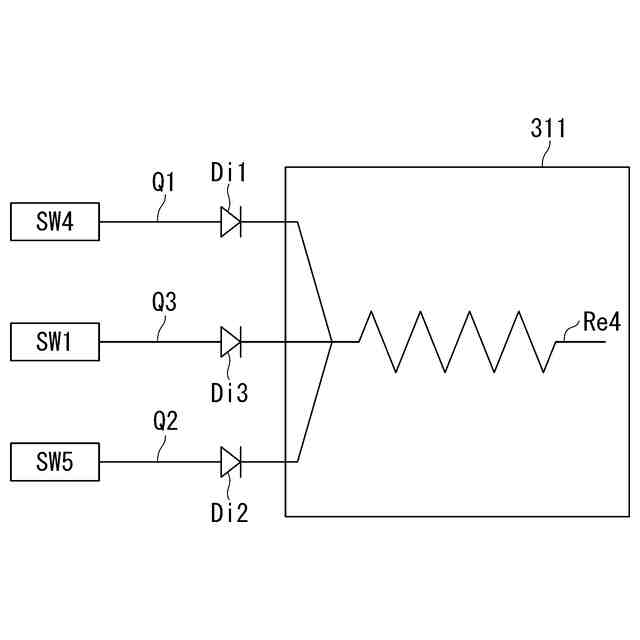
実施形態に係るプリンターにおける加熱部の他の構成例を示す図である。
実施形態に係るプリンターにおける加熱部の配置の一例を示す図である。
【発明を実施するための形態】
【0007】
以下、実施形態について、図面を参照して説明する。
【0008】
第1実施形態について説明する。
図1Aは、実施形態に係るプリンター11の概略構成を示す図である。
図1Bは、実施形態に係るプリンター11において印刷を実行する印刷領域を示す平面図である。
図1Cは、実施形態に係るプリンター11の全体の概略構成を示す断面図である。
【0009】
図1A~図1Cには、それぞれ、説明の便宜上、三次元直交座標系であるXYZ直交座標系を示してある。
なお、本実施形態では、水平面内における連続紙12の幅方向をX方向とし、X方向と直交する連続紙12の搬送方向をY方向とし、鉛直方向をZ方向とするXYZ直交座標系を設定している。
【0010】
液体吐出装置の一例であるプリンター11は、印刷方式として、複数の記録ヘッドから連続紙12の上に液体を噴射するインクジェット方式を採用したものであり、ロール状に巻回された長尺状の連続紙12を順次繰り出しつつ印刷処理を行い、印刷後の連続紙12を再びロール状に巻回する。
ここで、記録ヘッドは、液体噴射ヘッドと呼ばれてもよい。
また、連続紙12は、被記録媒体の一例である。
(【0011】以降は省略されています)
この特許をJ-PlatPat(特許庁公式サイト)で参照する
関連特許
個人
箔熱転写装置
1か月前
シヤチハタ株式会社
印判
4か月前
東レ株式会社
凸版印刷版原版
10か月前
三菱製紙株式会社
感熱記録材料
10か月前
シヤチハタ株式会社
反転式印判
9か月前
キヤノン株式会社
記録装置
23日前
三光株式会社
感熱記録材料
6か月前
独立行政法人 国立印刷局
印刷物
7か月前
株式会社リコー
液体吐出装置
4か月前
株式会社リコー
液体吐出装置
5か月前
独立行政法人 国立印刷局
記録媒体
8か月前
独立行政法人 国立印刷局
貼付機構
1か月前
株式会社リコー
液体吐出装置
7か月前
日本製紙株式会社
感熱記録体
7か月前
株式会社リコー
液体吐出装置
7か月前
株式会社リコー
液体吐出装置
8か月前
株式会社リコー
液体吐出装置
1か月前
独立行政法人 国立印刷局
貼付装置
1か月前
株式会社リコー
液体吐出装置
4か月前
株式会社リコー
画像形成装置
11日前
株式会社リコー
印刷システム
11日前
株式会社リコー
画像形成装置
7日前
株式会社リコー
画像形成装置
1か月前
株式会社リコー
液体吐出装置
5か月前
ブラザー工業株式会社
プリンタ
6か月前
ブラザー工業株式会社
プリンタ
6か月前
キヤノン株式会社
画像形成装置
6か月前
ブラザー工業株式会社
プリンタ
8か月前
キヤノン株式会社
画像形成装置
10か月前
ブラザー工業株式会社
プリンタ
1か月前
独立行政法人 国立印刷局
潜像印刷物
1か月前
キヤノン株式会社
画像形成装置
10か月前
独立行政法人 国立印刷局
潜像形成体
7日前
キヤノン株式会社
情報処理装置
9か月前
ブラザー工業株式会社
プリンタ
1か月前
キヤノン株式会社
画像形成装置
5か月前
続きを見る
他の特許を見る