TOP
|
特許
|
意匠
|
商標
特許ウォッチ
Twitter
他の特許を見る
10個以上の画像は省略されています。
公開番号
2025150605
公報種別
公開特許公報(A)
公開日
2025-10-09
出願番号
2024051588
出願日
2024-03-27
発明の名称
浄水膜構造体および浄水膜組立体
出願人
日本碍子株式会社
,
メタウォーター株式会社
代理人
弁理士法人松阪国際特許事務所
,
個人
,
個人
,
個人
主分類
C02F
1/44 20230101AFI20251002BHJP(水,廃水,下水または汚泥の処理)
要約
【課題】濾過セルの内側面に堆積した付着物を逆洗時に好適に除去する。
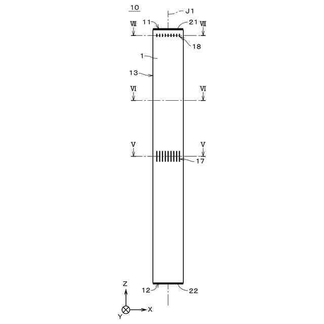
【解決手段】原水から浄水を生成する浄水膜構造体10では、中央連通流路部17は、第1端面11と第2端面12とを繋ぐ外側面13から、複数の濾過セルを避けて長手方向に垂直な方向に延びる。中央連通流路部17は、集水孔に連通する。中央連通流路部17は、第1端面11から長手方向に多孔質体1の全長の1/3以上離間し、かつ、第2端面12から長手方向に多孔質体1の全長の1/3以上離間した位置に位置する。中央連通流路部17を構成する連通流路の流路長手方向に垂直な断面は、長手方向に長いスリット状である。これにより、濾過セルの内側面に堆積した付着物を、逆洗時に好適に除去することができる。
【選択図】図2
特許請求の範囲
【請求項1】
原水から浄水を生成する浄水膜構造体であって、
長手方向に延びる柱状の多孔質体と、
前記多孔質体の前記長手方向の一方側の端面である第1端面を被覆する非透水性の第1シールと、
前記多孔質体の前記長手方向の他方側の端面である第2端面を被覆する非透水性の第2シールと、
を備え、
前記多孔質体は、
前記第1端面から前記第2端面まで前記多孔質体を前記長手方向に貫通して前記第1シールおよび前記第2シールにおいて開口するとともに原水が供給される複数の濾過セルと、
前記第1シールにおいて開口し、前記第1端面から前記長手方向に延びて前記第2シールにおいて閉口するとともに浄水が収集される集水孔と、
前記第1端面と前記第2端面とを繋ぐ外側面から前記複数の濾過セルを避けて前記長手方向に垂直な方向に延びるとともに前記集水孔に連通する中央連通流路部と、
を備え、
前記集水孔は、前記長手方向に平行に見た状態において前記第1端面の中央部に位置し、
前記中央連通流路部は、前記第1端面から前記長手方向に前記多孔質体の全長の1/3以上離間し、かつ、前記第2端面から前記長手方向に前記多孔質体の全長の1/3以上離間した位置に位置し、
前記中央連通流路部を構成する連通流路の流路長手方向に垂直な断面は、前記長手方向に長いスリット状である浄水膜構造体。
続きを表示(約 2,000 文字)
【請求項2】
請求項1に記載の浄水膜構造体であって、
前記多孔質体は、それぞれが前記長手方向に延びて前記第1シールおよび前記第2シールにおいて閉口するとともに浄水が収集される複数の集水セルをさらに備え、
前記中央連通流路部は、前記複数の集水セルと連通する浄水膜構造体。
【請求項3】
請求項1または2に記載の浄水膜構造体であって、
前記多孔質体の前記長手方向の前記他方側の端部には、前記外側面から前記長手方向に垂直な方向に延びて前記集水孔に連通する連通流路部は設けられない浄水膜構造体。
【請求項4】
請求項1または2に記載の浄水膜構造体であって、
前記中央連通流路部の前記長手方向の長さは、前記多孔質体の前記長手方向における全長の3%以上である浄水膜構造体。
【請求項5】
請求項1または2に記載の浄水膜構造体であって、
前記中央連通流路部は、
前記外側面から前記長手方向に垂直な縦方向に直線状に延びて前記集水孔に直接的に連通する第1縦流路と、
前記外側面から前記縦方向に垂直な横方向に沿って直線状に延びて前記集水孔に直接的に連通する横流路と、
前記横方向において前記集水孔から離間するとともに、前記外側面から前記縦方向に直線状に延びて前記横流路に直接的に連通する第2縦流路と、
を備え、
前記長手方向に平行に見た状態において、前記横流路に垂直な方向における前記横流路の流路幅は、前記横方向における前記第2縦流路の流路幅よりも大きい浄水膜構造体。
【請求項6】
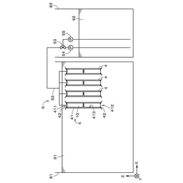
原水から浄水を生成する浄水膜組立体であって、
請求項1または2に記載の浄水膜構造体と、
前記浄水膜構造体の前記長手方向の前記一方側および前記他方側がそれぞれ上側および下側となるように前記浄水膜構造体を内部に収容するとともに原水中に設置される筐体本体と、
を備え、
前記筐体本体は、前記浄水膜構造体の前記外側面を覆う筒状であり、
原水は、前記筐体本体の上部開口および下部開口を介して前記筐体本体内に流入し、前記浄水膜構造体の前記複数の濾過セルに供給される浄水膜組立体。
【請求項7】
原水から浄水を生成する浄水膜構造体であって、
長手方向に延びる柱状の多孔質体と、
前記多孔質体の前記長手方向の一方側の端面である第1端面を被覆する非透水性の第1シールと、
前記多孔質体の前記長手方向の他方側の端面である第2端面を被覆する非透水性の第2シールと、
を備え、
前記多孔質体は、
前記第1端面から前記第2端面まで前記多孔質体を前記長手方向に貫通して前記第1シールおよび前記第2シールにおいて開口するとともに原水が供給される複数の濾過セルと、
前記第1シールにおいて開口し、前記第1端面から前記長手方向に延びて前記第2シールにおいて閉口するとともに浄水が収集される集水孔と、
前記第1端面と前記第2端面とを繋ぐ外側面から前記複数の濾過セルを避けて前記長手方向に垂直な方向に延びるとともに前記集水孔に連通する連通流路部と、
を備え、
前記集水孔は、前記長手方向に平行に見た状態において前記第1端面の中央部に位置し、
前記連通流路部を構成する連通流路の流路長手方向に垂直な断面は、前記長手方向に長いスリット状であり、
前記連通流路部は、
前記外側面から前記長手方向に垂直な縦方向に直線状に延びて前記集水孔に直接的に連通する第1縦流路と、
前記外側面から前記縦方向に垂直な横方向に沿って直線状に延びて前記集水孔に直接的に連通する横流路と、
前記横方向において前記集水孔から離間するとともに、前記外側面から前記縦方向に直線状に延びて前記横流路に直接的に連通する第2縦流路と、
を備え、
前記長手方向に平行に見た状態において、前記横流路に垂直な方向における前記横流路の流路幅は、前記横方向における前記第2縦流路の流路幅よりも大きい浄水膜構造体。
【請求項8】
請求項7に記載の浄水膜構造体であって、
前記横流路は前記横方向に平行に延びる浄水膜構造体。
【請求項9】
請求項7または8に記載の浄水膜構造体であって、
前記横流路は、前記集水孔の前記横方向の両側にそれぞれ1本のみ設けられる浄水膜構造体。
【請求項10】
請求項7または8に記載の浄水膜構造体であって、
前記長手方向に平行に見た状態において、前記横流路に垂直な方向における前記横流路の流路幅は、前記横方向における前記第2縦流路の流路幅の2倍以上である浄水膜構造体。
(【請求項11】以降は省略されています)
発明の詳細な説明
【技術分野】
【0001】
本発明は、原水から浄水を生成する浄水膜構造体および浄水膜組立体に関する。
続きを表示(約 1,900 文字)
【背景技術】
【0002】
従来、浄水場等では、河川水や井戸水等の原水を濾過することによって浄水を生成する濾過装置が用いられている。
【0003】
例えば、特許文献1では、濾過装置において使用される浄水膜構造体として、円柱状の多孔質体に複数のセルが設けられたモノリス構造を有するものが提案されている。当該多孔質体の内部には、多孔質体を長手方向に貫通する複数の濾過セルと、長手方向に延びる複数の集水セルと、多孔質体の径方向中央にて長手方向に延びる集水孔と、多孔質体の外側面から複数の集水セルを貫通して集水孔に連通する集水スリットと、が設けられている。当該集水スリットは、多孔質体の長手方向の両端部に配置されている。また、当該多孔質体の外側面は、ガラス等の非透水性材料が塗布されることにより形成された側面シールによって、全面に亘って被覆されている。
【0004】
上記浄水膜構造体では、複数の濾過セルに供給された原水は、複数の濾過セルを形成する多孔質の隔壁を透過することによって濾過され、浄水として複数の集水セルに収集される。複数の集水セルに収集された浄水は、集水スリットを介して集水孔に収集され、浄水膜構造体の外部へと送出される。
【0005】
また、上記浄水膜構造体では、原水を濾過する際に原水中の懸濁物質等が濾過セルの内側面に付着し、使用時間の経過に従って堆積する。そこで、所定の使用時間の経過後、集水孔から浄水膜構造体の内部に逆洗水(例えば、浄水)が供給されて逆洗が行われる。逆洗が行われる際には、集水孔に圧送された逆洗水が、長手方向の両端部に位置する集水スリット、および、複数の集水セルを介して多孔質体の内部に広がり、各濾過セルを形成する隔壁を介して各濾過セルの内部に流入する。これにより、濾過セルの内側面に堆積した付着物が剥離され、逆洗水と共に濾過セルの内部から排出される。
【先行技術文献】
【特許文献】
【0006】
特開2023-56381号公報
【発明の概要】
【発明が解決しようとする課題】
【0007】
ところで、特許文献1の浄水膜構造体では、複数の濾過セルに流入する逆洗水の流量の不均一性等に起因して、逆洗時に付着物の除去が不足し、濾過セルが閉塞するおそれがある。また、集水孔に供給する逆洗水の流量を増大させた場合、多孔質体の外側面に設けられた集水スリットの開口において、当該開口を被覆する側面シールが逆洗水の圧力によって破損するおそれがある。
【0008】
本発明は、上記課題に鑑みなされたものであり、本発明の一の目的は、濾過セルの内側面に堆積した付着物を逆洗時に好適に除去することである。
【課題を解決するための手段】
【0009】
態様1の発明は、原水から浄水を生成する浄水膜構造体であって、長手方向に延びる柱状の多孔質体と、前記多孔質体の前記長手方向の一方側の端面である第1端面を被覆する非透水性の第1シールと、前記多孔質体の前記長手方向の他方側の端面である第2端面を被覆する非透水性の第2シールと、を備える。前記多孔質体は、前記第1端面から前記第2端面まで前記多孔質体を前記長手方向に貫通して前記第1シールおよび前記第2シールにおいて開口するとともに原水が供給される複数の濾過セルと、前記第1シールにおいて開口し、前記第1端面から前記長手方向に延びて前記第2シールにおいて閉口するとともに浄水が収集される集水孔と、前記第1端面と前記第2端面とを繋ぐ外側面から前記複数の濾過セルを避けて前記長手方向に垂直な方向に延びるとともに前記集水孔に連通する中央連通流路部と、を備える。前記集水孔は、前記長手方向に平行に見た状態において前記第1端面の中央部に位置する。前記中央連通流路部は、前記第1端面から前記長手方向に前記多孔質体の全長の1/3以上離間し、かつ、前記第2端面から前記長手方向に前記多孔質体の全長の1/3以上離間した位置に位置する。前記中央連通流路部を構成する連通流路の流路長手方向に垂直な断面は、前記長手方向に長いスリット状である。
【0010】
態様2の発明は、態様1の浄水膜構造体であって、前記多孔質体は、それぞれが前記長手方向に延びて前記第1シールおよび前記第2シールにおいて閉口するとともに浄水が収集される複数の集水セルをさらに備える。前記中央連通流路部は、前記複数の集水セルと連通する。
(【0011】以降は省略されています)
この特許をJ-PlatPat(特許庁公式サイト)で参照する
関連特許
日本碍子株式会社
空調システム
3日前
日本碍子株式会社
ウエハ載置台
4日前
日本碍子株式会社
ハニカム構造体
8日前
日本碍子株式会社
セラミックサセプター
2日前
日本碍子株式会社
センサ素子及びガスセンサ
4日前
日本碍子株式会社
複合基板
4日前
株式会社ウィズアクア
水質浄化装置
4日前
栗田工業株式会社
排水回収装置
15日前
三浦工業株式会社
汚泥減容方法
16日前
栗田工業株式会社
用水の水質予測方法
15日前
栗田工業株式会社
超純水製造装置の制御方法
4日前
株式会社神鋼環境ソリューション
貯留槽
8日前
栗田工業株式会社
水質予測方法及び水質制御方法
15日前
水ing株式会社
廃溶液の処理方法
9日前
株式会社クボタ
電解水生成装置
9日前
オルガノ株式会社
尿素処理装置および尿素処理方法
16日前
株式会社クボタ
電解水生成装置
9日前
株式会社クボタ
電解水生成装置
9日前
株式会社クボタ
電解水生成装置
9日前
パナソニックIPマネジメント株式会社
軟水化装置
9日前
パナソニックIPマネジメント株式会社
軟水化装置
9日前
オルガノ株式会社
水処理システムおよびその運転方法
17日前
水ing株式会社
排水処理方法及び装置
15日前
パナソニックIPマネジメント株式会社
電解水生成装置
8日前
三浦工業株式会社
汚泥減容システム
8日前
パナソニックIPマネジメント株式会社
水処理装置
9日前
パナソニックIPマネジメント株式会社
水処理装置
9日前
パナソニックIPマネジメント株式会社
水処理装置
9日前
パナソニックIPマネジメント株式会社
水処理装置
9日前
パナソニックIPマネジメント株式会社
水処理装置
9日前
パナソニックIPマネジメント株式会社
水処理装置
9日前
有限会社エコルネサンス・エンテック
環境負荷の低減化を図る方法
3日前
株式会社海洋開発技術研究所
水質改善装置および水質改善方法
10日前
水ing株式会社
排水処理装置及び排水処理方法
10日前
水ing株式会社
排水処理方法および排水処理装置
15日前
株式会社クボタ
電解水生成装置および運転方法
9日前
続きを見る
他の特許を見る