TOP
|
特許
|
意匠
|
商標
特許ウォッチ
Twitter
他の特許を見る
公開番号
2025154852
公報種別
公開特許公報(A)
公開日
2025-10-10
出願番号
2024058085
出願日
2024-03-29
発明の名称
半導体回路及び半導体回路のテスト方法
出願人
ローム株式会社
代理人
弁理士法人太陽国際特許事務所
主分類
G01R
31/28 20060101AFI20251002BHJP(測定;試験)
要約
【課題】1つの半導体回路で複数製品を作り分けることが可能な半導体回路において、テスト時におけるパッドの接続状態の制御を簡素化した半導体回路、及び、この半導体回路のテスト方法を提供する。
【解決手段】外部のパッケージ端子に接続するための複数のパッドと、テスト信号を出力するテスト回路と、を備え、所定の複数のパッドからなるパッド群の中の1つのパッドを、パッケージ端子と接続することにより、異なる種類の製品に作り分けることが可能であり、テスト回路は、パッド群に含まれる複数のパッドを同一の出力値で一斉に駆動する一斉駆動を行うことが可能に構成されている。
【選択図】図1
特許請求の範囲
【請求項1】
外部のパッケージ端子に接続するための複数のパッドと、
テスト信号を出力するテスト回路と、を備え、
所定の複数のパッドからなるパッド群の中の1つのパッドを、パッケージ端子と接続することにより、異なる種類の製品に作り分けることが可能であり、
前記テスト回路は、前記パッド群に含まれる複数のパッドを同一の出力値で一斉駆動することが可能に構成されている
半導体回路。
続きを表示(約 470 文字)
【請求項2】
複数のパッド群を備え、
各パッド群の中の1つのパッドを、各々異なるパッケージ端子と接続することにより、異なる種類の製品に作り分けることが可能である
請求項1に記載の半導体回路。
【請求項3】
前記テスト回路は、テストモード時において前記一斉駆動を行う
請求項1に記載の半導体回路。
【請求項4】
パッケージ端子は、パッドに対して、ボンディングワイヤ又は半田バンプを介して接続されている
請求項1に記載の半導体回路。
【請求項5】
通常動作時において、1つのパッドの最大転送速度は、100Mbps以上である
請求項1に記載の半導体回路。
【請求項6】
請求項1から5のいずれか1項に記載の半導体回路のテスト方法であって、
テストモード時において前記テスト回路により前記一斉駆動を行い、
出力されたテスト信号を複数のパッドを介して前記半導体回路の外部において同時に検出する
半導体回路のテスト方法。
発明の詳細な説明
【技術分野】
【0001】
本開示は、半導体回路及び半導体回路のテスト方法に関する。
続きを表示(約 1,300 文字)
【背景技術】
【0002】
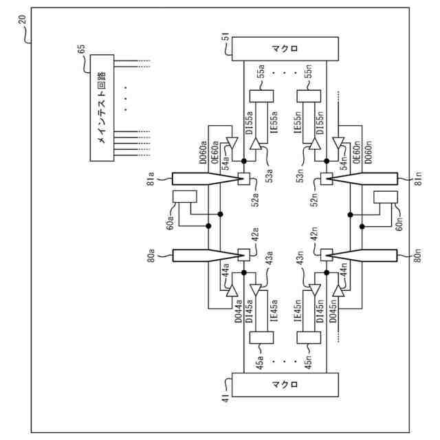
半導体回路内において、パッドと複数のマクロとの間の接続状態を制御することにより、半導体回路の外部から1つのパッドを介して任意のマクロへの接続が可能な半導体回路が知られている(例えば、特許文献1-4参照)。
【先行技術文献】
【特許文献】
【0003】
特開2012-003812号公報
特開平07-225258号公報
特開2008-077816号公報
特開2002-243806号公報
【発明の概要】
【発明が解決しようとする課題】
【0004】
通常、半導体回路内には、製品で使用するマクロのみを形成する。これに対して、半導体回路内において、ある製品では使用するが別の製品では使用しないマクロ、及び、ある製品では使用しないが別の製品では使用するマクロ等、半導体回路内において機能が異なる複数のマクロを形成し、半導体回路を内包する半導体装置のパッケージ端子を、複数のマクロのうちの一部のマクロに接続されたパッドに選択的に接続することにより、一つの半導体回路で複数種類の製品を作り分けることが可能になる。
【0005】
このように、1つの半導体回路で複数製品を作り分けることが可能な半導体回路においては、半導体回路内に形成されたマクロの数に応じて、テスト時におけるパッドの接続制御が複雑化する。
【0006】
本開示は、上記の事情を踏まえ、1つの半導体回路で複数製品を作り分けることが可能な半導体回路において、テスト時におけるパッドの接続制御を簡素化した半導体回路、及び、この半導体回路のテスト方法を提供することを目的とする。
【課題を解決するための手段】
【0007】
本開示の半導体回路は、外部のパッケージ端子に接続するための複数のパッドと、テスト信号を出力するテスト回路と、を備え、所定の複数のパッドからなるパッド群の中の1つのパッドを、パッケージ端子と接続することにより、異なる種類の製品に作り分けることが可能であり、前記テスト回路は、前記パッド群に含まれる複数のパッドを同一の出力値で一斉駆動することが可能に構成されている。
【0008】
本開示の半導体回路のテスト方法は、本開示の半導体回路のテスト方法であって、テストモード時において前記テスト回路により前記一斉駆動を行い、出力されたテスト信号を複数のパッドを介して前記半導体回路の外部において同時に検出する。
【発明の効果】
【0009】
本開示の半導体回路によれば、1つの半導体回路で複数製品を作り分けることが可能な半導体回路において、テスト時におけるパッドの接続制御を簡素化することができる。
【0010】
本開示の半導体回路のテスト方法によれば、パッドの接続制御を簡素化した半導体回路の動作確認を行うことができる。
【図面の簡単な説明】
(【0011】以降は省略されています)
この特許をJ-PlatPat(特許庁公式サイト)で参照する
関連特許
ローム株式会社
RAM
1日前
ローム株式会社
RAM
1日前
ローム株式会社
駆動回路
3日前
ローム株式会社
電源装置
1日前
ローム株式会社
発振回路
1日前
ローム株式会社
半導体装置
3日前
ローム株式会社
半導体装置
2日前
ローム株式会社
半導体装置
1日前
ローム株式会社
テスト回路
2日前
ローム株式会社
半導体装置
1日前
ローム株式会社
半導体装置
2日前
ローム株式会社
半導体装置
1日前
ローム株式会社
半導体装置
2日前
ローム株式会社
暗号化装置
2日前
ローム株式会社
半導体装置
2日前
ローム株式会社
半導体装置
4日前
ローム株式会社
半導体装置
3日前
ローム株式会社
半導体装置
1日前
ローム株式会社
半導体装置
3日前
ローム株式会社
半導体装置
1日前
ローム株式会社
無線通信装置
2日前
ローム株式会社
無線通信回路
3日前
ローム株式会社
時間測定回路
3日前
ローム株式会社
静電気保護素子
1日前
ローム株式会社
異常検知システム
1日前
ローム株式会社
フォトダイオード
3日前
ローム株式会社
検証装置及び検証方法
1日前
ローム株式会社
半導体装置及び補正方法
1日前
ローム株式会社
アンテナ付高周波モジュール
3日前
ローム株式会社
半導体装置及び半導体チップ
2日前
ローム株式会社
信号伝達装置、電子機器、車両
1日前
ローム株式会社
半導体装置、および通信システム
2日前
ローム株式会社
半導体装置、および通信システム
2日前
ローム株式会社
半導体装置及びレギュレータ装置
1日前
ローム株式会社
レギュレータ回路を備えた集積回路
1日前
ローム株式会社
音波処理装置、ソナー装置及び車両
2日前
続きを見る
他の特許を見る