TOP
|
特許
|
意匠
|
商標
特許ウォッチ
Twitter
他の特許を見る
公開番号
2025153950
公報種別
公開特許公報(A)
公開日
2025-10-10
出願番号
2024056689
出願日
2024-03-29
発明の名称
半導体装置及びレギュレータ装置
出願人
ローム株式会社
代理人
弁理士法人太陽国際特許事務所
主分類
G05F
1/56 20060101AFI20251002BHJP(制御;調整)
要約
【課題】消費電流を低減することができる共に、電源起動時には確実にレギュレータを起動させる。
【解決手段】この半導体装置は、動作電圧を生成するレギュレータユニットと、前記動作電圧を供給されて動作するマイクロコントローラユニットとを含む半導体装置である。前記レギュレータユニットは、第1動作電圧を生成する第1レギュレータと、第2動作電圧を生成する第2レギュレータと、前記第1動作電圧の上昇に対する前記第2動作電圧の上昇が小さいことを検出する低電圧検出回路と、前記第1動作電圧の立ち上がりに応じて前記第2レギュレータを起動させるとともに、前記低電圧検出回路の検出結果に応じて前記第2レギュレータを起動させる起動回路とを備える。
【選択図】図1
特許請求の範囲
【請求項1】
動作電圧を生成するレギュレータユニットと、
前記動作電圧を供給されて動作するマイクロコントローラユニットと
を含む半導体装置において、
前記レギュレータユニットは、
第1動作電圧を生成する第1レギュレータと、
第2動作電圧を生成する第2レギュレータと、
前記第1動作電圧の上昇に対する前記第2動作電圧の上昇が小さいことを検出する低電圧検出回路と、
前記第1動作電圧の立ち上がりに応じて前記第2レギュレータを起動させるとともに、前記低電圧検出回路の検出結果に応じて前記第2レギュレータを起動させる起動回路と
を備えた半導体装置。
続きを表示(約 830 文字)
【請求項2】
前記起動回路は、前記第2レギュレータの起動を指示する第1起動信号を入力されて第2起動信号を前記第2レギュレータに向けて出力するとともに、
前記低電圧検出回路の検出信号に基づいて、前記第2起動信号を前記第2レギュレータに向けて出力するように構成された、請求項1に記載の半導体装置。
【請求項3】
前記低電圧検出回路の前記検出結果に基づく前記起動回路による前記第2レギュレータの起動は、前記第1動作電圧の上昇開始後において1回のみ実行される、請求項2に記載の半導体装置。
【請求項4】
前記起動回路は、前記第1起動信号を入力端子に入力され、前記第1起動信号に対応して発生するパルス信号をクロック端子に入力され、前記低電圧検出回路の検出信号をリセット端子に入力されるフリップフロップ回路を備える、請求項2に記載の半導体装置。
【請求項5】
前記低電圧検出回路は、
バイアス電流を発生させるバイアス電流源と、
前記バイアス電流をミラーしてミラー電流を発生させるカレントミラー回路と、
前記ミラー電流を供給され、ゲートに前記第2動作電圧を供給されるPMOSトランジスタと
を備える、請求項1に記載の半導体装置。
【請求項6】
マイクロコントローラに接続可能に構成され前記マイクロコントローラの動作電圧を生成するレギュレータ装置であって、
第1動作電圧を生成する第1レギュレータと、
第2動作電圧を生成する第2レギュレータと、
前記第1動作電圧の上昇に対する前記第2動作電圧の上昇が小さいことを検出する低電圧検出回路と、
前記第1動作電圧の立ち上がりに応じて前記第2レギュレータを起動させるとともに、前記低電圧検出回路の検出結果に応じて前記第2レギュレータを起動させる起動回路と
を備えたレギュレータ装置。
発明の詳細な説明
【技術分野】
【0001】
本発明は、半導体装置及びレギュレータ装置に関する。
に関する。
続きを表示(約 2,000 文字)
【背景技術】
【0002】
マイクロプロセッサユニット(MCU)とレギュレータチップとを1つのパッケージに搭載するマルチチップパッケージ(MCP)において、レギュレータを起動させるレギュレータ起動回路が用いられている。MCPは、異なるLSIを1つのパッケージに集約できるため、部品点数の削減や低コスト化、異なる耐圧のプロセスを使用出来るなど多くのメリットがある。車載商品においては12Vのバッテリ電圧からMCU用の5V/3V等の電圧を作るレギュレータをMCP化することでバッテリをMCU電源に直接接続出来るようになる。
【0003】
従来、消費電力の抑制のため、レギュレータチップに制御回路やタイマを搭載するとともに、制御回路やタイマに第1電源電圧を供給する第1レギュレータと、MCU用の第2電源電圧を供給する第2レギュレータとをレギュレータチップに備えたMCPが知られている。
【先行技術文献】
【特許文献】
【0004】
特開2002-91794号公報
【発明の概要】
【発明が解決しようとする課題】
【0005】
しかし、上記のような従来のMCPにおいて、レギュレータ制御回路の動作の不調(例えば、レギュレータ制御回路の起動時の信号の不定、パワーオンリセット回路の不発等)により、第2レギュレータが起動せず、その結果MCUを起動することができない所謂デッドロック状態に陥ってしまう虞があるという問題がある。本発明は、消費電流を低減することができる共に、電源起動時には確実にレギュレータを起動させることができる半導体装置を提供するものである。
【課題を解決するための手段】
【0006】
本発明に係る半導体装置は、動作電圧を生成するレギュレータユニットと、前記動作電圧を供給されて動作するマイクロコントローラユニットとを含む半導体装置である。前記レギュレータユニットは、第1動作電圧を生成する第1レギュレータと、第2動作電圧を生成する第2レギュレータと、前記第1動作電圧の上昇に対する前記第2動作電圧の上昇が小さいことを検出する低電圧検出回路と、前記第1動作電圧の立ち上がりに応じて前記第2レギュレータを起動させるとともに、前記低電圧検出回路の検出結果に応じて前記第2レギュレータを起動させる起動回路とを備える。
【図面の簡単な説明】
【0007】
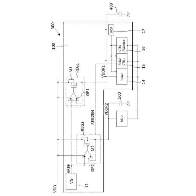
本発明の実施の形態のマルチチップパッケージ(半導体装置)300を説明する回路図である。
本発明の実施の形態のマルチチップパッケージ(半導体装置)300の動作を説明するタイミングチャートである。
本発明の実施の形態のマルチチップパッケージ(半導体装置)300の動作を説明するタイミングチャートである。
第1の比較例のマルチチップパッケージ300の構成を説明する。
第2の比較例のマルチチップパッケージ300の構成を説明する。
第2の比較例のマルチチップパッケージ300の動作及び問題点を説明するタイミングチャートである。
第2の比較例のマルチチップパッケージ300の動作及び問題点を説明するタイミングチャートである。
【発明を実施するための形態】
【0008】
以下、添付図面を参照して本実施形態について説明する。添付図面では、機能的に同じ要素は同じ番号で表示される場合もある。なお、添付図面は本開示の原理に則った実施形態と実装例を示しているが、これらは本開示の理解のためのものであり、決して本開示を限定的に解釈するために用いられるものではない。本明細書の記述は典型的な例示に過ぎず、本開示の特許請求の範囲又は適用例を如何なる意味においても限定するものではない。
【0009】
本実施形態では、当業者が本開示を実施するのに十分詳細にその説明がなされているが、他の実装・形態も可能で、本開示の技術的思想の範囲と精神を逸脱することなく構成・構造の変更や多様な要素の置き換えが可能であることを理解する必要がある。従って、以降の記述をこれに限定して解釈してはならない。
【0010】
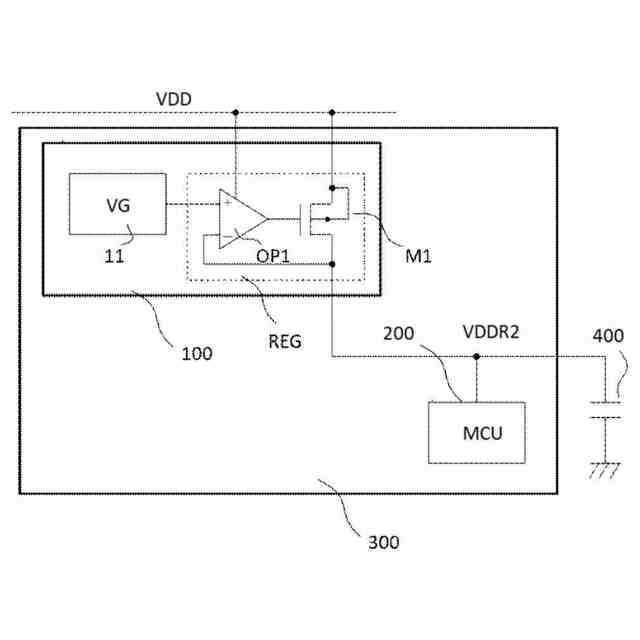
本発明の実施形態を説明する前に、本実施形態の比較例に係るマルチチップパッケージについて説明する。まず、図4を参照して、第1の比較例として、従来のマルチチップパッケージ300の構成を説明する。このマルチチップパッケージ300は、レギュレータチップ100と、MCU200とを1つのパッケージに搭載して構成される。レギュレータチップ100は、電圧生成回路11と、レギュレータREGとを備えている。レギュレータREGは、一例として、OPアンプOP1とPMOSトランジスタM1とを備え得る。
(【0011】以降は省略されています)
この特許をJ-PlatPat(特許庁公式サイト)で参照する
関連特許
個人
生産早送り装置
2か月前
株式会社豊田自動織機
産業車両
1か月前
株式会社カネカ
製造システム
1か月前
オムロン株式会社
スレーブ装置
12日前
株式会社熊谷組
障害物の検出方法
3日前
ローム株式会社
基準電圧源
1か月前
愛知製鋼株式会社
車両用システム
1か月前
株式会社FUJI
加工機械ライン
2か月前
新電元工業株式会社
作業用ロボット
1日前
個人
作業車両自動化システム
2か月前
愛知製鋼株式会社
目標軌跡の設定方法
2か月前
豊田合成株式会社
機器制御装置
8日前
株式会社ダイフク
搬送設備
22日前
トヨタ自動車株式会社
生産管理システム
2か月前
トヨタ自動車株式会社
移動制御システム
2か月前
株式会社ダイフク
搬送設備
1か月前
株式会社ダイフク
搬送設備
2か月前
株式会社ダイフク
搬送設備
3か月前
トヨタ自動車株式会社
減圧弁
2か月前
株式会社オプトン
制御プログラム生成装置
3か月前
株式会社鷺宮製作所
制御装置
3か月前
キヤノン電子株式会社
加工装置、及び、制御方法
3か月前
カヤバ株式会社
減圧弁
10日前
トヨタ自動車株式会社
制御装置
12日前
マーク ヘイリー
消防ロボット
2か月前
トヨタ自動車株式会社
クラッチペダル
1か月前
株式会社ダイフク
物品搬送設備
3か月前
株式会社ダイフク
物品搬送設備
3か月前
株式会社ダイフク
物品搬送設備
22日前
株式会社ダイフク
物品搬送設備
3か月前
キヤノン株式会社
配送システム
1か月前
アズビル株式会社
制御システムおよび制御方法
2か月前
キヤノン電子株式会社
加工システム、及び、加工装置
2か月前
株式会社テイエルブイ
減圧弁の制御装置
2か月前
キヤノン電子株式会社
加工システム、及び、加工装置
2か月前
ルネサスエレクトロニクス株式会社
半導体装置
1か月前
続きを見る
他の特許を見る