TOP
|
特許
|
意匠
|
商標
特許ウォッチ
Twitter
他の特許を見る
10個以上の画像は省略されています。
公開番号
2025156634
公報種別
公開特許公報(A)
公開日
2025-10-14
出願番号
2025135293,2021064149
出願日
2025-08-15,2021-04-05
発明の名称
半導体装置
出願人
ローム株式会社
代理人
弁理士法人あい特許事務所
主分類
H10D
8/60 20250101AFI20251002BHJP()
要約
【課題】ショットキー接合を有する構成において、順方向電圧を低減できる半導体装置を提供する。
【解決手段】ショットキーバリアダイオード1は、半導体基板6と、半導体基板6上に形成されたn型(第1導電型)のエピタキシャル層7とを含む半導体層2と、アルミニウム合金およびアルミニウムのうち少なくとも一種を含有し、半導体層2上に形成されたアノード電極14と、エピタキシャル層7の表層部に形成され、エピタキシャル層7との間にpn接合PJを形成するp型(第2導電型)の不純物領域40とを備える。アノード電極14が、半導体層2の第1主面3に接し半導体層2との間にショットキー接合SJを形成するショットキー部15を含む。
【選択図】図2
特許請求の範囲
【請求項1】
半導体基板と、前記半導体基板上に形成された第1導電型のエピタキシャル層とを含む半導体層と、
アルミニウム合金およびアルミニウムのうちの少なくとも一種を含有し、前記半導体層上に形成された表面電極であって、前記半導体層の表面に接し前記エピタキシャル層との間にショットキー接合を形成するショットキー部と、前記表面電極の厚さ方向から接続部材が接続される表面を有する接続部とを含む表面電極と、
前記エピタキシャル層の表層部に形成され、前記エピタキシャル層との間にpn接合を形成する第2導電型の不純物領域と、
前記接続部の表面の一部を前記接続部材との接続領域として露出させる開口を形成するように前記表面電極の一部を覆う絶縁層とを備え、
前記ショットキー部および前記接続部が、積層構造を形成しており、
前記表面電極が、前記ショットキー部および前記接続部の間に位置し、前記絶縁層に周縁部が接するバリア部をさらに含み、
前記ショットキー部および前記接続部が、同一の物質からなる単層構造を形成している、半導体装置。
続きを表示(約 1,500 文字)
【請求項2】
半導体基板と、前記半導体基板上に形成された第1導電型のエピタキシャル層とを含む半導体層と、
アルミニウム合金およびアルミニウムのうちの少なくとも一種を含有し、前記半導体層上に形成された表面電極であって、前記半導体層の表面に接し前記エピタキシャル層との間にショットキー接合を形成するショットキー部と、前記表面電極の厚さ方向から接続部材が接続される表面を有する接続部とを含む表面電極と、
前記エピタキシャル層の表層部に形成され、前記エピタキシャル層との間にpn接合を形成する第2導電型の不純物領域と、
前記接続部の表面の一部を前記接続部材との接続領域として露出させる開口を形成するように前記表面電極の一部を覆う絶縁層と、
前記半導体層の表面および前記ショットキー部の間に配置された層間絶縁膜とを備え、
前記ショットキー部および前記接続部が、積層構造を形成しており、
前記表面電極が、前記ショットキー部および前記接続部の間に位置し、前記絶縁層に周縁部が接するバリア部をさらに含み、
前記ショットキー部が、前記半導体層の表面を被覆する第1被覆部と、前記層間絶縁膜を被覆する第2被覆部とを含む、半導体装置。
【請求項3】
前記ショットキー部が、前記エピタキシャル層に直接接続する第1部分と、前記不純物領域に直接接続する第2部分とを含み、
前記第1部分の組成、および、前記第2部分の組成が同一である、請求項1または2に記載の半導体装置。
【請求項4】
前記ショットキー部および前記接続部が、互いに異なる物質によって形成されており、互いに接している、請求項1~3のいずれか一項に記載の半導体装置。
【請求項5】
前記バリア部が、チタンおよび窒化チタンのうちの少なくとも一種を用いて形成されている、請求項1~4のいずれか一項に記載の半導体装置。
【請求項6】
前記接続部の厚さが、前記ショットキー部の厚さよりも大きい、請求項1~5のいずれか一項に記載の半導体装置。
【請求項7】
前記アルミニウム合金が、AlSi合金、AlCu合金およびAlSiCu合金のうちの一種である、請求項1~6のいずれか一項に記載の半導体装置。
【請求項8】
半導体基板と、前記半導体基板上に形成された第1導電型のエピタキシャル層とを含む半導体層と、
アルミニウム合金およびアルミニウムのうちの少なくとも一種を含有し、前記半導体層上に形成された表面電極であって、前記半導体層の表面に接し前記エピタキシャル層との間にショットキー接合を形成するショットキー部を含む表面電極と、
前記エピタキシャル層の表層部に形成され、前記エピタキシャル層との間にpn接合を形成する第2導電型の不純物領域と、
前記ショットキー部に接するように前記エピタキシャル層の表層部に形成され、格子欠陥が前記エピタキシャル層よりも多い格子欠陥領域とを備え、
前記不純物領域が、前記格子欠陥領域に接するように前記格子欠陥領域の内側に配置された内側不純物領域を含む、半導体装置。
【請求項9】
前記エピタキシャル層の表層部に形成された第2導電型の環状のガード領域をさらに備える、請求項1~8のいずれか一項に記載の半導体装置。
【請求項10】
前記ガード領域が、第1ガード領域と、前記第1ガード領域を取り囲み前記第1ガード領域よりも幅狭である複数の第2ガード領域とを含む、請求項9に記載の半導体装置。
(【請求項11】以降は省略されています)
発明の詳細な説明
【技術分野】
【0001】
本発明は、ショットキーバリアダイオードを備える半導体装置に関する。
続きを表示(約 2,300 文字)
【背景技術】
【0002】
下記特許文献1には、モリブデン(Mo)やチタン(Ti)によって構成される上層電極がドリフト層とショットキー接触する構成が開示されている。
【先行技術文献】
【特許文献】
【0003】
特開2008-282972号公報
【発明の概要】
【発明が解決しようとする課題】
【0004】
半導体装置の省電力化に伴って、ショットキーバリアダイオードの順方向電圧の低減が求められている。そこで、本発明の1つの目的は、ショットキー接合を有する構成において、順方向電圧を低減できる半導体装置を提供することである。
【課題を解決するための手段】
【0005】
本開示の半導体装置は、半導体基板と、前記半導体基板上に形成された第1導電型のエピタキシャル層とを含む半導体層と、アルミニウム合金(Al合金)およびアルミニウム(Al)のうちの少なくとも一種を含有し、前記半導体層上に形成された表面電極と、前記エピタキシャル層の表層部に形成され、前記エピタキシャル層との間にpn接合を形成する第2導電型の不純物領域とを備える。前記表面電極が、前記半導体層の表面に接し前記エピタキシャル層との間にショットキー接合を形成するショットキー部と、接続部材が接続される表面を有する接続部とを含む。
【0006】
この構成によれば、半導体基板との間にショットキー接合を形成するショットキー部をその一部として含む表面電極が、Al合金およびAlのうちの少なくとも一種を用いて形成されている。そのため、順方向電圧を低減できる。
【図面の簡単な説明】
【0007】
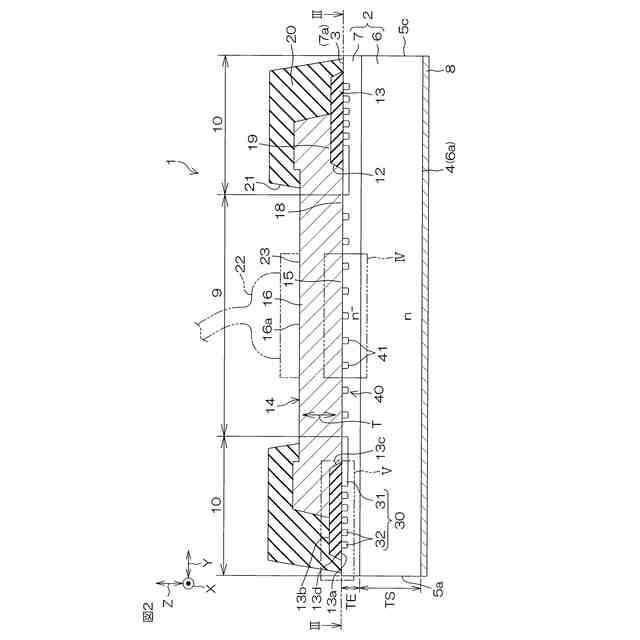
図1は、第1実施形態に係るショットキーバリアダイオードの要部の平面図である。
図2は、図1に示すII-II線に沿う断面図である。
図3は、図2に示すIII-III線に沿う断面図である。
図4は、図2に示すIV領域の拡大図である。
図5は、図2に示すV領域の拡大図である。
図6は、前記ショットキーバリアダイオードの製造方法のフローチャートである。
図7は、第2実施形態に係るショットキーバリアダイオードの要部の断面図である。
図8は、図7に示すVIII領域の拡大図である。
図9は、第2実施形態に係るショットキーバリアダイオードの製造方法のフローチャートである。
図10は、第3実施形態に係るショットキーバリアダイオードの要部の断面図である。
図11は、図10に示すXI領域の拡大図である。
図12は、第3実施形態に係るショットキーバリアダイオードの製造方法のフローチャートである。
図13は、第4実施形態に係るショットキーバリアダイオードの要部の断面図である。
図14は、図13に示すXIV-XIV線に沿う断面図である。
図15は、図13に示すXV領域の拡大図である。
図16Aは、第4実施形態に係るショットキーバリアダイオードに含まれる内側不純物領域の周囲の電圧降下について説明するための回路図である。
図16Bは、前記内側不純物領域の周囲の電圧降下について説明するための断面図である。
図17は、第4実施形態に係るショットキーバリアダイオードの製造方法のフローチャートである。
図18Aは、第4実施形態に係るショットキーバリアダイオードの製造方法において、不純物領域および格子欠陥領域が形成される様子を説明するための模式図である。
図18Bは、前記不純物領域および前記格子欠陥領域が形成される様子を説明するための模式図である。
図18Cは、前記不純物領域および前記格子欠陥領域が形成される様子を説明するための模式図である。
【発明を実施するための形態】
【0008】
<第1実施形態>
図1は、第1実施形態に係る半導体装置としてのショットキーバリアダイオード1の要部の平面図である。図2は、図1に示すII-II線に沿う断面図である。図3は、図2に示すIII-III線に沿う断面図である。図4は、図2に示すIV領域の拡大図である。図5は、図2に示すV領域の拡大図である。
【0009】
以下では、図1~図5を参照して、ショットキーバリアダイオード1の構成について説明する。
図1を参照して、ショットキーバリアダイオード1は、4H-SiC(絶縁破壊電界が約2.8MV/cmであり、バンドギャップの幅が約3.26eVのワイドバンドギャップ半導体)が採用されたショットキーバリアダイオードであり、たとえば、平面視正方形のチップ状である。チップ状のショットキーバリアダイオード1の各辺の長さは0.5mm~20mmである。すなわち、ショットキーバリアダイオード1のチップサイズは、たとえば、0.5mm/□~20mm/□である。
【0010】
ショットキーバリアダイオード1は、直方体形状のチップ状に形成されたSiCからなる半導体層2を備えている。半導体層2のオフ角は、4°以下であることが好ましい。半導体層2は、一方側の第1主面3、他方側の第2主面4(図2を参照)、ならびに、第1主面3および第2主面4を接続する側面5a,5b,5c,5dを有している。第1主面3および第2主面4は、それらの法線方向Zから見た平面視(以下、単に「平面視」という。)において四角形状(この形態では正方形状)に形成されている。
(【0011】以降は省略されています)
この特許をJ-PlatPat(特許庁公式サイト)で参照する
関連特許
ローム株式会社
光センサ
今日
ローム株式会社
半導体装置
今日
ローム株式会社
半導体装置
今日
個人
半導体装置
8日前
東レ株式会社
太陽電池モジュール
8日前
エイブリック株式会社
半導体装置
14日前
富士電機株式会社
半導体装置
17日前
エイブリック株式会社
縦型ホール素子
2日前
エイブリック株式会社
縦型ホール素子
2日前
富士通株式会社
半導体装置
7日前
ローム株式会社
半導体装置
9日前
AGC株式会社
太陽電池モジュール
20日前
三菱電機株式会社
半導体装置
7日前
株式会社半導体エネルギー研究所
表示装置
2日前
日亜化学工業株式会社
発光素子
7日前
TDK株式会社
圧電素子
7日前
日亜化学工業株式会社
発光装置
6日前
日亜化学工業株式会社
発光素子
15日前
ミツミ電機株式会社
半導体装置
14日前
キヤノン株式会社
有機発光素子
27日前
ローム株式会社
TVSダイオード
15日前
富士電機株式会社
半導体装置の製造方法
1日前
株式会社東芝
熱電変換装置
15日前
デクセリアルズ株式会社
受光装置
13日前
ローム株式会社
TVSダイオード
15日前
住友電気工業株式会社
半導体装置
27日前
住友電気工業株式会社
半導体装置
27日前
ローム株式会社
半導体装置
15日前
ローム株式会社
窒化物半導体装置
2日前
サンケン電気株式会社
半導体装置
13日前
TDK株式会社
光検知装置
14日前
沖電気工業株式会社
発光装置及び表示装置
8日前
株式会社カネカ
太陽電池モジュール
15日前
内山工業株式会社
太陽電池
13日前
株式会社カネカ
太陽電池モジュール
6日前
三菱電機株式会社
半導体装置
21日前
続きを見る
他の特許を見る