TOP
|
特許
|
意匠
|
商標
特許ウォッチ
Twitter
他の特許を見る
10個以上の画像は省略されています。
公開番号
2025158261
公報種別
公開特許公報(A)
公開日
2025-10-17
出願番号
2024060634
出願日
2024-04-04
発明の名称
走行装置
出願人
シャープ株式会社
代理人
個人
,
個人
,
個人
主分類
B62D
61/10 20060101AFI20251009BHJP(鉄道以外の路面車両)
要約
【課題】走行装置の走行安定性を向上させることが可能な走行装置を提供する。
【解決手段】走行装置10は、第1左側車輪1L、第2左側車輪2L、第3左側車輪3L、第1右側車輪1R、第2右側車輪2R、第3右側車輪3R、第1前方左側リンク部材L11、第2前方左側リンク部材L21、第3左側リンク部材L3、第2後方左側リンク部材L22、第1後方左側リンク部材L12、第1前方右側リンク部材R11、第2前方右側リンク部材R21、第3右側リンク部材R3、第2後方右側リンク部材R22、第1後方右側リンク部材R12を備える。第2前方左側リンク部材L21には前方左側回転部材L51が配置され、第2後方左側リンク部材L22には後方左側回転部材L52が配置され、第2前方右側リンク部材R21には前方右側回転部材R51が配置され、第2後方右側リンク部材R22には後方右側回転部材R52が配置されている。
【選択図】図8
特許請求の範囲
【請求項1】
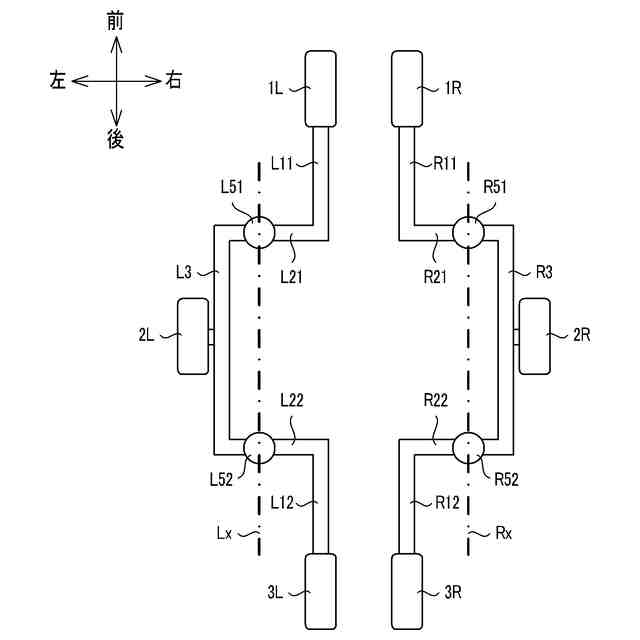
車体の左側の前後方向に配置された第1左側車輪、第2左側車輪、及び第3左側車輪と、
前記車体の右側の前後方向に配置された第1右側車輪、第2右側車輪、及び第3右側車輪と、
前記第1左側車輪、前記第2左側車輪、及び前記第3左側車輪を接続する左側リンク部材と、
前記第1右側車輪、前記第2右側車輪、及び前記第3右側車輪を接続する右側リンク部材と、
を備え、
前記左側リンク部材は、前後方向に延伸する第1左側リンク部材と、前記第1左側リンク部材に接続され左右方向に延伸する第2左側リンク部材と、前記第2左側リンク部材に接続された第3左側リンク部材と、前記第2左側リンク部材に配置された左側回転部材とを備え、
前記右側リンク部材は、前後方向に延伸する第1右側リンク部材と、前記第1右側リンク部材に接続され左右方向に延伸する第2右側リンク部材と、前記第2右側リンク部材に接続された第3右側リンク部材と、前記第2右側リンク部材に配置された右側回転部材とを備え、
前記第1左側車輪、前記第2左側車輪、及び前記第3左側車輪のうちの2つが前記第1左側リンク部材に接続され、残りの1つが前記第3左側リンク部材に接続され、
前記第1右側車輪、前記第2右側車輪、及び前記第3右側車輪のうちの2つが前記第1右側リンク部材に接続され、残りの1つが前記第3右側リンク部材に接続され、
前記左側回転部材及び前記右側回転部材が前記車体のフレームに取り付けられている、
走行装置。
続きを表示(約 1,300 文字)
【請求項2】
前記第1左側車輪及び前記第3左側車輪が前記第1左側リンク部材に接続され、前記第2左側車輪が前記第3左側リンク部材に接続され、
前記第1右側車輪及び前記第3右側車輪が前記第1右側リンク部材に接続され、前記第2右側車輪が前記第3右側リンク部材に接続されている、
請求項1に記載の走行装置。
【請求項3】
前記第1左側リンク部材は、前記車体の前方側に配置された第1前方左側リンク部材と、前記車体の後方側に配置された第1後方左側リンク部材とを含み、
前記第2左側リンク部材は、前記車体の前方側に配置され、前記第1前方左側リンク部材及び前記第3左側リンク部材の前方側端部に接続された第2前方左側リンク部材と、前記車体の後方側に配置され、前記第1前方左側リンク部材及び前記第3左側リンク部材の後方側端部に接続された第2後方左側リンク部材とを含み、
前記左側回転部材は、前記第2前方左側リンク部材の一端部及び他端部の間に配置された前方左側回転部材と、前記第2後方左側リンク部材の一端部及び他端部の間に配置された後方左側回転部材とを含み、
前記第1右側リンク部材は、前記車体の前方側に配置された第1前方右側リンク部材と、前記車体の後方側に配置された第1後方右側リンク部材とを含み、
前記第2右側リンク部材は、前記車体の前方側に配置され、前記第1前方右側リンク部材及び前記第3右側リンク部材の前方側端部に接続された第2前方右側リンク部材と、前記車体の後方側に配置され、前記第1前方右側リンク部材及び前記第3右側リンク部材の後方側端部に接続された第2後方右側リンク部材とを含み、
前記右側回転部材は、前記第2前方右側リンク部材の一端部及び他端部の間に配置された前方右側回転部材と、前記第2後方右側リンク部材の一端部及び他端部の間に配置された後方右側回転部材とを含む、
請求項2に記載の走行装置。
【請求項4】
前記第1左側車輪及び前記第3左側車輪の間に配置された前記第2左側車輪と、前記第1右側車輪及び前記第3右側車輪との間に配置された前記第2右側車輪とは、駆動車輪であり、
前記第1左側車輪、前記第3左側車輪、前記第1右側車輪、及び前記第3右側車輪は、従動車輪である、
請求項3に記載の走行装置。
【請求項5】
前記第2左側車輪は、進行方向に対して前記第1左側車輪及び前記第3左側車輪よりも前記車体の左側に配置されており、
前記第2右側車輪は、進行方向に対して前記第1右側車輪及び前記第3右側車輪よりも前記車体の右側に配置されている、
請求項4に記載の走行装置。
【請求項6】
前記前方左側回転部材及び前記後方左側回転部材は、前後方向に延びる共通の左側回転軸を中心に前記車体に対して回転可能であり、
前記前方右側回転部材及び前記後方右側回転部材は、前後方向に延びる共通の右側回転軸を中心に前記車体に対して回転可能である、
請求項3~5のいずれかに記載の走行装置。
発明の詳細な説明
【技術分野】
【0001】
本開示は、走行装置に関する。
続きを表示(約 1,800 文字)
【背景技術】
【0002】
従来、走行車輪を備え、荷物を積載して走行したり、荷物を積載する台車を牽引して走行したりする走行装置が知られている(例えば特許文献1参照)。
【先行技術文献】
【特許文献】
【0003】
特開2019-204538号公報
【発明の概要】
【発明が解決しようとする課題】
【0004】
しかし、従来の技術では、例えば床面の段差が大きい場合や積載荷重が大きい場合には、走行装置の走行安定性が十分とは言えない。
【0005】
本開示の目的は、走行装置の走行安定性を向上させることが可能な走行装置を提供することにある。
【課題を解決するための手段】
【0006】
本開示の一の態様に係る走行装置は、車体の左側の前後方向に配置された第1左側車輪、第2左側車輪、及び第3左側車輪と、前記車体の右側の前後方向に配置された第1右側車輪、第2右側車輪、及び第3右側車輪と、前記第1左側車輪、前記第2左側車輪、及び前記第3左側車輪を接続する左側リンク部材と、前記第1右側車輪、前記第2右側車輪、及び前記第3右側車輪を接続する右側リンク部材と、を備える。前記左側リンク部材は、前後方向に延伸する第1左側リンク部材と、前記第1左側リンク部材に接続され左右方向に延伸する第2左側リンク部材と、前記第2左側リンク部材に接続された第3左側リンク部材と、前記第2左側リンク部材に配置された左側回転部材とを備える。前記右側リンク部材は、前後方向に延伸する第1右側リンク部材と、前記第1右側リンク部材に接続され左右方向に延伸する第2右側リンク部材と、前記第2右側リンク部材に接続された第3右側リンク部材と、前記第2右側リンク部材に配置された右側回転部材とを備える。前記第1左側車輪、前記第2左側車輪、及び前記第3左側車輪のうちの2つが前記第1左側リンク部材に接続され、残りの1つが前記第3左側リンク部材に接続される。前記第1右側車輪、前記第2右側車輪、及び前記第3右側車輪のうちの2つが前記第1右側リンク部材に接続され、残りの1つが前記第3右側リンク部材に接続される。前記左側回転部材及び前記右側回転部材が前記車体のフレームに取り付けられている。
【発明の効果】
【0007】
本開示によれば、走行装置の走行安定性を向上させることが可能な走行装置を提供することができる。
【図面の簡単な説明】
【0008】
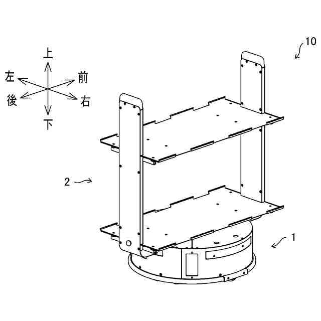
図1は、本開示の実施形態に係る走行装置の全体構成を示す斜視図である。
図2は、本開示の実施形態に係る走行部の全体構成を示す斜視図である。
図3は、本開示の実施形態に係る走行部の内部構造を示す斜視図である。
図4は、本開示の実施形態に係る走行部の内部構造を示す平面図である。
図5は、本開示の実施形態に係る走行部の内部構造を示す背面図である。
図6は、本開示の実施形態に係る走行部の内部構造を示す側面図である。
図7は、本開示の実施形態に係る走行部のリンク機構を示す模式図である。
図8は、本開示の実施形態に係る走行部のリンク機構を示す模式図である。
図9は、本開示の実施形態に係る走行部のリンク機構を示す平面図である。
図10は、本開示の実施形態に係る走行部のリンク機構の他の例を示す平面図である。
図11は、本開示の実施形態に係る走行部のリンク機構の他の例を示す平面図である。
図12は、本開示の実施形態に係る走行部のリンク機構の他の例を示す平面図である。
図13は、本開示の実施形態に係る走行部のリンク機構の他の例を示す平面図である。
【発明を実施するための形態】
【0009】
以下、添付図面を参照しながら、本開示の実施形態について説明する。なお、以下の実施形態は、本開示を具体化した一例であって、本開示の技術的範囲を限定するものではない。
【0010】
図1は、本開示の実施形態に係る走行装置10の全体構成を示す斜視図である。走行装置10は、例えば、無人走行可能な搬送車(Automatic Guided Vehicle)であり、走行部1と、走行部1に接続される棚部2とを備えて構成される。図2は、走行部1の全体構成を示す斜視図である。
(【0011】以降は省略されています)
この特許をJ-PlatPat(特許庁公式サイト)で参照する
関連特許
シャープ株式会社
走行装置
3日前
シャープ株式会社
表示装置
11日前
シャープ株式会社
端末装置
3日前
シャープ株式会社
通信端末
5日前
シャープ株式会社
画像形成装置
10日前
シャープ株式会社
イオン発生装置
3日前
シャープ株式会社
端末装置および通信方法
4日前
シャープ株式会社
トナー及びその製造方法
10日前
シャープ株式会社
端末および端末の制御方法
10日前
シャープ株式会社
給紙装置および画像形成装置
4日前
シャープ株式会社
定着装置および画像形成装置
4日前
シャープ株式会社
端末装置、および、基地局装置
4日前
シャープ株式会社
電子機器および電子機器の制御方法
11日前
シャープ株式会社
通信装置および通信装置の設置方法
12日前
シャープ株式会社
端末装置、基地局装置、および、通信方法
4日前
シャープ株式会社
端末装置、基地局装置、および、通信方法
3日前
シャープ株式会社
端末装置、基地局装置、および、通信方法
3日前
シャープ株式会社
画像形成装置及び画像形成装置の制御方法
11日前
シャープ株式会社
機器梱包セットおよびそれに用いられる緩衝材
10日前
シャープ株式会社
アクセスポイント装置、無線通信装置及び無線通信システム
11日前
シャープ株式会社
スケジュール予約管理装置、スケジュール予約管理方法、及びスケジュール予約管理プログラム
10日前
シャープ株式会社
動画像復号装置、動画像符号化装置、および記録媒体
5日前
シャープ株式会社
ノンパブリックネットワークにおいてセル(再)選択を実行するための方法及び装置
5日前
個人
カート
3か月前
個人
走行装置
3か月前
個人
乗り物
5か月前
個人
電動走行車両
3か月前
個人
電動モビリティ
7か月前
個人
発音装置
7か月前
個人
閂式ハンドル錠
3か月前
個人
折り畳み自転車
10か月前
個人
自転車用歩数計
5日前
個人
駐輪設備
1か月前
個人
ボギー・フレーム
2か月前
個人
自転車用傘捕捉具
11か月前
個人
ルーフ付きトライク
2か月前
続きを見る
他の特許を見る