TOP
|
特許
|
意匠
|
商標
特許ウォッチ
Twitter
他の特許を見る
公開番号
2025135615
公報種別
公開特許公報(A)
公開日
2025-09-19
出願番号
2022127425
出願日
2022-08-09
発明の名称
物品集積装置
出願人
株式会社瑞光
代理人
弁理士法人新樹グローバル・アイピー
主分類
B65G
43/00 20060101AFI20250911BHJP(運搬;包装;貯蔵;薄板状または線条材料の取扱い)
要約
【課題】物品を集積する回転ベルト機構に、複数の搬送部で物品を供給する物品集積装置であって、回転ベルト機構への物品供給時の不具合を抑制可能な物品集積装置を提供する。
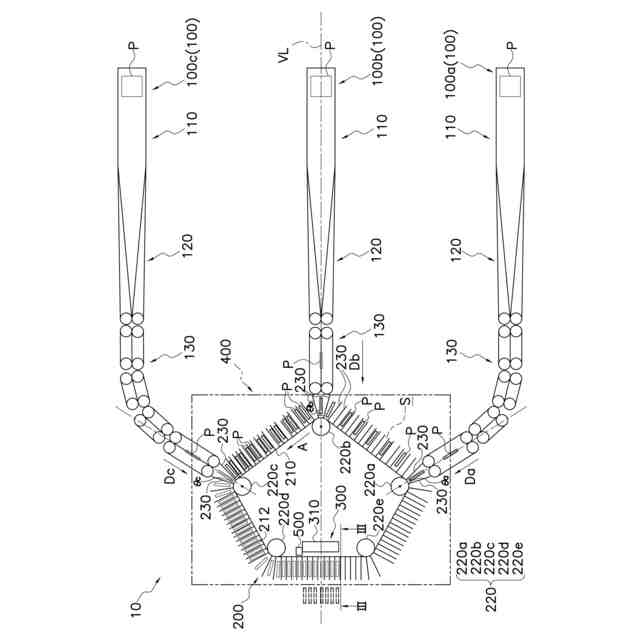
【解決手段】物品集積供給装置(10)は、回転ベルト機構(200)と、複数の搬送部(100)と、を備える。回転ベルト機構は、複数のプーリ(220)と、複数のプーリに掛け渡され搬送方向(A)に搬送されるベルト(210)と、ベルトの外面(212)からベルトの外面に直交する方向に延びる、ベルトの搬送方向に沿って複数配置されるプレート(230)と、を有する。ベルトの搬送方向において隣接するプレートの間には、収容空間(S)が形成される。搬送部は、回転ベルト機構の収容空間に物品(P)を供給する。複数の搬送部は、それぞれ、互いに異なるプーリと対応付けられ、対応するプーリにより広げられているプレート間の収容空間に、物品を供給する。
【選択図】図1
特許請求の範囲
【請求項1】
複数のプーリと、前記複数のプーリに掛け渡され、搬送方向に搬送されるベルトと、前記ベルトの外面と連結される第1端から第2端へと前記ベルトの前記外面に直交する方向に延び、前記搬送方向に沿って複数配置されるプレートと、を有し、前記搬送方向において隣接する前記プレートの間に、収容空間が形成される回転ベルト機構と、
前記回転ベルト機構に供給する物品を搬送し、前記回転ベルト機構の前記収容空間に、前記搬送方向において隣接する前記プレートの前記第2端間の隙間から前記物品を供給する、複数の搬送部と、
を備え、
前記複数の搬送部は、それぞれ、互いに異なる前記プーリと対応付けられており、
前記複数の搬送部のそれぞれは、対応する前記プーリにより、前記第2端間の距離が前記第1端間の距離よりも広げられている前記搬送方向において隣接する前記プレートの間に形成される前記収容空間に、前記物品を供給する、
物品集積装置。
続きを表示(約 690 文字)
【請求項2】
前記複数の搬送部の1つである第1搬送部は、前記複数の前記プーリの1つである第1プーリと対応付けられ、
前記第1プーリの回転軸に沿う方向から、前記第1搬送部を見た時に、前記第1搬送部は、前記第1搬送部の先端から第1方向に沿って前記収容空間に前記物品を挿入し、
前記第1プーリの前記回転軸に沿う方向から、前記第1搬送部及び前記第1プーリを見た時に、前記第1搬送部の前記先端から前記第1方向に延びる仮想直線は、前記第1プーリの前記回転軸を通過する、
請求項1に記載の物品集積装置。
【請求項3】
前記複数の前記搬送部が前記収容空間に前記物品を供給する複数の物品供給位置において、前記物品が供給される前記収容空間を形成する、前記搬送方向において隣接する前記プレートがなす角度は、全て同一である、
請求項1又は2に記載の物品集積装置。
【請求項4】
前記複数の前記搬送部のそれぞれは、前記収容空間に前記物品を供給する物品供給位置において、仮想挿入面に沿って、前記収容空間に前記物品を挿入し、
前記物品が供給される前記収容空間は、前記搬送方向において隣接する前記プレートであって、前記搬送方向における上流側に配置される第1プレートと、前記搬送方向における下流側に配置される第2プレートと、
により形成され、
前記物品供給位置において、前記第1プレートと前記仮想挿入面とがなす角度と、前記第2プレートと前記仮想挿入面とがなす角度と、は等しい、
請求項1に記載の物品集積装置。
発明の詳細な説明
【技術分野】
【0001】
本願発明は、供給される物品を集積する物品集積装置に関する。
続きを表示(約 1,700 文字)
【背景技術】
【0002】
複数のプーリに掛け渡されたベルトの外面に、搬送方向に沿って複数のプレートが配置されている回転ベルト機構を有し、搬送部が供給する物品を、隣接するプレート間に形成される収容空間に収容することで、物品を集積する物品集積装置が知られている。
【0003】
例えば、特許文献1(特開平5-39118号公報)には、供給される物品を回転ベルト機構に一旦集積すると共に、集積した物品を所定数ずつまとめて排出する、物品の計数供給装置が開示されている。
【先行技術文献】
【特許文献】
【0004】
特開平5-39118号公報
【発明の概要】
【発明が解決しようとする課題】
【0005】
特許文献1の装置では、1の搬送部が、回転ベルト機構へと物品を供給している。これに対し、物品集積供給に、複数の製造ラインから物品が供給されるような場合には、複数の搬送部により回転ベルト機構へと物品が供給される場合がある。
【0006】
このような場合に、複数の搬送部が、1のプーリが形成する単一の物品供給箇所へと物品を供給すると、一部の搬送部が物品供給箇所において物品を供給する隣接するプレート間の幅が、狭くなりすぎたり、広くなりすぎたりして、物品の供給不具合が発生するおそれがある。
【課題を解決するための手段】
【0007】
本願発明の一の観点の吸収性物品の物品集積装置は、回転ベルト機構と、複数の搬送部と、を備える。回転ベルト機構は、複数のプーリと、ベルトと、プレートと、を有する。ベルトは、複数のプーリに掛け渡され、搬送方向に搬送される。プレートは、ベルトの外面と連結される第1端から第2端へと、ベルトの外面に直交する方向に延びる。プレートは、ベルトの搬送方向に沿って、複数配置される。搬送方向において隣接するプレートの間には、収容空間が形成される。搬送部は、回転ベルト機構に供給する物品を搬送する。搬送部は、回転ベルト機構の収容空間に、ベルトの搬送方向において隣接するプレートの第2端間の隙間から物品を供給する。複数の搬送部は、それぞれ、互いに異なるプーリと対応付けられている。複数の搬送部のそれぞれは、対応するプーリにより、第2端間の距離が第1端間の距離よりも広げられている搬送方向において隣接するプレートの間に形成される収容空間に、物品を供給する。
【発明の効果】
【0008】
本願発明の一の観点の物品集積装置では、複数の搬送部のそれぞれは、互いに異なるプーリにより広げられているプレート間に形成される収容空間に物品を供給する。そのため、本願発明の一の観点の物品集積装置では、各搬送部が収容空間に物品を供給する際に、各搬送部が物品を挿入するプレート間の幅を適切な幅に設定するのが容易である。
【図面の簡単な説明】
【0009】
本願発明の物品集積装置の一実施形態に係る物品集積供給装置を、回転ベルト機構のプーリの回転軸方向に沿って見た概略図である。
図1における搬送部100bの回転ベルト機構に対する物品供給位置の周辺を拡大して描画した図である。
図1におけるIII-III矢視の、プレート、プッシャ及びテーブルを、プッシャの移動方向に垂直なプレートの移動方向に沿って見た概略図である。
図1の物品集積供給装置の制御ブロック図である。
図1の物品集積供給装置の動作を説明するフローチャートである。
【発明を実施するための形態】
【0010】
以下に、図面を参照しながら、本願発明の物品集積装置の一実施形態に係る物品集積供給装置について説明する。なお、以下で説明する実施形態は、本願発明の一実施例に過ぎず、本願発明の範囲を限定するものではない。当業者であれば、特許請求の範囲に記載された本願発明の趣旨及び範囲から逸脱することなく、以下の実施形態に多様な変更が可能なことが理解されるであろう。
(【0011】以降は省略されています)
この特許をJ-PlatPat(特許庁公式サイト)で参照する
関連特許
株式会社瑞光
物品集積装置
17日前
株式会社瑞光
吸収性物品の製造方法
3か月前
株式会社瑞光
ウェブ接ぎ装置及びウェブ接ぎ方法
7日前
株式会社瑞光
積層連続体の製造装置及び製造方法
2か月前
個人
箱
12か月前
個人
ゴミ箱
11か月前
個人
収容箱
2か月前
個人
コンベア
4か月前
個人
ゴミ収集器
6か月前
個人
段ボール箱
6か月前
個人
段ボール箱
6か月前
個人
容器
8か月前
個人
楽ちんハンド
4か月前
個人
パウチ補助具
11か月前
個人
宅配システム
6か月前
個人
バンド
1か月前
個人
角筒状構造体
4か月前
個人
土嚢運搬器具
7か月前
個人
お薬の締結装置
5か月前
個人
閉塞装置
9か月前
個人
コード類収納具
7か月前
個人
包装容器
17日前
個人
廃棄物収容容器
1か月前
株式会社和気
包装用箱
8か月前
個人
ゴミ処理機
8か月前
個人
把手付米袋
3か月前
株式会社コロナ
梱包材
4か月前
個人
蓋閉止構造
3か月前
個人
貯蔵サイロ
6か月前
個人
蓋閉止構造
3か月前
個人
積み重ね用補助具
2か月前
株式会社新弘
容器
11か月前
株式会社イシダ
包装装置
12か月前
個人
搬送システム
6か月前
三甲株式会社
容器
1か月前
株式会社KY7
封止装置
2か月前
続きを見る
他の特許を見る